Headlights not working

Tiny
ALLAN BIKOWSKI
  • MEMBER
  • 4 POSTS
I checked all of the ground wires on the diagrams that you provided and still have the same problem.
Could it be the time and alarm module?
When I unplugged that the dim headlights went out.
Was this
answer
helpful?
Yes
No
Monday, February 21st, 2022 AT 2:59 PM
Tiny
JACOBANDNICKOLAS
  • MECHANIC
  • 110,192 POSTS
It sounds like it has been shorted internally. Do me a favor. Reconnect it and allow the lights to come on dim again. Remove one fuse at a time under the hood and see which one turns the lights off. Let me know what fuse/circuit it is so I can focus on that specific circuit and determine what may be the cause.

If you want to replace the module, it may fix it. I just don't like replacing things until, I am sure. The test above will help limit possibilities.

Let me know what you decide.

Take care,

Joe
Was this
answer
helpful?
Yes
No
Monday, February 21st, 2022 AT 7:43 PM
Tiny
ALLAN BIKOWSKI
  • MEMBER
  • 4 POSTS
The 20-amp CTM B.
Was this
answer
helpful?
Yes
No
Tuesday, February 22nd, 2022 AT 1:58 PM
Tiny
JACOBANDNICKOLAS
  • MECHANIC
  • 110,192 POSTS
Hi,

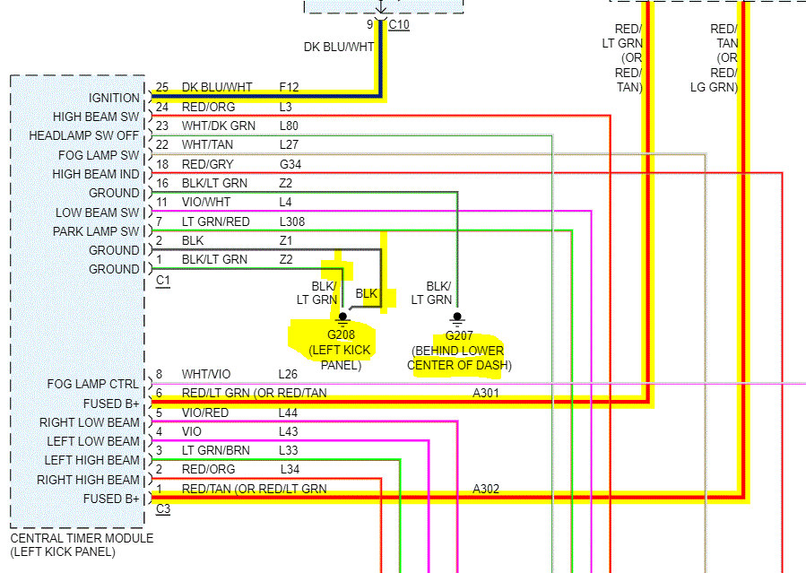
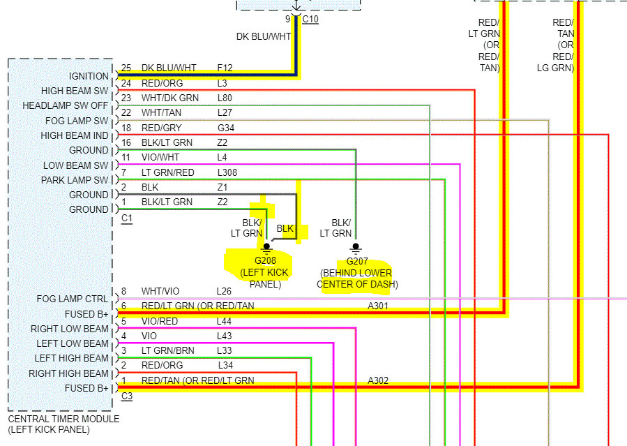
Okay, since the lights turn on dim, it sounds like power is likely back-feeding due to a faulty ground. There are two ground locations under the dash I need you to check. See pic below

If the grounds are not the issue, my next suspect is that the CTM has an internal short. The CTMB provides battery voltage at all times.

If possible, have the can-bus scanned to see if there are diagnostic trouble codes stored in the timer module.

Let me know what you find with the grounds.

Joe

See pic below.
Was this
answer
helpful?
Yes
No
Tuesday, February 22nd, 2022 AT 6:53 PM
Tiny
ALLAN BIKOWSKI
  • MEMBER
  • 4 POSTS
I’ll look again at the G207 ground. The ground that I found in the center is on the trans bell housing cover. I didn’t look for a wire color. Maybe there’s another ground up in there that I can’t see, but the one that I thought was the G207 looked go, but I cleaned it anyway.
Was this
answer
helpful?
Yes
No
Thursday, February 24th, 2022 AT 6:07 AM
Tiny
JACOBANDNICKOLAS
  • MECHANIC
  • 110,192 POSTS
Hi,

Let me know. Based on the schematics, that ground, G207, appears to be in the vehicle under the dash. Most times, it is identified as the engine compartment if it's under the hood.

Let me know.

Joe
Was this
answer
helpful?
Yes
No
Thursday, February 24th, 2022 AT 6:14 PM

Please login or register to post a reply.