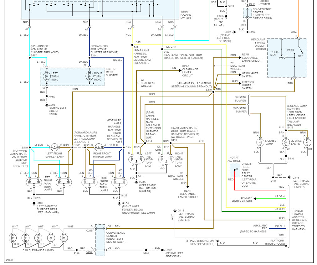
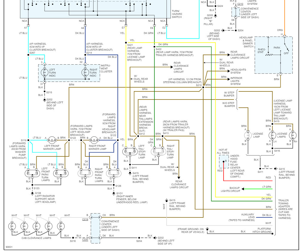
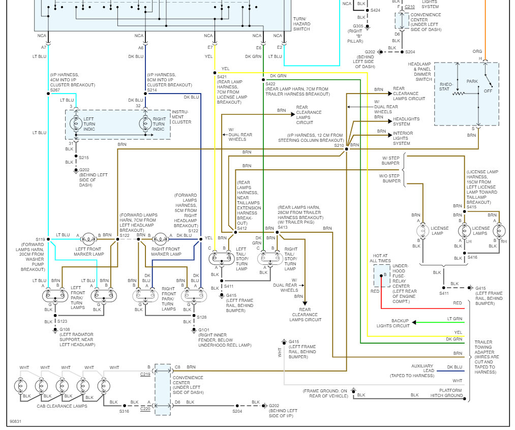
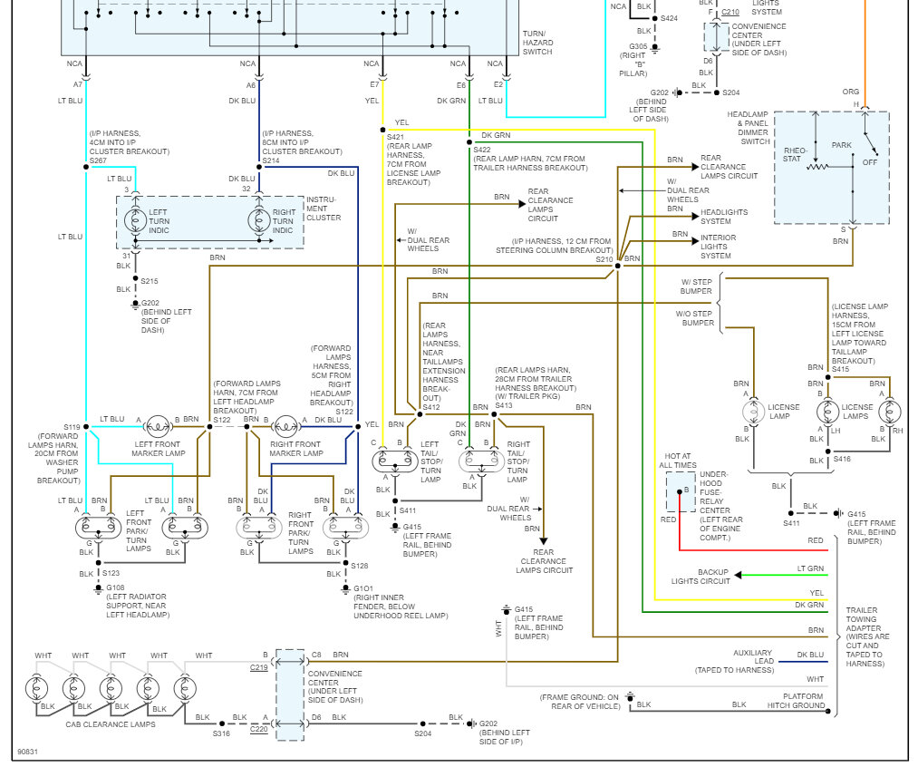
Tuesday, October 27th, 2015 AT 9:50 AM
Hi I have a 97 Chevy all my tail lights are not working but my brake lights work, they have new bulbs and the light bulb is new on both sides can you help me to find the problem?



