No Start? Battery cranks starter, fuel gauge goes to 1/2 when key is on?

Tiny
JACOBANDNICKOLAS
  • MECHANIC
  • 110,192 POSTS
Hi,

I have no knowledge of resetting the immobilizer via jumping pins at the data link connector. As far as the battery cables are concerned, it shouldn't take more than 10 minutes.

Let me know.

Joe
Was this
answer
helpful?
Yes
No
Wednesday, December 28th, 2022 AT 8:46 PM
Tiny
CA7922303
  • MEMBER
  • 165 POSTS
Reconnected battery cables (new battery, new terminals) after connected POS to neg terminals and no change. Have continuous security light flashing, key in ignition and otherwise. Tried jumping obdii connector pins 4 and 13 for 30 minutes w/key on and also no change.
Was this
answer
helpful?
Yes
No
Thursday, December 29th, 2022 AT 10:47 AM
Tiny
CA7922303
  • MEMBER
  • 165 POSTS
Removed ECU. Is there anything I can do to test wiring back to efi relay and fuse while this is disconnected? Is there any testing I can do of the ECU while it is disconnected. What about immobilizer coul around ignition switch?
Was this
answer
helpful?
Yes
No
Thursday, December 29th, 2022 AT 2:27 PM
Tiny
CA7922303
  • MEMBER
  • 165 POSTS
Anything with these two(2) units I should be concerned about?
Was this
answer
helpful?
Yes
No
Thursday, December 29th, 2022 AT 2:35 PM
Tiny
CA7922303
  • MEMBER
  • 165 POSTS
Theft deterent module?
Was this
answer
helpful?
Yes
No
Thursday, December 29th, 2022 AT 2:39 PM
Tiny
CA7922303
  • MEMBER
  • 165 POSTS
Got an ECU from pull a part and an ignition lock cylinder with key. Am I likely to have more luck with programming if I install the ignition lock cylinder w/key from junkyard? It's out of an 01 Avalon with same number as ECU from my 02?
Was this
answer
helpful?
Yes
No
Friday, December 30th, 2022 AT 11:35 AM
Tiny
CA7922303
  • MEMBER
  • 165 POSTS
Disregard the questions about ECU and junkyard parts. Installed and no change. Have since found that obd ii connector pins 4-6(12v) and 6-14(12v). Are incorrect. 4-16(12v) is correct. Can you tell me how to find shorted can-bus? Thanks.
Was this
answer
helpful?
Yes
No
Saturday, December 31st, 2022 AT 6:00 PM
Tiny
JACOBANDNICKOLAS
  • MECHANIC
  • 110,192 POSTS
Hi,

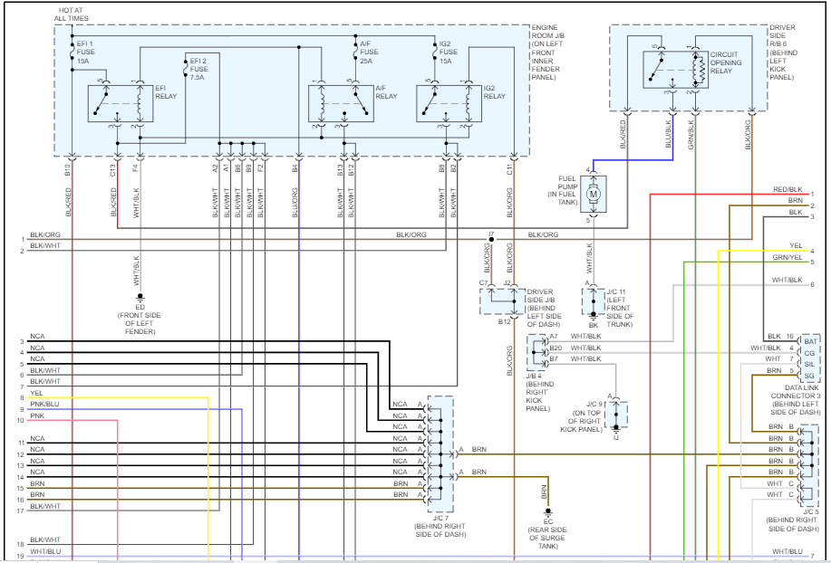
You shouldn't have power at pins 4 and 6. Pin 4 is a chassis ground and pin 6 on the schematic is blank Pin 14 is related to the traction control network and 16 is battery voltage. See the schematic below.

To locate the issues, you need a scanner that can communicate with the ECU. From there, you need to check for codes specific to the controller area network. That should point you in the right direction regarding the problem.

Note that the schematic below is the computer data lines.

Let me know.

Joe

See pics below.
Was this
answer
helpful?
Yes
No
Sunday, January 1st, 2023 AT 7:18 PM
Tiny
CA7922303
  • MEMBER
  • 165 POSTS
So, this diagram is not correct for a 02 Toyota Avalon?
Was this
answer
helpful?
Yes
No
Sunday, January 1st, 2023 AT 9:48 PM
Tiny
CA7922303
  • MEMBER
  • 165 POSTS
Am I looking for an ISO 9141 CAN-bus scan tool? Is that the correct information I need to find the right scan tool for 02 Avalon? Thanks.
Was this
answer
helpful?
Yes
No
Monday, January 2nd, 2023 AT 6:43 AM
Tiny
JACOBANDNICKOLAS
  • MECHANIC
  • 110,192 POSTS
Hi,

Yes, to the scan tool. And, I am sorry, I mixed up the pin connectors on the DLC. You have the correct one. I was one-off when I looked at the schematic.

Joe
Was this
answer
helpful?
Yes
No
Tuesday, January 3rd, 2023 AT 7:11 PM
Tiny
CA7922303
  • MEMBER
  • 165 POSTS
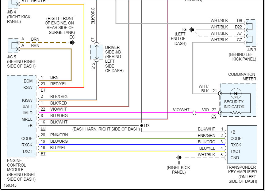
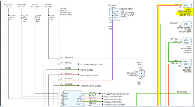
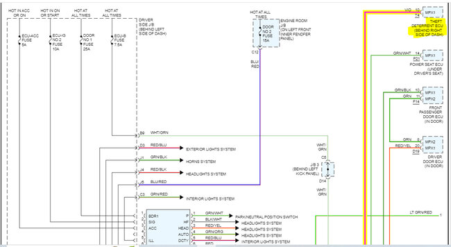
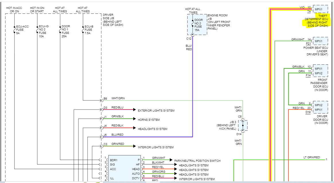
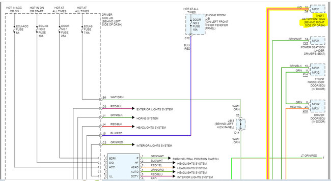
Do you have wiring diagrams with pin#s on connectors between BCM and Theft deterrent module? Everything else in this vehicle is working except for theft deterrent system. Don't have scan tool yet. Thanks.
Was this
answer
helpful?
Yes
No
Thursday, January 5th, 2023 AT 9:33 AM
Tiny
JACOBANDNICKOLAS
  • MECHANIC
  • 110,192 POSTS
Hi,

I attached what I have for the BCM and theft deterrent. Take a look through them and let me know if that is what you need.

Take care,

Joe

See pics below. Note: I had to cut each pic in half to make it readable for you. I did overlap them.
Was this
answer
helpful?
Yes
No
+1
Thursday, January 5th, 2023 AT 2:17 PM
Tiny
CA7922303
  • MEMBER
  • 165 POSTS
On the obd ii connector issue, this 02 Avalon XLS pin #6 is blank. It uses 4, 5, 7, 13, 14, 16 only. Does that change anything we are looking at? Which pins would be the CAN HI and CAN LO. Which pins would I be looking to get (60 ohms) resistance out of. Would CAN HI be about (2.7v) and CAN LO be about(2.3v)? Thanks.
Was this
answer
helpful?
Yes
No
Friday, January 6th, 2023 AT 4:36 AM
Tiny
CA7922303
  • MEMBER
  • 165 POSTS
Of the junkyard parts I tried on this car (ECU, BCM, transponder coil ring, ignition cylinder lock w/key, and Theft deterrent module), I swapped everything back to the original exception for the BCM. Is the BCM not being original with all the other parts going to know also stop it from recognizing the transponder key?
Was this
answer
helpful?
Yes
No
Friday, January 6th, 2023 AT 2:04 PM
Tiny
CA7922303
  • MEMBER
  • 165 POSTS
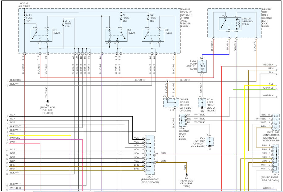
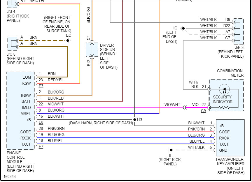
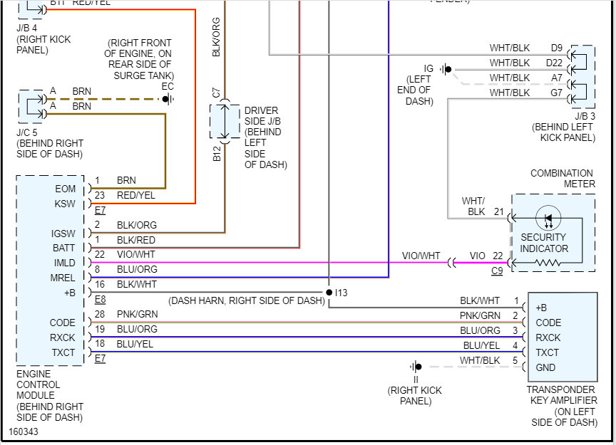
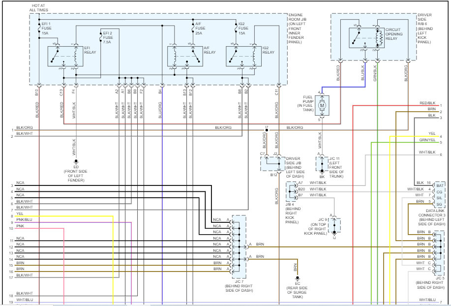
In your opinion, can a battery going dead in an 02 Toyota Avalon XLS cause ECU to need to be reprogrammed to the transponder key? Thanks.
Was this
answer
helpful?
Yes
No
Friday, January 6th, 2023 AT 2:12 PM
Tiny
JACOBANDNICKOLAS
  • MECHANIC
  • 110,192 POSTS
Hi,

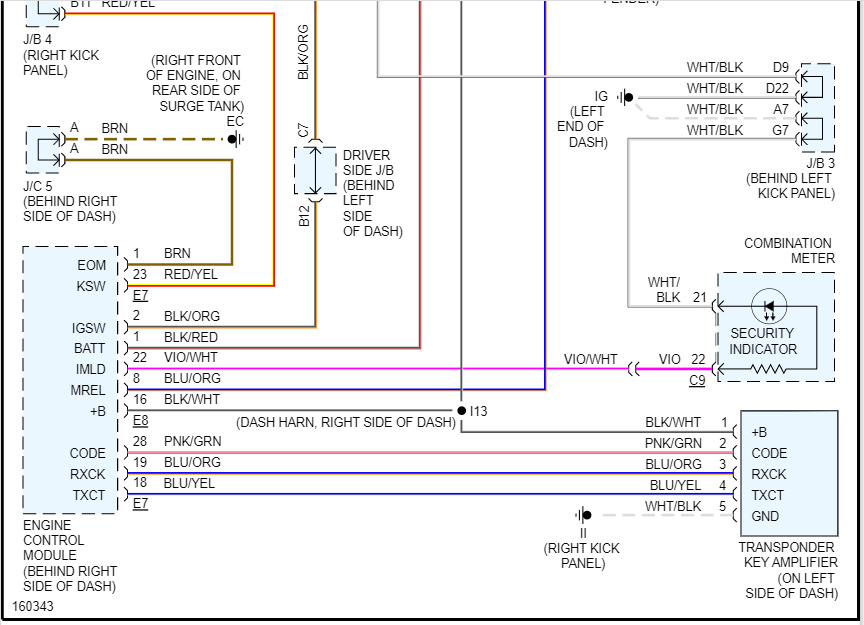
If you are using a different BCM, it needs to be programmed to recognize the key. I attached a schematic below from Prodemand for the DLC and computer data line configuration.

Let me know if this helps.

Joe

See pics below. Also, I had to cut the pic into four parts to make it readable.
Was this
answer
helpful?
Yes
No
Friday, January 6th, 2023 AT 10:14 PM
Tiny
CA7922303
  • MEMBER
  • 165 POSTS
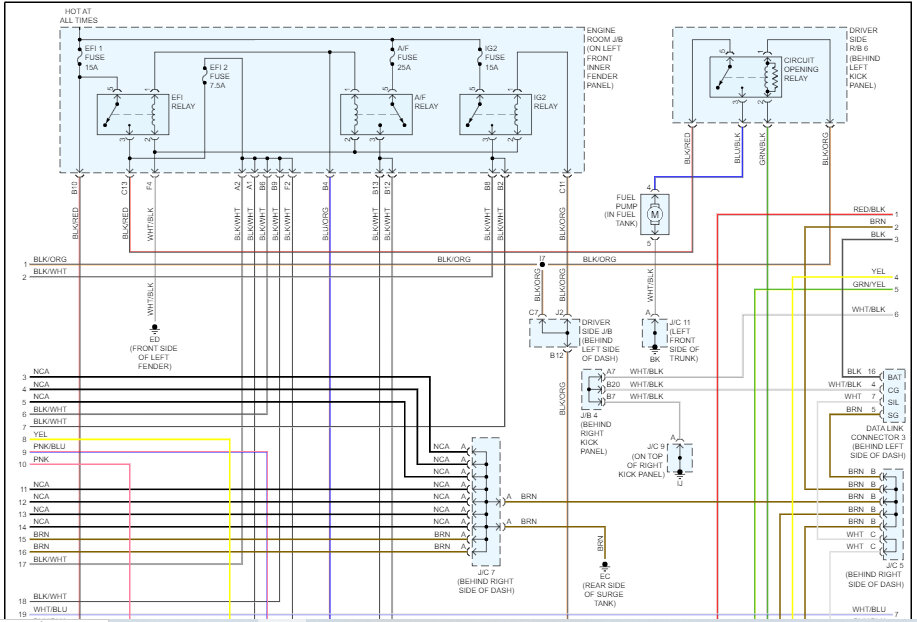
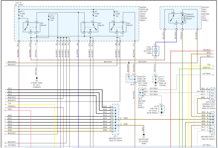
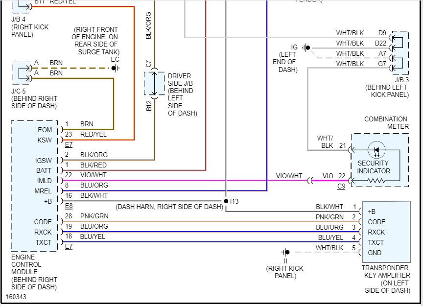
Strangely, I reinstalled the junkyard 01 Avalon ECU, BCM, ignition lock cylinder with key and left the transponder amplifier and theft deterrent module connectors unplugged because the 01 Avalon I got them off of did not have a Theft deterrent module or a transponder coil ring wired to an amplifier (no amplifier). Jumped obd ii pins 4 & 13 for 30 minutes and engine ran for 3 seconds then cut off and not restarting. Curious what your thoughts would be about that and do you have a diagram that would show the ckp sensor wiring going to what pins on the ECU so I can check that wiring for continuity? Thanks.
Was this
answer
helpful?
Yes
No
Tuesday, January 10th, 2023 AT 1:04 PM
Tiny
CA7922303
  • MEMBER
  • 165 POSTS
Also, tachometer has no movement with either ECU or BCM installed, that's why I'm asking about the ckp sensor wiring? Thanks.
Was this
answer
helpful?
Yes
No
Tuesday, January 10th, 2023 AT 1:40 PM
Tiny
JACOBANDNICKOLAS
  • MECHANIC
  • 110,192 POSTS
Hi,

If you look below, I attached the entire powertrain management schematic. I highlighted the wiring between the CKP and ECM. I had to cut each pic in half to make them readable, but if you look at the last pic, I combined two pages so you can easily see the wiring path. I just hope it is readable for you.

Let me know if this helps.

Take care,

joe

See pics below.
Was this
answer
helpful?
Yes
No
Tuesday, January 10th, 2023 AT 6:22 PM

Please login or register to post a reply.