Jan 11, 2023 at 11:52 AM
No Start? Battery cranks starter, fuel gauge goes to 1/2 when key is on?
2002 TOYOTA AVALON
Advertisement
Repair Safety Notice:
This information is for general instructional purposes only. Vehicle repair can be dangerous.
Verify all information, follow manufacturer service procedures, use proper tools and safety equipment,
and consult a qualified repair shop when needed.
Hi,
It can't be bypassed. You can reset the immobilizer to recognize the key. That will require dealer-level computers/scan tools.
It can't be bypassed. You can reset the immobilizer to recognize the key. That will require dealer-level computers/scan tools.
Jan 11, 2023 at 1:48 PM
Advertisement
Installed a junkyard immobilizer amplifier from a 02 Avalon. Security light now stays off with key installed and also when cranking, but still no start. Previous 01 Avalon that I got parts from did not have an immobilizer or amplifier from the factory. Must have started that in 02 because the 01 was also an XLS like the 02 I have. Picked up another ECU and theft deterrent module when I returned the 01 Avalon parts and will install and attempt to start. Will post results shortly.
Jan 13, 2023 at 1:01 PM
Still no start with new junkyard ECU and security light continues to flash when key is in ignition. So, the original ECU recognizes the key with the new amplifier and every attempt at starting it starts for a split second, then cranking only, but that is different from before. I'm noticing that tachometer is still not moving when cranking. Fuel gauge does go to correct reading. Am I on to something?
Jan 13, 2023 at 1:29 PM
Advertisement
I also forgot to mention, original ECU with new amplifier, key in ignition does turn off security light, but key in either door turning key to unlock, does not turn off flashing security light. Would that indicate that ECU recognizes key in ignition, but BCM does not recognize key in door, meaning bad BCM?
Jan 13, 2023 at 4:49 PM
The idea that it starts for a second and then stalls is interesting. Does the tachometer move when that happens?
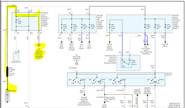
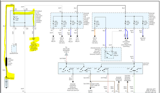
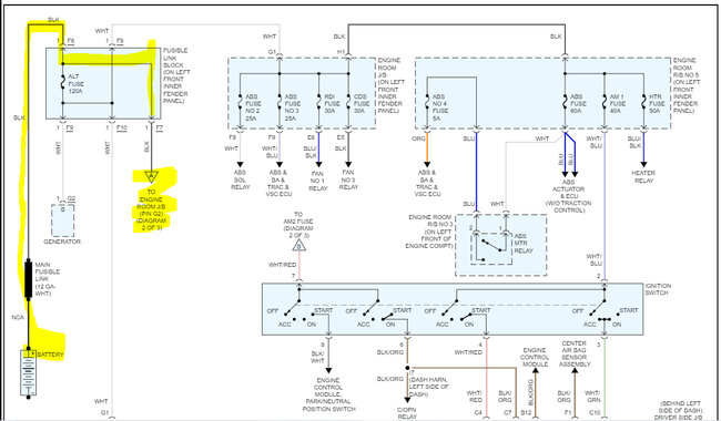
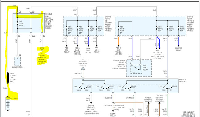
Looking at the schematic, at the ignition switch, there is a black wire with an orange tracer. That supplies power to the ignition 2 relay and the circuit open relay. I wonder if you lose power when the key returns to the run position.
Are you able to check that?
Let me know.
Joe
See pic below. Ignore all the highlighting. I was following things all over the place. LOL
Looking at the schematic, at the ignition switch, there is a black wire with an orange tracer. That supplies power to the ignition 2 relay and the circuit open relay. I wonder if you lose power when the key returns to the run position.
Are you able to check that?
Let me know.
Joe
See pic below. Ignore all the highlighting. I was following things all over the place. LOL
Jan 13, 2023 at 9:01 PM
Will have to check the tachometer tomorrow (Saturday) in the daylight. Am I looking for battery voltage at the black/orange wire?
Jan 13, 2023 at 9:14 PM
Hi,
Yes, that wire should send power with the key in the start position and the run position.
Let me know.
Joe
Yes, that wire should send power with the key in the start position and the run position.
Let me know.
Joe
Jan 13, 2023 at 10:14 PM
The tachometer does move when the engine starts for a split second. Black /orange wire at ignition switch getting 12.5v with key on, 10.5v when cranking. Engine does not turn off when key is released, it turns off when key is in cranking position, but immediately starts each time the key is cycled, for a split second (with tachometer movement), then turns off.
Jan 14, 2023 at 10:25 AM
I'm thinking maybe O'Reilly's CKP sensor could be bad (did read 3.3k ohms I believe) and drained battery ruined transponder key amplifier. Does that make any sense?
Jan 14, 2023 at 11:56 AM
Tried the driver door window down with door locked again and reached in through open window and open door with inside latch and no alarm, even though key inserted in ignition lock cylinder causes security light to stop flashing. Seems that BCM is not recognizing key, but ECU is?
Jan 14, 2023 at 1:10 PM
If the security light is off, it is being recognized. The sensor you got, have you tried replacing it? I feel 3.3K resistance is too high. I wouldn't expect it to be over 1K.
Let me know.
Joe
Let me know.
Joe
Jan 14, 2023 at 8:39 PM
Correction: I thought I remembered CKP sensor reading (3.3k ohms) but I wrote in a previous message that it was (2k ohms) and I got a message back that that reading was correct, but I will double check both the original and new CKP sensor for resistance tomorrow. I read somewhere, maybe on this site, that O'Reilly's has made some bad electrical parts lately and also that aftermarket parts don't always work out on Toyota's. Is it possible for a CKP sensor to read correct resistance and still be a bad part?
Jan 14, 2023 at 9:55 PM
Also, is it possible that ECU is now, with good transponder amplifier, able to recognize key, but be bad to the point of engine not running?
Jan 14, 2023 at 9:58 PM
Both CKP sensors (2k ohms). With key on, CKP connector is reading(31mv/31mv). Reinstalled original CKP sensor and still no start. Tried different Theft deterrent module, and no change. Everything works on the door except key in lock in unlock mode does not disable security light on dash. Should CKP connector get voltage when key is in start position on voltage when in on position?
Jan 15, 2023 at 11:57 AM
Hi,
The CKP should have voltage with the key on or in the start position. It shouldn't be mV. I believe it is 5V it should receive.
I'm going to ask the site owner for his input to see if he has any other ideas.
Take care and we'll be in touch,
Joe
The CKP should have voltage with the key on or in the start position. It shouldn't be mV. I believe it is 5V it should receive.
I'm going to ask the site owner for his input to see if he has any other ideas.
Take care and we'll be in touch,
Joe
Jan 15, 2023 at 6:50 PM
Is this statement true in your opinion for a 02 Avalon CKP sensor? The CKP sensor is the part that produces the voltage; it doesn't receive any from the ECU. Between the CKP sensor and the crank gear, they produce an on/off voltage when the engine is running, it is a low voltage around 2.5v, Base on the pulses of the voltage, the ECU determine how fast the engine is running.
Jan 16, 2023 at 12:24 PM
Hi,
If you have only two wires going to the CKP, yes that is correct. The sensor creates a signal using what is called a hall effect. Basically, it is a low-voltage signal produced by the magnet in the sensor.
Joe
If you have only two wires going to the CKP, yes that is correct. The sensor creates a signal using what is called a hall effect. Basically, it is a low-voltage signal produced by the magnet in the sensor.
Joe
Jan 16, 2023 at 4:47 PM
Is the security light flashing when you try to crank it over?
Jan 17, 2023 at 12:12 PM
Security does not flash now, when key is in ignition and also in start(cranking position) after I installed junkyard transponder amplifier.
Jan 17, 2023 at 1:45 PM
Vehicle is running now like it always has. I went all over the place trying to fix this one and it came down to only this: It seems to me that the dead battery caused the ECU to lose info on the throttle position sensor. I never push the gas pedal on a fuel injection vehicle, but just out of the blue decided to push it today for the hell of it and it ran and stayed running until i let off the pedal. I adjusted the throttle linkage so it would idle at 800 RPMs in park, and it continues to run. I drove it around for maybe 10 miles and I now have about 1,300 RPMs in park. Will adjust the throttle linkage back down to 800 rpm in park and I'm all set. Appreciate the help.
Jan 22, 2023 at 3:07 PM


