NO SPARK AT IGNITION COIL?

Tiny
INTERNETMECHANIC
  • MECHANIC
  • 700 POSTS
Glad you could get it fixed, that kind of problem can be tough. Please use 2CarPros anytime we are here to help

Cheers
Was this
answer
helpful?
Yes
No
Saturday, September 26th, 2020 AT 12:47 PM (Merged)
Tiny
PAUL GOGOLACK
  • MEMBER
  • 2 POSTS
  • 1995 JEEP WRANGLER
  • 4.0L
  • 6 CYL
  • 4WD
  • MANUAL
  • 12,000 MILES
How do I test the pick up unit in the distributor?
Was this
answer
helpful?
Yes
No
Saturday, September 26th, 2020 AT 12:47 PM (Merged)
Tiny
CARADIODOC
  • MECHANIC
  • 34,463 POSTS
Replace it. I normally never approve of throwing random parts at a problem in hopes one will solve it, but if you have done the diagnostic steps that led to this as a suspect, replace it. We don't have customer's time and money to waste on testing parts.

There is no practical way to test a three-wire position sensor on the job. Fortunately the Engine Computer does that for you. If you have a diagnostic fault code related to a missing signal, suspect the sensor referenced in the code. Often this, and the crankshaft position sensor do not set a fault code just from cranking the engine. They may only set while a stalled engine is coasting to a stop. If the battery was recently disconnected, any fault codes would have been erased. Then you need a scanner to view live data and look at those two sensors. They will be listed with some type of indication as to whether the signals are showing up at the computer.
Was this
answer
helpful?
Yes
No
-1
Saturday, September 26th, 2020 AT 12:47 PM (Merged)
Tiny
WRENCHTECH
  • MECHANIC
  • 20,761 POSTS
Hi Doc,
If you do not have a lab scope and know how to use it, then I would agree with Doc. This is actually the Cam sensor and it is not even bolted in. It just sits under the distributor cap so it would be pretty simple to try another one.
This engine does not really have a pickup coil. The Crank sensor is at the left rear of the engine.
Was this
answer
helpful?
Yes
No
Saturday, September 26th, 2020 AT 12:47 PM (Merged)
Tiny
VICTORRESP555
  • MEMBER
  • 3 POSTS
  • 1995 JEEP WRANGLER
Electrical problem
1995 Jeep Wrangler 4 cyl Four Wheel Drive Manual

I'm getting no spark from the coil.I've tested the coil, it seem to be working. I've changed the pick-up sensor in the distributor, I've changed the crankshafted sensor, changed the autoshutoff relay and computor itself. I've also fix a few boken contact behind the fuse box but I still not getting a spark out of the coil
Was this
answer
helpful?
Yes
No
Saturday, September 26th, 2020 AT 12:47 PM (Merged)
Tiny
VICTORRESP555
  • MEMBER
  • 3 POSTS
[quote="victorresp555"]Electrical problem
1995 Jeep Wrangler 4 cyl Four Wheel Drive Manual

I'm getting codes 11, 12, and 33. (Code 11 is the camshaft sensor). My engine turns over but will not start. I'm getting no spark from the coil. I've changed the coil, I've changed the pick-up sensor(camshaft sensor) in the distributor, I've changed the crankshafted sensor, I've changed the auto shut off relay and computer itself. I've also fix a few broken contact behind the fuse box. I've checked all the wire leading to all sensors but I still not getting a spark out of the coil. Does anyone have any ideas?

My question is " can my ignition switch cause a no spark from the coil?
Was this
answer
helpful?
Yes
No
Saturday, September 26th, 2020 AT 12:47 PM (Merged)
Tiny
HANK81
  • MEMBER
  • 1 POST
  • 1995 JEEP WRANGLER
  • 4.0L
  • 6 CYL
  • 4WD
  • MANUAL
  • 171,000 MILES
I'm having a no spark no start issue with my vehicle listed above (YJ). I've changed the coil and crank position sensor. It started up when I plugged in the new coil. Then I tried to start it again and nothing. No spark coming from the coil. Could it be a ground issue somewhere? Also, after I bought it, I replaced the computer, so it's not that.
Was this
answer
helpful?
Yes
No
Saturday, September 26th, 2020 AT 12:47 PM (Merged)
Tiny
SCGRANTURISMO
  • MECHANIC
  • 4,897 POSTS
Hello,

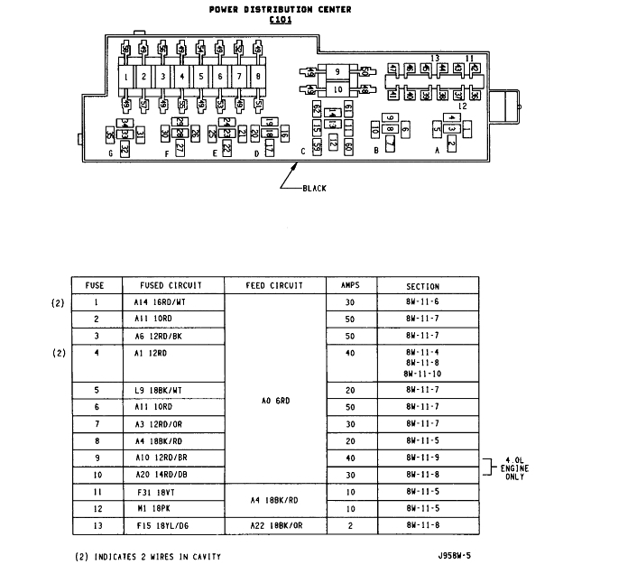
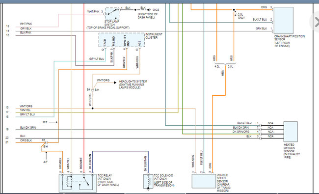
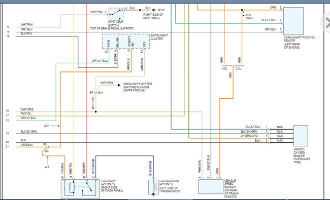
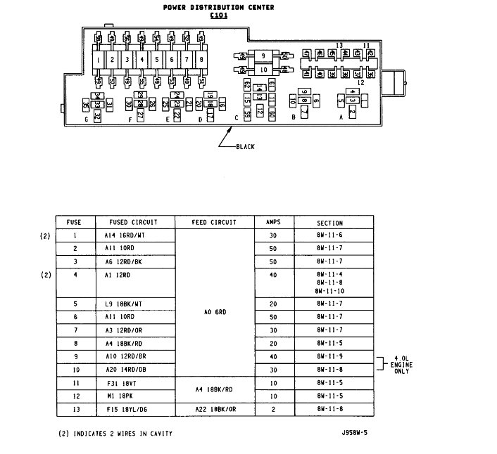
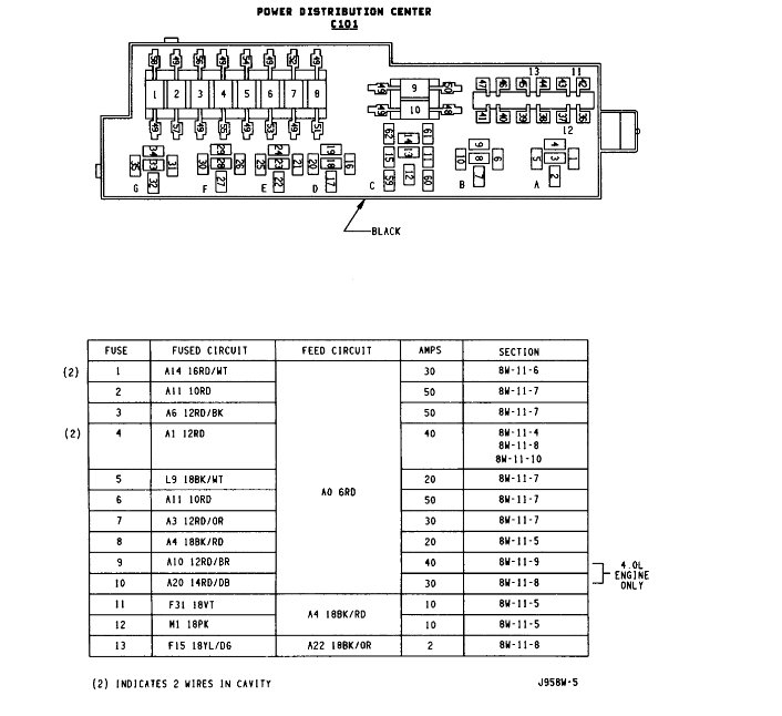
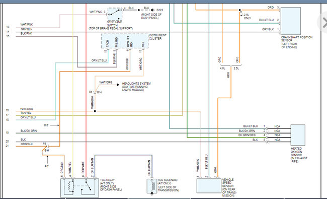
This could be a problem with your vehicle's Auto Shut Down Relay[ASD] which is located in the Power Distribution Center. This relay is responsible for delivering power to your vehicle's coil. Here is a link below on how to test a relay:

https://www.2carpros.com/articles/how-to-check-an-electrical-relay-and-wiring-control-circuit

In the diagrams down below I have included your vehicle's engine control wiring diagrams and a diagram with callout of the Power Distribution Center for you. Please go through these guides, test the ASD relay, and report back with how everything turns out.

Thanks,
Alex
2CarPros
Was this
answer
helpful?
Yes
No
Saturday, September 26th, 2020 AT 12:47 PM (Merged)

Please login or register to post a reply.