Parking lights not working

Tiny
IMAGENATIONFL
  • MEMBER
  • 2001 DODGE DAKOTA
  • 4.7L
  • V8
  • 4WD
  • MANUAL
  • 184,300 MILES
All lights work except the parking lights, instrument cluster lights, and MAP lights. The wiper delay is also not working. All items stopped working at the same time. I checked both fuse blocks and all are good. Are there relays that I am missing?
Sunday, May 4th, 2014 AT 6:06 PM

21 Replies

Tiny
HMAC300
  • MECHANIC
  • 48,601 POSTS
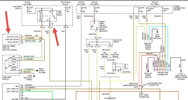
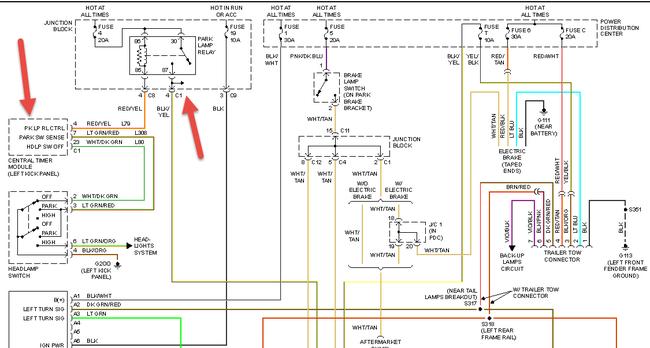
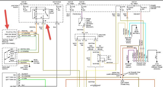
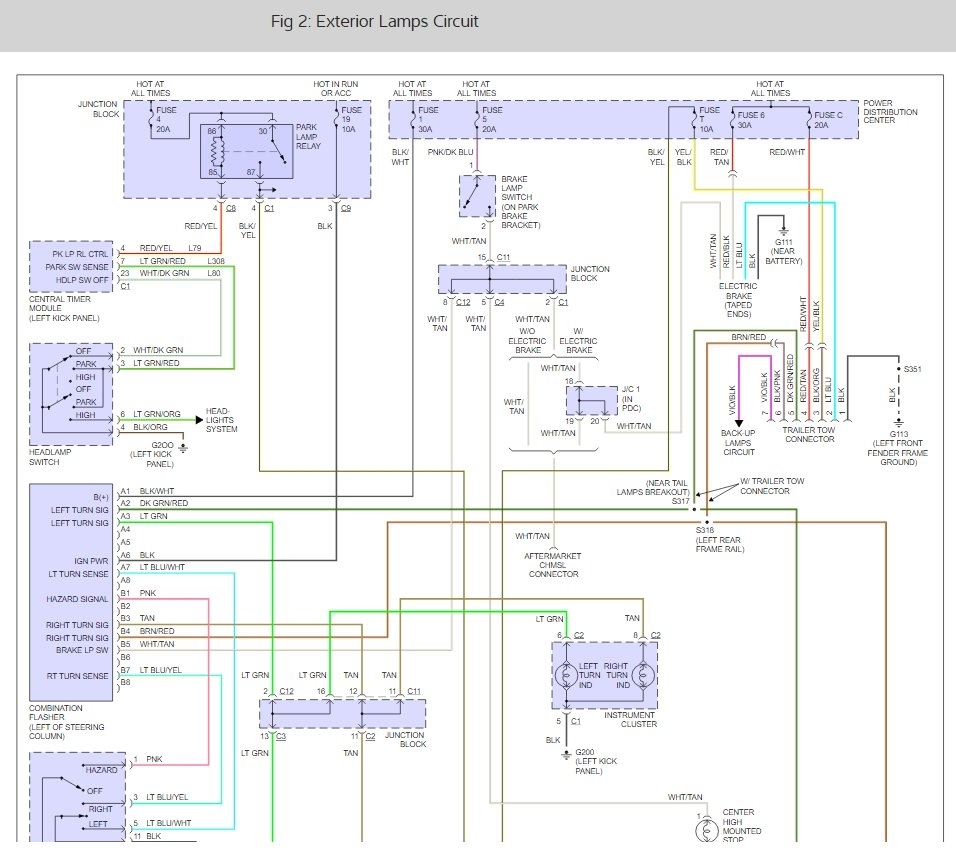
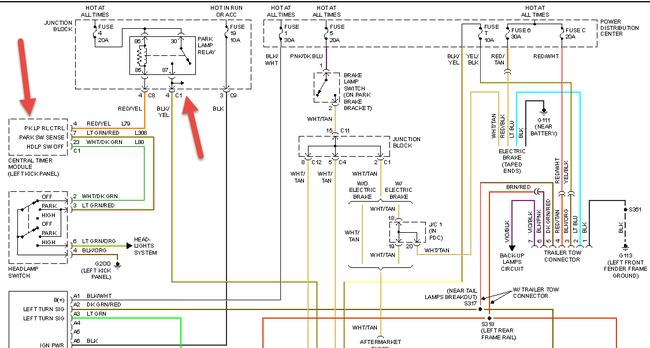
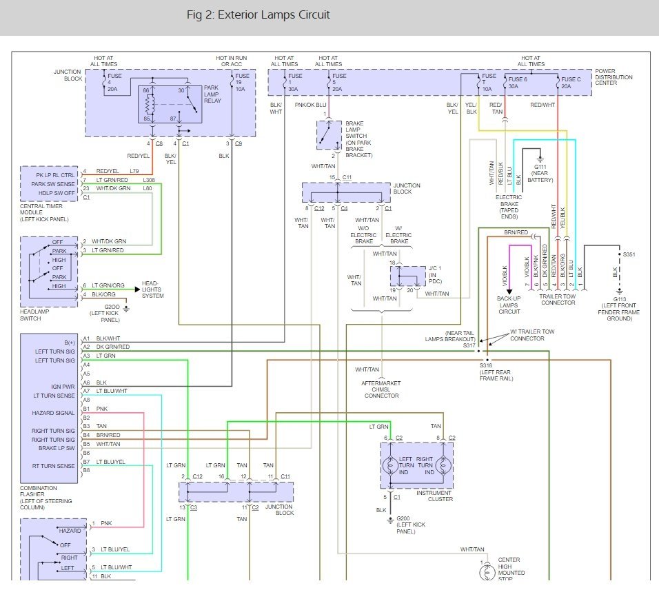
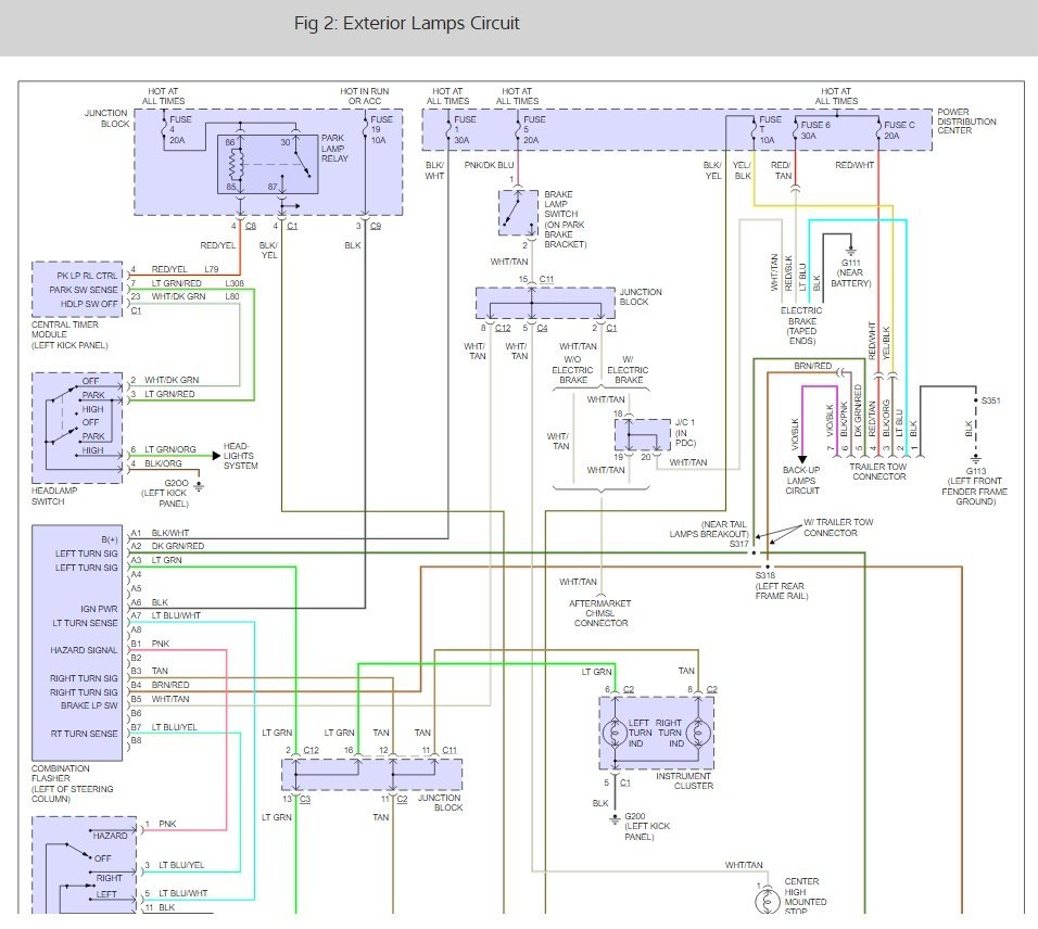
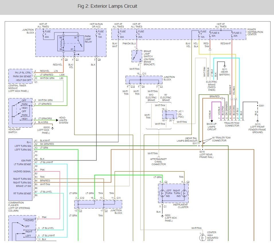
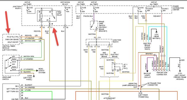
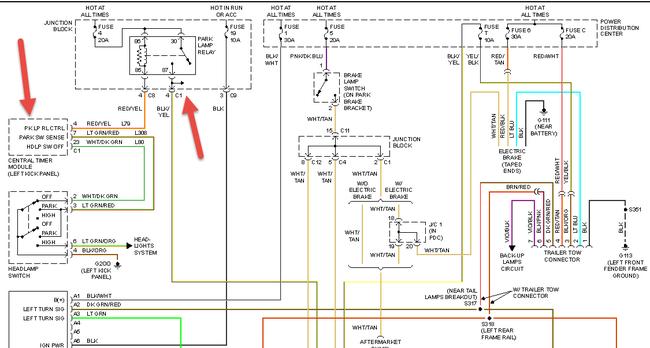
We need to check fuse #4 and the park light relay as well here are 2 guides and the fuse and relay location in the diagrams below.

https://www.2carpros.com/articles/how-to-check-a-car-fuse

and

https://www.2carpros.com/articles/how-to-check-an-electrical-relay-and-wiring-control-circuit

Check out the diagrams (Below). Let us know what happens and please upload pictures or videos of the problem.
Was this
answer
helpful?
Yes
No
Thursday, December 3rd, 2020 AT 9:53 AM
Tiny
JORGEGGC
  • MEMBER
  • 1 POST
'I'm having the same problem right now did you figure anything out? I've also been told that the headlight switch being replace would fix the problem I'm going to try that. Bc all my fuses are good also all the relays are too.
Was this
answer
helpful?
Yes
No
-1
Thursday, December 3rd, 2020 AT 9:53 AM
Tiny
JOHN DRAPER II
  • MEMBER
  • 1 POST
Having this problem now. With no brake lights, parking lights, no dash lights, Headlights, brake lights, reverse Lights and horn. All fuses good. Does anyone have the solution for this yet?
Was this
answer
helpful?
Yes
No
+1
Thursday, December 3rd, 2020 AT 9:53 AM
Tiny
KEN L
  • MASTER CERTIFIED MECHANIC
  • 55,335 POSTS
Hello,

There is a fuse number 7 int he PDC that has blown. here is a guide to help you check it:

https://www.2carpros.com/articles/how-to-check-a-car-fuse

Here are some wiring diagram so you check test for power as well:

https://www.2carpros.com/articles/how-to-use-a-test-light-circuit-tester

Please let us know what you find.

Cheers, Ken
Was this
answer
helpful?
Yes
No
+1
Thursday, December 3rd, 2020 AT 9:53 AM
Tiny
JAKESPEARS
  • MEMBER
  • 2 POSTS
  • 2001 DODGE DAKOTA
  • 13,000 MILES
Hello I got in a wreck and ripped off my left headlight 2 wires for bulbs are still intact but the third one is ripped. After that mt dash light went out as well as my night parking lights in the back, my break lights and blinkers still work in front or back I checked the main fuses they look good im not sure if there is a smaller fuse box under the dash cuz I dont see one, but do you know what this problem could be
Was this
answer
helpful?
Yes
No
+1
Thursday, December 3rd, 2020 AT 10:09 AM (Merged)
Tiny
HMAC300
  • MECHANIC
  • 48,601 POSTS
Fix the wires for the headlight first. Then check fuses under hood as well as in car.
Was this
answer
helpful?
Yes
No
Thursday, December 3rd, 2020 AT 10:09 AM (Merged)
Tiny
JAKESPEARS
  • MEMBER
  • 2 POSTS
Ok just wondering how would I fix them, by taping them together or by putting the light back attached to them, thanks a lot for the help.
Was this
answer
helpful?
Yes
No
Thursday, December 3rd, 2020 AT 10:09 AM (Merged)
Tiny
HMAC300
  • MECHANIC
  • 48,601 POSTS
If your truck has been in a wreck then you have to look for wire stripped off of the insulation and or hitting the body/frame someplace causing the problem. Tape will work but they really need to be seen and fixed correctly. Just make sure all the abare spots are repaired. But also because of the wreck there is a good possibility that the central timer module was damaged and is causing at least some of your problem. You should get it scanned to see if it's screwed up or not because you may on ly fix it by replacing the module.
Was this
answer
helpful?
Yes
No
-1
Thursday, December 3rd, 2020 AT 10:09 AM (Merged)
Tiny
KLMOON
  • MEMBER
  • 1 POST
  • 2000 DODGE DAKOTA
  • 88,000 MILES
I was told by the garage that did my oil change that my one tail light was out and I needed to replace my pigtail connector. Is this legitimate? I noticed that the light works is fine until you start playing with the turn signal stem and then it will go out.
Was this
answer
helpful?
Yes
No
Thursday, December 3rd, 2020 AT 10:09 AM (Merged)
Tiny
CARADIODOC
  • MECHANIC
  • 34,468 POSTS
Depends on how that light is acting. It can be very misleading if you switch it on and off by yourself, then run back to look. A bad ground terminal will cause that bulb to appear to work for the signal because current finds an alternate path to ground through the bulb on the other side that is connected to it through the signal switch. You really need to watch how both sides act while a helper switches between brake, signal, and tail lights.
Was this
answer
helpful?
Yes
No
Thursday, December 3rd, 2020 AT 10:09 AM (Merged)
Tiny
MODYTODAY
  • MEMBER
  • 3 POSTS
  • 1999 DODGE DAKOTA
  • 17,500 MILES
I have replaced tail light bulbs. What is the fuse # for 1999 dodge dakota tail lights and where is it located? I have no tail lights.
Was this
answer
helpful?
Yes
No
Thursday, December 3rd, 2020 AT 10:09 AM (Merged)
Tiny
WRENCHTECH
  • MECHANIC
  • 20,761 POSTS
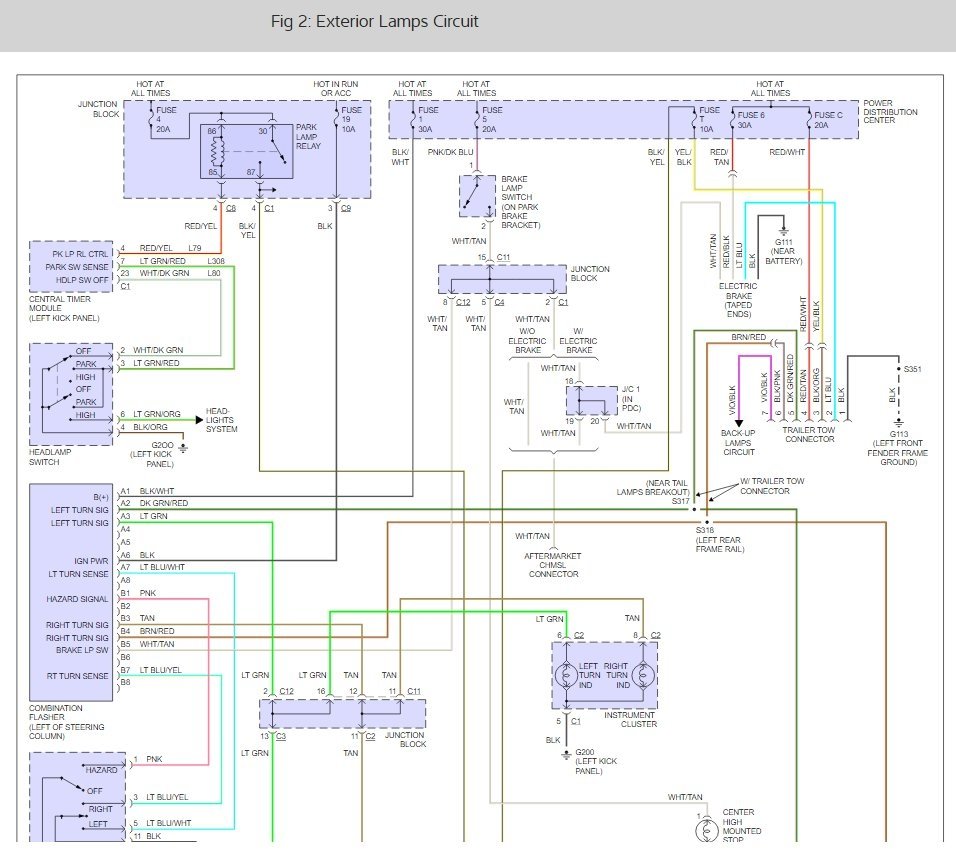
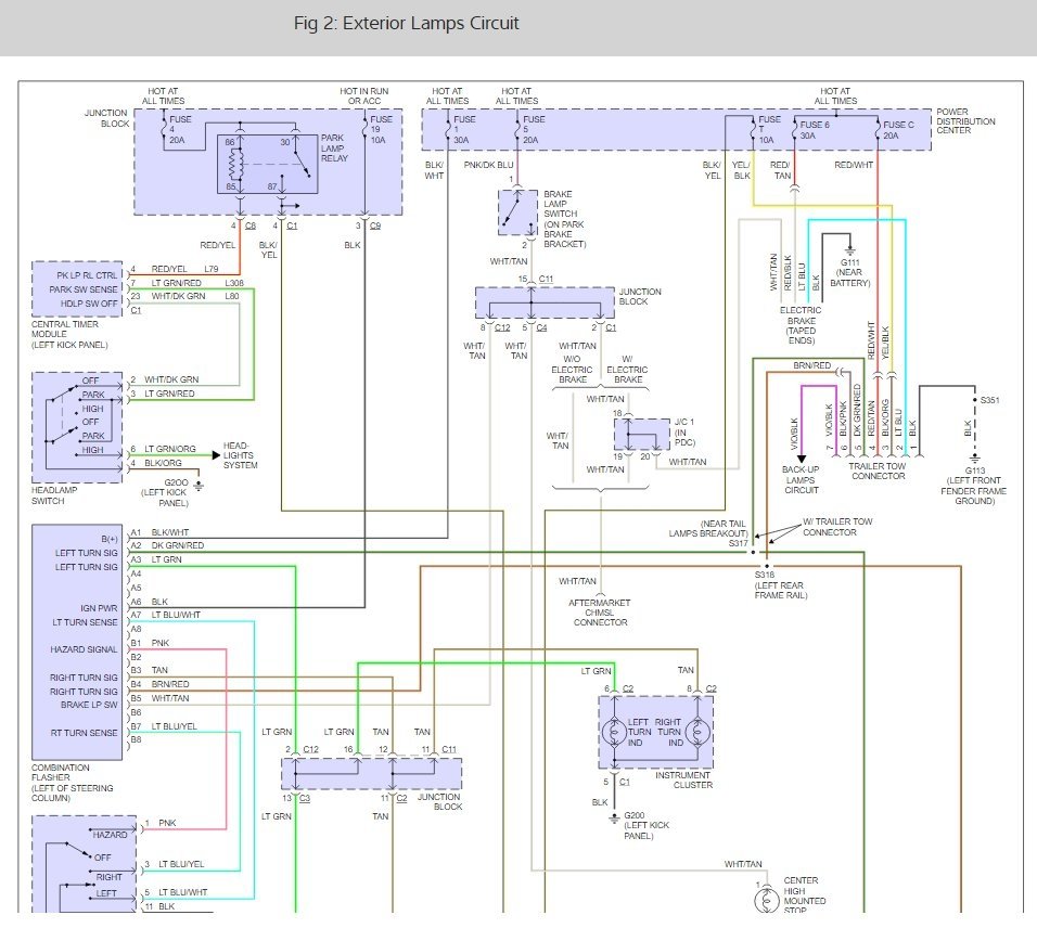
Fuse #14 (15amp) under the dash. Here is a guide to help you test for power and the fuse location below with the wiring diagrams so you can see how the system works.

https://www.2carpros.com/articles/how-to-check-a-car-fuse

Check out the diagrams (Below). Please let us know what you find. We are interested to see what it is.
Was this
answer
helpful?
Yes
No
+1
Thursday, December 3rd, 2020 AT 10:09 AM (Merged)
Tiny
SHANNON_PRIV
  • MEMBER
  • 1 POST
I had this problem and found the connection at the switch to be bad, thanks for this post fixed my truck!
Was this
answer
helpful?
Yes
No
+2
Thursday, December 3rd, 2020 AT 10:09 AM (Merged)
Tiny
GRETCHEN PAT BOKER
  • MEMBER
  • 1 POST
  • 1999 DODGE DAKOTA
  • 80,000 MILES
Have replaced fuse bulb and the outlet blinker, brake light works but no running light or reverse light? Any idea why everything else is working but taillight and reverse light on drivers side?
Was this
answer
helpful?
Yes
No
Thursday, December 3rd, 2020 AT 10:09 AM (Merged)
Tiny
JACOBANDNICKOLAS
  • MECHANIC
  • 110,192 POSTS
Welcome to 2CarPros.

The only thing I see that correlates with both the back up lights and tail light on the left side are two splices in the wiring and ground. However, I question if the ground is bad if the turn signal and brake light work.

Take a look at pictures 1 and 2. I highlighted where the wiring splices together and where they both ground. What I need you to do is this. If you follow the wiring from the tail light assembly back about 3 feet, there should be a connector. At that connector, I need you to check if there is power at the violet/black wire going to the back up lights. If you use a test light, confirm that you have a good ground.

Next, at the light socket, you need to confirm there is continuity to ground via the black wire in the back up light.

I am only focusing on the back up light at this point. It is a less complex system and I feel if we find the problem with that circuit (if it is power or a ground issue) we will also find the problem with the tail light.

At this point, if I had to guess, I would say it is a ground issue at one of the splices. The circuits receive power from two different places, so it would be unlikely that is the issue.

Here are a few links you may find helpful when checking:

https://www.2carpros.com/articles/how-to-use-a-test-light-circuit-tester

https://www.2carpros.com/articles/how-to-use-a-voltmeter

https://www.2carpros.com/articles/how-to-check-wiring

Note: On the schematics, the letter (S) refers to a splice and (G) to ground. You will see how the two circuits' grounds are tied spliced together.

If you have any questions or need guidance, please let me know. Also, let me know what you find.

Take care,
Joe

Was this
answer
helpful?
Yes
No
Thursday, December 3rd, 2020 AT 10:09 AM (Merged)
Tiny
MODYTODAY
  • MEMBER
  • 3 POSTS
  • 1999 DODGE DAKOTA
  • 17,500 MILES
I have a 1999 Dodge Dakota with no tail lights. I have replaced both bulbs and checked the fuse and it is ok. What else can I check maybe a relay. If so what # and what is it labeled?
Was this
answer
helpful?
Yes
No
Thursday, December 3rd, 2020 AT 10:09 AM (Merged)
Tiny
JACOBANDNICKOLAS
  • MECHANIC
  • 110,192 POSTS
Check to see if there is power to the light sockets. Many times the socket itself will go bad. Also, check the wiring under the bed for damage or bad grounds.
Was this
answer
helpful?
Yes
No
+1
Thursday, December 3rd, 2020 AT 10:09 AM (Merged)
Tiny
MODYTODAY
  • MEMBER
  • 3 POSTS
I found the problem. The wiring harness was loose on the back of the switch.
Was this
answer
helpful?
Yes
No
+2
Thursday, December 3rd, 2020 AT 10:09 AM (Merged)
Tiny
JACOBANDNICKOLAS
  • MECHANIC
  • 110,192 POSTS
That will do it. Glad you found it.
Was this
answer
helpful?
Yes
No
-1
Thursday, December 3rd, 2020 AT 10:09 AM (Merged)
Tiny
DSPENCEREDDMFG
  • MEMBER
  • 1 POST
  • 1999 DODGE DAKOTA
  • V8
  • 4WD
  • AUTOMATIC
  • 98,000 MILES
Please advise the proper way to take taillight lens (cover) off in order to change bulb. Thx Don Spencer
Was this
answer
helpful?
Yes
No
Thursday, December 3rd, 2020 AT 10:09 AM (Merged)

Please login or register to post a reply.