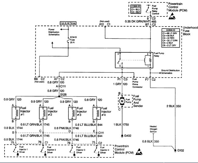
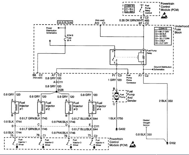
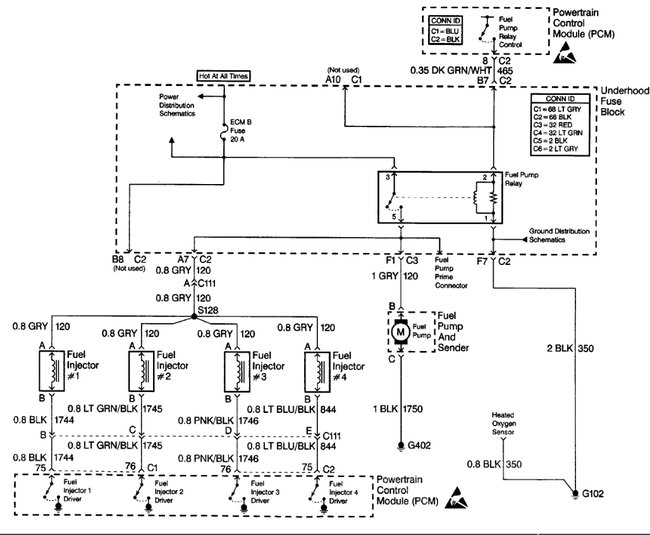
Sunday, April 17th, 2011 AT 7:44 PM
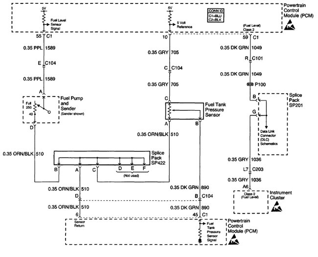
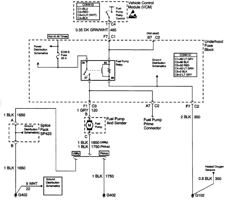
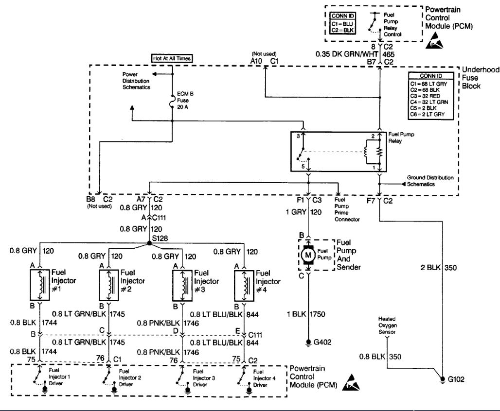
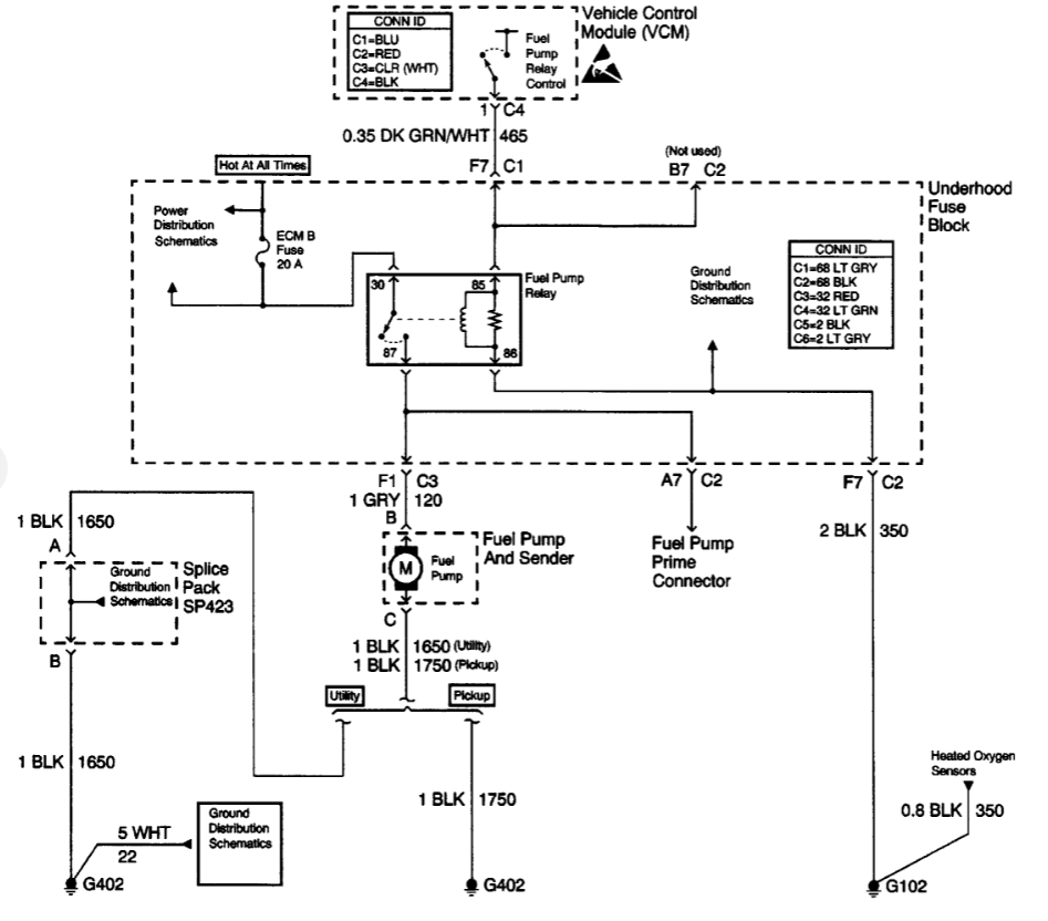
It had a blown head gasket which was changed and the head done. After it was put back together it wont start. When you turn the key to start it does nothing. Also the fuel pump wont come on. I pulled the fuel pump relay and jumped a hot wire across and the pump works. As a matter of fact if you run a hot wire to where the pump relay goes and jump the starter it will run.I changed out the relay and it didn't help. Can you help me?




