No Spark

Tiny
SHANNON17872
  • MEMBER
  • 1998 PLYMOUTH NEON
  • 4 CYL
  • FWD
  • AUTOMATIC
  • 181,000 MILES
No Spark on 98 Neon. Changed coil pack, Crank sensor, And Computer I have fuel pressure I had to replace the fuel pressure regulator and The injectors but I have no spark we checked the fuses and they are all good but the connector to the coil pack has no power. The only code that came up at one point was Fuel pump relay/auto shutdown relay but we replaced those it was fine. Had the fuses checked they are fine but no power from the connector to the coil pack.
Monday, December 13th, 2010 AT 4:52 AM

24 Replies

Tiny
CARADIODOC
  • MECHANIC
  • 34,463 POSTS
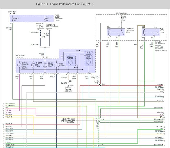
Have you checked for fuel pressure? You can also check for battery voltage on the dark green / orange wire in the coil pack, one of the injectors, or the small wires on the back of the alternator. Holler back with your findings.

I can't remember if the Neon uses a separate fuel pump relay, but regardless, if you don't have voltage to the dark green / orange wire in the coil pack, you don't have fuel pressure either. With a separate fuel pump relay, it is turned on along with the automatic shutdown (ASD) relay. Some models only use the automatic shutdown relay. In that case it runs the fuel pump along with the coil pack, injectors, and alternator.

Here's where it gets misleading. Use your test light or voltmeter to measure the voltage on the dark green / orange wire in the coil pack or on any of the injectors. You WILL see voltage there for just one second as soon as you turn on the ignition switch, then it will go away. You will likely hear the hum of the fuel pump too for that one second. That's where the apparent fuel pressure is coming from. If you don't have voltage for that one second, we gotta go in a different direction.

What you will most likely find next is that voltage does not come back during engine cranking. That's why there is no spark and the fuel pump will not be running. The Engine Computer has not turned the ASD relay back on in response to engine rotation. To clarify what I'm trying to say, you must test for voltage on the dark green / orange wire while cranking the engine. The computer turns on the ASD relay when it sees engine rotation, (cranking or running).

When the computer doesn't turn the ASD relay on during cranking, it is because of a lack of pulses from the crankshaft position sensor or the camshaft position sensor. Most of the problems are caused by the camshaft sensor. The Check Engine light should also be on and there will be a diagnostic fault code stored in the computer's memory related to which sensor isn't working. If you get a code related to "cam and crank sync", the computer has shut the engine down to protect the valves due to a jumped timing belt. If the timing marks look like they're lined up correctly, pull the cam sprocket off and check for a sheared off dowel pin. That only pertains to the single overhead cam engine.

Caradiodoc
Was this
answer
helpful?
Yes
No
Wednesday, December 15th, 2010 AT 12:33 AM
Tiny
SHANNON17872
  • MEMBER
  • 2 POSTS
I just put a new cam sensor on it last week. We are planning on checking broken wires this weekend.
Was this
answer
helpful?
Yes
No
+3
Thursday, December 16th, 2010 AT 4:37 AM
Tiny
CARADIODOC
  • MECHANIC
  • 34,463 POSTS
Wiring rarely causes a problem so before you tear harnesses apart, back-probe the connector pins and look for 5.0 volts on one pin and 0.2 volts on another. If you find them, and since you have new sensor installed, you'll save yourself a lot of time by reading any fault codes.

Caradiodoc
Was this
answer
helpful?
Yes
No
Thursday, December 16th, 2010 AT 6:54 AM
Tiny
MICK569
  • MEMBER
  • 2 POSTS
The above question by shannon is the same problem I'm having with a 1998 neon. I have no power to the fuel rail or coil pak. I have 0.2 to 5.0 volts when performing the test at the crankshaft sensor. I replace the camshaft sensor, all the relay, battery and fuses test good. The timing marks line up just fine. I tested to see if there was power to the fuse box and there is. I have 2 codes 12 - Problem with battery connection. Direct battery input to PCM disconnected within the last 50 ign starts.
Code 11 - No distributor reference signal detected during engine cranking. Check the circuit between the distribution and the PCM.
Is there any why to bypass a sensor to see if I get a power/signal to the coil or Fuel rail?
Thank you Mick56926
Was this
answer
helpful?
Yes
No
+1
Thursday, January 12th, 2012 AT 11:49 AM
Tiny
MICK569
  • MEMBER
  • 2 POSTS
I'm sorry, history on car to above question I asked. I bouth the car a week ago. The kid I bouth it from stated that the car was running fine with a rough idle and someone told him to replace the EGR value. After he replaced the EGR the car would not start again. The Neon has only 90000 miles on it. I also tested the Neutral safey switch and that was good.
Thank you
Was this
answer
helpful?
Yes
No
Thursday, January 12th, 2012 AT 11:59 AM
Tiny
KEN L
  • MASTER CERTIFIED MECHANIC
  • 55,291 POSTS
Hello,

I would check to see if the system has power to the injectors and ignition coil, there are a couple of fuses that need to checked as well as well as the auto shut down relay. I would also disconnect he oxygen sensors to see if that helps.

Here are some guides and engine wiring diagrams that will help you trouble shoot the problem and get the car running again.

https://www.2carpros.com/articles/how-to-check-a-car-fuse

and

https://www.2carpros.com/articles/how-to-use-a-test-light-circuit-tester

and

https://www.2carpros.com/articles/how-to-check-an-electrical-relay-and-wiring-control-circuit

Please run some tests and get back to us so we can continue helping you.

Best, Ken
Was this
answer
helpful?
Yes
No
+2
Friday, March 24th, 2017 AT 11:05 AM
Tiny
MAGGIE2012
  • MEMBER
  • 1 POST
  • 1998 PLYMOUTH NEON
  • 80,000 MILES
1998 chrysler neon 2.0 when I ground the prom wire from the prom to the cam sensor I have spark. When I plug the cam back in there is no spark. Do I have a ground problem or a bad cam sensor.
Was this
answer
helpful?
Yes
No
+1
Friday, March 24th, 2017 AT 11:05 AM (Merged)
Tiny
RASMATAZ
  • MECHANIC
  • 75,992 POSTS
You need to test the CMH sensor if okay-check all the ground circuits on the computer-if okay have the computer further checked-
Was this
answer
helpful?
Yes
No
-1
Friday, March 24th, 2017 AT 11:05 AM (Merged)
Tiny
JEN BURNS
  • MEMBER
  • 2 POSTS
  • 1997 PLYMOUTH NEON
  • 4 CYL
  • 2WD
  • MANUAL
Replaced ecu and coil pack still will not start has no spark
Was this
answer
helpful?
Yes
No
-1
Friday, March 24th, 2017 AT 11:05 AM (Merged)
Tiny
JDL
  • MECHANIC
  • 16,098 POSTS
Any applicable trouble codes? You should be able to get some codes with the mil lite.

Did you check primary voltage at the ignition coil, engine cranking, dark green wire with orange tracer should be hot use a voltage tester. If no voltage, I'd have to check for proper cam and crank sensor signals.
Was this
answer
helpful?
Yes
No
-2
Friday, March 24th, 2017 AT 11:05 AM (Merged)
Tiny
JEN BURNS
  • MEMBER
  • 2 POSTS
  • 1997 PLYMOUTH NEON
  • 4 CYL
  • 2WD
  • MANUAL
  • 120,000 MILES
1997 neon replaced ecu and coil still no spark does this car have a distributer
Was this
answer
helpful?
Yes
No
+1
Friday, March 24th, 2017 AT 11:05 AM (Merged)
Tiny
RASMATAZ
  • MECHANIC
  • 75,992 POSTS
Inspect and test the camshaft and crankshaft position sensor-
Was this
answer
helpful?
Yes
No
-1
Friday, March 24th, 2017 AT 11:05 AM (Merged)
Tiny
NEONTROY
  • MEMBER
  • 1 POST
  • 1996 PLYMOUTH NEON
  • 4 CYL
  • FWD
  • AUTOMATIC
  • 297,000 MILES
Engine Performance problem
1996 Plymouth Neon 4 cyl Front Wheel Drive Automatic 297000 miles

Hello, I was driving my neon at about 50 km/h when the battery light came on and the engined stalled, leaving me with no power steering, brakes. Etc.
At first I thought it was the alternator, but when I tried to boost the car it wouldn't even start. My battery has power, checked the fuses with a power meter, all were fine. Fuel pump works, as I can hear it when I turn over the key.
Now, I checked all spark plugs, and NONE had spark. The car didnt seem like it was misfiring, so I find it hard to believe all plugs were dead. I have a feeling either the coil pack died or wiring went somewhere on me.
Any input would be very much appreciated.
Thanks
Was this
answer
helpful?
Yes
No
+4
Friday, March 24th, 2017 AT 11:06 AM (Merged)
Tiny
RASMATAZ
  • MECHANIC
  • 75,992 POSTS
Check and test fuse no.21 20amp and the ASD relay
Was this
answer
helpful?
Yes
No
+1
Friday, March 24th, 2017 AT 11:06 AM (Merged)
Tiny
JOHNMOORE
  • MEMBER
  • 7 POSTS
  • 2001 PLYMOUTH NEON
  • 4 CYL
  • FWD
  • AUTOMATIC
  • 79,868 MILES
Electrical problem
2001 Plymouth Neon 4 cyl Front Wheel Drive Automatic 79,868 miles

replaced pcm, crank sensor, cam sensor if it sets with key on for about 15 min. Then will start and run all day
Was this
answer
helpful?
Yes
No
+1
Friday, March 24th, 2017 AT 11:06 AM (Merged)
Tiny
CARADIODOC
  • MECHANIC
  • 34,463 POSTS
Otherwise you mean it will crank but not start? Has the Check Engine light been coming on? If so, have you read the diagnostic fault codes?

I don't know if this applies, but it's worth mentioning. It was somewhat common for the dowel pin between the camshaft and sprocket to shear off, and the sprocket would spin slightly on the camshaft. This would mimic a timing belt that jumped a tooth. The Engine Computer would know that from seeing the change in the relationship between the signals from the camshaft and crankshaft position sensors.

When it looks as though the timing belt jumped one tooth, the computer turns on the Check Engine light and sets a fault code related to "cam and crank sync". At two teeth off, the computer shuts the engine down to prevent internal damage. At three teeth off, open valves will hit the pistons as the engine coasts to a stop and would be bent.

There is a procedure to relearn the relationship between the two sensors when one is replaced. It requires the DRB3 scanner, but I've never actually had to do that. The computer always learned the relationship as soon as the ignition switch was turned on, and the engine started right away.

Is it possible the fuel pump isn't starting up? 80,000 miles is a little soon for worn brushes in the motor, but you might have a helper try banging on the bottom of the fuel tank while you're cranking the engine.

Woops, I see you listed no spark or fuel. That would sure lead to the sensors you replaced. To prevent overlooking something simple but unlikely, try switching the Automatic Shutdown (ASD) relay with one of the other ones, but next I think I would send you to the dealer to ask if it's necessary to perform the cam / crank sync relearn procedure. I suspect the sitting with the ignition switch turned on for 15 minutes will be an important clue.

Caradiodoc
Was this
answer
helpful?
Yes
No
Friday, March 24th, 2017 AT 11:06 AM (Merged)
Tiny
JOHNMOORE
  • MEMBER
  • 7 POSTS
Checked/switched the ASD Relay, no difference. Fuel Pump Turns on, Injectors do not activate, neither does the coil pack. If the key is left on for 15 minutes the car will start and once it's running it's fine, can shut it off and it'll fire up again without waiting

Going to check the dowel pin, noticed the camshaft is shiny around the sprocket bolt & washer like it's been spinning and wore the surface rust off the nose of the cam

---

Dowel Pin is ok and timing is correct
Was this
answer
helpful?
Yes
No
+1
Friday, March 24th, 2017 AT 11:06 AM (Merged)
Tiny
CARADIODOC
  • MECHANIC
  • 34,463 POSTS
Interesting observation. Remember, it can't spin very much or the valves will hit the pistons. I hope the dowel pin is the problem, but I've never heard of it causing an intermittent no-start.

Caradiodoc
Was this
answer
helpful?
Yes
No
-1
Friday, March 24th, 2017 AT 11:06 AM (Merged)
Tiny
JOHNMOORE
  • MEMBER
  • 7 POSTS
Dowel Pin is ok and timing is correct
Was this
answer
helpful?
Yes
No
+1
Friday, March 24th, 2017 AT 11:06 AM (Merged)
Tiny
JOHNMOORE
  • MEMBER
  • 7 POSTS
Could it be the new pcm
Was this
answer
helpful?
Yes
No
Friday, March 24th, 2017 AT 11:06 AM (Merged)

Please login or register to post a reply.