HOME
ASK A QUESTION
REPAIR GUIDES
BECOME A MEMBER
LOG IN
Login with Facebook
OR
Remember me
NOT A MEMBER?
FORGOT PASSWORD?
CONTACT US
PRIVACY POLICY
TERMS AND CONDITIONS
☰
Home
Chrysler
Cirrus
Electrical
Fuse Panel
Diagram
Fuse box layout
JOSEPHLEBRUN
MEMBER
1998 CHRYSLER CIRRUS
27,000 MILES
Overheat problem, need to check fan fuse
Saturday, March 31st, 2012 AT 8:14 PM
1 Reply
KASEKENNY
MECHANIC
18,907 POSTS
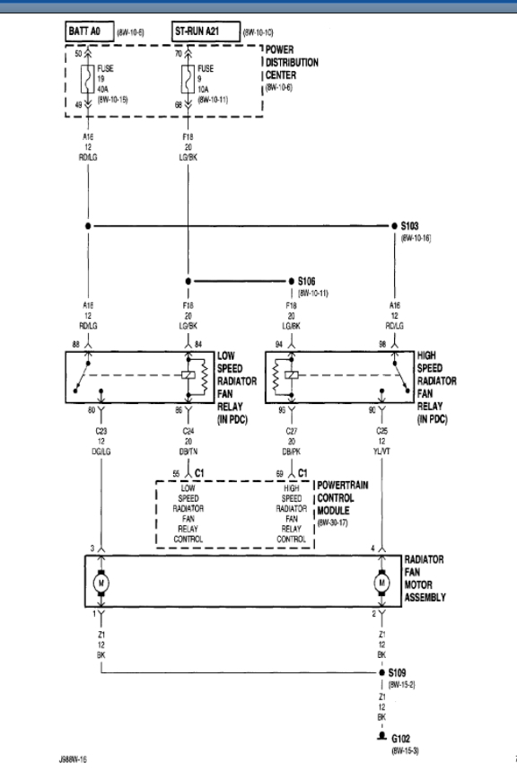
Looks like you are looking at fuse 19 and 9 in the PDC. I am attaching the info below for this. However, you also have relays so here are a couple guides that will help with testing the fuses and relays:
https://www.2carpros.com/articles/how-to-check-a-car-fuse
https://www.2carpros.com/articles/how-to-check-an-electrical-relay-and-wiring-control-circuit
Depending on what you find, you may need this guide to help with the overheating issue:
https://www.2carpros.com/articles/symptoms-of-an-overheating-engine
Please run through this info and we can go from there. Thanks
Images (Click to make bigger)
Was this
answer
helpful?
Yes
No
Wednesday, February 16th, 2022 AT 10:27 AM
Please
login
or
register
to post a reply.
Related Fuse Panel Diagram Content
1990 Chrysler Cirrus Alternator
Interior Problem 1990 Chrysler Cirrus 6 Cyl Front Wheel Drive Automatic How Do I Know If The Alternator Is Going Out?
Asked by
nichoma
·
4 ANSWERS
1990
CHRYSLER CIRRUS
Alternator
Alternator Has Gone On My Chrysler Cirrus And Want To Chage It Myself. Its A 2.4
Asked by
Gary Parker
·
1 ANSWER
2000
CHRYSLER CIRRUS
1995 Chrysler Cirrus Alternator
I Need Belt Routing Diagram For The Alternator
Asked by
doug008
·
1 ANSWER
1995
CHRYSLER CIRRUS
Just Put New Battery Plus Engine Works Fine
Have Very Hard Time Starting The Car And It Seems To Be Due To The Computer In The Car. This Has Been A Big Problem Every Week Getting...
Asked by
Dr W Browne
·
1 ANSWER
1997
CHRYSLER CIRRUS
Add Electric Fan Relay
I Want To Add An Additional Fan Relay Due To Lights Flickering When The Stock Fans Turn On(alternator Checks Out And So Does Battery). I...
Asked by
nathan-r-henry
·
5 ANSWERS
1996
CHRYSLER CIRRUS
VIEW MORE
Ask a Car Question. It's Free!
How to Use a Test Light
Radiator Fan Motor Replacement
Spark Plug Replacement Toyota Rav4 2006-2012