Truck wont start?

Tiny
JAMIE8813
  • MEMBER
  • 1998 CHEVROLET S-10
  • 4 CYL
  • 2WD
  • MANUAL
  • 160,000 MILES
1998 chevy s10 4 cylinder 2.2l turns over but wont start. Changed the crankshaft sensor truck still wont start! I have the haynes repair manual. Went through troubleshooting still wont start?
Tuesday, March 15th, 2011 AT 1:23 AM

106 Replies

Tiny
RASMATAZ
  • MECHANIC
  • 75,992 POSTS
We need to check for spark and fuel, see if the engine will run on starting fluid. Next lets check for spark this will help narrow down which system is not working, it will run on starting fluid care the fuel pump has gone out which is common on these cars.

Check out this video.

https://youtu.be/baq_aEWNQ0Y

this guide may help as well

https://www.2carpros.com/articles/car-not-running-advanced

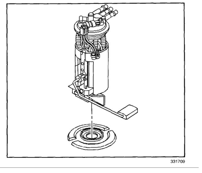
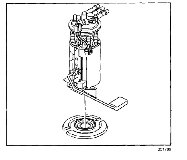
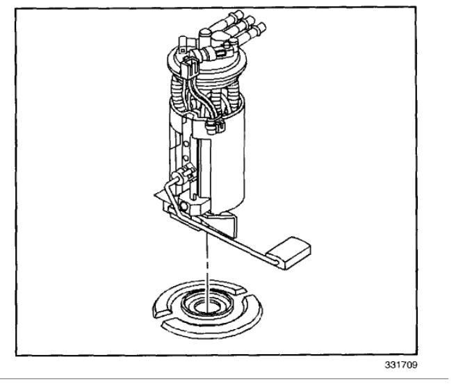
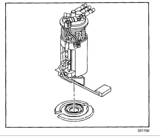
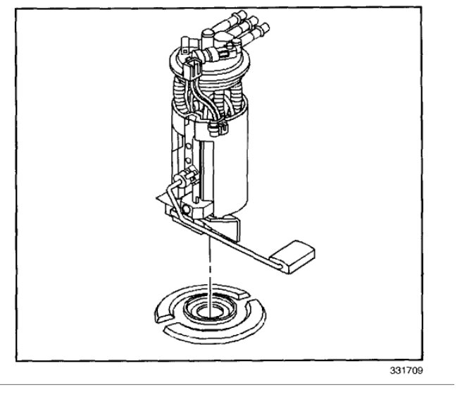
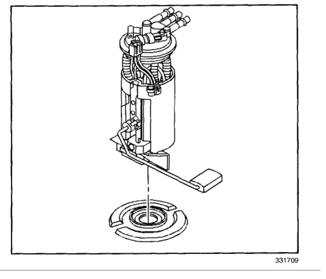
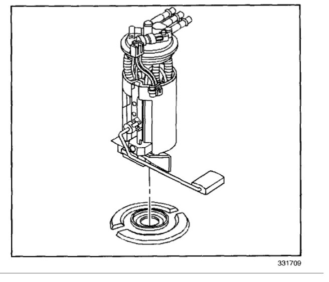
If it has spark here is how to change the fuel pump out. Check out the images (Below). Please let us know what happens.
Was this
answer
helpful?
Yes
No
+3
Tuesday, March 15th, 2011 AT 1:25 AM
Tiny
NEEDANSWER
  • MEMBER
  • 2 POSTS
  • 1998 CHEVROLET S-10
  • 12,000 MILES
It sounds if it out of gas but its not I have checked battery an cables
Was this
answer
helpful?
Yes
No
+5
Saturday, March 30th, 2019 AT 12:52 PM (Merged)
Tiny
ASEMASTER6371
  • MECHANIC
  • 52,796 POSTS
Check the battery to make sure it is cranking fast enough to start.

The fuel pressure needs to be checked to verify pressure.

Spray some starting fluid into the air cleaner and see if it starts and stalls.

Roy
Was this
answer
helpful?
Yes
No
+9
Saturday, March 30th, 2019 AT 12:52 PM (Merged)
Tiny
NEEDANSWER
  • MEMBER
  • 2 POSTS
Does it sound like it jumped time or the fuel pump went bad
Was this
answer
helpful?
Yes
No
+29
Saturday, March 30th, 2019 AT 12:52 PM (Merged)
Tiny
ASEMASTER6371
  • MECHANIC
  • 52,796 POSTS
I dont know. I cannot hear it here but from your description, I would look at bascis first like fuel pressure, spark and compression.

Roy
Was this
answer
helpful?
Yes
No
+2
Saturday, March 30th, 2019 AT 12:52 PM (Merged)
Tiny
V4NCE
  • MEMBER
  • 1 POST
  • 1998 CHEVROLET S-10
  • 6 CYL
  • 2WD
  • 160,000 MILES
Battery is good, tried jump starting it and it didn't work.

When trying to start it sounds like it's about to start but won't.

I tried putting a little gas in it just in case the gas gauge was broke and that didn't help either.

Im all out of ideas. It stopped working while I was driving and it just died and wouldn't go.

Thanks for reading and any advice will be appreciated.
Was this
answer
helpful?
Yes
No
+22
Saturday, March 30th, 2019 AT 12:52 PM (Merged)
Tiny
RASMATAZ
  • MECHANIC
  • 75,992 POSTS
Get a helper disconnect a sparkplug wire or 2 and ground it to the engine at least 3/16 away from ground -have helper crank engine over-do you have a snapping blue spark?

No snapping blue spark continue to troubleshoot the ignition system-power input to the coil/coil packs, coil's resistances, distributor pick-up coil, ignition control module, cam and crank sensors and computer Note: If it doesn't apply disregard it.
Was this
answer
helpful?
Yes
No
+2
Saturday, March 30th, 2019 AT 12:52 PM (Merged)
Tiny
DAVEMAYWOOD
  • MEMBER
  • 8 POSTS
  • 1998 CHEVROLET S-10
  • 4 CYL
  • 2WD
  • AUTOMATIC
  • 130,000 MILES
I had to replace the steering column and now it wont
start do I have to change the anti theft brain to match the sensor in the column as well?
Was this
answer
helpful?
Yes
No
+6
Saturday, March 30th, 2019 AT 12:52 PM (Merged)
Tiny
2CARPRO JACK
  • MECHANIC
  • 11,533 POSTS
Did you swap out the tumblers so that the keys are the same? I dont think it would hurt otherwise. Does it crank and not start?
Was this
answer
helpful?
Yes
No
+2
Saturday, March 30th, 2019 AT 12:52 PM (Merged)
Tiny
DAVEMAYWOOD
  • MEMBER
  • 8 POSTS
It turns out that the anti theft was activated and all I had to do was turn the key on and walk away for 10 minutes
Was this
answer
helpful?
Yes
No
+2
Saturday, March 30th, 2019 AT 12:52 PM (Merged)
Tiny
GOLF2CHARLIE
  • MEMBER
  • 1 POST
  • 1998 CHEVROLET S-10
  • 4 CYL
  • 2WD
  • MANUAL
  • 171,000 MILES
My won't start when the weather gets cold. I can crank it over and no start. Once the weather get warn it starts right away. One morning when it wouldn't start I checked for spark and found none. That day it just wouldn't start not even after it the weather warmed up. I have changed the spark plugs and wires, also the crankshaft sensor. I took an ignition control module and colis from a car that was running and still no start. I have not replace the camshaft sensor yet. They are not cheap to just guess at that one. This truck is driving me crazy. Any ideas.
Was this
answer
helpful?
Yes
No
+1
Saturday, March 30th, 2019 AT 12:52 PM (Merged)
Tiny
SERVICE WRITER
  • MECHANIC
  • 9,123 POSTS
The ignition lock cylinder sensor and harness assy is a good possiblility. Have a hair dryer or heat gun and heat up the steering column when the no start occurs. If it starts, chances are pretty goo that you nailed it.

It may be a good idea to check the codes.
Was this
answer
helpful?
Yes
No
-1
Saturday, March 30th, 2019 AT 12:52 PM (Merged)
Tiny
DENNIS DOCHERTY
  • MEMBER
  • 1 POST
  • 1998 CHEVROLET S-10
  • 2.0L
  • 4 CYL
  • 2WD
  • MANUAL
  • 130,000 MILES
My vehicle stopped running after 50+km city driving. It cranks over, there is no spark or fuel, the battery and fuses seem okay. There is three quarters of tank fuel. No warning lights(only battery) when ignition turned to on/start. No signals? 4 way okay. Lights okay.
Was this
answer
helpful?
Yes
No
-2
Saturday, March 30th, 2019 AT 12:52 PM (Merged)
Tiny
HMAC300
  • MECHANIC
  • 48,601 POSTS
Try another key otherwise have a local professional scan for codes as it may be a security issue so they have to find out what has gone wrong with it.
Was this
answer
helpful?
Yes
No
-1
Saturday, March 30th, 2019 AT 12:52 PM (Merged)
Tiny
CHAD MANWARING
  • MEMBER
  • 1 POST
  • 1998 CHEVROLET S-10
  • 4 CYL
  • 2WD
  • MANUAL
  • 85,000 MILES
I own a 1998 chevy S-10 with a 2.2 liter v4.I just had $2,000.00 worth of work done on it including new 02 sensor, brakes, battery, new transmission sensor and more. The alernator is also almost brand new. About 2 weeks after I got it out of the shop, the "service engine soon" loght came on. It also became extremely cold the past 2 weeks. It started to become hard to start, now it wont start at all. It sat for over a year and a half before the work was done. Could it be bad gas or debris that accumulated in the gas tank?
Was this
answer
helpful?
Yes
No
+3
Saturday, March 30th, 2019 AT 12:53 PM (Merged)
Tiny
RASMATAZ
  • MECHANIC
  • 75,992 POSTS
Step1 -scanned the computer for code/s

Step2- If you haven't checked for fuel and spark-Do below

Disconnect a sparkplug wire or 2 and ground it to the engine atleast 3/16 in away from ground have helper crank engine over-do you have a snapping blue spark? If so-you have a fuel related problem, check the fuel pressure to rule out the fuel filter/fuel pump/pressure regulator and listen to the injector/s are they pulsing or hook up a noid light. No snapping blue spark continue to troubleshoot the ignition system-power input to the coil/coil packs, coil's resistances, cap and rotor /distributor pick-up coil, ignition control module, ECM, Ignitor camshaft and crankshaft sensors- Note: If it doesn't apply disregard it
Was this
answer
helpful?
Yes
No
+1
Saturday, March 30th, 2019 AT 12:53 PM (Merged)
Tiny
BIGBABYJON99
  • MEMBER
  • 1 POST
  • 1998 CHEVROLET S-10
  • 4 CYL
  • 2WD
  • MANUAL
  • 158,000 MILES
My truck can be pull-started, and runs GREAT. But I cannot get it to crank up by flipping the ignition over(using the key). It always acts like my battery is dead. Could I have starter issues, or alternator problems.
Was this
answer
helpful?
Yes
No
+2
Saturday, March 30th, 2019 AT 12:53 PM (Merged)
Tiny
RASMATAZ
  • MECHANIC
  • 75,992 POSTS
Find the purple wire at the starter and hook up a voltmeter to it -red lead of voltmeter to purple wire and black lead to a good ground-should be battery voltage, if so replace starter, if not check starter relay, neutral safety switch/park and neutal switch and ignition switch.
Was this
answer
helpful?
Yes
No
+2
Saturday, March 30th, 2019 AT 12:53 PM (Merged)
Tiny
GHOSTGRAYEFFECT
  • MEMBER
  • 1 POST
  • 1998 CHEVROLET S-10
  • 90 MILES
1998 s10 cranks but wont start the fuel pump makes clicking noise then another noise when turned off sat for two weeks ran fine b4. I moved truck bed around to lower it also took out radaitor and core support headlights grill now cranks but wont start sounds like its not pumping gas or no spark cant smell any gas put in two gallions checked what fuses I could under hood also disconnected air cleaner asembly took out battery and box underneth maybe hooked up smothing wrong when put back together
Was this
answer
helpful?
Yes
No
+2
Saturday, March 30th, 2019 AT 12:53 PM (Merged)
Tiny
DRCRANKNWRENCH
  • MECHANIC
  • 3,380 POSTS
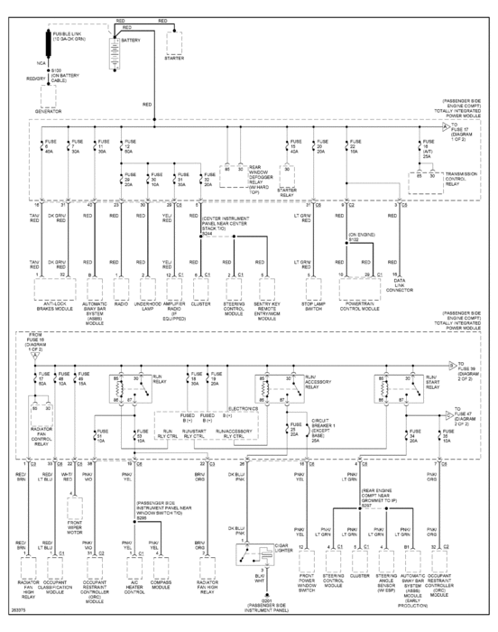
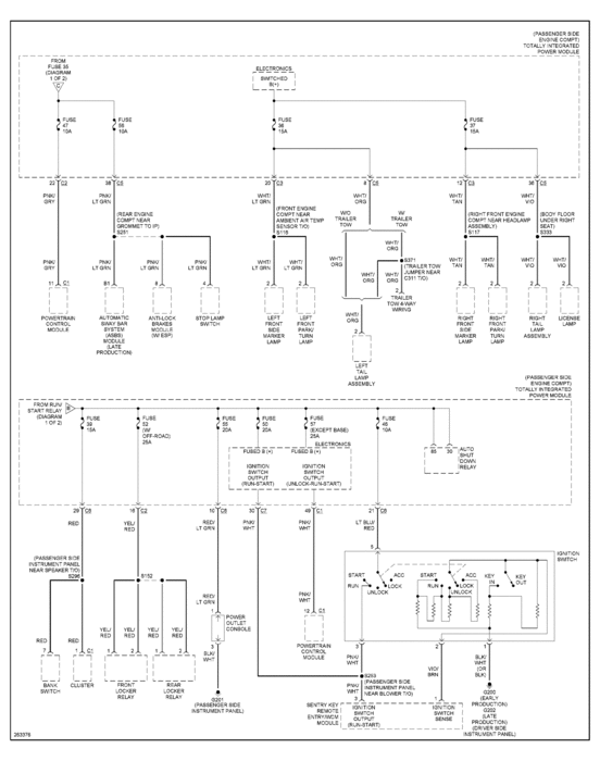
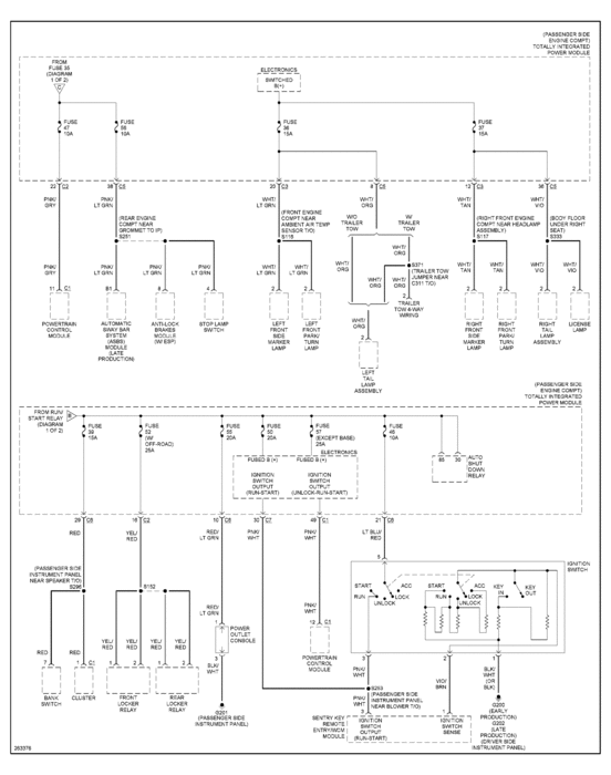
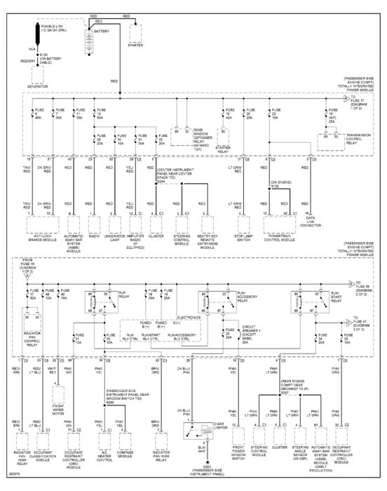
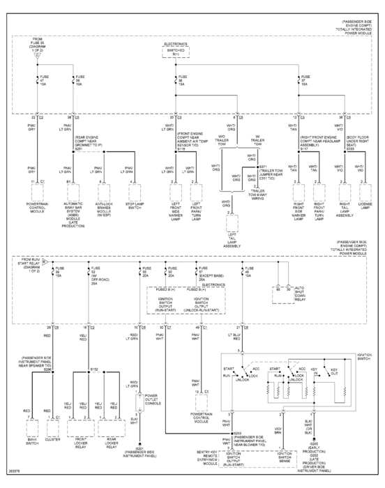
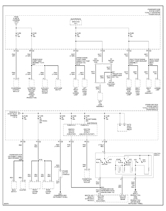
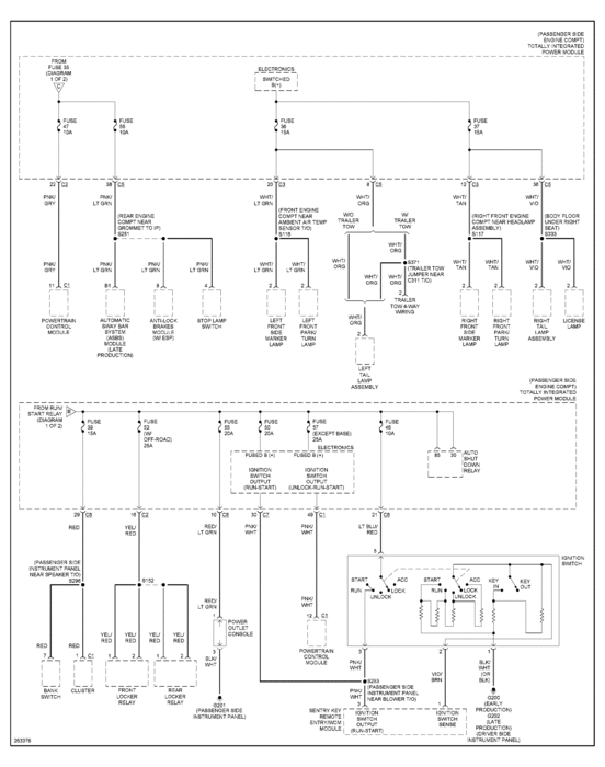
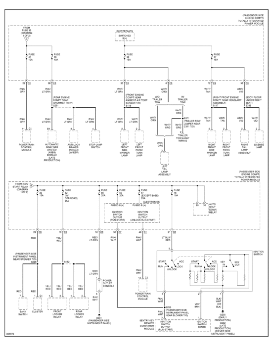
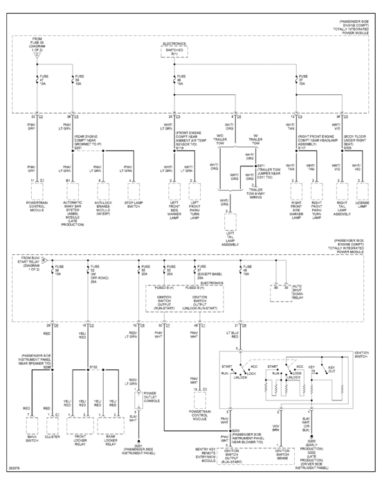
The clicking noise you are hearing is probably the fuel pump relay which turns on the pump to prime the system when the key is in the "ON" or "RUN" position. You must have disconnected something in between the relay and the pump.
I am giving you the wiring diagrams so you can trace the circuit. They are for a 2.2L engine, so if you have the other engine let me know and I will give you those. The diagrams are labeled, 1of3, 2of3, etc. Note that 1of3 has realy on the end of file name. In the upper right part of this diagram you will see the pump relay and you can align all 3 diagrams from left to right to match up wires to follow circuit.
I am going to have to sned you 3 messages as our function to attach multiple files is not working. Each message will have one diagram attached.
Was this
answer
helpful?
Yes
No
Saturday, March 30th, 2019 AT 12:53 PM (Merged)

Please login or register to post a reply.