98 Chevy S-10 4.3

Tiny
LZRDKNG27
  • MEMBER
  • 1998 CHEVROLET S-10
  • 6 CYL
  • 2WD
  • MANUAL
  • 156,256 MILES
Replaced ingnition switch and tumbler and now I have no power to fuel pump
Friday, February 18th, 2011 AT 4:41 PM

7 Replies

Tiny
JDL
  • MECHANIC
  • 16,098 POSTS
Use a gage and check fuel pressure, engine cranking. Check ecm B fuse, use voltage tester on fuse circuit.
Was this
answer
helpful?
Yes
No
Friday, February 18th, 2011 AT 5:01 PM
Tiny
JDL
  • MECHANIC
  • 16,098 POSTS
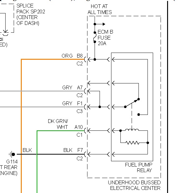
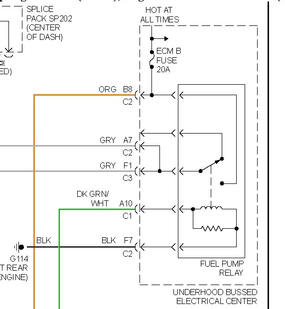
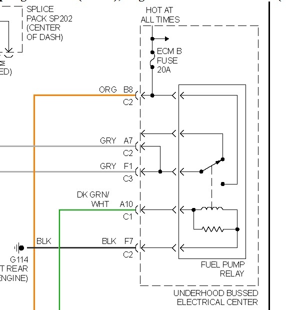
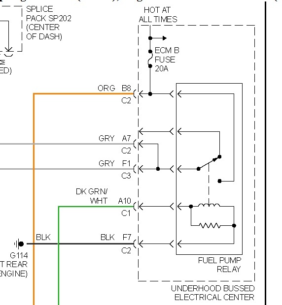
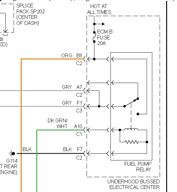
Stay on the original post, it's less confusing. The fuse is in the underhood electrical center, did you look at the diagram?
Was this
answer
helpful?
Yes
No
Friday, February 18th, 2011 AT 5:24 PM
Tiny
LZRDKNG27
  • MEMBER
  • 5 POSTS
Yes. And thank you very much for helping me! There is a little black box with alot of little diferent color wires that were cut when I got the truck. Any idea what the purpose of that box is
Was this
answer
helpful?
Yes
No
Friday, February 18th, 2011 AT 5:38 PM
Tiny
JDL
  • MECHANIC
  • 16,098 POSTS
It the moment, I don't know about that box, where is it located? If you need a complete wiring harness, I'm not sure how to help, online?

The underhood electrical box is in the diagram.
Was this
answer
helpful?
Yes
No
Friday, February 18th, 2011 AT 5:56 PM
Tiny
LZRDKNG27
  • MEMBER
  • 5 POSTS
What is this little black box with a red positive wire, black ground wire, and then a set of six wires colored, (black, brown, red, orange, yellow, green? The black box is about 2half inches by 1half inch.
Was this
answer
helpful?
Yes
No
Saturday, February 19th, 2011 AT 2:48 PM
Tiny
LZRDKNG27
  • MEMBER
  • 5 POSTS
This box is located under the instrument panel driver side. Its only about 2half inches by 1half inches and its black, with a positive and negative wire. It also has a group of six small wires each differnt colors starting from black to green. There is also a set combination of two black wires with four little conectors all male conectors though. Any help is more than apreciated!
Was this
answer
helpful?
Yes
No
Saturday, February 19th, 2011 AT 3:10 PM
Tiny
JDL
  • MECHANIC
  • 16,098 POSTS
Sorry, I don't know.
Was this
answer
helpful?
Yes
No
Saturday, February 19th, 2011 AT 5:23 PM

Please login or register to post a reply.