Saturday, July 6th, 2019 AT 4:09 PM
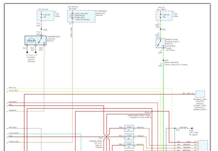
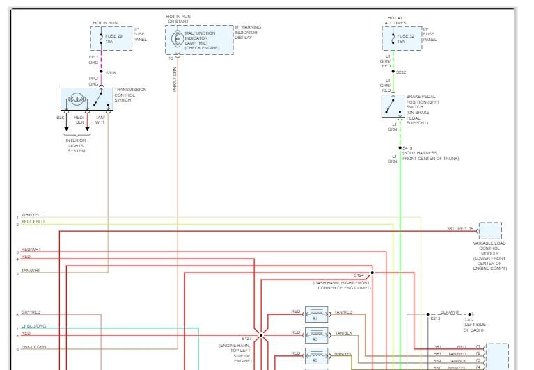
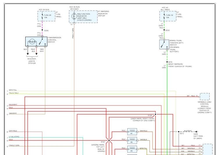
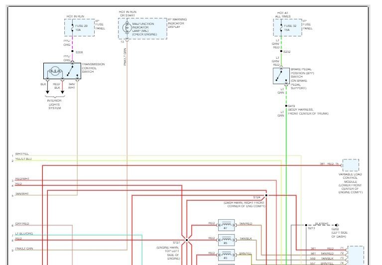
I was having to replace ECU relays. Did this about three times. Maybe got about 10 or 12 starts in this manner. Always on startup, cranking but not starting. Now replacing rely doesn't help. Car cranks and builds fuel pressure. ECU doesn't register on reader. But with low voltage, 7.5v, reader does see ecu for a little bit. Then it can't see ECU. I have tested ECU relay by wiring it to a 40amp fan. The low voltage situation is such that the ECU is clicking or something is clicking in glove box area. I went back through the relays I kept and they power the 40 amp fan. So scratching my head about why replace relay did help. Of course, I don't have the very first relay I replaced.









