Tuesday, May 4th, 2021 AT 6:27 PM
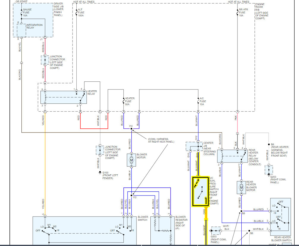
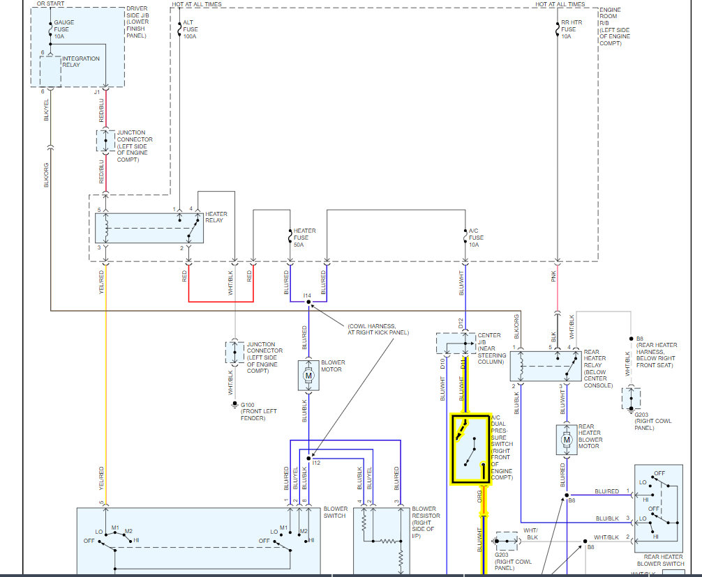
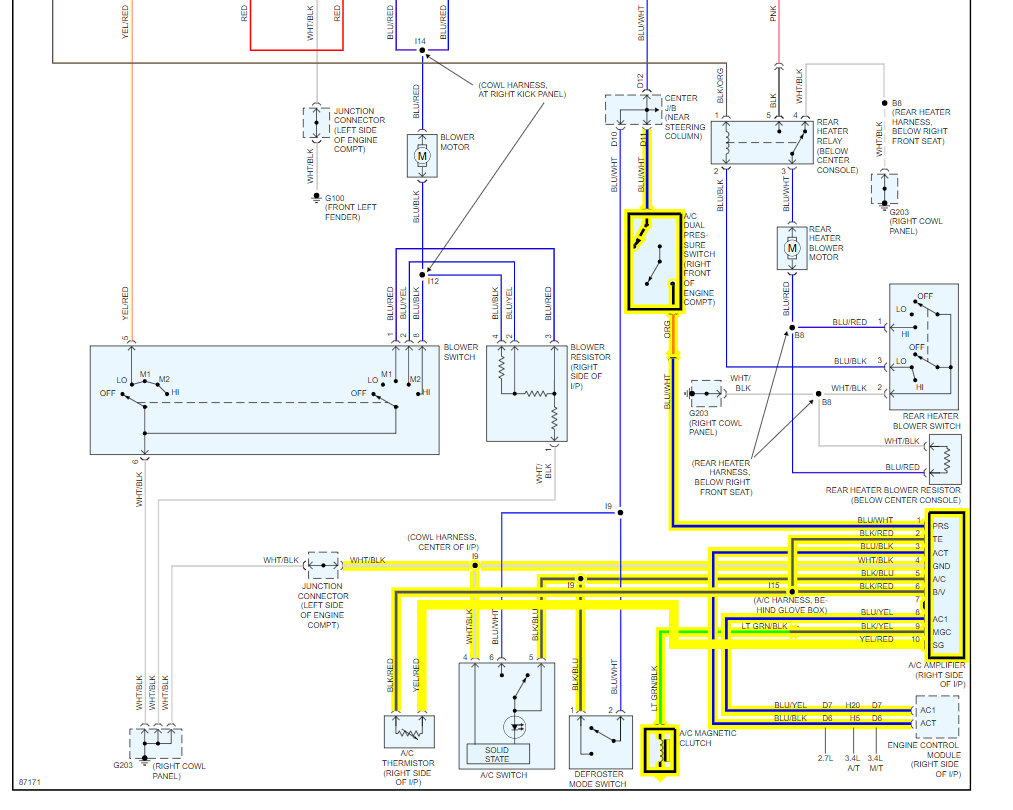
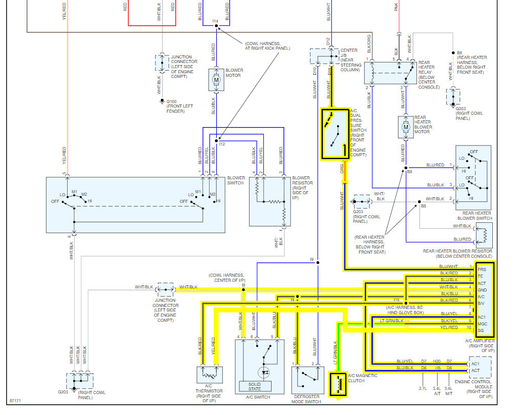
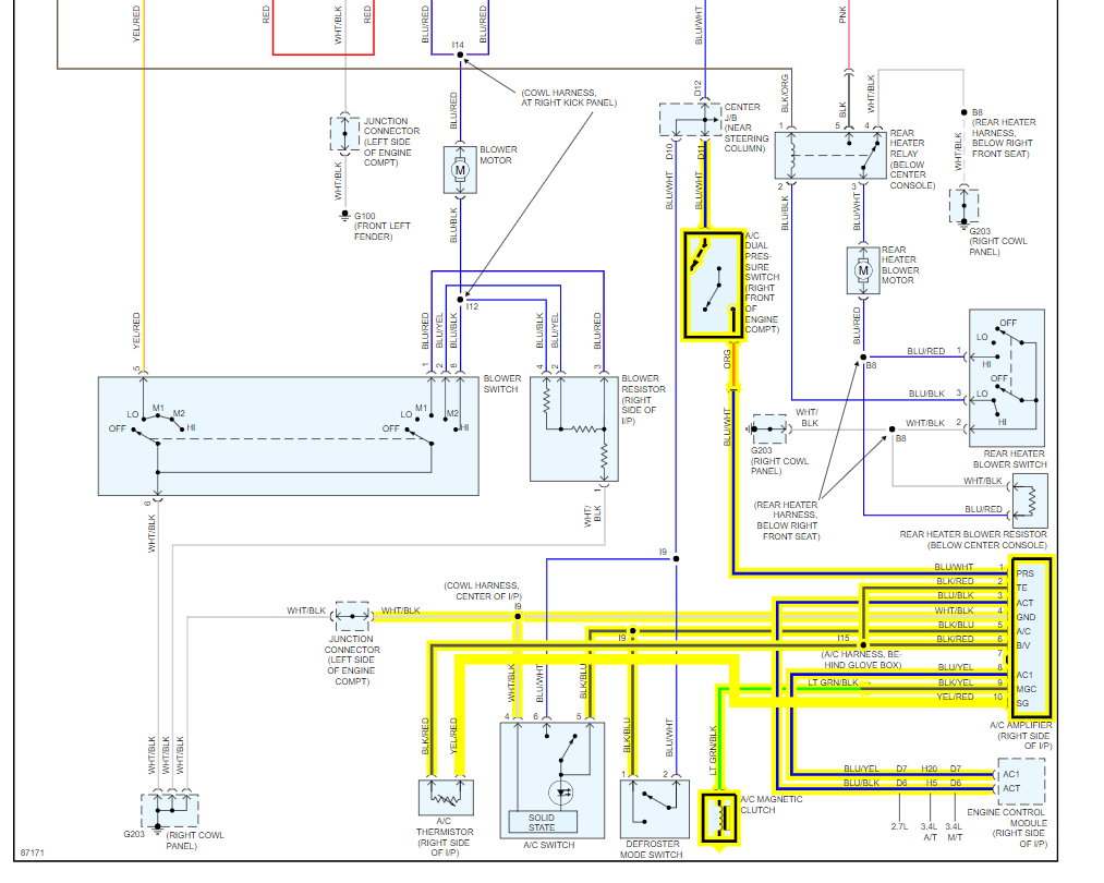
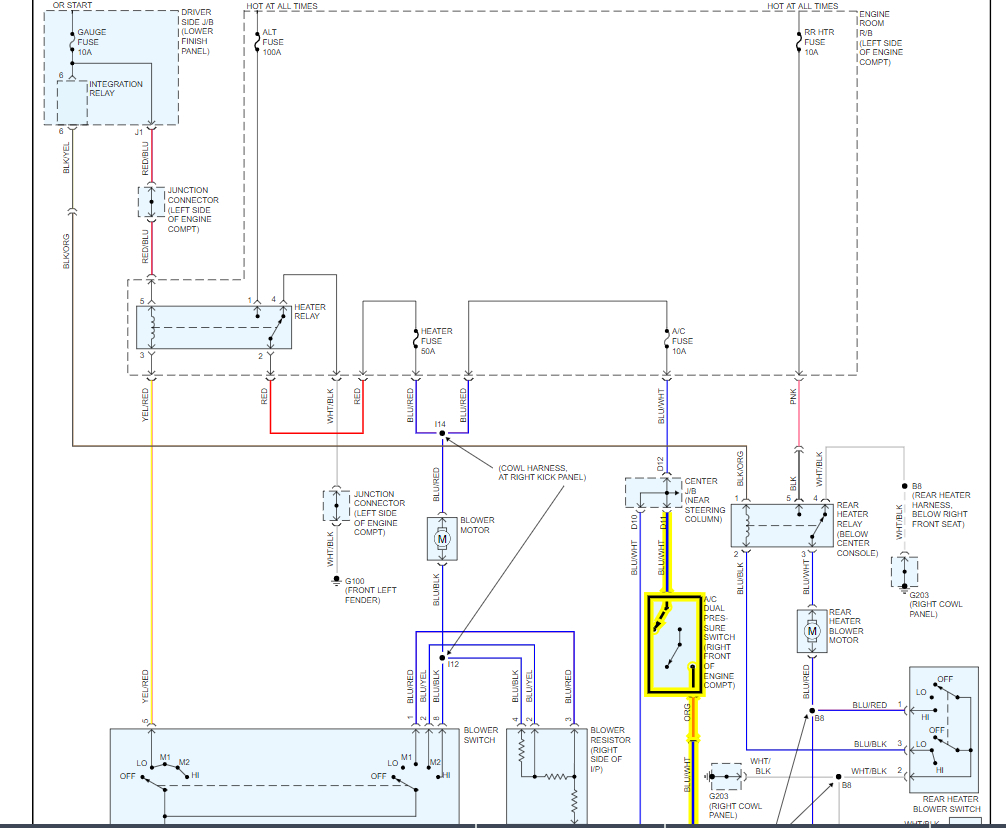
When I press my A/C switch in the cabin, the green light comes on steady, but the air is hot. I can see and hear the compressor clutch kick in, but it only kicks in for about a second and disengages. I'm curious if this is a low Freon indication, a bad mg clutch relay (if there is one on my model/year, bad compressor or a combination of all). I'm green to solving A/C issues and understand it's complicated, but was hoping to trouble shoot at the lowest end before I take it to a qualified tech. Thank you in advance. This is a very informative site.




