My Oil Pressure Switch was leaking. I bought the oil pressure switch, went to my father-in-laws house to see if he had a deep well socket. He did not have one.
Dropped the starter to have extra room. We got everything out and switched with no issues. No leak, engine running as usual. The car started just fine three times before I had finally left for my house. It drove just fine. After 15-20 miles the car started losing electrical power(battery drain). ABS went out first, seat-belt restraints next, and car started running rough. Cluster readings is where I got that information.
Got home barely and let the car cool down for the night and take a fresh look at it today. I checked the connections, tried to start it and couldnt because the battery was weakened from the drive home. I checked the oil level, was about a quart, maybe two over on oil. I drained the oil for about 20 seconds and will re-check once I have the car level again. Looked over the starter connections and everything look fine as well.
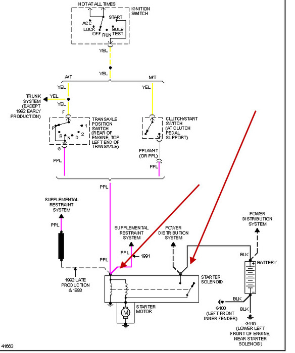
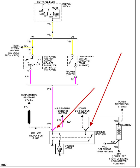
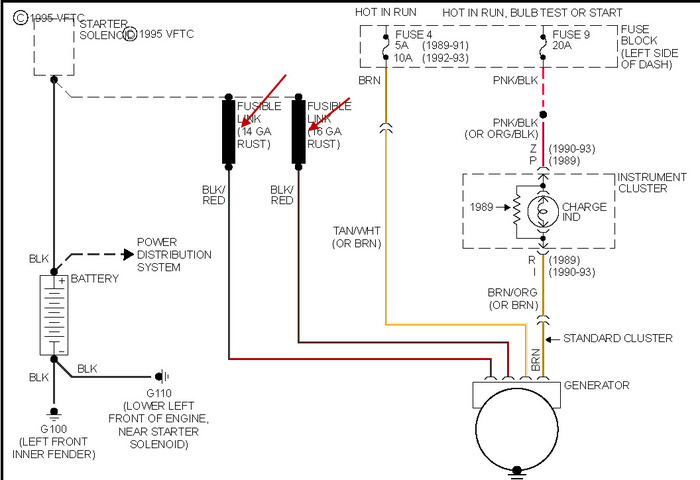
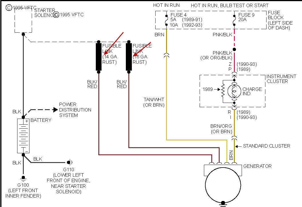
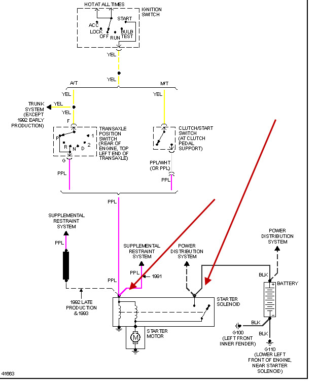
I called around today. Everyone I had talked to said that I CAN'T get the wiring to the solenoid wrong. There are 3 posts on the solenoid. 1 is an 8mm, which only 1 wire can connect to it. There is a 14or15mm post and 2 wires will hook to it. The 3rd post is 13mm and 2or3 will hook to it. I am using socket size as my measurement. I just don't feel good about the wiring for some reason, but I listened to my contacts as they haven't steered me wrong yet. YET!
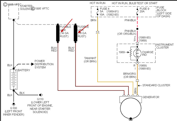
As of this writing I cannot recall exactly which/what wires I have hooked to what. This afternoon the car would turn over but would not start due to loss of power in the battery. I pulled the alt and battery going to Auto-zone for a Battery Check and Alt test. Alt was good with 2 tests. The battery was weak but they said it was good enough to charge(Napa Legend 630cca, I love these batteries). I have checked all fuses in the drivers side door panel( pulled and visually inspected) and all were good.
So while I am waiting here for the battery to be charged I am writing this. I am at stumped on this at the moment and was wondering if someone might have some insight as to what may be going on. Once I get the battery back I will check the oil, re-install the battery and alt. From there I am guessing I will let it run(if it does) and see what the effects are will at an idle. I will list what has been confirmed and checked.
Alternator - Good (AZ checked)
Battery - Charging (AZ saying it is fine for charge)
Fuses(drivers door) - Good (pulled and visually inspected)
Oil Level - Drained and re-checking
I have a feeling that I have one of the wires on the wrong post and it is not allowing for current to pass while the car is running. Only when it is being started. I am sceptical to switch out wiring with the starter for fear of shorting out a fuse link or worse as the age of the vehicle comes with its own issues. However, do not let 244500 miles fool you or even the age of the car. This Corsica has been beast from day one, built to take abuse. It runs great with no issues other then the evap core leaking severely.
Anybody care to jump in here?
I look forward to it.
Tuesday, October 2nd, 2012 AT 10:04 PM


