After replacing the fuel pump every time I turn the ignition the EMC1 fuse blows

Tiny
CBAILEY92
  • MEMBER
  • 1991 GMC JIMMY
  • V6
  • 4WD
  • AUTOMATIC
  • 100,000 MILES
I just replaced the fuel pump and now every time you turn the ignition over it blows the EMC1 fuse.
Friday, August 16th, 2019 AT 10:15 AM

3 Replies

Tiny
KASEKENNY
  • MECHANIC
  • 18,907 POSTS
Hi,

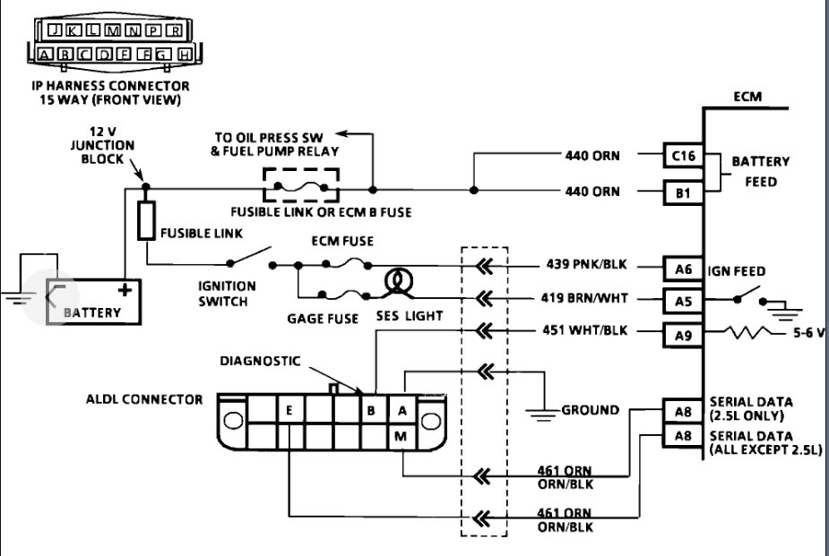
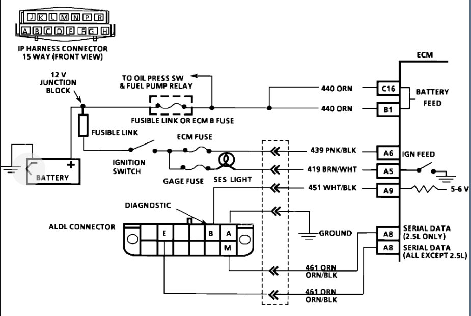
Here is diagram for the 439 circuit which is what your ECM 1 fuse is on. If this fuse is blowing then I suspect the pump is possibly back feeding voltage and blowing the fuse. Does it blow the fuse even if you go key on with OUT cranking the engine. If it does, just unplug the pump back at the tank and then turn the key on and see if the fuse still blows. If it doesn't, then you have an issue with the pump. If still blows then you have another issue.
Was this
answer
helpful?
Yes
No
Friday, August 16th, 2019 AT 12:11 PM
Tiny
CBAILEY92
  • MEMBER
  • 2 POSTS
I have unplugged it at the tank and it still blows and I have unplugged the relay and it still blowing.
Was this
answer
helpful?
Yes
No
+1
Friday, August 16th, 2019 AT 2:49 PM
Tiny
KASEKENNY
  • MECHANIC
  • 18,907 POSTS
Ok. So you have a short somewhere else in the circuit. I don't think it is related to the fuel pump. Did this happen immediately after the fuel pump? So it worked fine, you replaced the pump and now it blows the fuse?
Was this
answer
helpful?
Yes
No
+1
Saturday, August 17th, 2019 AT 5:06 PM

Please login or register to post a reply.