Chevy Blazer Wiring/Fuel Pump

Tiny
COURT JESTER
  • MEMBER
  • 1988 CHEVROLET BLAZER
  • 6 CYL
  • 4WD
  • MANUAL
Replaced wiring harness in 1988 S10 Blazer and have 2 wires that I dont know where they hook up, also fuel pump is not engaging
Monday, August 15th, 2011 AT 4:21 AM

17 Replies

Tiny
FIXITMR
  • MECHANIC
  • 9,990 POSTS
Where on truck are these mystery wires located?
Was this
answer
helpful?
Yes
No
-1
Monday, August 15th, 2011 AT 5:31 AM
Tiny
COURT JESTER
  • MEMBER
  • 6 POSTS
They're in the engine bay on the passengers side, however ive found the port for the latter one, it hooked in to the transmission
Was this
answer
helpful?
Yes
No
Monday, August 15th, 2011 AT 4:20 PM
Tiny
FIXITMR
  • MECHANIC
  • 9,990 POSTS
So the black plug has a home but the 1 with green/yellow wires is still homeless? Is the fuel pump working yet? Do you have old harness? Is there the same wire/plug on old harness?
Was this
answer
helpful?
Yes
No
Monday, August 15th, 2011 AT 4:34 PM
Tiny
COURT JESTER
  • MEMBER
  • 6 POSTS
Its green and black. And no, pump is not working yet. But I looked on the fender where the relays are. And the new harness only has 2 where the old has 3 so im guessing that might be the issue now
Was this
answer
helpful?
Yes
No
Tuesday, August 16th, 2011 AT 3:15 PM
Tiny
FIXITMR
  • MECHANIC
  • 9,990 POSTS
When you say new do you mean new or just replacement used harness?
Was this
answer
helpful?
Yes
No
Tuesday, August 16th, 2011 AT 6:18 PM
Tiny
COURT JESTER
  • MEMBER
  • 6 POSTS
Replacement used from a 88 S10 2.8L
Was this
answer
helpful?
Yes
No
Wednesday, August 17th, 2011 AT 4:07 AM
Tiny
FIXITMR
  • MECHANIC
  • 9,990 POSTS
So not exact same model vehicle?
Was this
answer
helpful?
Yes
No
Wednesday, August 17th, 2011 AT 4:30 AM
Tiny
COURT JESTER
  • MEMBER
  • 6 POSTS
They should match up perfect. The blazer was based off the s10. All I bought was the engine and transmission.I'm guessing when I bought it it didnt have 100% of stuff included. Anywho how would I install the relay and wiring?
Was this
answer
helpful?
Yes
No
-1
Wednesday, August 17th, 2011 AT 4:48 AM
Tiny
FIXITMR
  • MECHANIC
  • 9,990 POSTS
Could you explain exactly what the project consists of altogether? Are you installing a motor and trans into a vehicle and the wiring that is in it already is not matching up? Thanks
Was this
answer
helpful?
Yes
No
Wednesday, August 17th, 2011 AT 4:23 PM
Tiny
COURT JESTER
  • MEMBER
  • 6 POSTS
Okay it burn on me a few months ago, I bought an engine to use the harness off it, replaced harness, using the engine that was in the blazer originally. The relays on the drivers side fender had 3 relays on it on the old harness, the new only has 2.
Was this
answer
helpful?
Yes
No
Wednesday, August 17th, 2011 AT 5:15 PM
Tiny
FIXITMR
  • MECHANIC
  • 9,990 POSTS
Seems unlikely that something as important as fuel pump relay would be missing? Maybe it's some kind of emissions relay?
Was this
answer
helpful?
Yes
No
Wednesday, August 17th, 2011 AT 5:51 PM
Tiny
FIXITMR
  • MECHANIC
  • 9,990 POSTS
The 2 relays should be AC and fuel pump on an s10 pickup
Was this
answer
helpful?
Yes
No
Wednesday, August 17th, 2011 AT 6:25 PM
Tiny
FIXITMR
  • MECHANIC
  • 9,990 POSTS
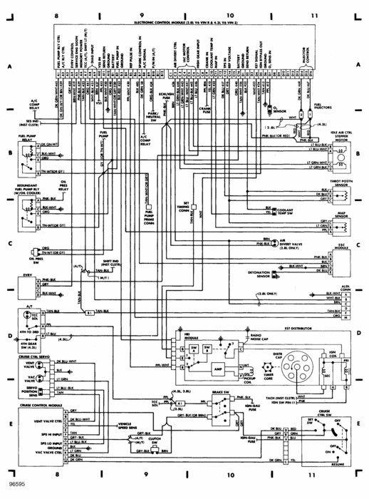
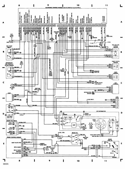
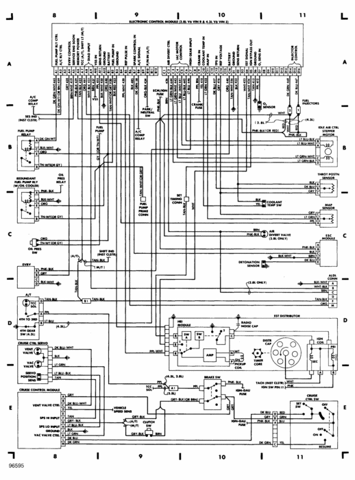
Try this
Was this
answer
helpful?
Yes
No
Wednesday, August 17th, 2011 AT 6:58 PM
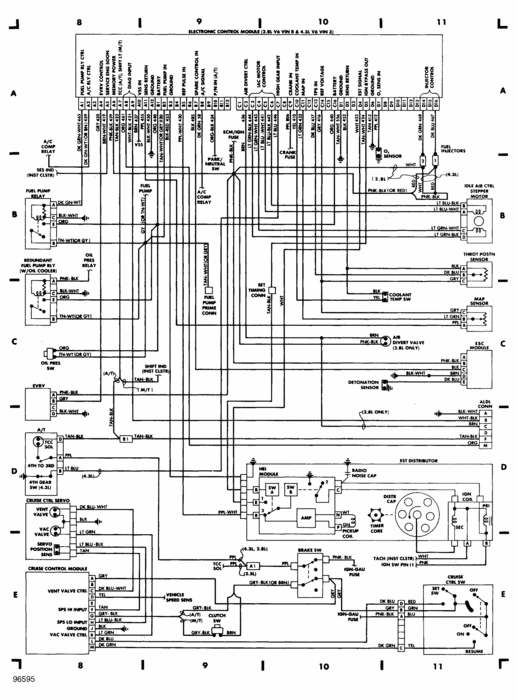
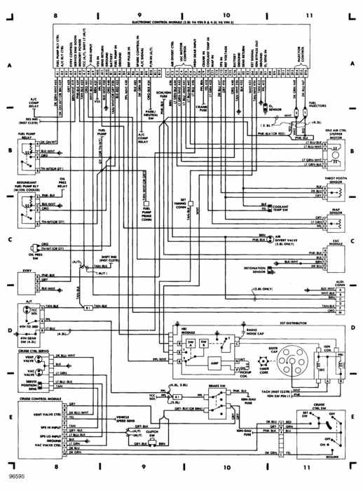
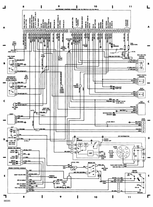
Tiny
FIXITMR
  • MECHANIC
  • 9,990 POSTS
Compare with this
Was this
answer
helpful?
Yes
No
Thursday, August 18th, 2011 AT 1:57 AM
Tiny
COLTONNM
  • MEMBER
  • 1 POST
Did you ever figure out that green black wire connector?
Was this
answer
helpful?
Yes
No
Sunday, November 24th, 2019 AT 6:39 PM
Tiny
JOHNNY1268
  • MEMBER
  • 1 POST
Did you figure what the wires where for?
Was this
answer
helpful?
Yes
No
Friday, December 18th, 2020 AT 12:31 AM
Tiny
DANNY L
  • MECHANIC
  • 5,648 POSTS
Hello, I'm Danny.

You've attached to a years old question. What we ask is for you to start a new question including all your vehicle information. Here is the link:

https://www.2carpros.com/questions/new

Once you get back to us with your information we can provide you with any wiring diagrams you need. Hope this helps and thanks for using 2CarPros.
Was this
answer
helpful?
Yes
No
Sunday, December 20th, 2020 AT 3:48 PM

Please login or register to post a reply.