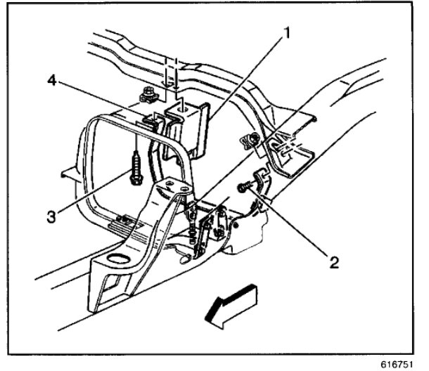
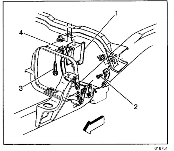
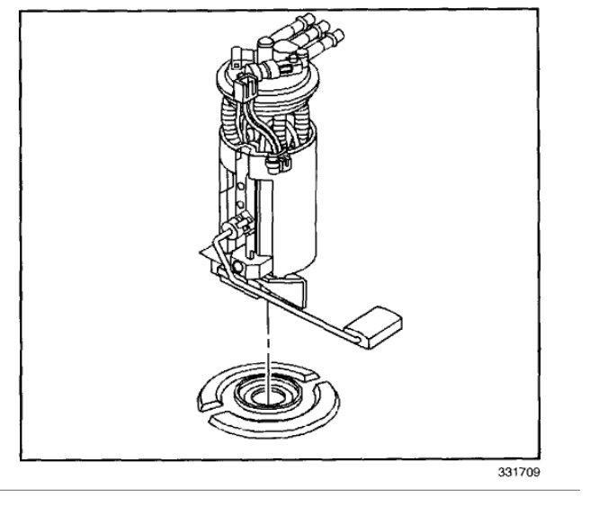
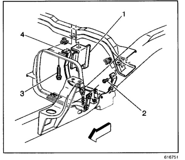
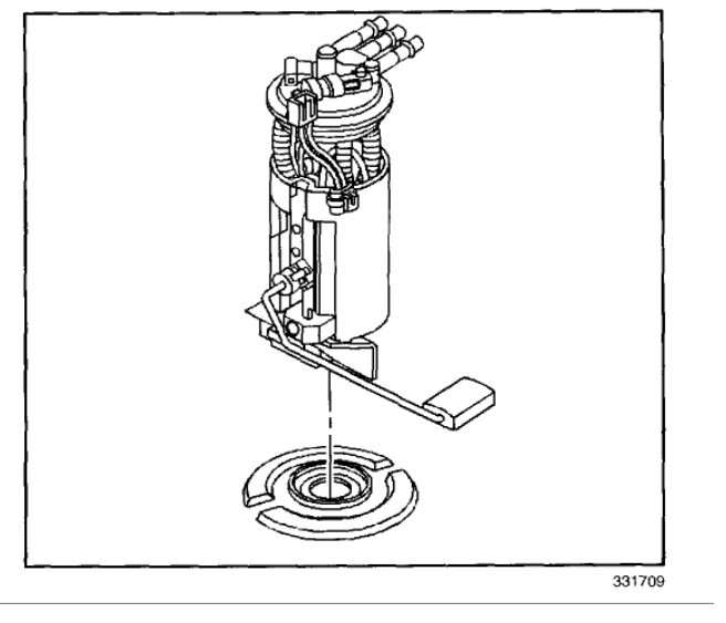
fuel pump removal

1995 CHEVROLET BLAZER
235,000 MILES • 6 CYL • 4WD • AUTOMATIC
Avatar
JPELLINEN
  • MEMBER
  • 1 POST
what do i need to do to replace the fuel pump?
Jul 9, 2009 at 2:19 PM
Advertisement
Avatar
BLUELIGHTNIN6
  • CERTIFIED EXPERT
  • 16,542 POSTS
Hello,

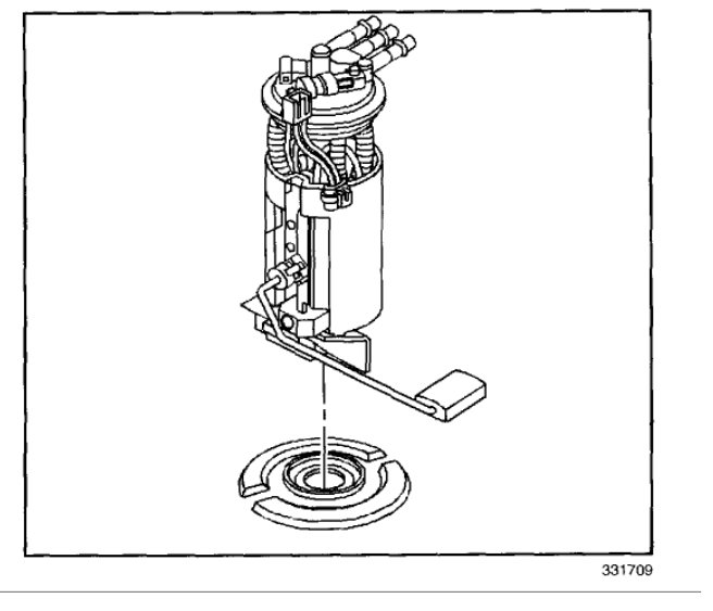
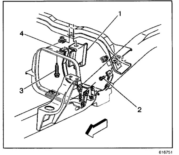
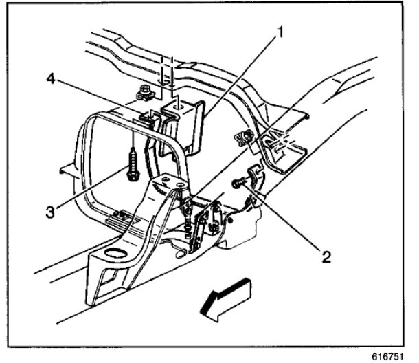
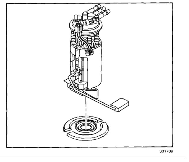
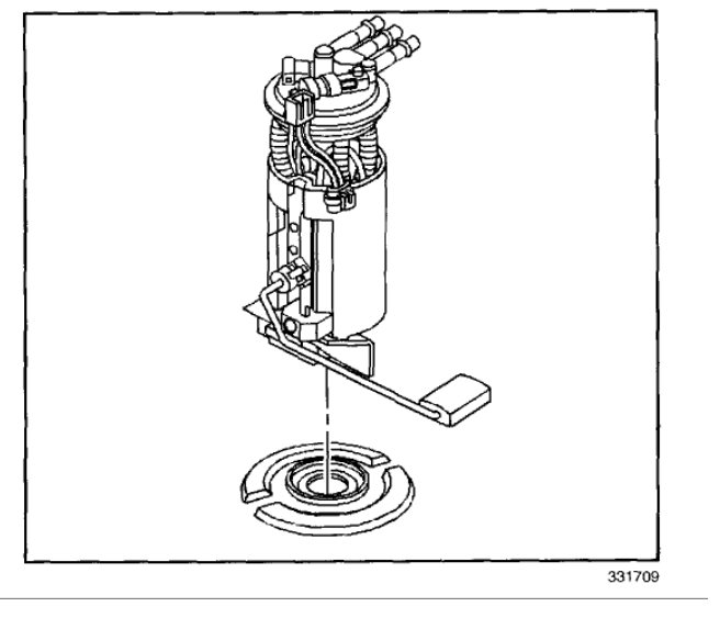
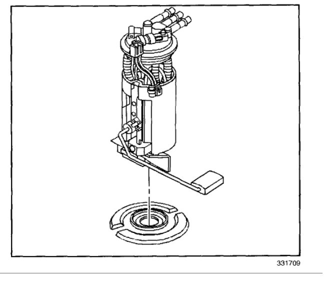
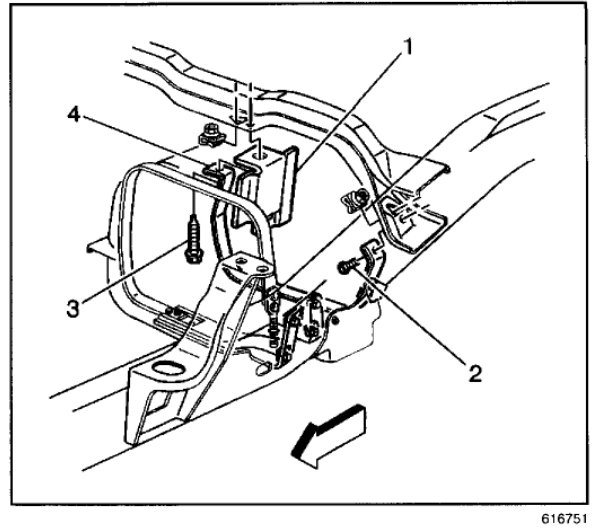
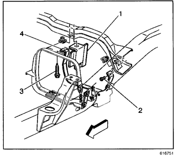
Here is a guide to help walk you through the steps and diagrams with instructions below to show you how on your car.

https://www.2carpros.com/articles/how-to-replace-an-electric-fuel-pump

Check out the diagrams (Below). Please let us know if you need anything else to get the problem fixed.
Jul 9, 2009 at 2:21 PM
Avatar
KATIE A TELFER
  • MEMBER
  • 3 POSTS
Please help! My husband is completely stumped which scares me because he knows his stuff... we have replaced the fuel pump three times in the past six months or so, he just put a new one on two days ago, and a month before that. He has also replaced the sock/filter. While he was driving at work tonight all the sudden it started stumbling and sputtering and would not go over ten mph. So now here we sit again completely clueless as to what is happening. It idles smooth but is hesitating on acceleration. We have put Autozone fuel pumps on, which I am getting mixed reviews about now. Anything you can tell us to help would be very appreciated.
Jul 17, 2019 at 6:10 PM (Merged)
Advertisement
Avatar
HMAC300
  • CERTIFIED EXPERT
  • 48,601 POSTS
scan for codes it is probably not the pump those are pretty reliable as they only require 9-13 psi. seeing as this is a TBI unit check under it for a vacuum leak which is quite common on these, just use choke cleaner and spray it will change rpm if it is leaking. 1995 might be a bad year, but try jumping A and B on aldl with key on and see If check engine light flashes count flashes like one three times then two three times would be code twelve which would say it is working then get back on what the codes are if any.
Jul 17, 2019 at 6:10 PM (Merged)
Avatar
KATIE A TELFER
  • MEMBER
  • 3 POSTS
It will not pull any codes up.
Jul 17, 2019 at 6:10 PM (Merged)
Avatar
KATIE A TELFER
  • MEMBER
  • 3 POSTS
why will it not ever pull any codes up? it never works on any scanner tools.
Jul 17, 2019 at 6:10 PM (Merged)
Avatar
CARADIODOC
  • CERTIFIED EXPERT
  • 34,308 POSTS
Hi guys. Also consider a bad ground on the gas tank. That has been a real common problem on the smaller Blazers with steel tanks. One clue is the pump works okay for a while after the tank was removed. The ground for the pump is made through the straps that hold the tank on. To verify they are not making a good connection, connect a test light to a paint-free point on the body, then probe the side of the tank while a helper cranks the engine. Twelve volts only goes to the pump for one second after turning on the ignition switch, then again during engine rotation, (cranking or running). If the ground is bad, you'll find twelve volts right on the tank.

The fix for this is to drill a small hole through the flange joining the top and bottom halves, outside of the welded seam. Run a self-tapping screw into the hole, and connect a wire to it. Connect the other end of the wire to a screw in the body or frame rail. If that is not the cause of a dead pump, HMAC300 will continue on with the diagnosis.
Jul 17, 2019 at 6:10 PM (Merged)
Avatar
RAMSTAFF
  • MEMBER
  • 2 POSTS
i can start my vortec v-6, cmfi, with a good spray of starter fluid. it starts, then dies. if i quickly rev the engine to 3000 - 3500 rpm i can keep it running by feathering the throttle. What is happening?

i have replaced the fuel pump, have 54 psi
i have replaced the coil
i have replaced the battery

can you help me solve this?
Jul 17, 2019 at 6:10 PM (Merged)
Avatar
RASMATAZ
  • CERTIFIED EXPERT
  • 75,992 POSTS
Your fuel pressure is on the borderline-specs calls for: 55-61psi.

Try this clean out the idle air control valve and EGR valve and test the throttle position sensor-
Jul 17, 2019 at 6:10 PM (Merged)
Avatar
HMAC300
  • CERTIFIED EXPERT
  • 48,601 POSTS
if you have the new type scanner it will not work because it is obd2 and has sixteen ports for it to connect to not twelve or fourteen that is why they do not work. follow what CARADIODOC has said and get back to us. use a jumper wire between A and B to pull codes.
Jul 17, 2019 at 6:10 PM (Merged)
Avatar
RAMSTAFF
  • MEMBER
  • 2 POSTS
Thanks Raz. I will try these ideas before i replace the fuel pump, again.
Jul 17, 2019 at 6:10 PM (Merged)
Avatar
JOKER3342
  • MEMBER
  • 2 POSTS
Hello I hope you can help. I replaced the fuel pump. It ran for three day . Although after it was replaced it ran rough. When i would push the peddle to the ground it would decrease in speed and it would make a pop sound through the airfilter. Then just yesterday it stalled . I found out that the #6 spark plug was not hooked up . Now its hooked up and it still bogs when i push the peddle way down and wont stay started for very long and its hard to get started back up. It does have a code for the o2 sencor and there is a kink in the medal part of the return gas line for fuel pump housing that goes in the gas tank . I hope you can tell me what I should do next becouse im not sure . Thank You
Jul 17, 2019 at 6:10 PM (Merged)
Avatar
JACOBANDNICKOLAS
  • CERTIFIED EXPERT
  • 110,175 POSTS
If there is a kink in the return line, the fuel pressure regulator may not be able to releave enough fuel pressure from the system to the tank. As a result, you may be getting too much fuel to the cylenders. As far as the O2 sensor, it should be replaced. It too could cause a rough idle problem.

Now the cylender that wasn't running. Did you remove the plug? There is a good chance it is no good if you were driving it with it that way. You may want to replace them all if it has been a long time since the last tune up.

Let me know if you need instructions for anything I mentioned.

Joe
Jul 17, 2019 at 6:10 PM (Merged)
Avatar
JOKER3342
  • MEMBER
  • 2 POSTS
Ok I changed the 02 and still same problem. Still have the kink in the return line of the fuel sending unit . I talked to a friend he sent me to someone and said that its not starting when its hot. He also said it could be electrical but did not have the right tools to test it . So it does have a remote starter on it so I removed it . And I let the blazer sit in the drive for a half hour running never stalled out . Then I sat in it and put it reverse and game it some gas it seemed fine. Then put it in drive and the dome light would flash on and off and sometimes stay on . I was able to start three or for times but the samething everytime with the dome light then blazer stalling .
Do you have any clue ? Could it be still the kink in the sending unit ? Or something else to do with the electrical system ? Please let me know really need help !!
Thank You
Jul 17, 2019 at 6:10 PM (Merged)
Avatar
MARK PRESSLY
  • MEMBER
  • 1 POST
Engine Performance problem
1995 Chevy Blazer 6 cyl Four Wheel Drive Automatic 199.99 miles

I have replaced every thing ERG,Plugs ,Wires, Sensors for air and Fuel, Filters all, Fuel Pump, Computer, I have a perfect Idle and a Perfect High Speed But around town driving it acts likr its starving for fuel coughs spits Bucks and snorts. what else could it be timing EFI is working on low and high so idont think it would be that . Lost
Jul 17, 2019 at 6:10 PM (Merged)
Avatar
CYBERWOLPH
  • MEMBER
  • 4 POSTS
If its the 4.3 litre vortec with the CMFI (Central Multiport Fuel Injection) most likely its the CFI assembly (Central Fuel Injector sometimes referred to as the spider assembly), they are notorious for the plastic lines going from the single fuel injector, to the poppets, cracking and leaking, in turn spilling raw fuel directly into the intake. Also theres a Fuel Pressure Regulator attatched to the side of the CFI, it too can leak, causing extra gas in the intake.. And lastly there are 2 fuel return lines that supply the CFI assembly, they are also both plastic, and can crack sending yet more raw fuel into the intake.. If your lower end and upper end speeds are good, and it seems to start and stumble around 1800 - 2500 RPM,s thats usually what it is.. The computer is trying to compensate for the random fuel anomoly, hence the stumbleing and studdering.. This unit is underneath the upper intake manifold plenum.. The top piece of the engine, under the nifty little black vortec emblem on top of the engine. Theres a simple test to see if you have a leak somewhere in those components. Get yourself a Fuel Pressure Guage, Hook it up to the schrader valve, on the fuel line, found behind the intake plenum, between it and the firewall (usually a little cap on it that you have to screw off) making sure its nice and tight so it dont leak thats important.. Now with that all hooked up have an assistant go turn your ignition to ON, (NOT CRANKING THE ENGINE) that will charge the fuel line.. You should have around 60 +/- PSI initially.. Watch the guage, if the pressure starts to slowly drop after about 3-5 seconds (the fuel pump turns on initially with your ignition for about that long to charge the fuel line) then most likely you have a leak somewhere under the plenum in the CFI, Regulator, or fuel return lines.. Before you start the process of pulling off the upper intake plenum, you can take a quick look inside fairly easily.. If you loosen the 2 screws on the vortec emblem and take it off, you will see a round black unit, with a 2 wire connector hooked to it, thats the manifold tuning valve.. You can take out the 2 torx screws that hold it on, then gently pry it up a bit with a screwdriver (it is sealed in with an O-ring and sometimes its sticky after time) pull that out and look directly down into the plenum, with a small flashlight. You can see the fuel regulator (passenger side of vehicle) and the one injector of the CFI (drivers side), and some of the lines "spidering" from it.. Sometmes you can see if the regulator is spitting fuel this way.. Have an assistant turn the key forward to ON (DO NOT START OR CRANK) to prime the fuel line, you should hear the injector, and see if any fuel is spitting from around the regulator.. Sometimes you will see clean spots inside where the gas has been pooring out, washing away the carbon.. If you cant see anything from there, you will have to pull off the upper intake manifold (which you will have to do anyway to make the repair).. Usually around a 45 minute job or so, and not too terrible, then you will be able to see all of the lines. Inspect the regulator, all 6 of the lines coming from the injector to the poppets, and the two fuel return lines for leaks. Look for puddles of raw gas initially, if you have tried the pressure test immediately before this, Or for clean spots in the intake where gas has washed away carbon deposits. That will lead you in the area where the leak usually is.. If you dont see anything initially Have your assistant prime the lines again (may take a few times of turning the ignition to On, then Off again at 5 second or so intervals). Look at each line as the pump is charging the system, usually its fairly noticable, but sometimes its close to the intake wall, and you might not notice it readily.. But after enough priming and gas coming out you will see where its coming out at.. The regulator can be replaced indipendantly from the CFI, however the CFI can only be replaced as a unit, and will come with a new regulator. The fuel return liines usually come as a set and can be replaced indipendantly. Most parts stores have them all available, although internet prices are usually cheeper.. I have seen the CFI assembly as cheap as $180 and as much as $350, part alone no labor. Fuel regulator is usually about $40 +/-.. And the fuel return lines are usually about $60 +/-.. I hope this will get you somewhere, Good luck
Jul 17, 2019 at 6:10 PM (Merged)
Avatar
CYBERWOLPH
  • MEMBER
  • 4 POSTS
I went looking for some pictures to upload of the parts and such, and came across this article. Tells a lot about it, and even a couple of the same hints I suggested.. Hope this link works in the forums...

https://www.2carpros.com/articles/mitchell1eautorepair-car-repair-manuals

P.S. If you pick up a Haynes manual from a parts store, usually around $15, it will have the complete procedure for pulling the plenum if you have to, bolt patterns and torque specs and such.. With pictures..

And again I hope this helps you out, or maybe someone else in the future that reads this article..
Jul 17, 2019 at 6:10 PM (Merged)
Avatar
CHARD07
  • MEMBER
  • 3 POSTS
when replacing the fuel pump on this vehicle is rhere an access under the back seat or do i have to drop the tank.
Jul 17, 2019 at 6:10 PM (Merged)
Avatar
BMRFIXIT
  • CERTIFIED EXPERT
  • 19,053 POSTS
[quote:05d6f1e9d5="chard07"]Other Category problem
1995 Chevy Blazer 6 cyl Four Wheel Drive Automatic 195000 miles
----------------------------------------------------------------
when replacing the fuel pump on this vehicle is rhere an access under the back seat or do i have to drop the tank.[/quote:05d6f1e9d5]


you have to drop fuel tank down
so you can access
the fuel pump
make sure the sending unit in a good shape
and lines not corroded
because once u drop that tank you stuck
so line up the parts before
good luck
Jul 17, 2019 at 6:10 PM (Merged)
Avatar
95BLAZER
  • MEMBER
  • 1 POST
My Blazer was sputtering and died. I had a local shop look at it and they replaced the fuel filter and completed a tune-up. The Blazer runs fine, but now the fuel pump continues to run and is very noisy. This wasn't the case before the work was done. The shop has said it could be the fuel regulator or the pump may be going out. What could have caused this sudden problem?
Jul 17, 2019 at 6:10 PM (Merged)
Avatar
BLUELIGHTNIN6
  • CERTIFIED EXPERT
  • 16,542 POSTS
the fuel filter being clogged could have put a lot of strain on the fuel pump and caused it to start to fail.
Jul 17, 2019 at 6:10 PM (Merged)
Avatar
SPIEGELSTEVEN
  • MEMBER
  • 1 POST
I have a 1995 Chevy Blazer i have replaced the fuel pump recently also the fuel injectors i tuned it up a few months ago . I was driving down the hwy today and it started feeling like it was hesitating somewhat. When getting off hwy sitting at light it would not idle steady it would idle up then down. Then the Service engine light came on. Went to get my check cashed came out and had to put my foot on pedal to get it to start. Went into a store for 1 hour came out and it started ok and ran good for about a minutr and Service engine light lit back up. I also noticed the exhaust dont sound the same just a little louder. I say its the catelatic converter what do you all think it is?
Jul 17, 2019 at 6:11 PM (Merged)
Avatar
MHPAUTOS
  • CERTIFIED EXPERT
  • 31,937 POSTS
The cat may be running inefficiently due to a tune problem, get a full tune up first and see if that clears up these problems.

mark (mhpautos)
Jul 17, 2019 at 6:11 PM (Merged)