Friday, September 10th, 2021 AT 11:20 PM
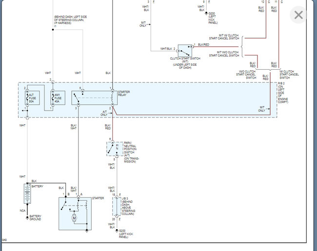
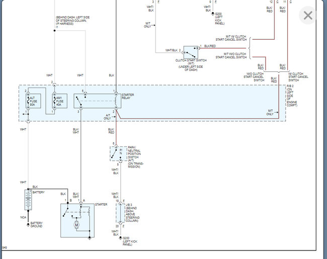
It just wouldn't start. I drove out of town shut it off and it wouldn't start. I popped the clutch and got it home. Was told the starter. Had it replaced. It started about five or six times after the starter was replaced and then nothing. It runs like a champ if you pop the clutch. I don't hear a click or anything when I try to start it. I had the battery checked and it was fine, old but fine. Any suggestions on where the problem could be?





