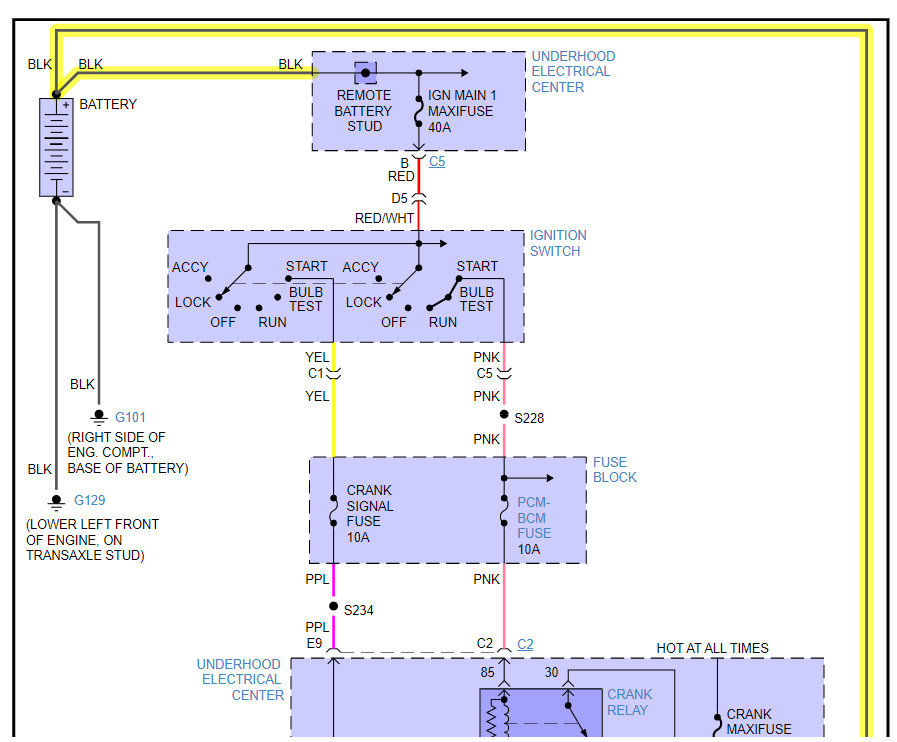
Tried replacing starter and ignition starter switch harness, swapped "crank" relays and fuses, then checked all fuses inside and out (instrument panel fuse panel and under hood fuse and relay box) that I could find. Also, cleaned all connections as I encountered them. I took pictures at every step only to find my phone camera had run out of storage shortly after starting tear down.
Lastly, I crawled under the starter and listened while the boss (wife) tried to crank and discovered the now even louder click/thump noise was coming from within the starter/solenoid. Would really appreciate any advice or help you could offer. I have read many informative related articles on your site, but most seem to be for a different year or model and I can't afford to just keep throwing parts ($) at this real stumper. Thank you
Wednesday, December 1st, 2021 AT 1:28 PM



