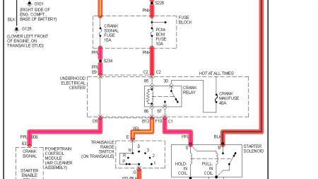
1997 Buick Century 6 cyl Front Wheel Drive Automatic? Miles
my 97 buick century will start only when it wants to. I go to turn the key and the car will not start. I put it in a garage and was told it was the ignition switch, that was replaced and one day to the week after getting it out of the garage the car is doing the same exact thing.
Thursday, August 14th, 2008 AT 1:17 PM


