Will not start If fuel is put in the carburetor it starts

Tiny
65CHEVYTHUNDER
  • MEMBER
  • 2001 NISSAN ALTIMA
  • 1.4L
  • 4 CYL
  • 2WD
  • AUTOMATIC
  • 19,000 MILES
If fuel is put in the carburetor it starts. Got fuel pressure. Put a test light, got power to the injector.
Wednesday, April 10th, 2019 AT 7:16 PM

3 Replies

Tiny
SCGRANTURISMO
  • MECHANIC
  • 4,897 POSTS
Hello,

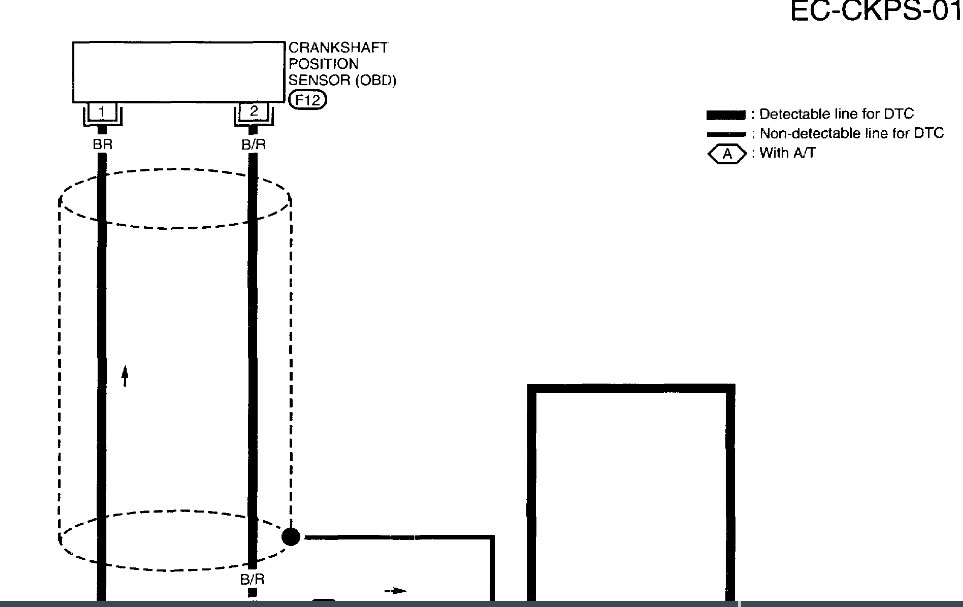
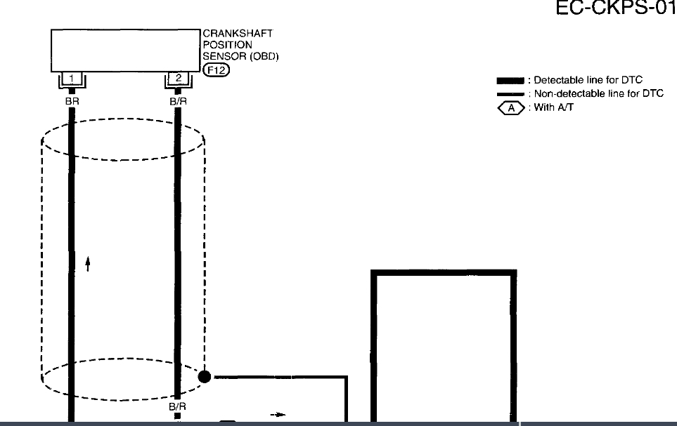
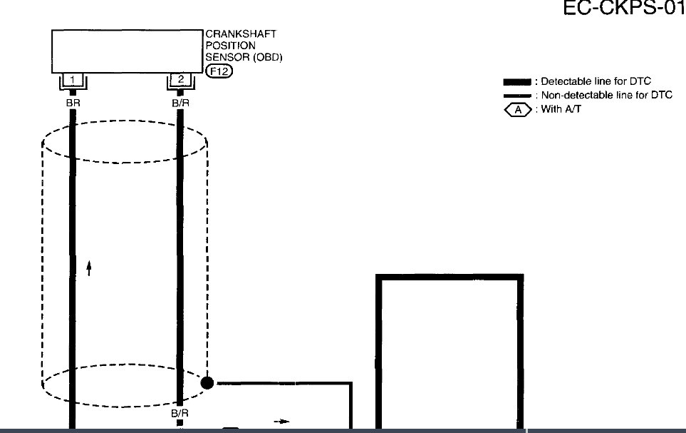
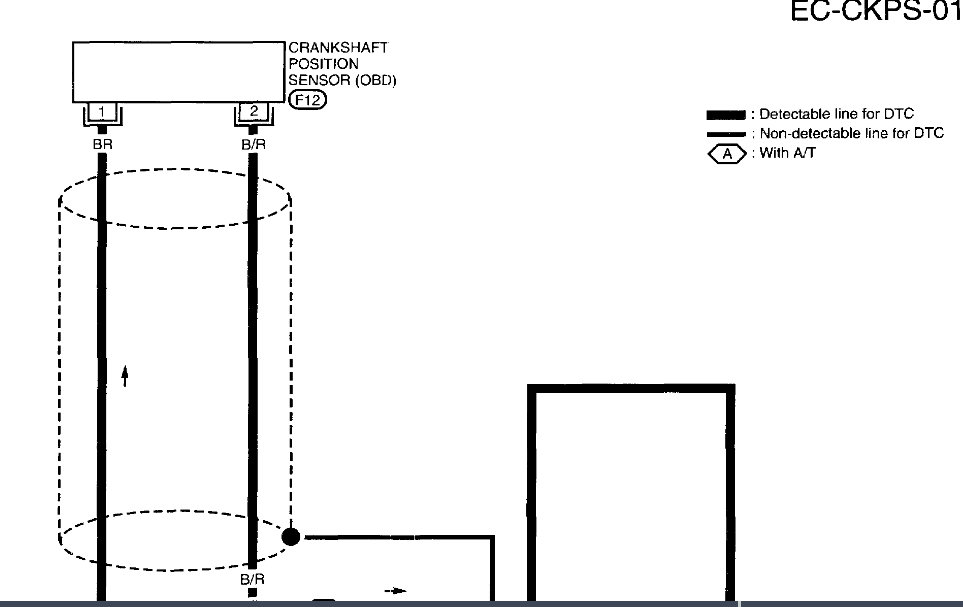
This could be a problem with your vehicle's Crankshaft Position Sensor (CKP). Your vehicle uses the signal from the CKP to determine the rotational speed of the crankshaft. It uses this information for engine speed and for misfire monitoring. If this sensor or it's associated wiring fails, your vehicle's Power-train Control Module (PCM) will not recognize the engine is turning over and will not send spark to the plugs. I have included a few links for you to go to below:

https://www.2carpros.com/articles/how-a-crank-shaft-angle-sensor-works
https://www.2carpros.com/articles/symptoms-of-a-bad-crankshaft-sensor
https://www.2carpros.com/articles/crankshaft-angle-sensor-replacement

I have also included some diagrams for your vehicle's CKP in the diagrams down below for you as well. Please go through these guides and get back to us with what you are able to find out please.

Thanks,
Alex
2CarPros
Was this
answer
helpful?
Yes
No
Sunday, April 25th, 2021 AT 1:58 PM
Tiny
65CHEVYTHUNDER
  • MEMBER
  • 3 POSTS
Okay, thank you. It was the injector relay.
Was this
answer
helpful?
Yes
No
Sunday, April 25th, 2021 AT 1:58 PM
Tiny
KEN L
  • MASTER CERTIFIED MECHANIC
  • 55,522 POSTS
Glad you could get it fixed, that kind of problem can be tough. Please use 2CarPros anytime we are here to help.
Was this
answer
helpful?
Yes
No
Sunday, April 25th, 2021 AT 1:58 PM

Please login or register to post a reply.