Engine wont start grinding sounds from under the hood?

Tiny
FENROY3
  • MEMBER
  • 2007 DODGE CHARGER
  • 3.5L
  • V6
  • AUTOMATIC
  • 250,000 MILES
I had a grinding sounds from under the hood, now the engine will not turn over?
Thursday, May 16th, 2019 AT 11:55 AM

1 Reply

Tiny
KASEKENNY
  • MECHANIC
  • 18,907 POSTS
This doesn't sound good. However, we need to start at the basics. Let's start with just turning the engine over by hand with a socket on the crank pulley bolt.

Basically, if the engine turns over by hand, then it is not locked up and we can take the next steps. However, if it doesn't then the engine is locked and needs to be rebuilt or replaced.

If the engine turns over by hand, then we need to check the starter operation.

There is a chance that this grinding noise was the starter not disengaging and it is now failed. Here are a couple guides that will help with this:

https://youtu.be/dCjmRL3p4Cs

https://www.2carpros.com/articles/starter-not-working-repair

Basically, the easiest way to check the operation of it is to check the voltage at the starter and make sure there is 12 volts on both wires when cranking the engine.

https://www.2carpros.com/articles/how-to-check-wiring

If you do, then we need to replace the starter.

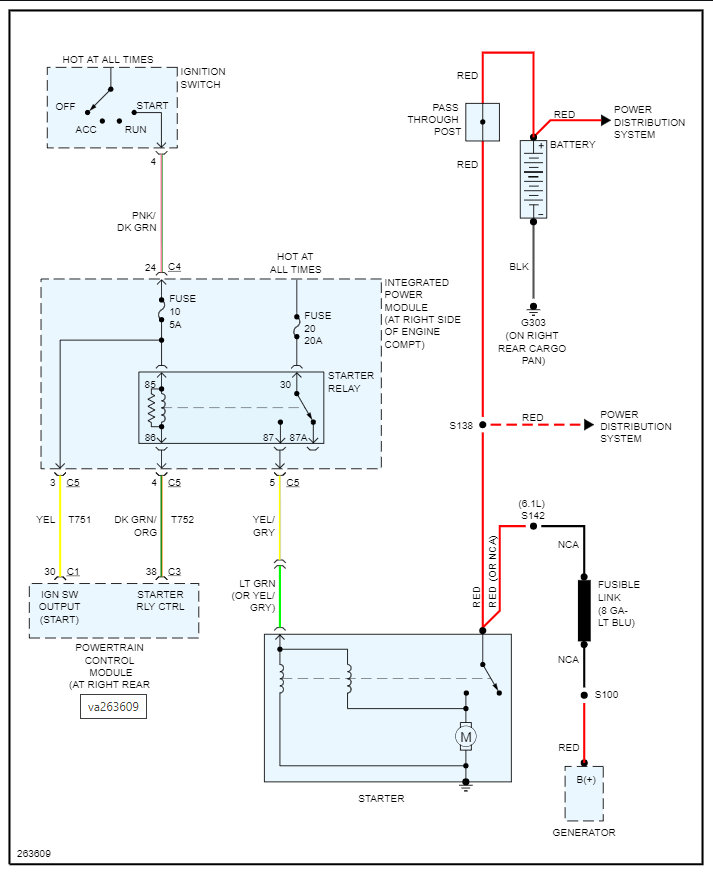
Below is the wiring diagram that will help with this. Please let us know what you find, and we can go from there. Thanks
Was this
answer
helpful?
Yes
No
Tuesday, November 2nd, 2021 AT 2:04 PM

Please login or register to post a reply.