HOME
ASK A QUESTION
REPAIR GUIDES
BECOME A MEMBER
LOG IN
Login with Facebook
OR
Remember me
NOT A MEMBER?
FORGOT PASSWORD?
CONTACT US
PRIVACY POLICY
TERMS AND CONDITIONS
☰
Home
Dodge
Charger
Engine
Symptoms
Not Running
Help me test the fuses? My car wont start?
STUDJUSRITE
MEMBER
2007 DODGE CHARGER
AUTOMATIC
I can find the fuse panel can you help me test the fuses? My car wont start
Sunday, August 10th, 2014 AT 12:34 PM
1 Reply
KASEKENNY
MECHANIC
18,907 POSTS
If you provide your VIN we can be sure that this is for how your vehicle is equipped.
However, here are some guides that will help with testing and replacing fuses and relays:
https://www.2carpros.com/articles/how-to-check-an-electrical-relay-and-wiring-control-circuit
https://www.2carpros.com/articles/how-to-check-a-car-fuse
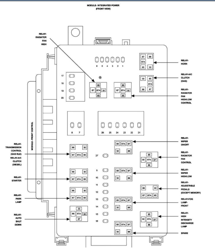
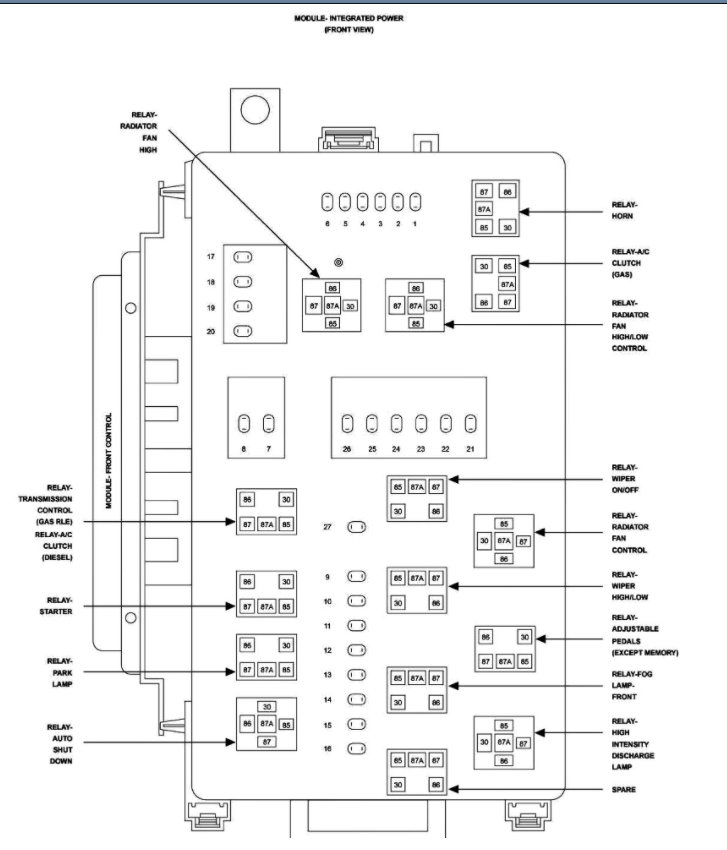
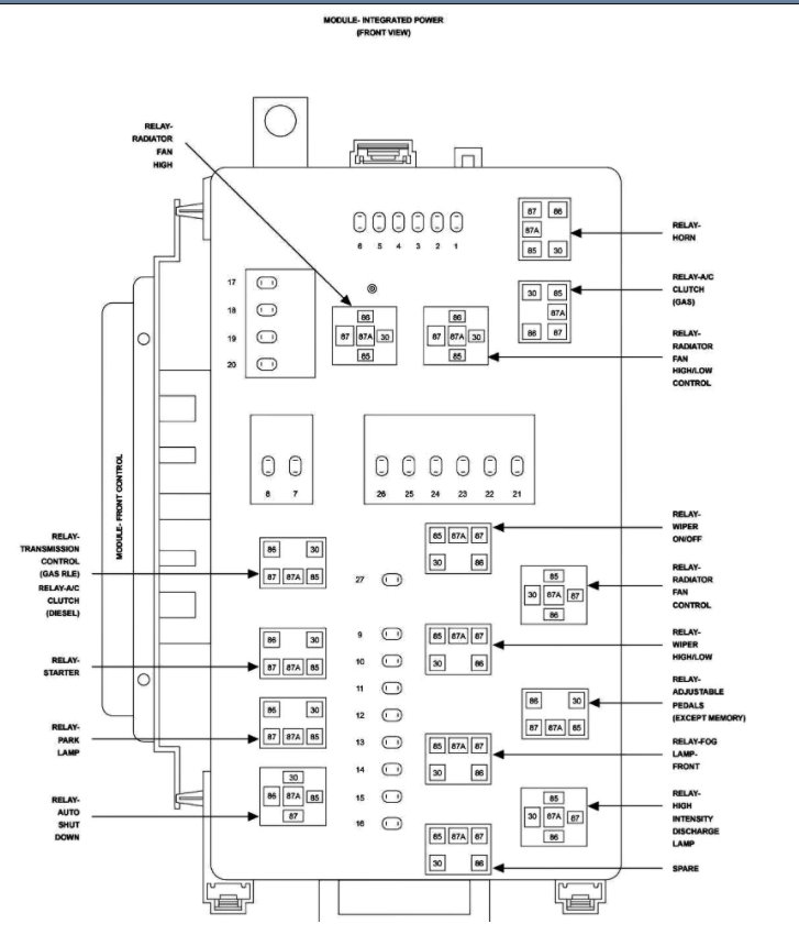
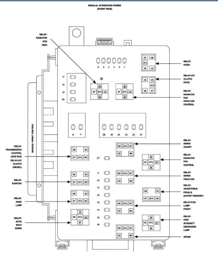
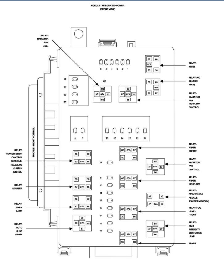
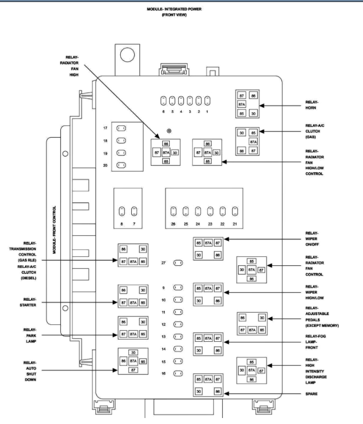
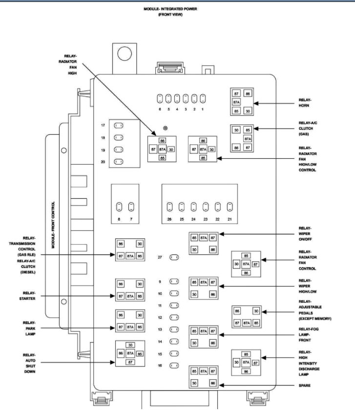
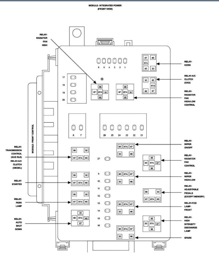
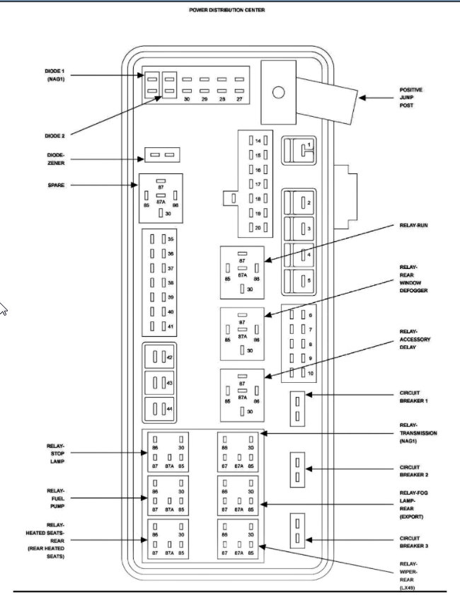
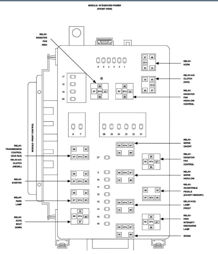
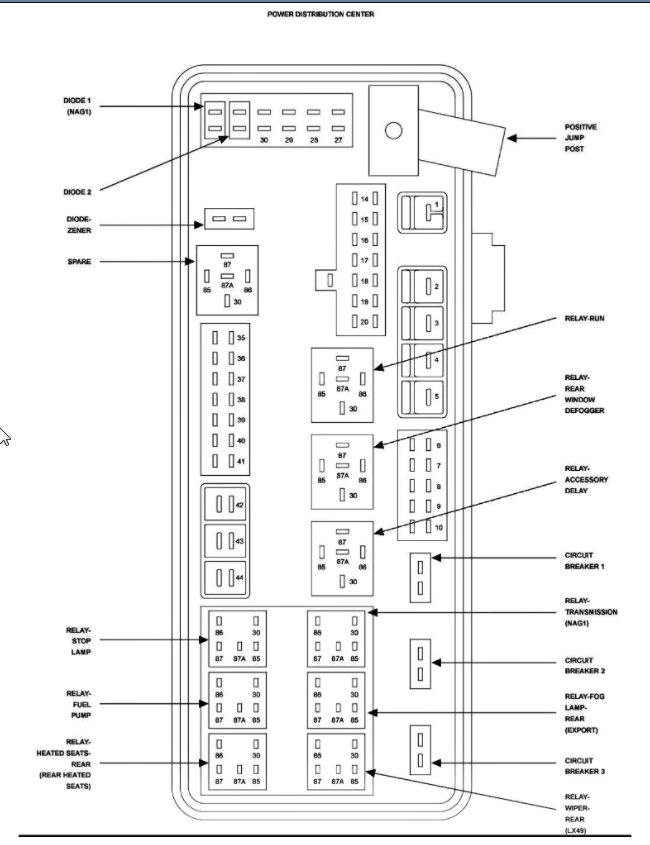
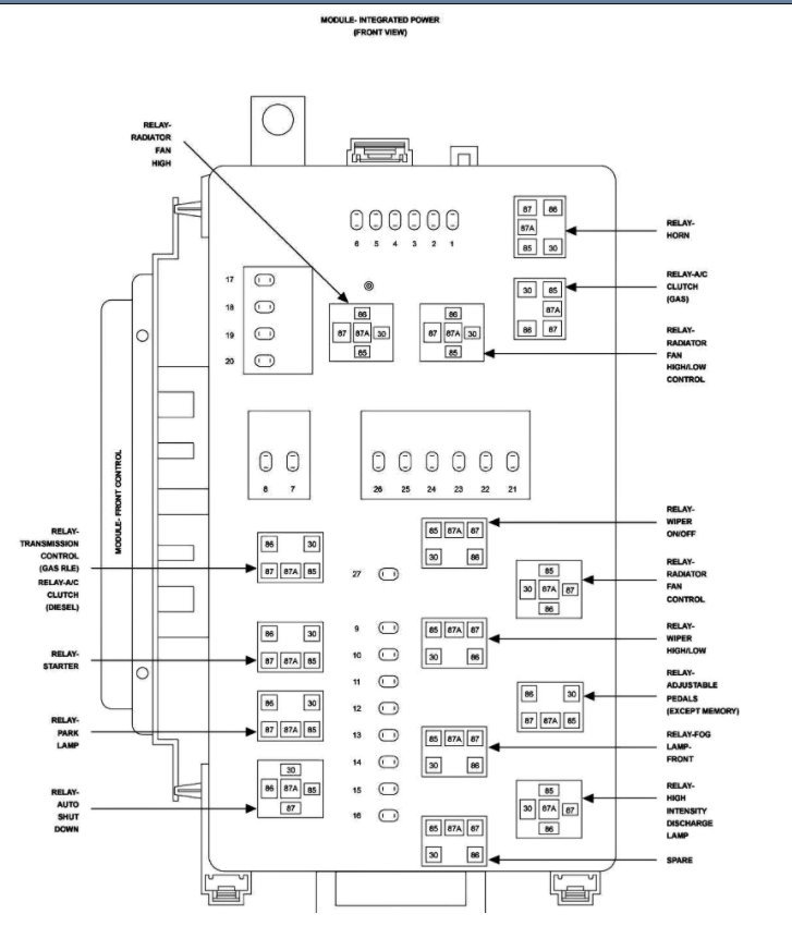
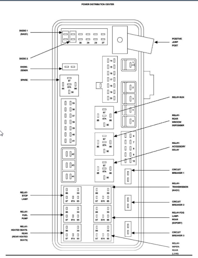
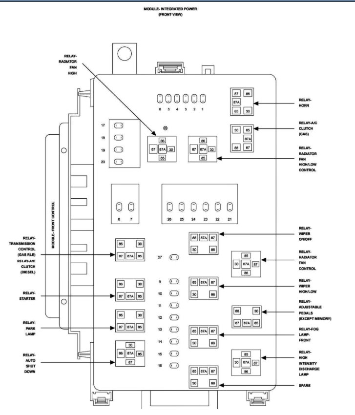
Below is the detail from the fuse boxes. Please run through this and let us know if you have other questions. Thanks
Images (Click to make bigger)
Was this
answer
helpful?
Yes
No
-1
Saturday, June 5th, 2021 AT 2:02 PM
Please
login
or
register
to post a reply.
Related Engine Not Running Content
I Went To Start My Car To Go To Work. It Cranked But...
A Few Days Ago I Went To Start My Car To Go To Work. It Cranked But Would Not Start, I Noticed My Fuel Light Was In And The Gauge Read...
Asked by
John Eakins
·
11 ANSWERS
2006
DODGE CHARGER
VIDEO
Car Cranking but Not Starting? Try This
Instructional repair video
GUIDE
Engine Not Starting
Over the past 20 years at 2CarPros we have identified the top problems that are easily fixed. This guide can save you a trip to the repair garage or calling a tow truck and...
Wont Start Just Put In A New Battery And A Alternator?
Just Put In A New Battery And A Alternator And Still Will Not Start The Engine, It Is Not Cranking Over?
Asked by
bmanagement391
·
1 ANSWER
5 IMAGES
2000
DODGE CHARGER
I Have A 2006 Dodge Charger Rt, Engine Won't Start
Purchase A Dodge Charger Rt In 2006 New, I've Never Had Any Work Done On The Vehicle Other Than Oil Changes And No Problems Out Of The Car...
Asked by
Better2012
·
7 ANSWERS
2006
DODGE CHARGER
2006 Dodge Charger Car Crank But No Start
The Car Cranks But Doesn't Start. But It Turns On When I Pump The Gas Multiple Times Then It Starts But I Need To Hold The Gas Pedal Or It...
Asked by
victormechanic
·
5 ANSWERS
2006
DODGE CHARGER
The Car Cranks And Cranks But Wont Run?
The Car Cranks And Cranks But Wont Turn Over. It Was Doing This Last Night And I Messed With The Battery A Little Bit And It Started. This...
Asked by
Nick Dilworth
·
1 ANSWER
2012
DODGE CHARGER
VIEW MORE
Ask a Car Question. It's Free!
Car Cranking but Not Starting? Try This
How to fix an engine that wont start
Crankshaft Sensor Replacement