Engine shut off and will not start

Tiny
NORMECHA
  • MEMBER
  • 2008 DODGE AVENGER
  • AUTOMATIC
  • 200,000 MILES
Car shut off, got a boost, drove home and it hasn't started since. When I get a boost, it still will not start, it makes a constant cranking sound but never start. After disconnecting jumping cables and trying to crank it, it makes a clicking sound, then the battery eventually drains again. I have no idea what to do. I've been told my battery is good. What could it be?
Wednesday, February 10th, 2021 AT 7:35 AM

3 Replies

Tiny
ASEMASTER6371
  • MECHANIC
  • 52,796 POSTS
Good morning,

No, your battery is not good if you have to jump-start the car.

Start with charging the battery back to 12.6 volts. Then see if it starts. If it does, check the voltage at the battery with the engine running to be sure the alternator is charging the battery.

https://www.2carpros.com/articles/how-to-charge-your-car-battery

https://www.2carpros.com/articles/how-to-check-a-car-alternator

I attached a wiring diagram of the starting and charging system for your view in case the charging system is not working.

https://www.2carpros.com/articles/how-to-check-wiring

Roy
Was this
answer
helpful?
Yes
No
Wednesday, February 10th, 2021 AT 8:00 AM
Tiny
NORMECHA
  • MEMBER
  • 2 POSTS
I had the battery tested and he stated it was good which I have a warranty for it so I'll get it replaced, I've had it only a year. When trying to crank the car, if I tap the gas to help get it going, it immediately shuts down. Also, my passenger window stopped working the same day.
Was this
answer
helpful?
Yes
No
Wednesday, February 10th, 2021 AT 8:11 AM
Tiny
ASEMASTER6371
  • MECHANIC
  • 52,796 POSTS
You need to replace the battery and then check the charging system to verify the alternator is working.

https://www.2carpros.com/articles/how-to-replace-a-car-battery

Roy

REMOVAL

WARNING:
To protect the hands from battery acid, a suitable pair of heavy duty rubber gloves should be worn when removing or servicing a battery. Safety glasses also should be worn.

WARNING: Remove metallic jewelry to avoid injury by accidental arcing of battery current.

imageOpen In New TabZoom/Print

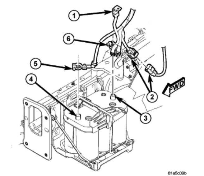
CAUTION: The negative battery cable remote terminal (2) must be disconnected and isolated from the remote battery post (1) prior to service of the vehicle electrical systems. The negative battery cable remote terminal can be isolated by using the supplied isolation hole (3) in the terminal casing.

imageOpen In New TabZoom/Print

NOTE: Diesel battery shown, gasoline battery similar.

1. Disconnect and isolate the negative battery cable remote terminal from the remote battery post.
2. Raise vehicle on hoist, See: Maintenance.
3. Remove the left front wheel and tire assembly.
4. Remove the forward, front wheelhouse splash shield, See: Front Fender Liner > Removal and Replacement > Front Wheelhouse Splash Shield - Removal.
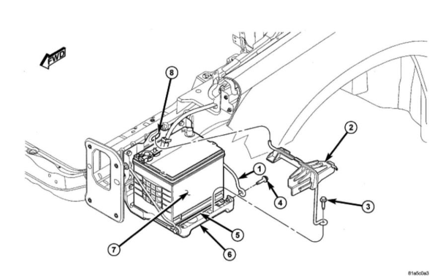
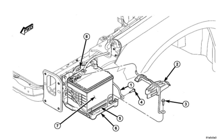
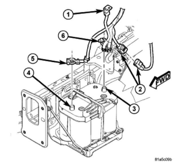
5. Loosen the pinch clamp bolt and remove the battery positive cable clamp (6) from the battery positive post (3).

imageOpen In New TabZoom/Print

6. Remove the lower battery tray support bolt (4). Loosen the upper support bolt and allow the support (1) to swing down out of the way.
7. Remove the battery hold down bolt (3).
8. Rotate the battery hold down rod rearward and disengage it from the mounting slot in the battery tray (8). Remove the battery hold down (2).

imageOpen In New TabZoom/Print

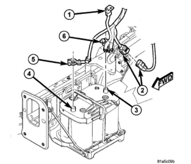
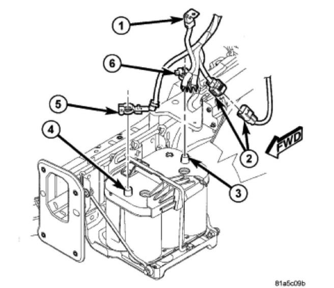
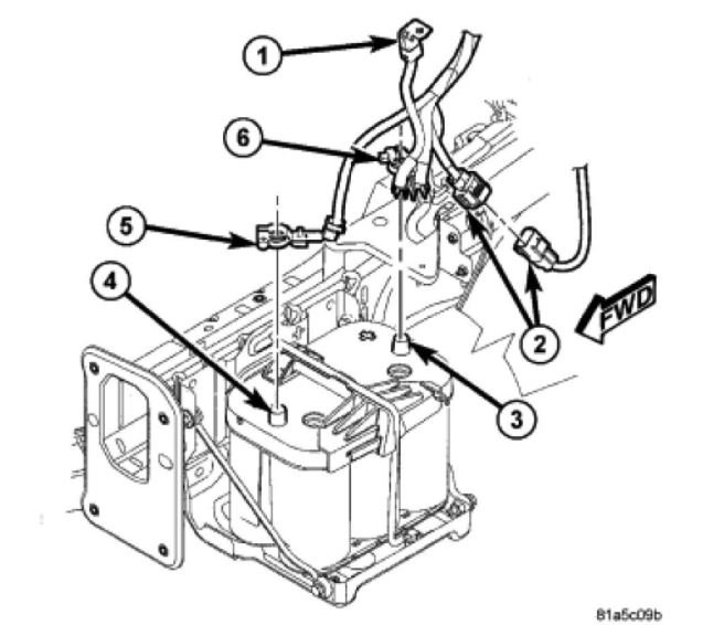
CAUTION: Properly support the battery at all times while removing the battery negative cable.

9. Partially remove the battery (2) from the battery tray (3) by sliding it rearward.
10. Loosen the pinch clamp bolt and remove the battery negative cable clamp (4) from the battery negative post.
11. Remove the battery (2) from the vehicle.
Was this
answer
helpful?
Yes
No
Wednesday, February 10th, 2021 AT 8:17 AM

Please login or register to post a reply.