Will not start?

Tiny
CAMBOSS78
  • MEMBER
  • 2004 PONTIAC GRAND PRIX
  • 3.8L
  • 6 CYL
  • TURBO
  • 2WD
  • AUTOMATIC
  • 264,000 MILES
Put a new wiring harness in and a new throttle body plate. And tried four different starters. Oh, and a new computer. I was trying to jump the starter and the radio came on. But it won't start the car. It does not even click. Could it possibly be the starter or bad connection?
Sunday, November 12th, 2023 AT 11:44 AM

1 Reply

Tiny
JACOBANDNICKOLAS
  • MECHANIC
  • 110,194 POSTS
Hi,

When you say that you tried jumping the starter and the radio turned on, where were you jumping it? Was it in the relay box or right at the starter motor? If it was at the starter itself and nothing happened, either you have a dead battery, no connection between the battery and the starter stud, or the starter is faulty.

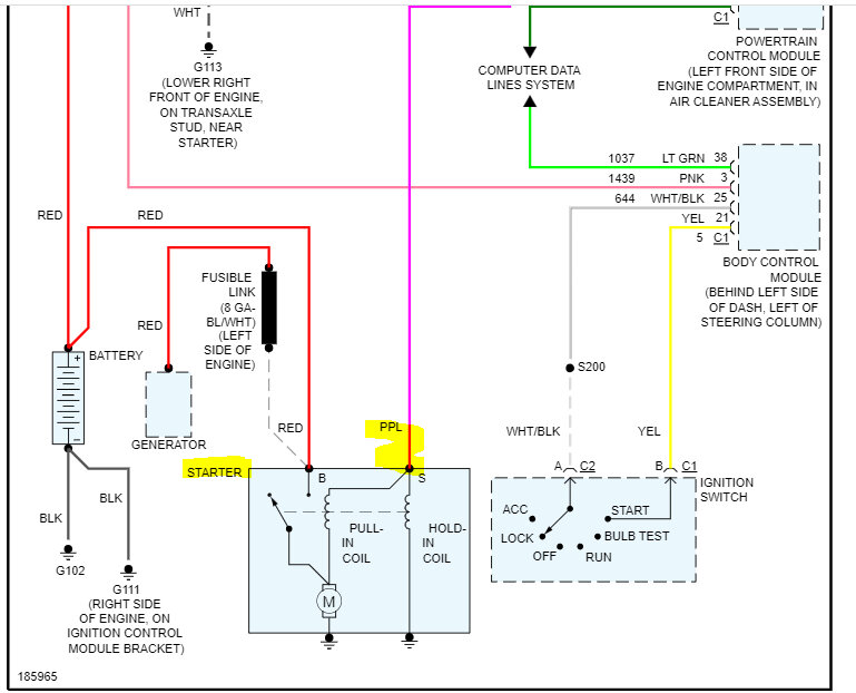
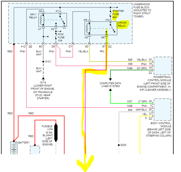
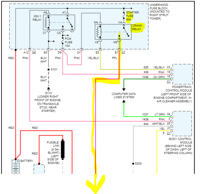
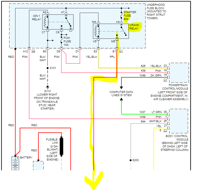
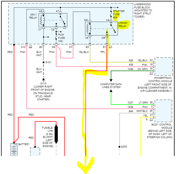
I attached the wiring schematic below for the circuit so that you have a reference.

At the starter, there will be a heavy gauge red wire that has battery voltage at all times. Confirm that this is the case.

There is also a smaller gauge purple wire that won't have power to it until the key is in the start position. Have a helper turn the key to start and check the purple wire for power.

Let me know what you find,

Take care,

joe

See pics below.
Was this
answer
helpful?
Yes
No
Sunday, November 12th, 2023 AT 8:57 PM

Please login or register to post a reply.