Saturday, May 25th, 2024 AT 6:10 PM
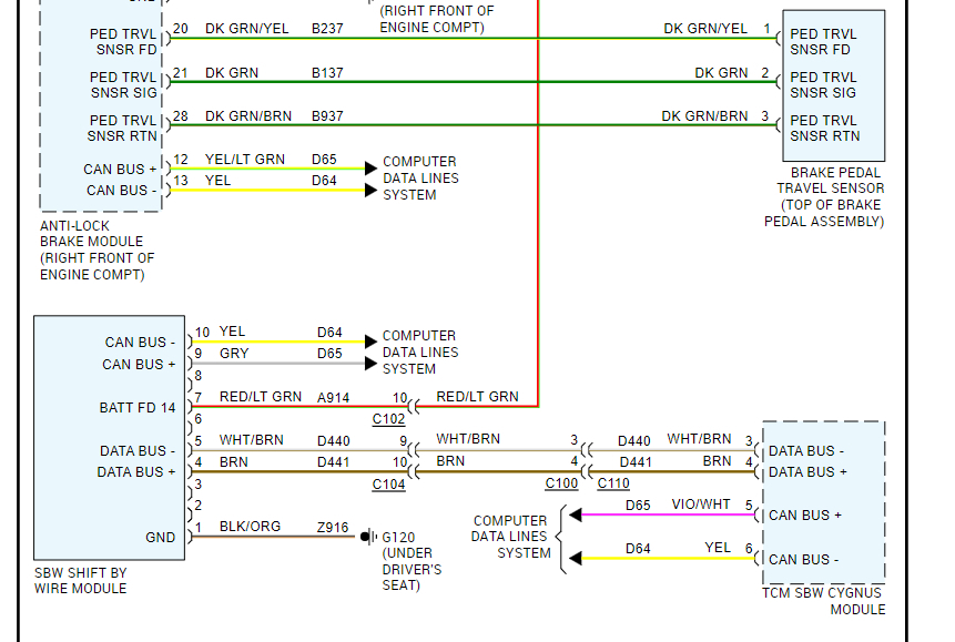
The console shifter won't move when the car is running. It will move but not shift into any gear when not running. Under a storage tray to the right of the shifter is an orange pull strap the controls a lever. I thought it was the shifter override, but it doesn't appear to be. Is there another shifter override in front of the console shifter. The knob is held on with a torx screw, so I wasn't able to remove it when I went to check the situation out. I did confirm that the shift cable was attached to the transmission linkage, but I didn't try shifting the transmission at the linkage yet. The instrument cluster dropped out but the fuse in the truck is good. I couldn't find any designated under the hood to the instrument cluster. I'm not sure if the two issues are related or if we're looking at a BCM or ECM issue. I will get the shift knob off and the cover plate so I can see if the cable is connected to the shifter. What would be causing the shifter to be locked? I look forward to your response, right now the car is stuck where it is. It does start and idle fine.



















