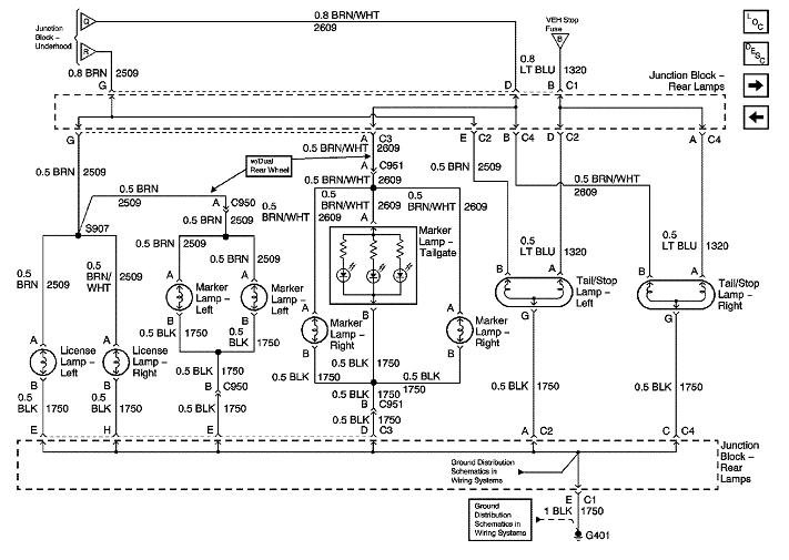
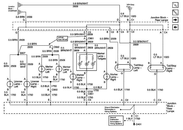
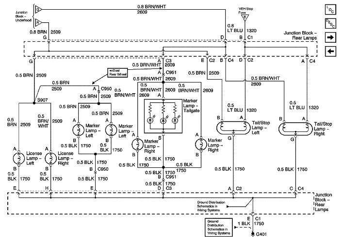
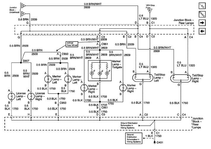
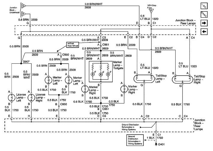
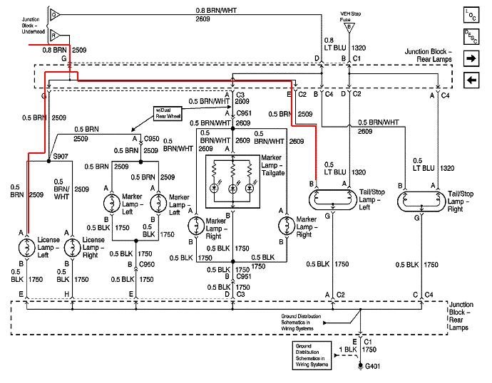
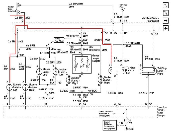
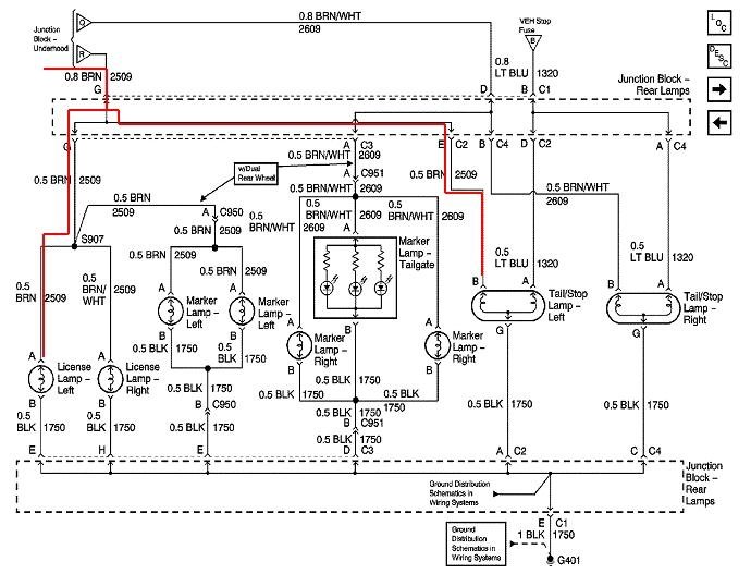
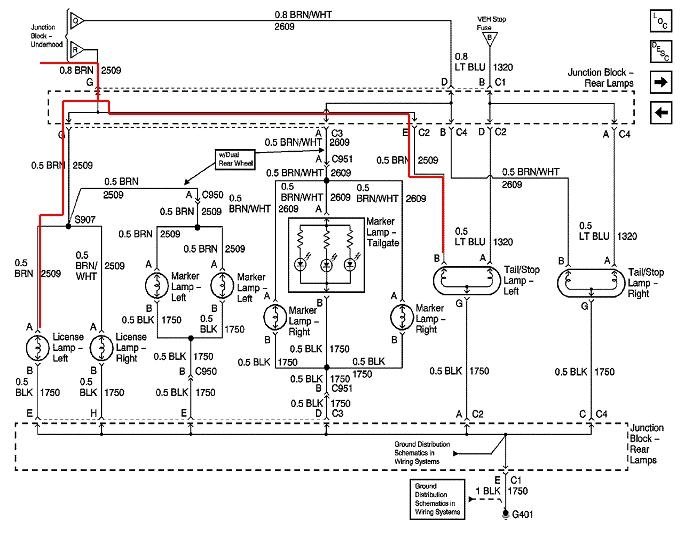
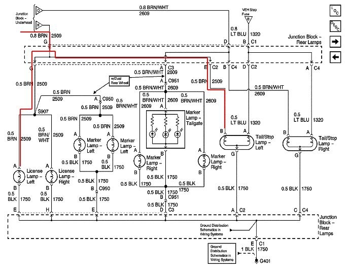
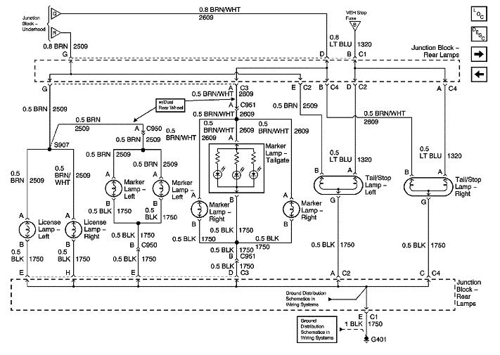
Sunday, November 10th, 2019 AT 8:38 AM
I went to replace my license plate light and think it shorted out while I was prying out busted bulb. Now the tag lights don’t work with new bulbs and left tail light does not come on with the running lights. Left brake light comes on when you apply brake and left turn signal works also. Just does not come on running and tag lights don’t work.






