Monday, April 20th, 2020 AT 2:12 PM
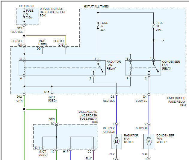
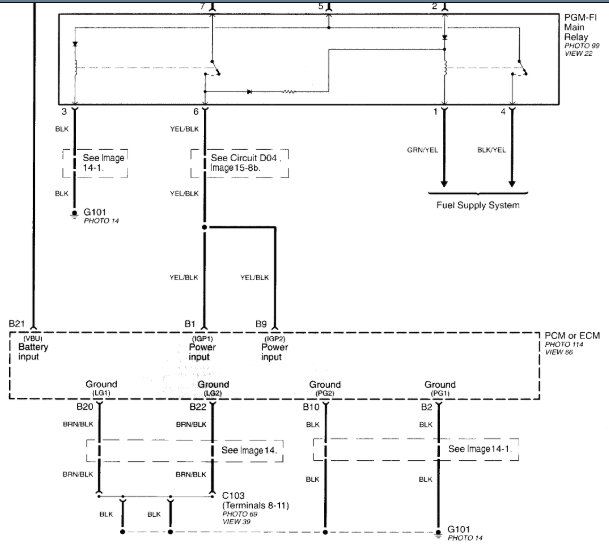
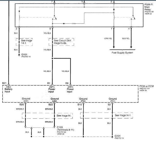
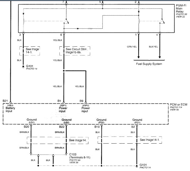
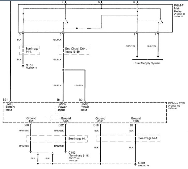
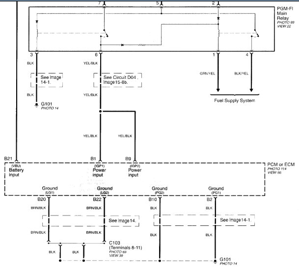
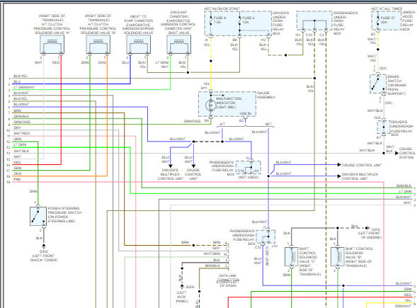
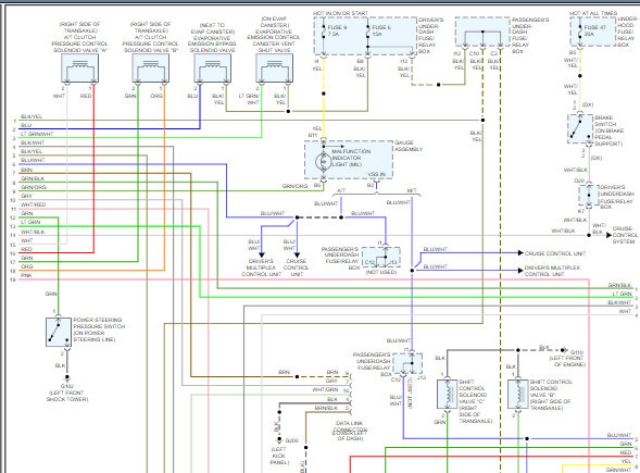
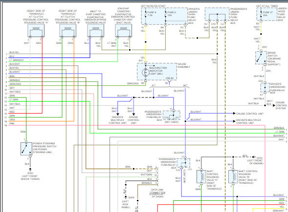
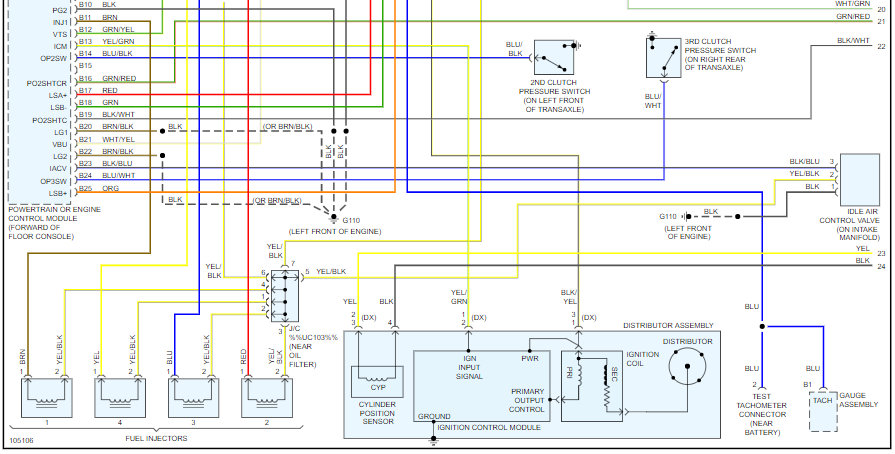
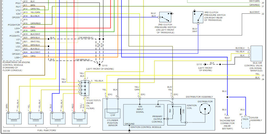
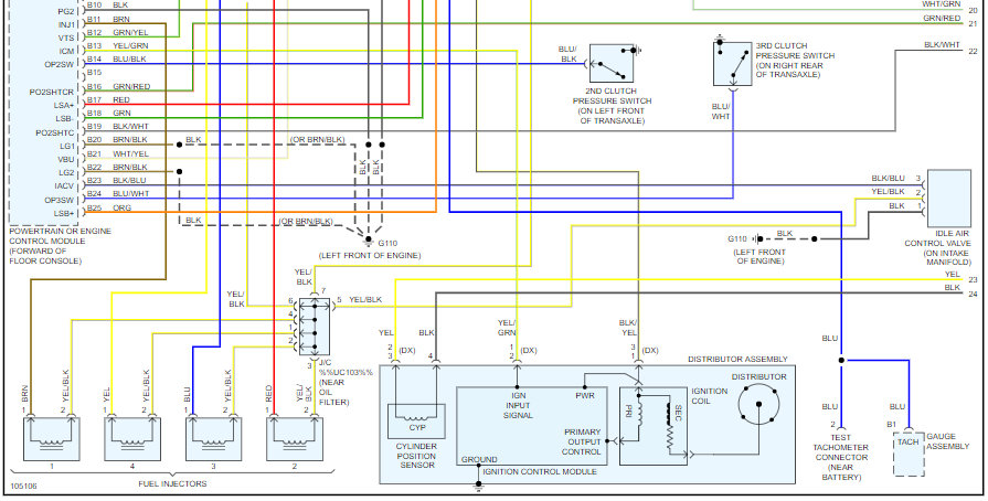
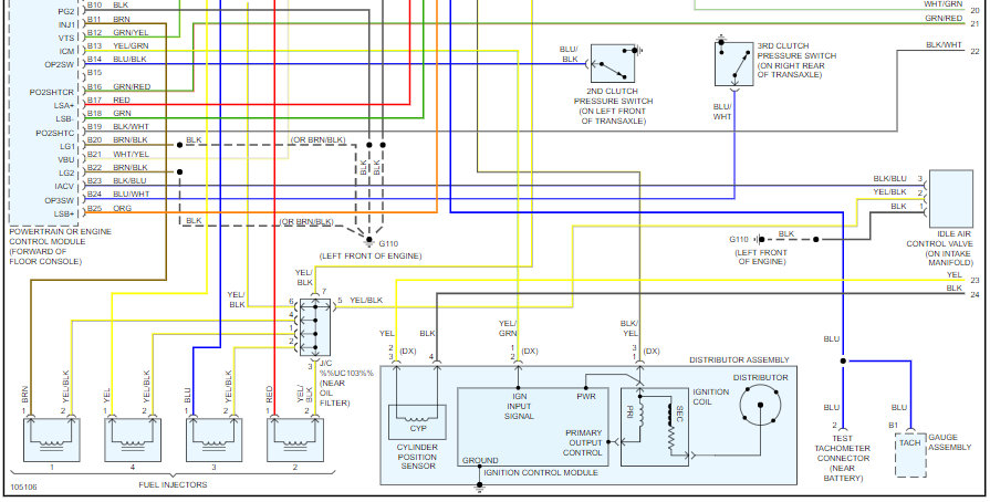
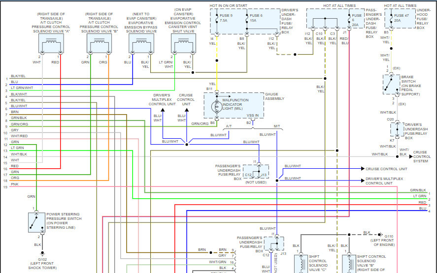
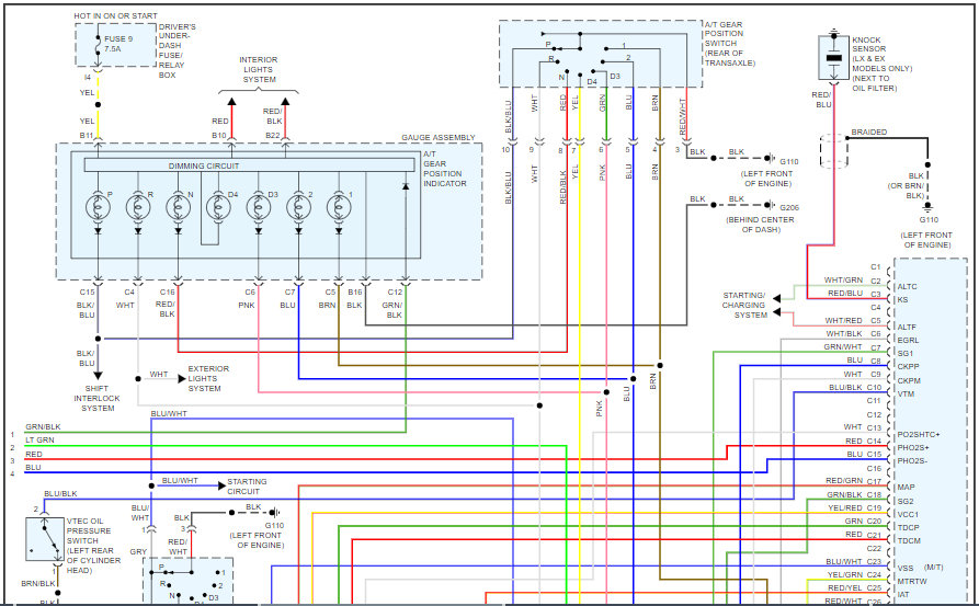
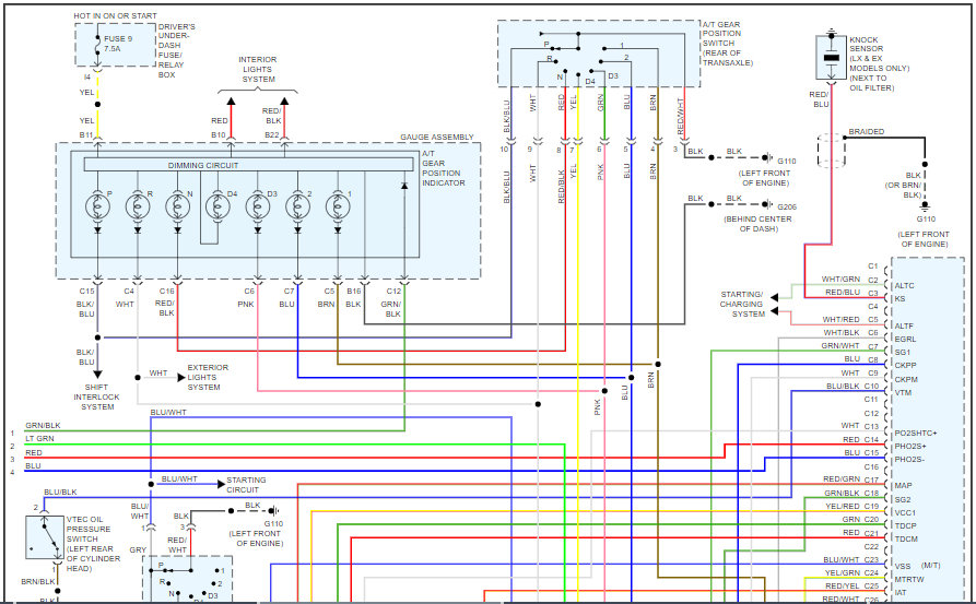
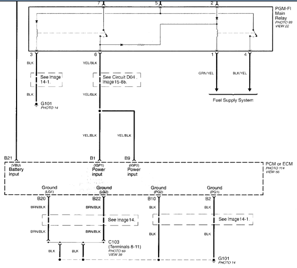
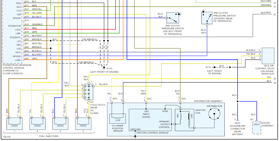
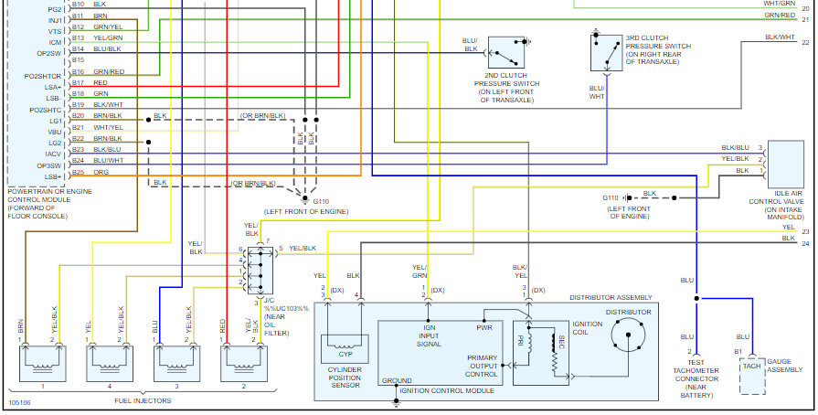
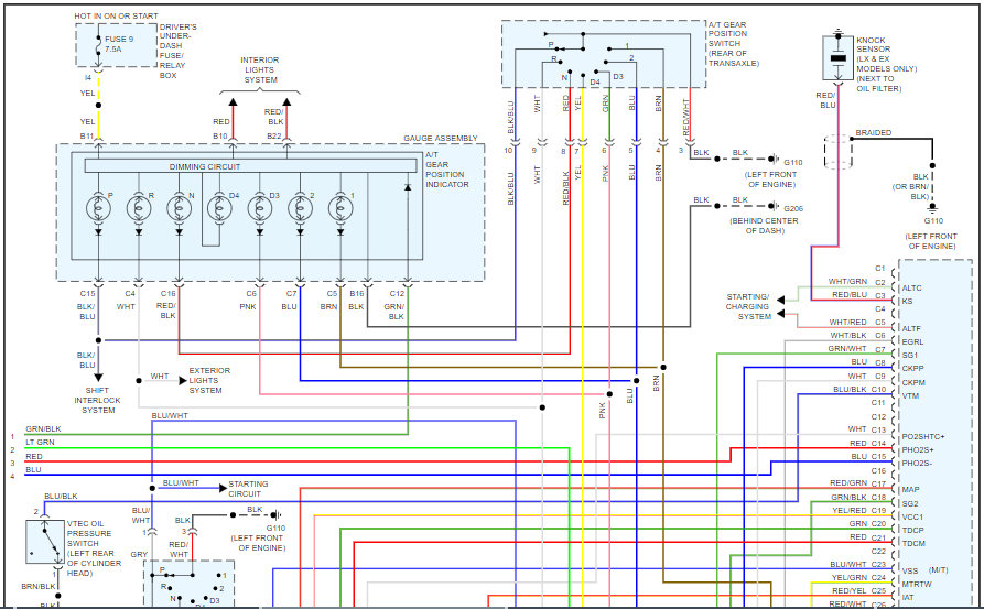
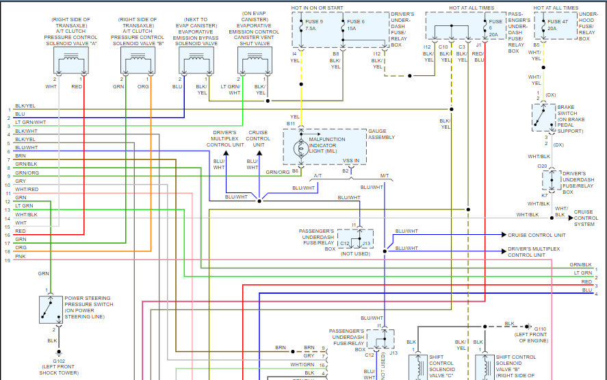
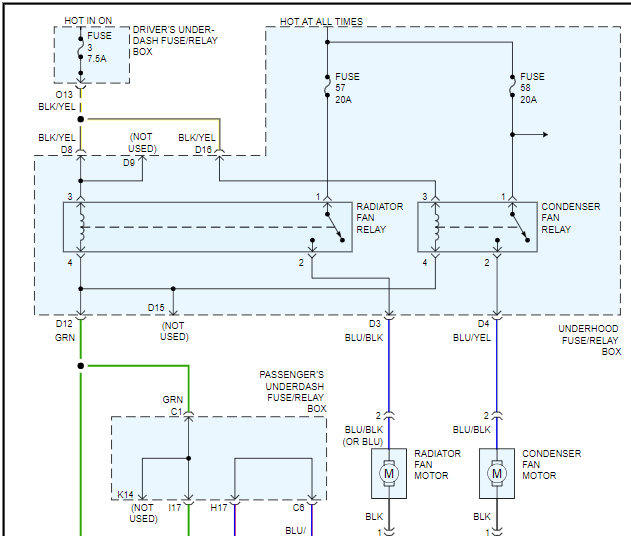
Hello guys. When ignition key is turned to "run" I am getting engine cooling fans on [high] and fuel pump not priming. Can I get the Engine Cooling Fans and Engine Management wiring diagrams please? Thank you.



















