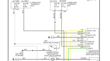
1995 Honda Accord 4 cyl Front Wheel Drive Automatic
I have a 95 accord ex and for about the past 6 months the radiator fan to the left turns on at night or when the weather is cool. This kills my battery. Me and my step dad have checked all 3 sensors the run to the fan and all of them work. The fuse that runs part of the cooling system works, and I have take this fuse out everyday when im home so the fan doesnt turn on. The only thing that we could come to believe is that there is a short in the wiring. We think this cuz the fan only turns on when its cool outside. My hayes honda accord book doesnt have this part of the wiring system. SOMEONE PLEASE HELP ME!
Tuesday, July 29th, 2008 AT 12:16 AM


