Can I get a wiring diagram roof courtesy light and remote control?

Tiny
LOUD PELLETIER
  • MEMBER
  • 2003 CHEVROLET SILVERADO
  • 8.1L
  • V8
  • 4WD
  • AUTOMATIC
  • 155,000 MILES
Hello, I would like to have the wiring diagram of the courtesy lamp of the roof and the dome light for the truck listed above and the wiring diagram of the remote control for the door lock and the alarm system. And also the wiring diagram of the roof light. Truck is an HD.
Friday, September 17th, 2021 AT 6:09 AM

1 Reply

Tiny
JACOBANDNICKOLAS
  • MECHANIC
  • 110,192 POSTS
Hi,

It sounds like you have your hands full. Just to confirm, is this a 2500? That is what I got the schematics from. The 8.1 isn't offered in the 1500.

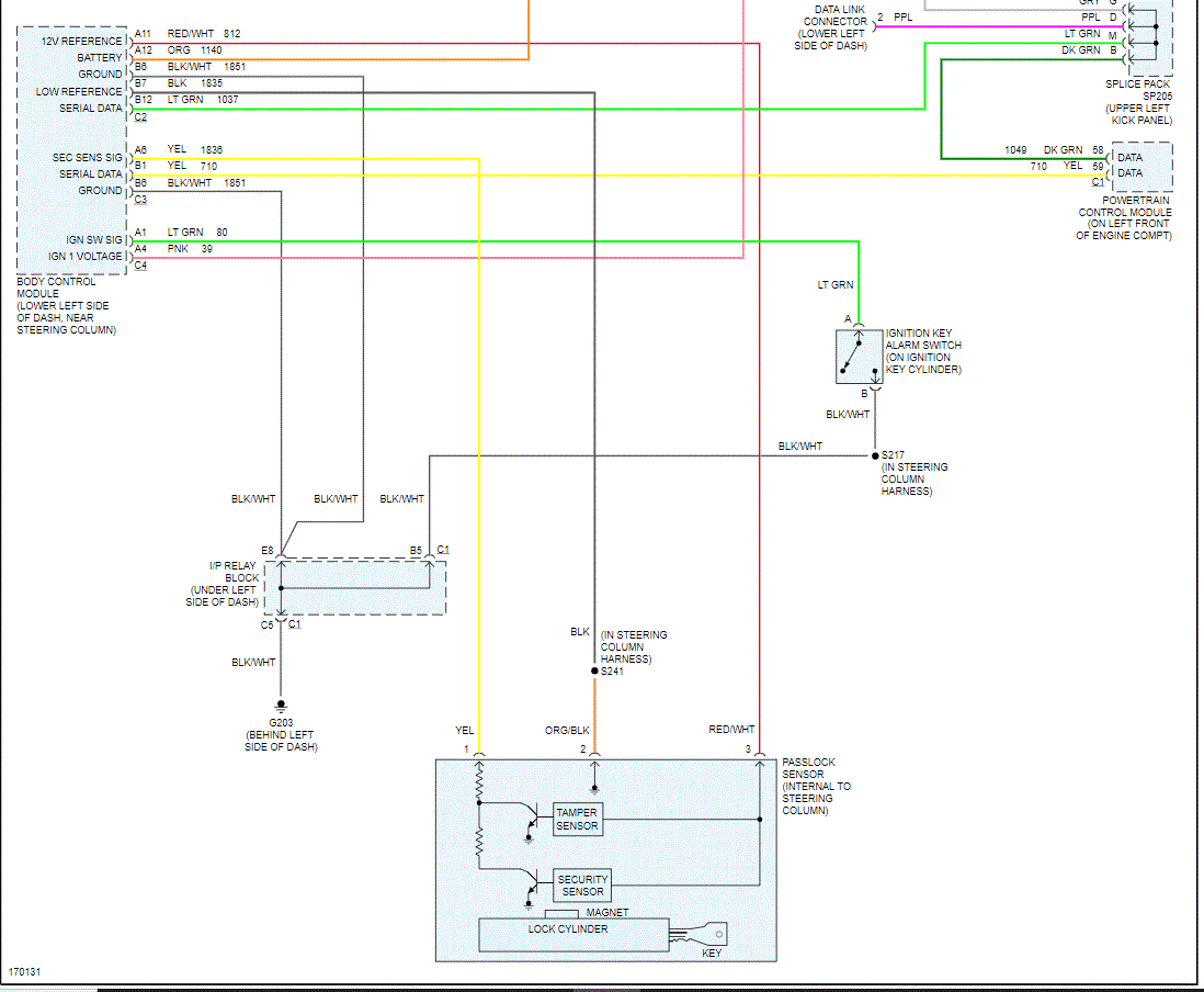
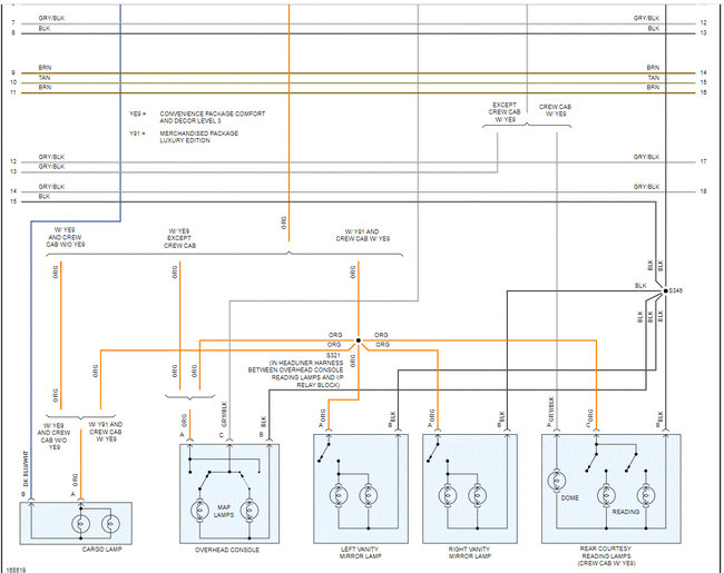
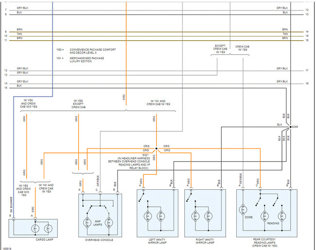
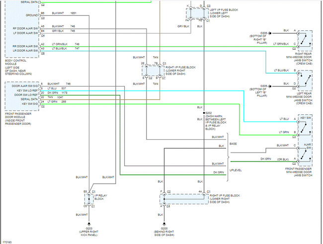
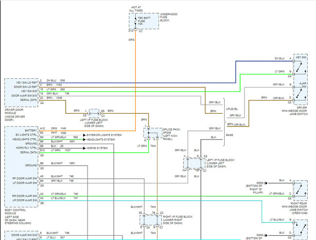
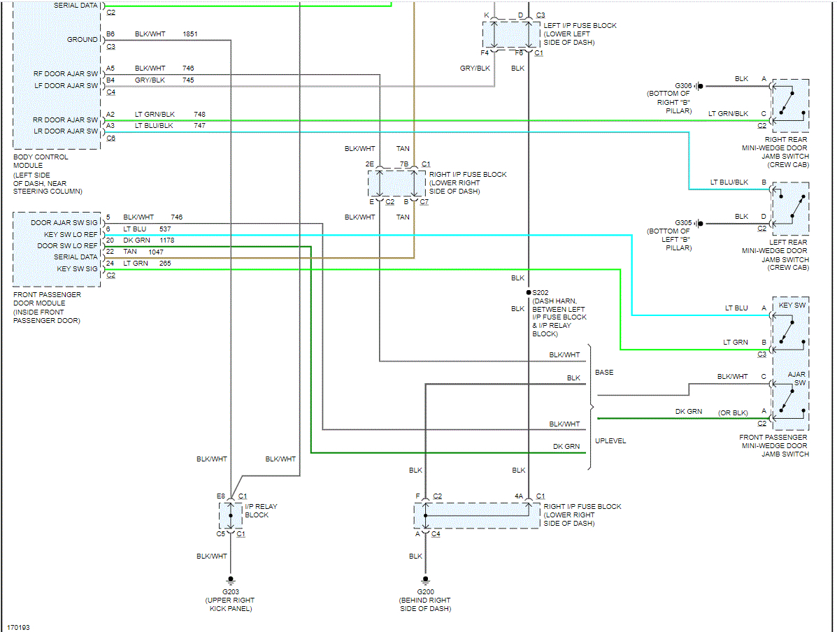
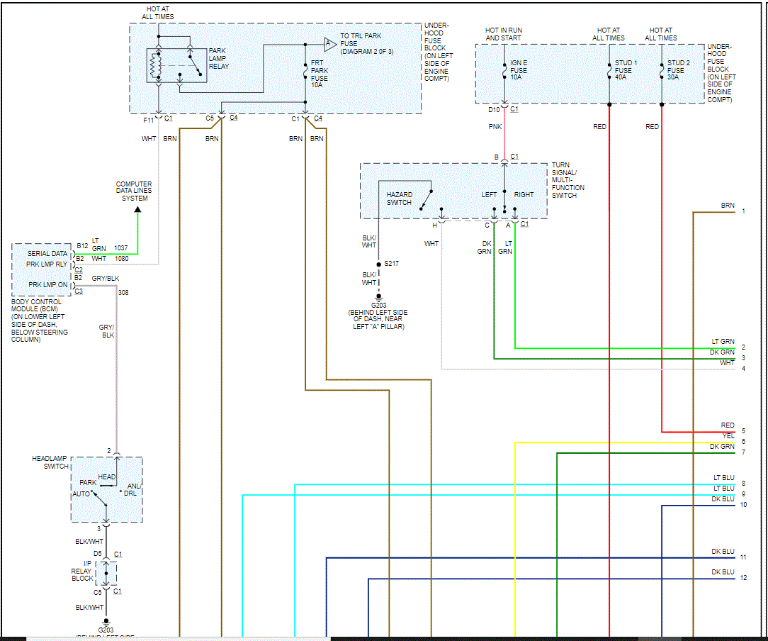
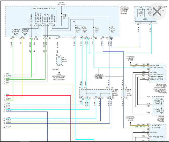
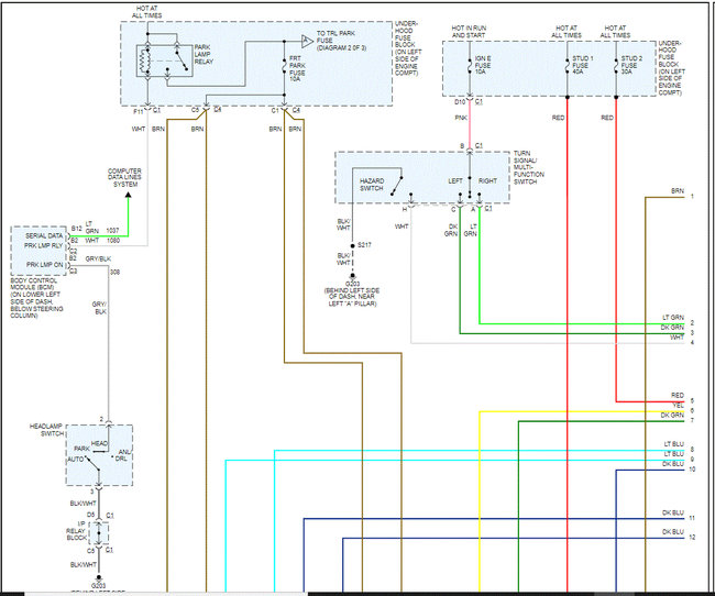
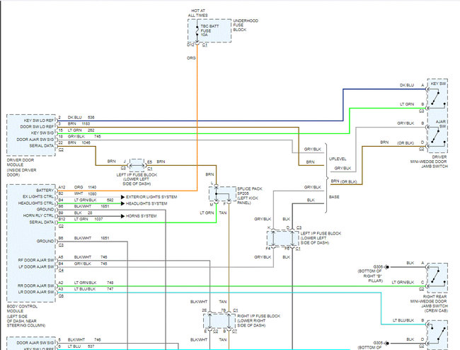
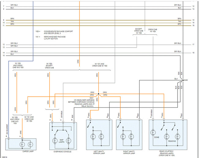
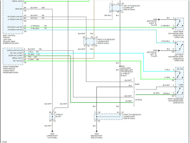
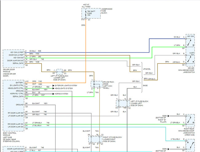
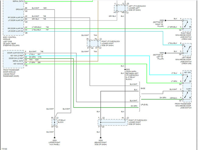
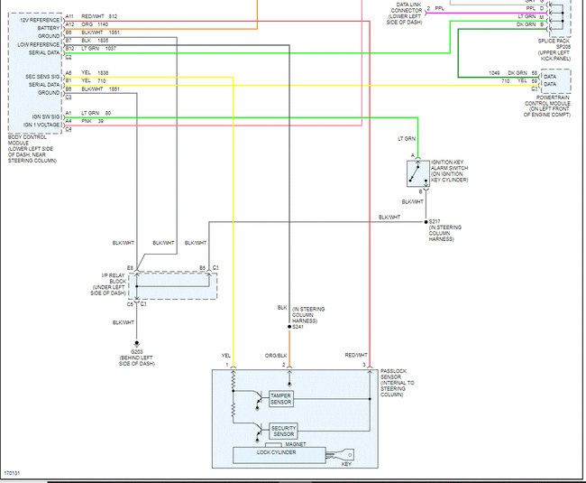
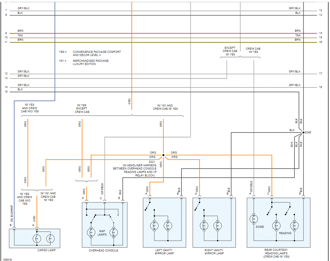
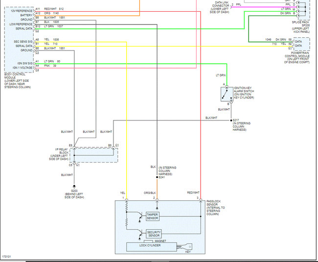
As far as the schematics, the first six pics below are for the courtesy lights. Note that I had to cut each of the pics in half to make them readable for you. However, I did overlap them so you can follow from one to the next.

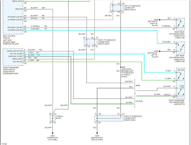
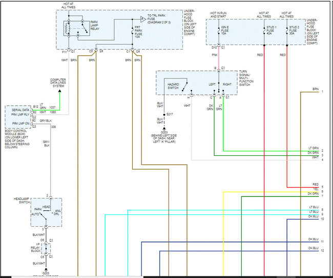
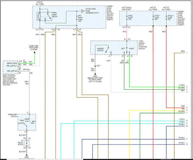
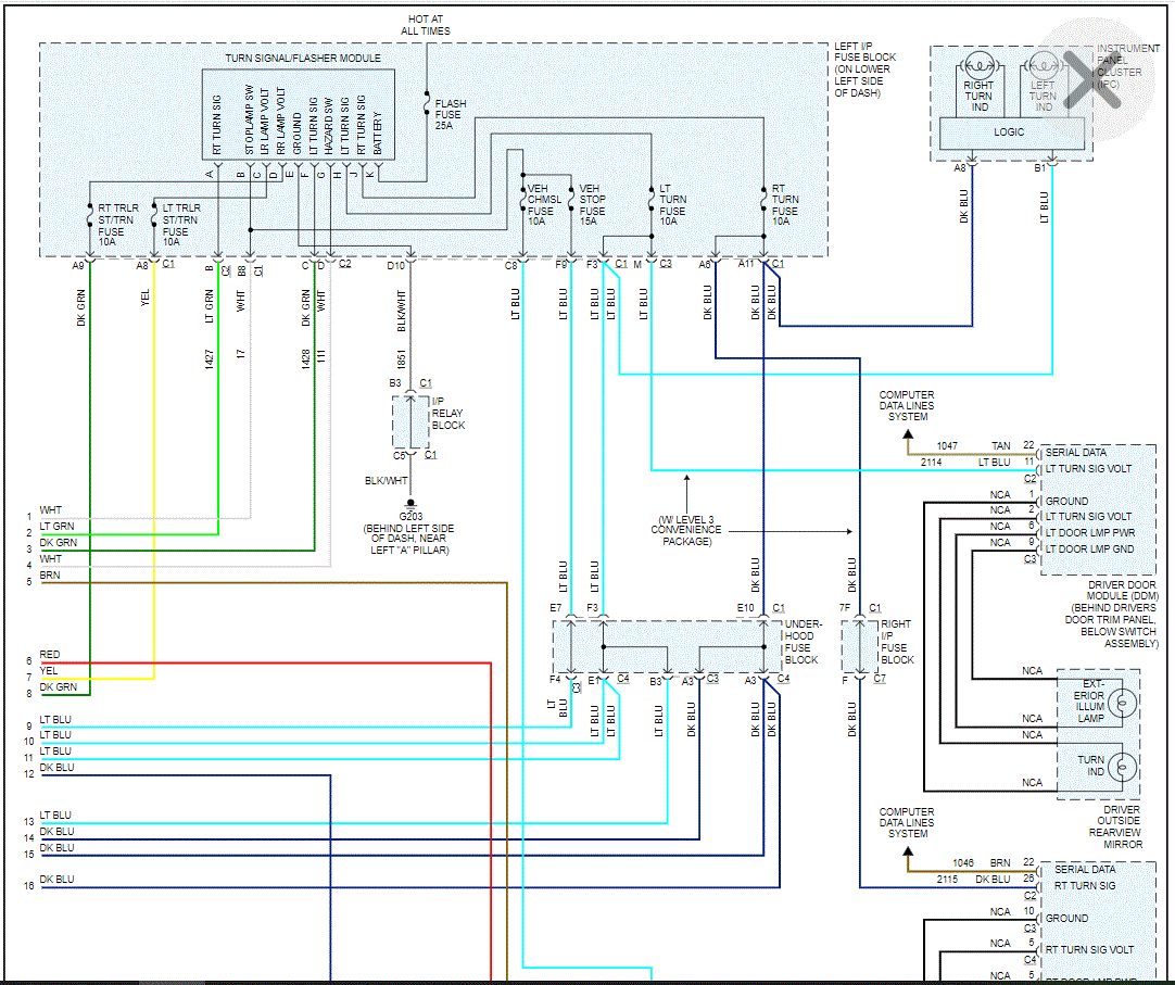
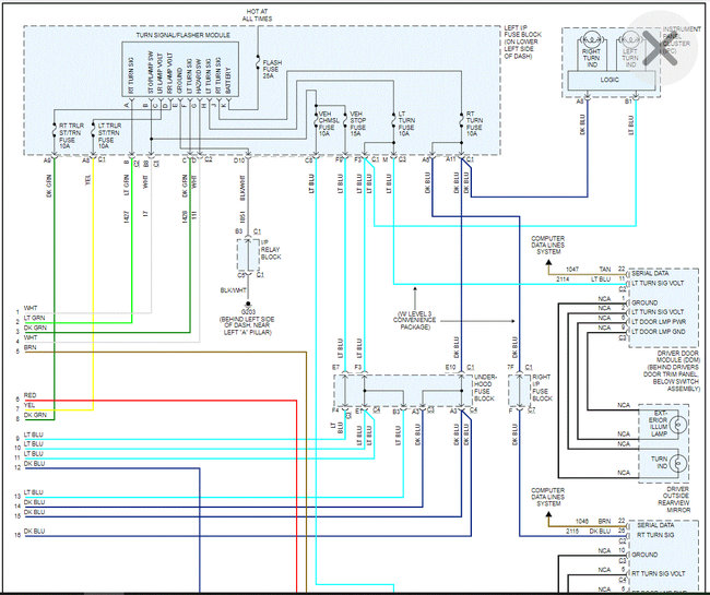
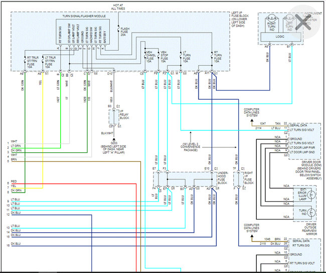
The next six pics are for the exterior lighting which includes cab lights. ( I think that is what you needed)

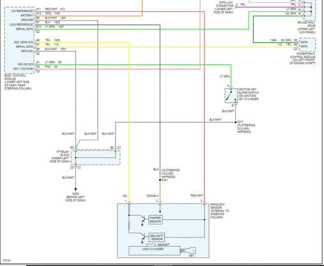
The last four pics are of the security system

Here is a link you may find helpful when working on wiring:

https://www.2carpros.com/articles/how-to-check-wiring

I hope this helps. Let me know if you have questions or need anything else.

Take care,

Joe

See pics below.
Was this
answer
helpful?
Yes
No
Friday, September 17th, 2021 AT 9:52 PM

Please login or register to post a reply.