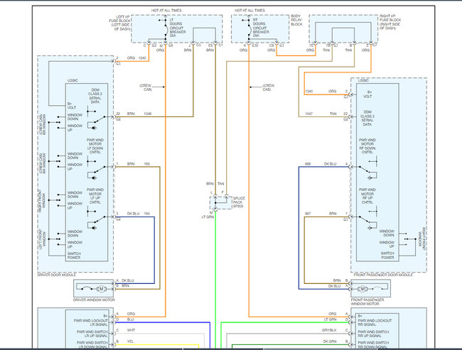
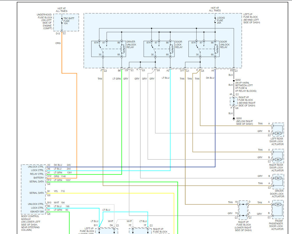
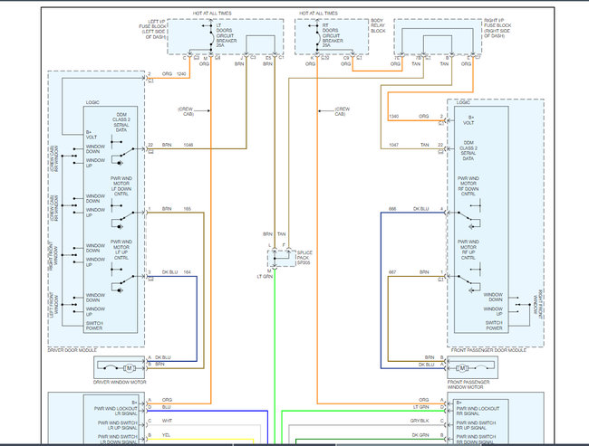
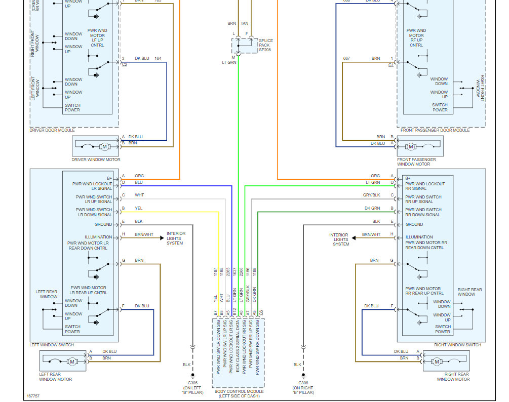
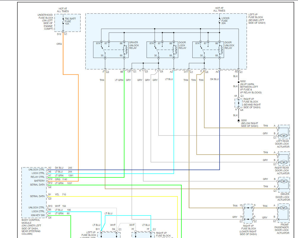
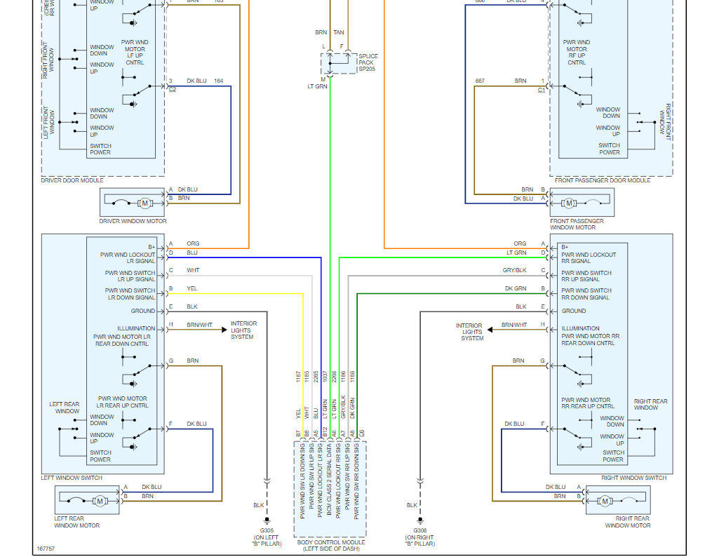
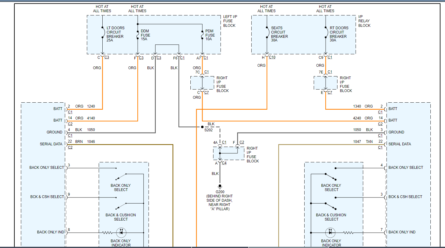
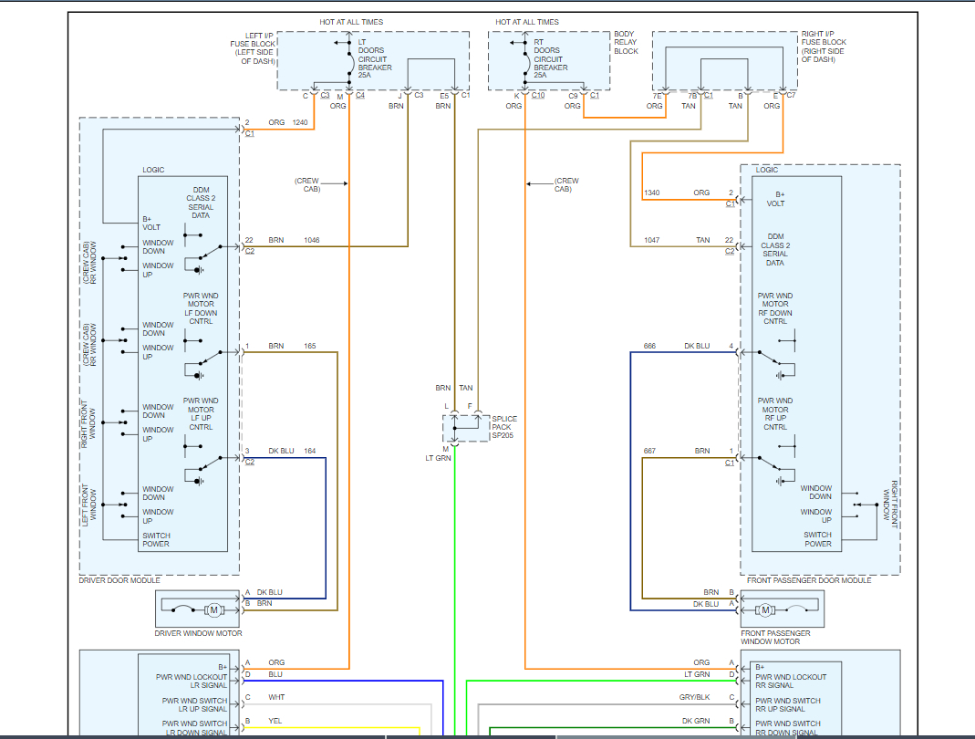
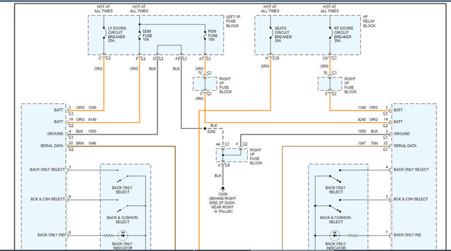
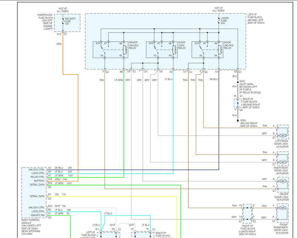
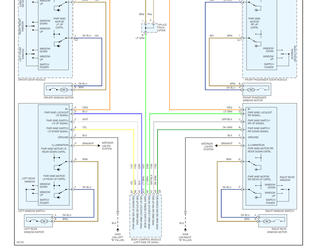
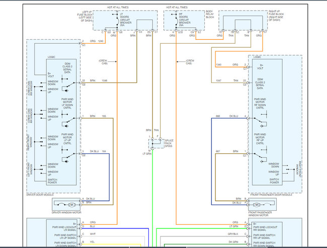
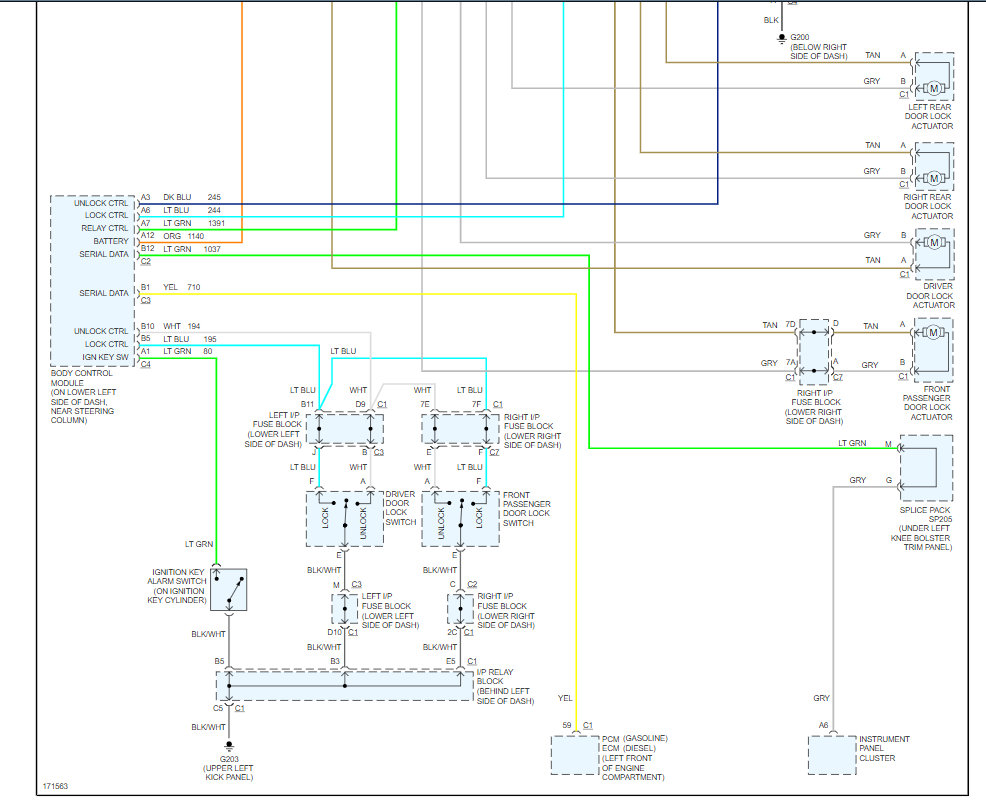
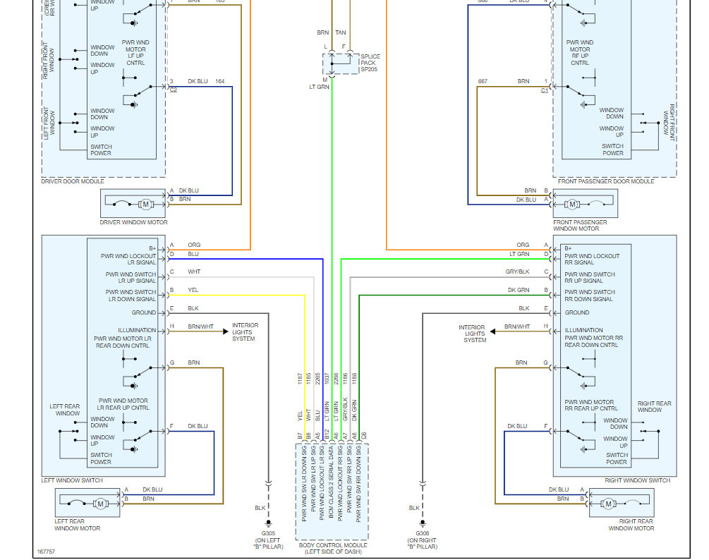
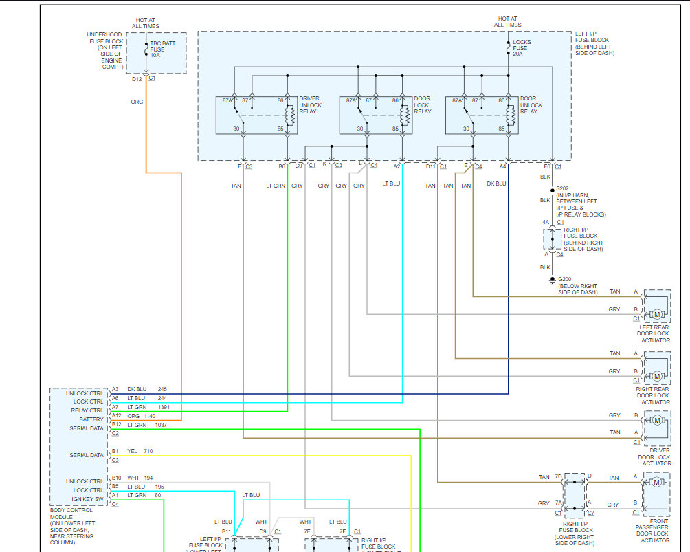
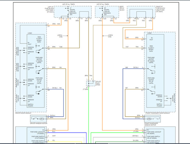
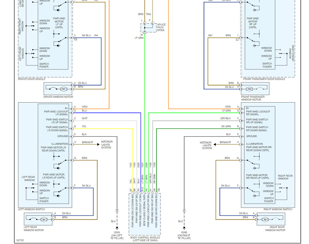
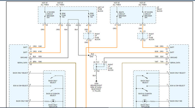
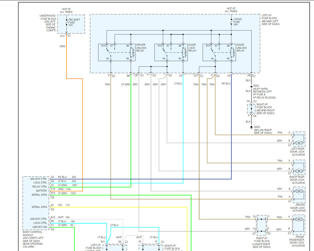
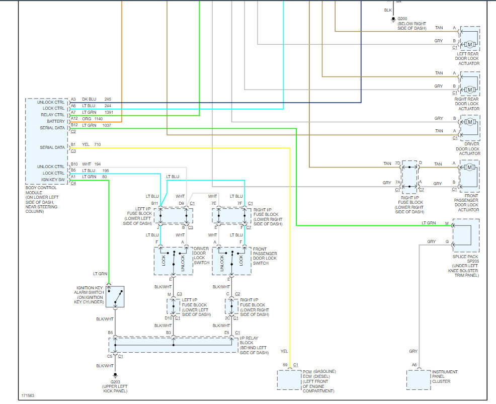
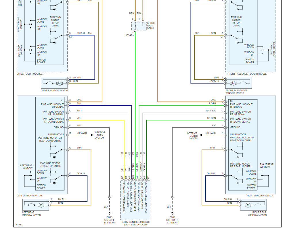
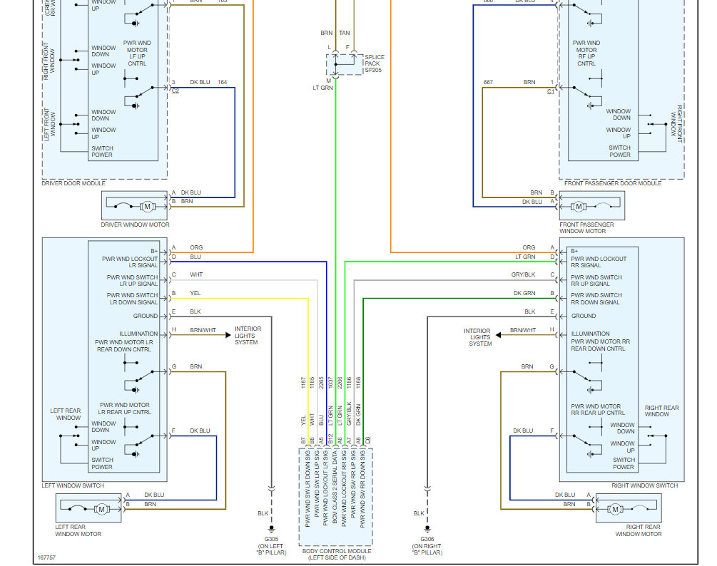
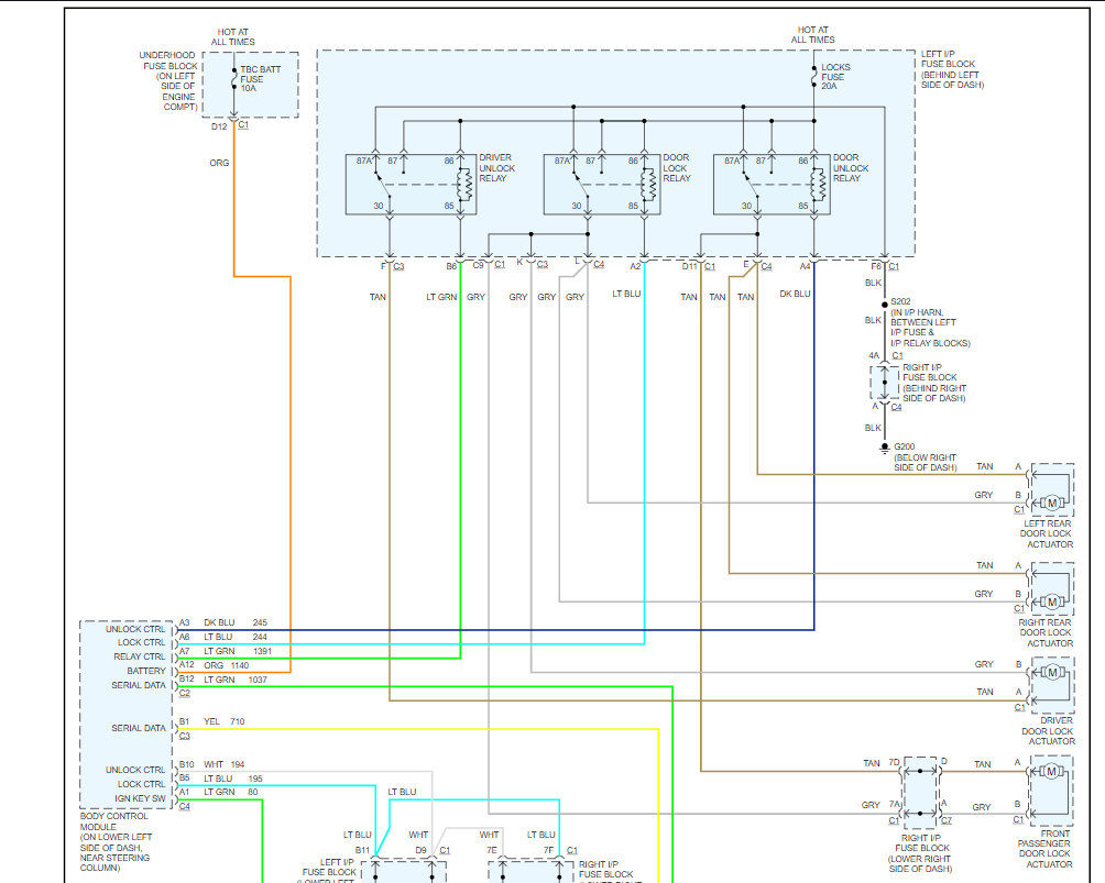
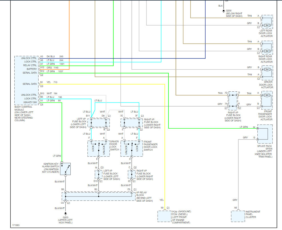
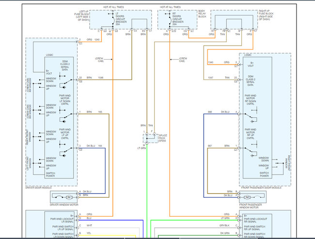
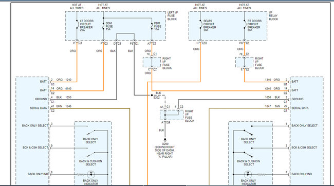
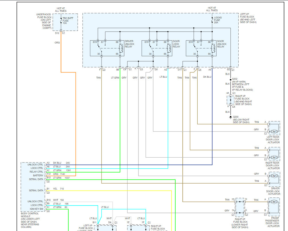
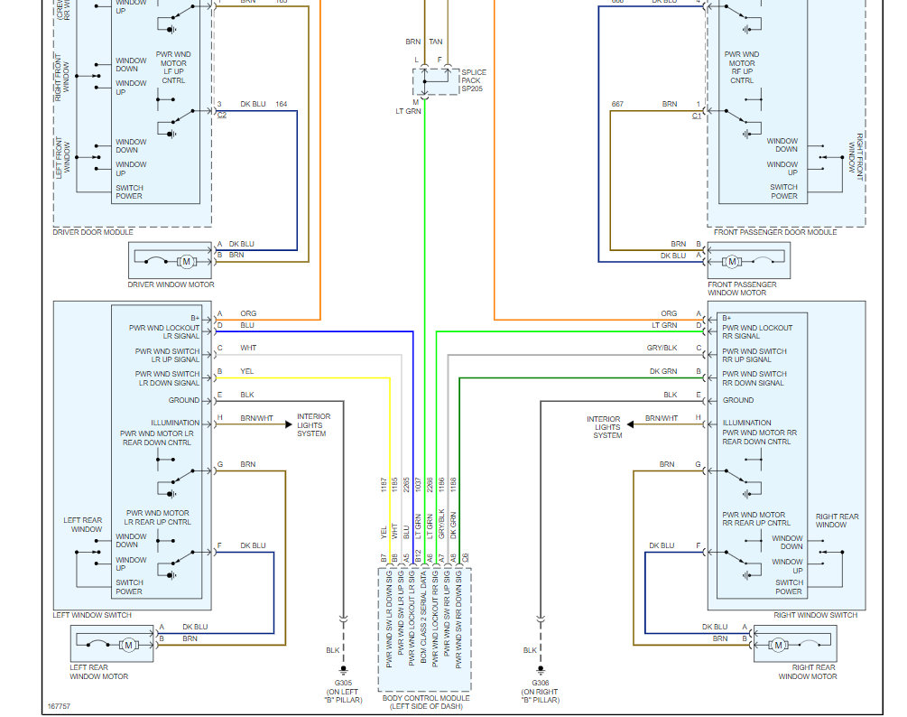
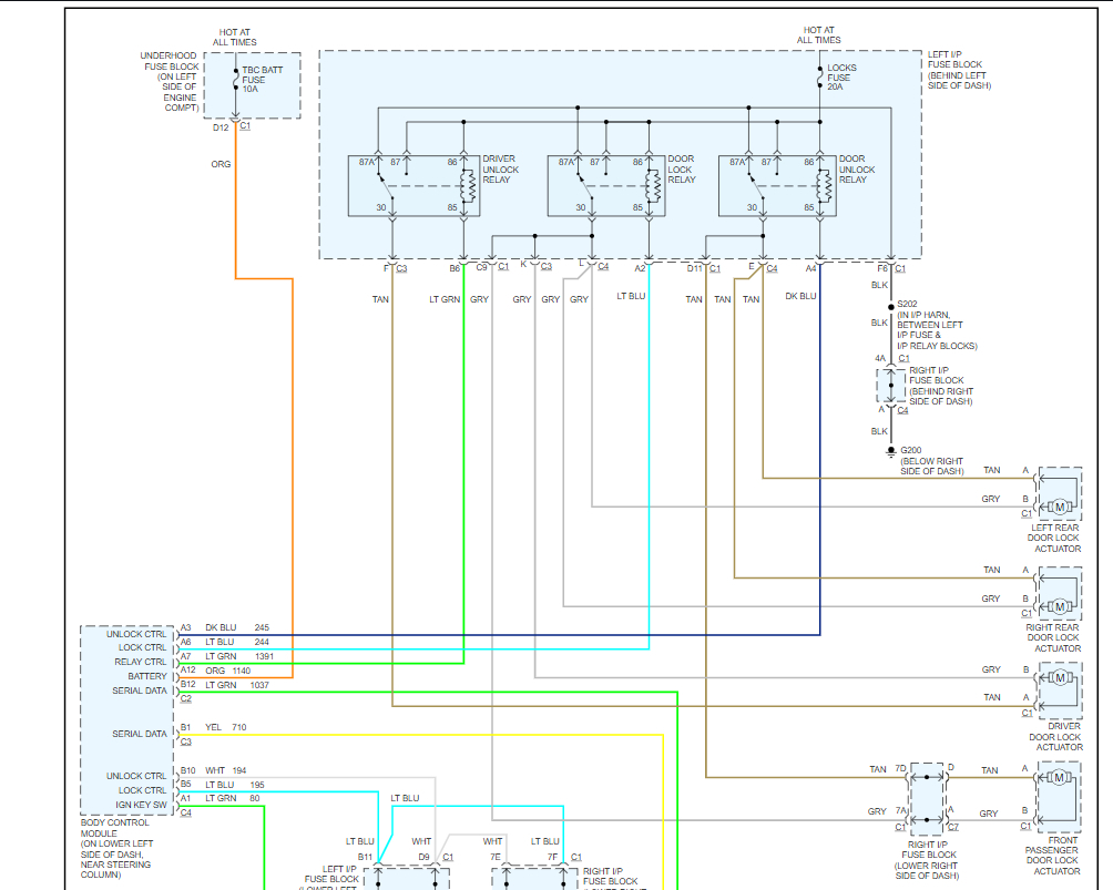
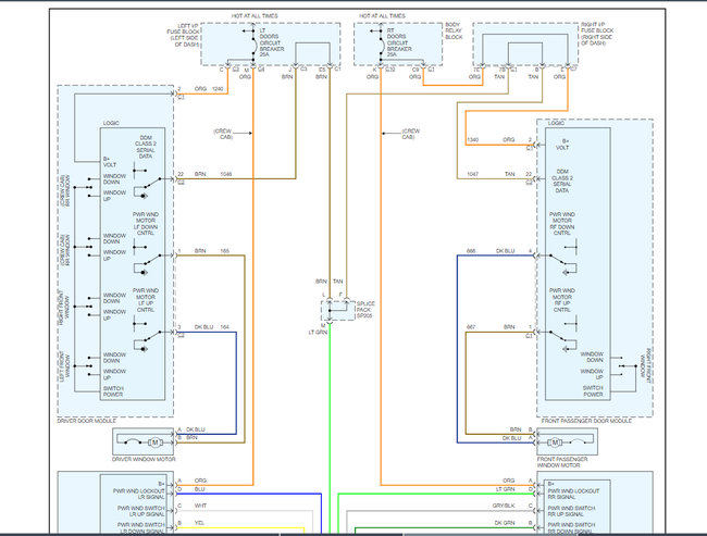
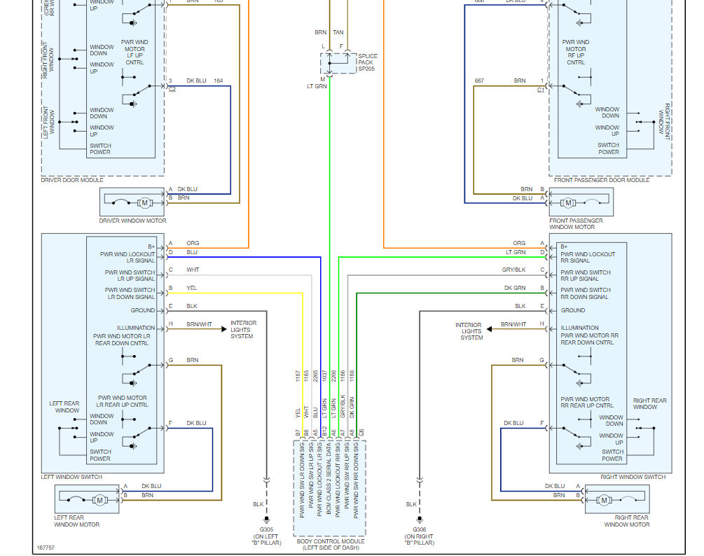
Wiring diagram for seats power heated and the power windows and power door lock needed

Tiny
LOUD PELLETIER
  • MEMBER
  • 2003 CHEVROLET SILVERADO
  • 8.1L
  • V8
  • 4WD
  • AUTOMATIC
  • 155,000 MILES
Hello, I would like to have the wiring diagram of the seats power heated and the power windows and power door lock. Also tell me what the white connector of the photo below is for and wiring diagram of this connector and the pin out.
Sunday, August 29th, 2021 AT 8:23 AM

2 Replies

Tiny
ASEMASTER6371
  • MECHANIC
  • 52,796 POSTS
Good afternoon,

I attached the diagrams for you below of the systems you requested.

https://www.2carpros.com/articles/how-to-check-wiring

https://www.2carpros.com/articles/how-to-use-a-voltmeter

https://www.2carpros.com/articles/how-to-check-an-electrical-relay-and-wiring-control-circuit

Let me know if you have any other questions.

Roy
Was this
answer
helpful?
Yes
No
Sunday, August 29th, 2021 AT 11:07 AM
Tiny
ASEMASTER6371
  • MECHANIC
  • 52,796 POSTS
I found connector diagrams for you of the systems as well. I attached them below for you to view.

Roy
Was this
answer
helpful?
Yes
No
Sunday, August 29th, 2021 AT 12:22 PM

Please login or register to post a reply.