Engine wiring diagrams and starter wiring color codes and diagrams?

Tiny
BLOVE78
  • MEMBER
  • 2004 NISSAN MAXIMA
  • 3.5L
  • V6
  • 2WD
  • AUTOMATIC
  • 163,000 MILES
I found a wire that runs with purple wire, and it is ripped out. It is white with black stripe. What does it go to?
Thursday, May 19th, 2022 AT 2:21 AM

13 Replies

Tiny
SQM
  • MECHANIC
  • 6,383 POSTS
Hello,

Can you tell us a little more detail of where the wire is located?
Also do you have any components that are not functional.

There are extensive wiring schematics for all the different components, and we will need to narrow down the search to figure out what this might go to.

Let me know.
Thank you.

https://www.2carpros.com/articles/how-to-check-wiring
Was this
answer
helpful?
Yes
No
+1
Thursday, May 19th, 2022 AT 2:53 PM
Tiny
BLOVE78
  • MEMBER
  • 23 POSTS
  • 2004 NISSAN MAXIMA
  • 3.5L
  • V6
  • 2WD
  • AUTOMATIC
  • 170,000 MILES
Replaced some of the wires on the back of my ignition switch harness and now I can't get it to turn over or the radio to come on. I've checked all fuses they are good. I've got a wire in the wrong spot. Please help me. I've asked this question before and never got a response. I need to know what color wire the acc and the starter and ignition are. I have six wires.
Was this
answer
helpful?
Yes
No
Friday, October 7th, 2022 AT 11:11 AM (Merged)
Tiny
KEN L
  • MASTER CERTIFIED MECHANIC
  • 55,512 POSTS
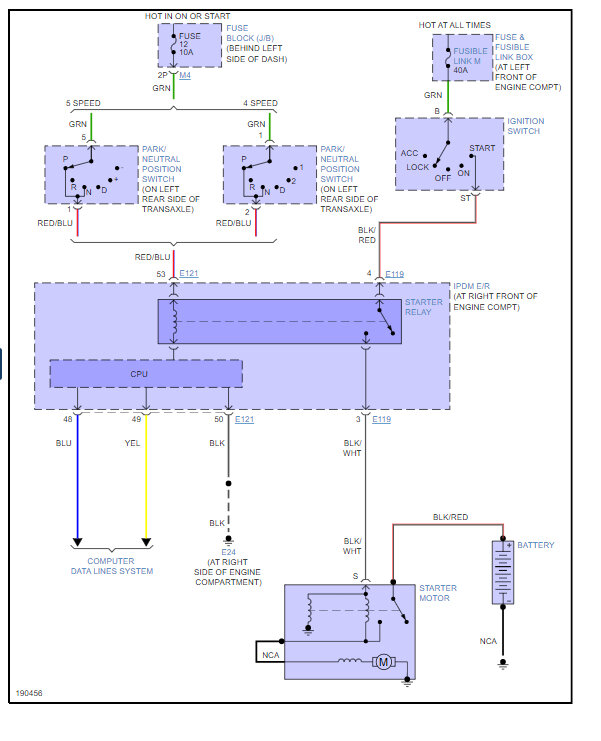
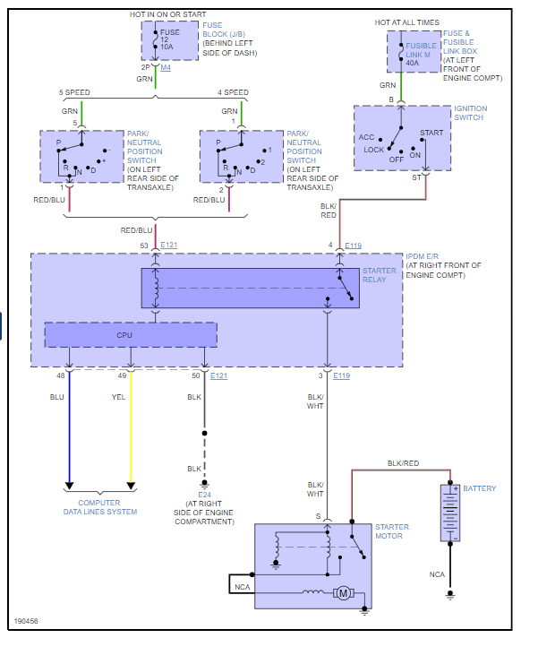
Okay, here is a guide to help you test the connections and the starter and engine wiring diagrams in the images below:

https://www.2carpros.com/articles/how-to-check-wiring

Check out the images (below). Please let us know if you need anything else to get the problem fixed.
Was this
answer
helpful?
Yes
No
+1
Friday, October 7th, 2022 AT 2:50 PM
Tiny
BLOVE78
  • MEMBER
  • 23 POSTS
I need the location of the wires and the color for the pin connector harness for the back of the ignition switch. I can't get the wires in the right spot for everything to work, especially my radio has no power after the replacing of the wires in the harness clip for ignition switch.
Was this
answer
helpful?
Yes
No
Saturday, October 8th, 2022 AT 1:41 AM
Tiny
BLOVE78
  • MEMBER
  • 23 POSTS
I need the location of the wires and the color for the pin connector harness for the back of the ignition switch I can't get the wires in the right spot for everything to work especially my radio has no power after the replacing of the wires in the harness clip for ignition switch
Was this
answer
helpful?
Yes
No
Saturday, October 8th, 2022 AT 1:44 AM
Tiny
KEN L
  • MASTER CERTIFIED MECHANIC
  • 55,512 POSTS
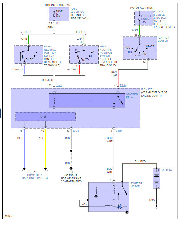
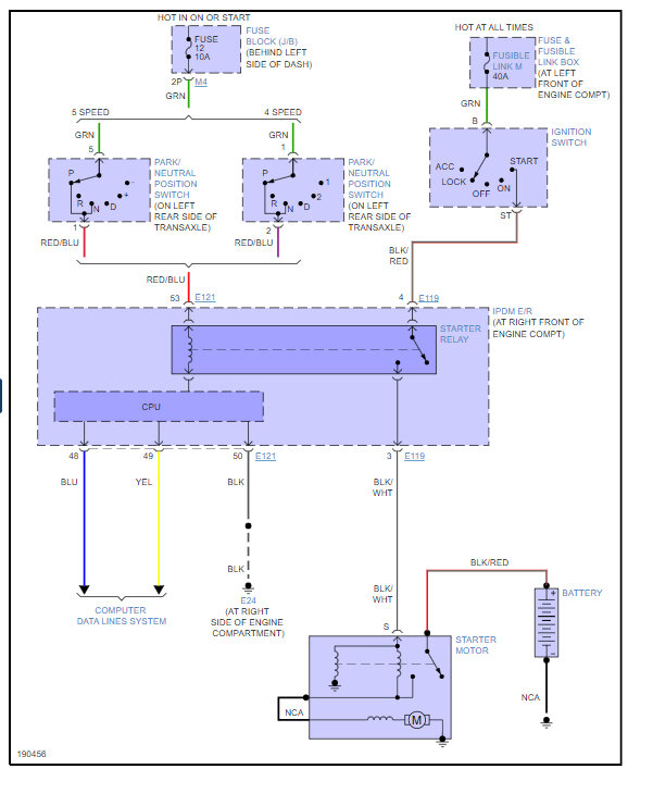
Yep, here are the ignition switch wiring diagrams in the images below. Please let us know if you need anything else to get the problem fixed.
Was this
answer
helpful?
Yes
No
+2
Saturday, October 8th, 2022 AT 10:05 AM
Tiny
BLOVE78
  • MEMBER
  • 23 POSTS
Can anybody please send me a live picture of the back of their ignition switch making sure to see the 6 wires going into the harness clip on the back of the ignition on a 2004 Maxima?
Was this
answer
helpful?
Yes
No
Sunday, October 9th, 2022 AT 3:48 AM
Tiny
KEN L
  • MASTER CERTIFIED MECHANIC
  • 55,512 POSTS
We don't have that but if you upload an image of the wires on the back of your switch, I can walk you through the wiring diagrams.
Was this
answer
helpful?
Yes
No
Monday, October 10th, 2022 AT 10:05 AM
Tiny
BLOVE78
  • MEMBER
  • 23 POSTS
Thank you. I've got it I think, but now my radio comes on and my air won't, and the key is stuck in the ignition. What in the world have I done now? Lol I had to take the dash off to fix a ground wire. To radio and now my gear shift won't go back in park and the key is stuck. Can you tell me what this is please? Thank you
Was this
answer
helpful?
Yes
No
Monday, October 10th, 2022 AT 6:33 PM
Tiny
KEN L
  • MASTER CERTIFIED MECHANIC
  • 55,512 POSTS
Please check the brake light operation and if they are not working check the brake light switch wiring connector. Let me know.
Was this
answer
helpful?
Yes
No
Tuesday, October 11th, 2022 AT 12:07 PM
Tiny
BLOVE78
  • MEMBER
  • 23 POSTS
Where is the brake light switch? I've got the car in park and the and the key out now, my power windows, nor my sunroof work or my dash lights.
Was this
answer
helpful?
Yes
No
Tuesday, October 11th, 2022 AT 12:23 PM
Tiny
BLOVE78
  • MEMBER
  • 23 POSTS
Sorry, I'm being such a pain thank you for all your help I do appreciate it, just to let you know.
Was this
answer
helpful?
Yes
No
Tuesday, October 11th, 2022 AT 12:24 PM
Tiny
KEN L
  • MASTER CERTIFIED MECHANIC
  • 55,512 POSTS
No problem :) please start a new question for this problem.

Please post your new question here, you must be logged in.

https://www.2carpros.com/questions/new

Cheers, Ken
Was this
answer
helpful?
Yes
No
Wednesday, October 12th, 2022 AT 6:31 PM

Please login or register to post a reply.