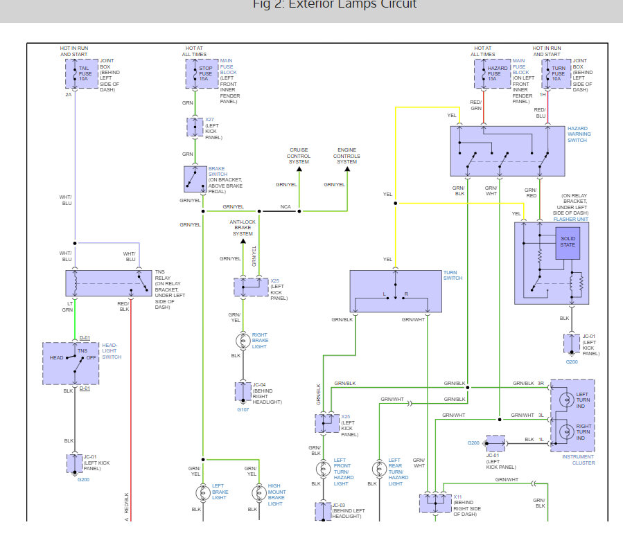
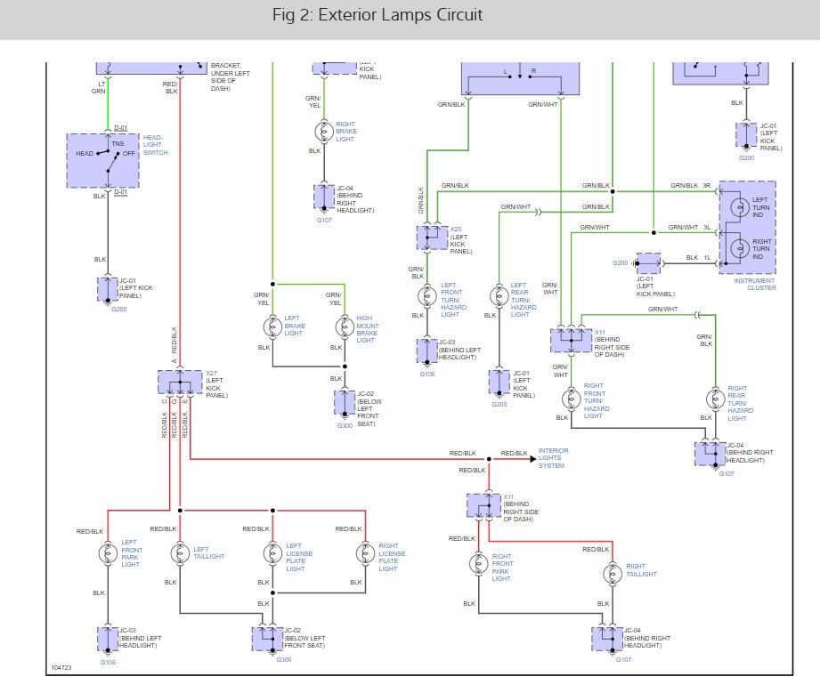
Wednesday, October 19th, 2022 AT 6:53 AM
My brake lights no longer come on and it's because of the wires under the dash. I'm just not sure which wire it is. Also, the parking lights don't come on for the same reason.



