Saturday, November 3rd, 2012 AT 9:14 PM
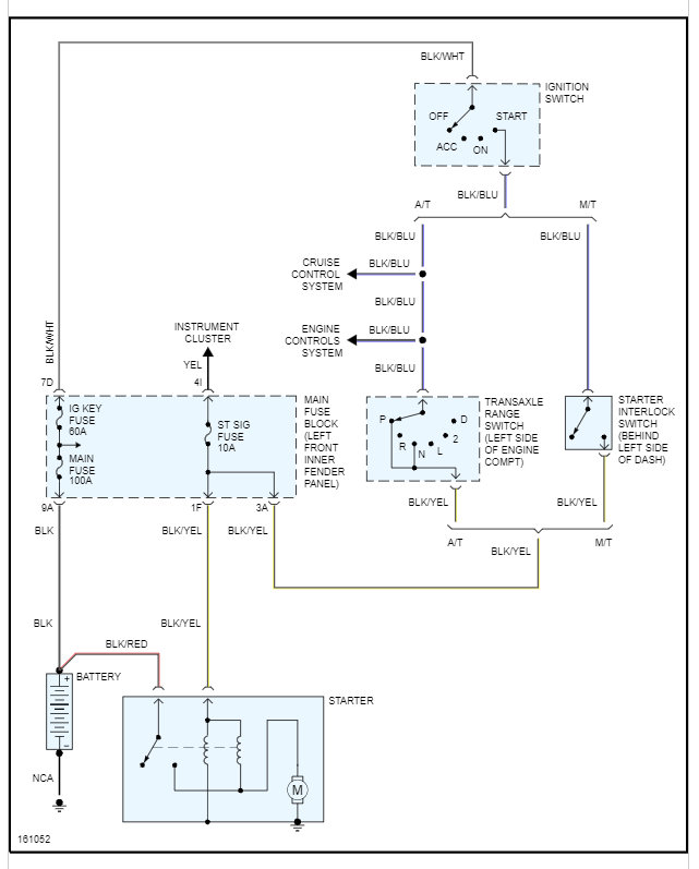
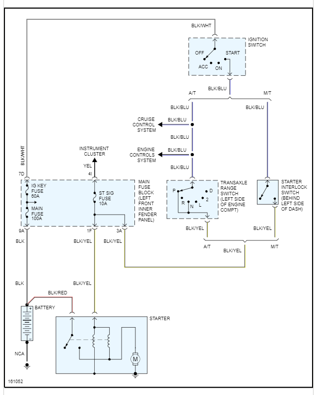
Blew main fuse betwen battery and fuse box. How do I replace it? Also, car will start and run with a bypass but radio, interior lights (and probably brake lights) do not work. Fuses in kick panel are ok.



