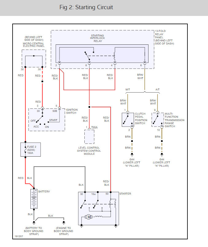
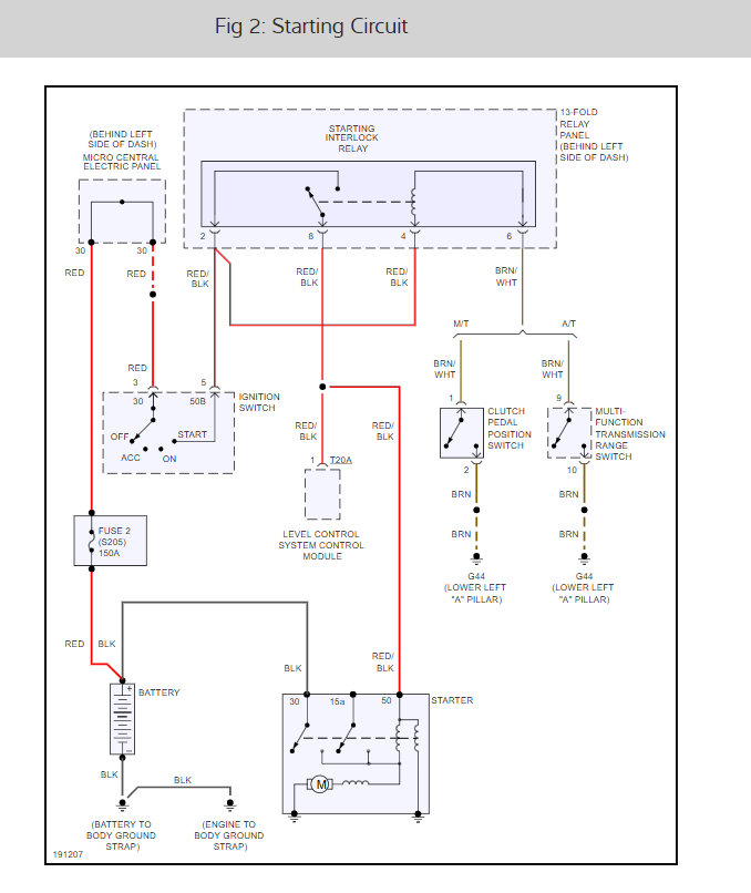
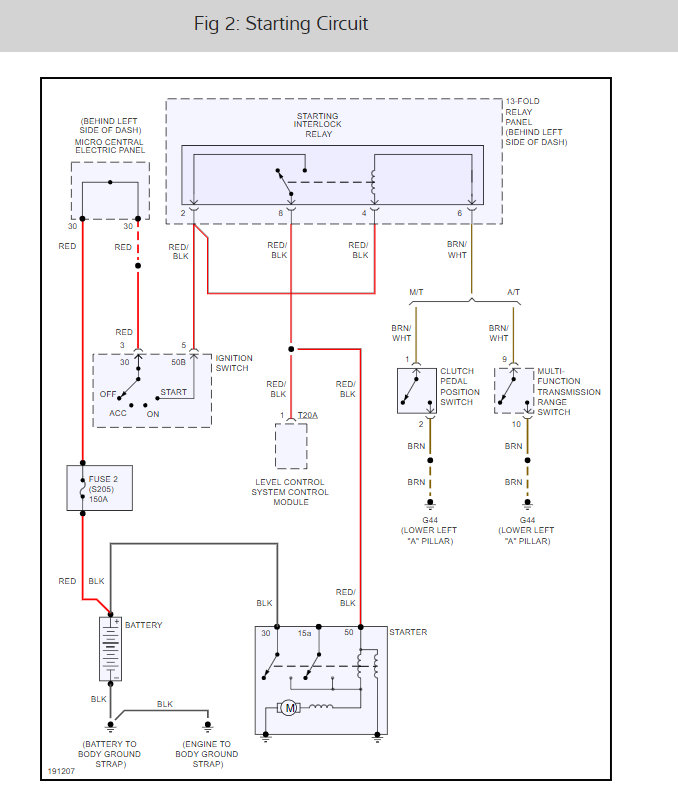
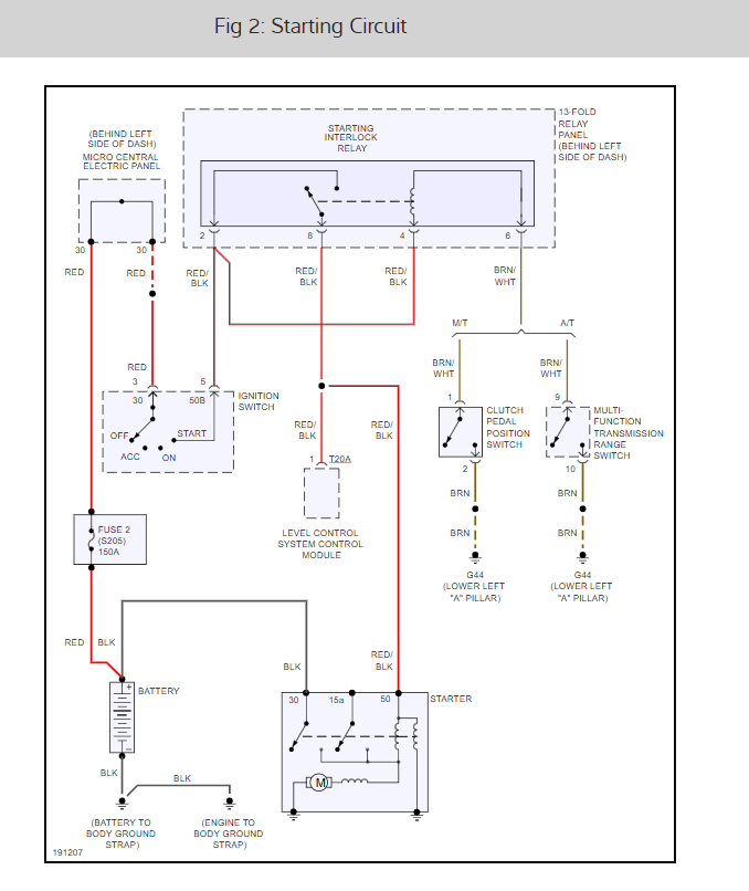
Monday, September 30th, 2019 AT 11:59 AM
My vehicle listed above has been in storage for the last 6 months. It would start and drive before I put it away and now it just will not start or turn over. What could be the issue?



