Will not start

Tiny
PATRICK STREETER
  • MEMBER
  • 2004 FORD EXPLORER
  • 4.0L
  • 6 CYL
  • 2WD
  • AUTOMATIC
  • 170,000 MILES
I thought my battery was going dead so I bought a new battery put that in. It did not start, would not even turn over. I was told it was a starter problem bought a new starter installed the starter still the same problem; will not even turn over. I was told probably be chip in the key, should I have to have the truck reprogrammed because of the new starter?
Friday, April 23rd, 2021 AT 5:12 PM

1 Reply

Tiny
JACOBANDNICKOLAS
  • MECHANIC
  • 110,194 POSTS
Hi,

No sir. The immobilizer isn't affected by starter replacement.

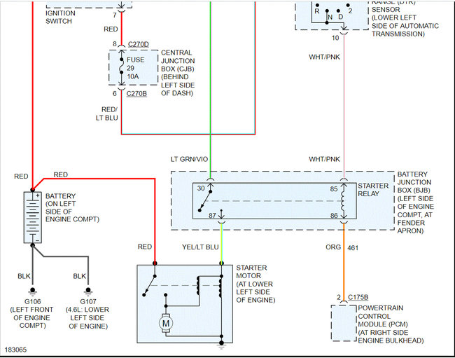
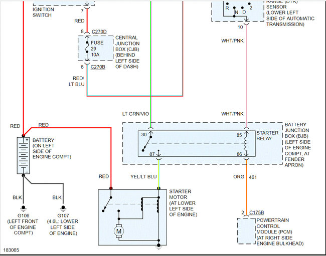
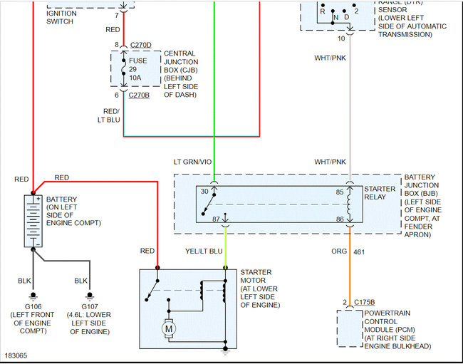
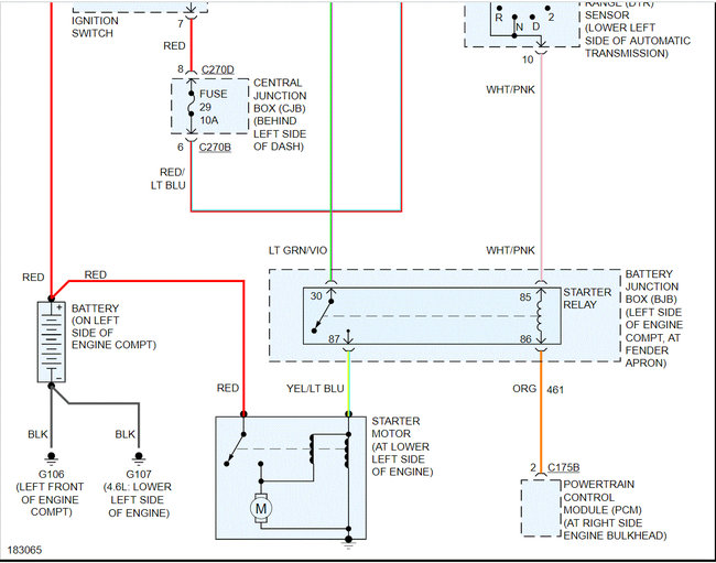
I attached the entire wiring schematic for the starting system below. I cut the pic in half so you can read it easier. I did overlap them so you can go from one to the next.

The first thing I need you to check is if it starts if you place the transmission in neutral. There could be an issue with the neutral/park switch.

If that makes no difference, check the fuses I highlighted in the first pic below. In addition to checking the fuse, I need you to confirm there is power at them and from them. Here is a link you may find helpful:

https://www.2carpros.com/articles/how-to-check-a-car-fuse

If you look at pic 3, it shows the battery junction/fuse box. I highlighted the fuses to check. Also, if the fuses are good, confirm the starter relay is good. If there is another relay with the same part number, switch them. If there isn't, here is a link that shows how to check one.

https://www.2carpros.com/articles/how-to-check-an-electrical-relay-and-wiring-control-circuit

Pic 4 shows the central junction fuse box in the vehicle under the dash. I highlighted the fuse to check there as well.

One last thing that may help. Here is a link that explains the most common causes of a no-crank condition. Take a look through it and see if anything helps.

https://www.2carpros.com/articles/starter-not-working-repair

Let me know if this helps and what you find. If you have other questions, let me know.

Take care,

Joe

See pics below.
Was this
answer
helpful?
Yes
No
Friday, April 23rd, 2021 AT 8:02 PM

Please login or register to post a reply.