Will not run

Tiny
TREY5ASH
  • MEMBER
  • 2001 TOYOTA 4RUNNER
  • 3.4L
  • V6
  • 2WD
  • AUTOMATIC
  • 226,350 MILES
The other day the truck would bog down under any load but would still manage to do highway speeds. Now it will start but it will backfire, not sure if it’s through the intake or the exhaust and it shuts off right after but if I unplug the MAF it will stay running but it will still backfire, and the RPMs jump up and down. I’ve checked the timing, cat, fuel pump, vacuum hoses, MAF, TPS, cam position sensor, crank position sensor, and all the fuses. I’ve replaced the fuel filter 3,000 miles ago and the spark plugs and wires 5,000 miles ago. I’ve also cleaned the throttle body and the intake. It’s also not throwing any codes.
Wednesday, December 29th, 2021 AT 3:06 PM

12 Replies

Tiny
JACOBANDNICKOLAS
  • MECHANIC
  • 110,194 POSTS
Hi,

If it is backfiring, it could be a few things. I need to start by asking how the catalytic converter and crankshaft position sensor was checked. Also, what fuel pressure was noted when checked? When you checked for vacuum leaks, how was it done?

If you have a live data scanner, could you let me know what the short-term fuel trims are and also when the engine is cold what the engine coolant temperature sensor is indicating?

Here is a link you may find of interest. It identifies how to fix a backfiring issue.

https://www.2carpros.com/articles/engine-backfires-while-running

Let me know as much as you can about the things you have already done.

Let me know.

Joe
Was this
answer
helpful?
Yes
No
Wednesday, December 29th, 2021 AT 7:04 PM
Tiny
TREY5ASH
  • MEMBER
  • 19 POSTS
I checked the cat by taking it off and putting the one off my parts 4Runner (that runs) on it. I checked the crankshaft position sensor by buying a new one and putting it on. I checked for vacuum leaks when it started bogging down and I did it with an evap smoke machine and I did a visual inspection for any cracked or broken hoses. I also checked the fuel pressure when it started bogging down and it was 42 PSI. I don’t have a live data scanner, but the coolant temperature sensor will read that it is cold even after an hour or so of driving. I’m supposed to get an OEM coolant temperature sensor from Toyota today.
Was this
answer
helpful?
Yes
No
Thursday, December 30th, 2021 AT 7:16 AM
Tiny
JACOBANDNICKOLAS
  • MECHANIC
  • 110,194 POSTS
The idea that the sensor indicates cold all the time may be the issue. If it is telling the computer the temperature is -40 F, the computer will respond by adding fuel to make it run under those conditions. If it is warmer, the engine will likely flood.

If possible, remove a couple of the spark plugs and see if they are wet. Also, hold the throttle to the floor if you suspect flooding. That allows more air to enter and shuts down the injectors to clear a flooded engine.

Let me know what you find and if the ECT takes care of it.

Joe
Was this
answer
helpful?
Yes
No
Thursday, December 30th, 2021 AT 3:05 PM
Tiny
TREY5ASH
  • MEMBER
  • 19 POSTS
Okay, I checked all the plugs and cylinders 1-4 where wet but cylinders 5 and 6 were dry. Holding the throttle did nothing it still shut off after startup.
Was this
answer
helpful?
Yes
No
Friday, December 31st, 2021 AT 7:16 AM
Tiny
JACOBANDNICKOLAS
  • MECHANIC
  • 110,194 POSTS
Hi,

Is it possible for you to record it starting and stalling so I can hear it? Also, if plugs 1-4 were wet, I need you to confirm they are getting spark.

Here is a link explaining how to do it:

https://www.2carpros.com/articles/how-to-test-an-ignition-system

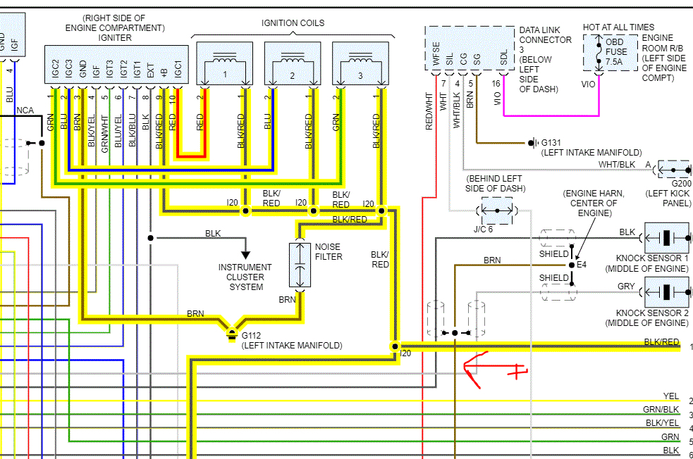
There should be three coils powering two cylinders each. Check to make sure each is getting 12v to the positive wire. Note: Each coil will have two wires to it. One of the two will be black with a red tracer. Each of the coils will have one wire that color. That is the power to them. The other wire will be a different color on each coil. See pic 1 below. Check the black/red wire for power with the key in the run position. If you have power, confirm spark at each plug.

The idea that four of the plugs are wet and two aren't, leads me to think only two are firing properly.

Let me know what you find.

Joe

See pic below.
Was this
answer
helpful?
Yes
No
Friday, December 31st, 2021 AT 8:09 PM
Tiny
TREY5ASH
  • MEMBER
  • 19 POSTS
Not sure about spark yet, but I’m about to check that.
Was this
answer
helpful?
Yes
No
Saturday, January 1st, 2022 AT 1:42 PM
Tiny
TREY5ASH
  • MEMBER
  • 19 POSTS
Actually, I miswrote. I was testing it incorrectly they are all getting 12v of power, but they are not getting spark.
Was this
answer
helpful?
Yes
No
Saturday, January 1st, 2022 AT 2:53 PM
Tiny
JACOBANDNICKOLAS
  • MECHANIC
  • 110,194 POSTS
Hi,

This is what I suggest: First, I don't suspect that all coils went bad at the same time, so either we have a wiring issue, or the ECM is bad.

Although we have 12v at each coil, it does no good unless a ground is provided to complete the circuit. The ground comes from the ECM. When that circuit is completed, the ignition coils fire.

I need you to check a couple of other things now. Again, I'm finding it hard to believe that all three ground paths for the coils failed at the same time, but it's possible. So, I am suspecting that either the connector at the ECM is loose, corroded, or damaged in some way. Or the crankshaft position sensor has failed.

If you have a live data scanner, check to see if there is an RPM signal when cranking the engine. If you don't have one but the car has a tachometer, watch to see if it is moving a little when cranking.

If it is, then on the coils, check to see if there is a ground path being provided while the engine is cranking. You will do this on the opposite wire from power. Basically, you are checking to see if there is continuity to ground via the ECM.

If that fails, we need to go to the ECM. The ECM is located behind the right side of the dash. There will be several wires going to it. Inspect the three wires identified in the schematic below. (Pic 1)

When you locate the ECM (see pic 3) there will be 5 connectors on it. We are looking for connector E11, which is approximately center. See pic 2 below. With the battery disconnected, inspect the wiring to that connector, check the connector for damage, and remove that connector and inspect the internal connectors.

If that all checks good, then we need to confirm the wires between the ECM and the coils aren't damaged. You will check them for continuity from end to end.

If the wires are good, the coils have power, the crankshaft position sensor is good, and we are still not getting a ground path from the ECM, chances are it is bad.

Let me know what you find or if you have other questions.

Please let me know how the crankshaft position sensor was checked as well. You indicated checking it in the first post as well as the fuel pressure reading you got. Do this prior to all the work I just listed.

Take care,

Joe

See pics below.
Was this
answer
helpful?
Yes
No
Saturday, January 1st, 2022 AT 10:33 PM
Tiny
TREY5ASH
  • MEMBER
  • 19 POSTS
Okay, I’m pretty sure the wires to the ECM from the coils are damaged because there is nothing going to the ECM.
Was this
answer
helpful?
Yes
No
Sunday, January 2nd, 2022 AT 11:49 AM
Tiny
JACOBANDNICKOLAS
  • MECHANIC
  • 110,194 POSTS
Is this when you are checking for a ground signal? (Continuity to ground)?

Let me know.
Joe
Was this
answer
helpful?
Yes
No
Sunday, January 2nd, 2022 AT 6:09 PM
Tiny
TREY5ASH
  • MEMBER
  • 19 POSTS
When I’m checking for a ground.
Was this
answer
helpful?
Yes
No
Sunday, January 2nd, 2022 AT 6:15 PM
Tiny
JACOBANDNICKOLAS
  • MECHANIC
  • 110,194 POSTS
If the ECM is connected and you are cranking the engine, there should be an on/off ground path from the ECM. If you are not getting that, the next thing I would do is disconnect the ECM and check the connectors. If they all appear good, then test the wires from end to end for continuity to confirm they aren't bad (cut or broken).

Let me know.

Joe
Was this
answer
helpful?
Yes
No
Sunday, January 2nd, 2022 AT 7:01 PM

Please login or register to post a reply.