Will crank but does not start?

Tiny
TOWER85
  • MEMBER
  • 1997 GMC JIMMY
  • 4.3L
  • V6
  • 4WD
  • AUTOMATIC
  • 211,000 MILES
Ignition control output high/pulse detected when gnd cylinder 1.
Tuesday, February 13th, 2024 AT 6:39 PM

5 Replies

Tiny
JACOBANDNICKOLAS
  • MECHANIC
  • 110,192 POSTS
Hi,

In most cases, a crank no start is the result of either an ignition-related problem or fuel. You mentioned the ignition control circuit above, but I'm not sure what you are referring to. Are you getting spark to the plugs? Have you checked for fuel pressure? Are there diagnostic trouble codes stored?

Let me know.

Joe
Was this
answer
helpful?
Yes
No
Tuesday, February 13th, 2024 AT 6:47 PM
Tiny
TOWER85
  • MEMBER
  • 16 POSTS
Getting fuel and spark, getting 2 of the same trouble code p1351.
Was this
answer
helpful?
Yes
No
Tuesday, February 13th, 2024 AT 7:28 PM
Tiny
JACOBANDNICKOLAS
  • MECHANIC
  • 110,192 POSTS
Hi,

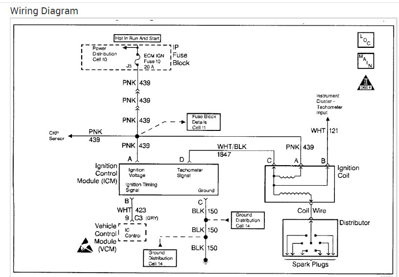
The code could be related to a couple of things. Do me a favor. I attached the diagnostics below specific to the code. Take a look through them and let me know if you are comfortable performing them.

Let me know.

Take care,

Joe

See pics below.
Was this
answer
helpful?
Yes
No
Wednesday, February 14th, 2024 AT 6:51 PM
Tiny
TOWER85
  • MEMBER
  • 16 POSTS
Turned out to be the fuel pump, it was charging the system but bled back into the tank.
Was this
answer
helpful?
Yes
No
Tuesday, February 27th, 2024 AT 6:36 AM
Tiny
JACOBANDNICKOLAS
  • MECHANIC
  • 110,192 POSTS
Hi:

Thanks for the update. I'm glad to know you found the problem.

Take care and feel free to come back anytime in the future.

Joe
Was this
answer
helpful?
Yes
No
Tuesday, February 27th, 2024 AT 6:14 PM

Please login or register to post a reply.