Which fuse is responsible for turn signals, brake lights and front fog lights?

Tiny
NOAH MARIO GUGLIELMIN
  • MEMBER
  • 2016 VOLKSWAGEN JETTA
  • 1.4L
  • 4 CYL
  • TURBO
  • 2WD
  • AUTOMATIC
  • 85,000 MILES
I have an image of my internal fuse box, but I’ve looked at every list possible and no lists show me which fuse is responsible for turn signals and brake lights specifically! Please help.
Saturday, October 8th, 2022 AT 10:14 PM

1 Reply

Tiny
JACOBANDNICKOLAS
  • MECHANIC
  • 110,194 POSTS
Hi,

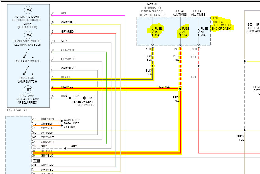
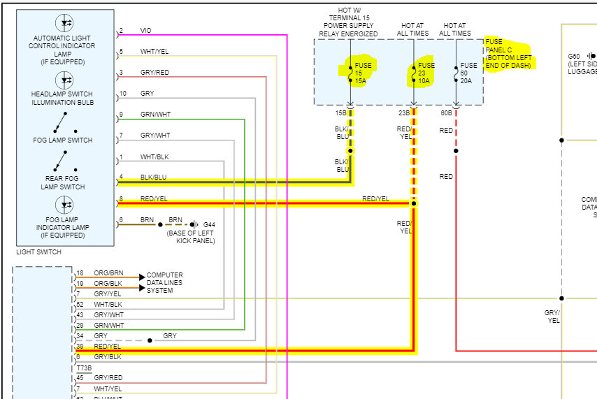
I attached the wiring schematics below showing the fuses. In pic 1, see fuse 10 in fuse panel B. In pic 2, fuses 15 and 23 are for the signals and fog lights. Note that power from these fuses is sent to the electrical control module behind fuse panel C. From there, it is sent to the component. Let me know if this helps.

Also, here is a link you may find helpful as well:

https://www.2carpros.com/articles/how-to-check-a-car-fuse

Let me know.

Joe

See pics below.
Was this
answer
helpful?
Yes
No
Sunday, October 9th, 2022 AT 5:53 PM

Please login or register to post a reply.