Where is fuse/relay for passenger side electrical window?

Tiny
BENNYB43
  • MEMBER
  • 2004 FORD FREESTAR
  • 3.6L
  • V6
  • 2WD
  • AUTOMATIC
  • 200,000 MILES
I have an electrical motorized window issue on the front passenger side of the car. The window just one day is in the up position stuck. I think it is a fuse or relay that has gone bad. But I can't locate the fuse/relay that is bad. Any idea where the fuse/relay is and how to tell wich one it is?
Friday, August 20th, 2021 AT 9:24 AM

5 Replies

Tiny
JACOBANDNICKOLAS
  • MECHANIC
  • 110,192 POSTS
Hi,

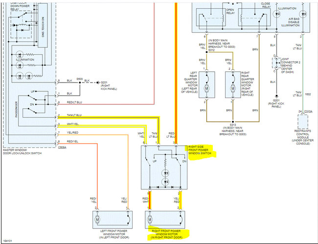
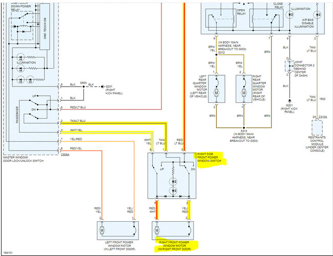
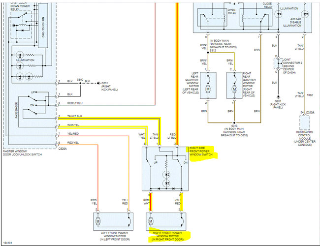
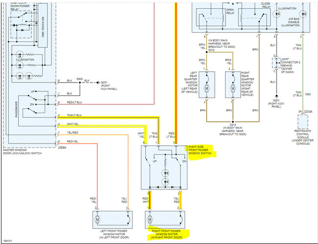
Power to the passenger front window is provided via fuse 10 in the under hood fuse box. If you look below, pics 1 and 2 are the wiring schematics for the power window circuit. I highlighted the wiring for the window you are having trouble with.

When you check the fuse, make sure it isn't blown. Also, make sure there is power to and from it. Here is a link to help:

https://www.2carpros.com/articles/how-to-check-a-car-fuse

Next, in the vehicle, under the dash near the brake pedal, is the smart junction box. Locate the delay relay 1. If relay 2 is the same part number (I think it is), switch them to see if the window works. If it is different, here is a link that explains how to test a relay:

https://www.2carpros.com/articles/how-to-check-an-electrical-relay-and-wiring-control-circuit

Next, if the fuse and relay are good, I need you to go to the window switch and check to see if there is power to the red wire with a blue tracer. Here is a link that you may find helpful:

https://www.2carpros.com/articles/how-to-check-wiring

If there is power, then move to the motor and check for power at each of the two wires (one at a time) when the switch is actuated. If there is power, the motor is bad.

Note that the wiring schematic (pics 1 and 2) was originally one pic. I had to cut it in half to make it readable for you. I did overlap them so you can follow from one to the next.

Pic 3 shows the fuse in the under hood box and pic 4 shows the relay in the SJB.

Let me know what you find or if you have other questions.

Take care,

Joe

See pics below.
Was this
answer
helpful?
Yes
No
+2
Friday, August 20th, 2021 AT 9:27 PM
Tiny
BENNYB43
  • MEMBER
  • 4 POSTS
Thanks, I was able to follow all your. Instructions. Looks like the motor is bad. Do you know how to take out the motor while leaving the window regulator in?
Was this
answer
helpful?
Yes
No
Saturday, August 21st, 2021 AT 2:19 PM
Tiny
JACOBANDNICKOLAS
  • MECHANIC
  • 110,192 POSTS
Hi,

The lift motor is basically just bolted on the regulator. Once you remove the door panel, which I believe you already have done, It should unbolt. Here is the thing. You need to support the glass and regulator to prevent the window from dropping into the door. The motor gears hold in place.

I attached a pic of the motor below. You can see the bolt holes.

Let me know if this helps or if I can help.

Joe

See pic below.
Was this
answer
helpful?
Yes
No
+1
Saturday, August 21st, 2021 AT 7:36 PM
Tiny
BENNYB43
  • MEMBER
  • 4 POSTS
Thanks. Worked great.
Was this
answer
helpful?
Yes
No
Saturday, August 21st, 2021 AT 7:50 PM
Tiny
JACOBANDNICKOLAS
  • MECHANIC
  • 110,192 POSTS
Hi,

You are very welcome. I'm glad to hear you got it fixed.

Please feel free to come back anytime in the future if you have questions or need help. You are always welcome here.

Take good care of yourself,

Joe
Was this
answer
helpful?
Yes
No
+1
Saturday, August 21st, 2021 AT 7:52 PM

Please login or register to post a reply.