Dash lights and all rear lights not working

Tiny
CHRISTINA2323
  • MEMBER
  • 1995 TOYOTA CAMRY
  • 0.8L
  • 4 CYL
  • 2WD
  • MANUAL
  • 279,261 MILES
My dash lights and all rear lights except the brake lights wont turn on. Where do I locate the dash light fuse?
Monday, February 22nd, 2021 AT 7:10 AM

1 Reply

Tiny
JACOBANDNICKOLAS
  • MECHANIC
  • 110,192 POSTS
Hi,

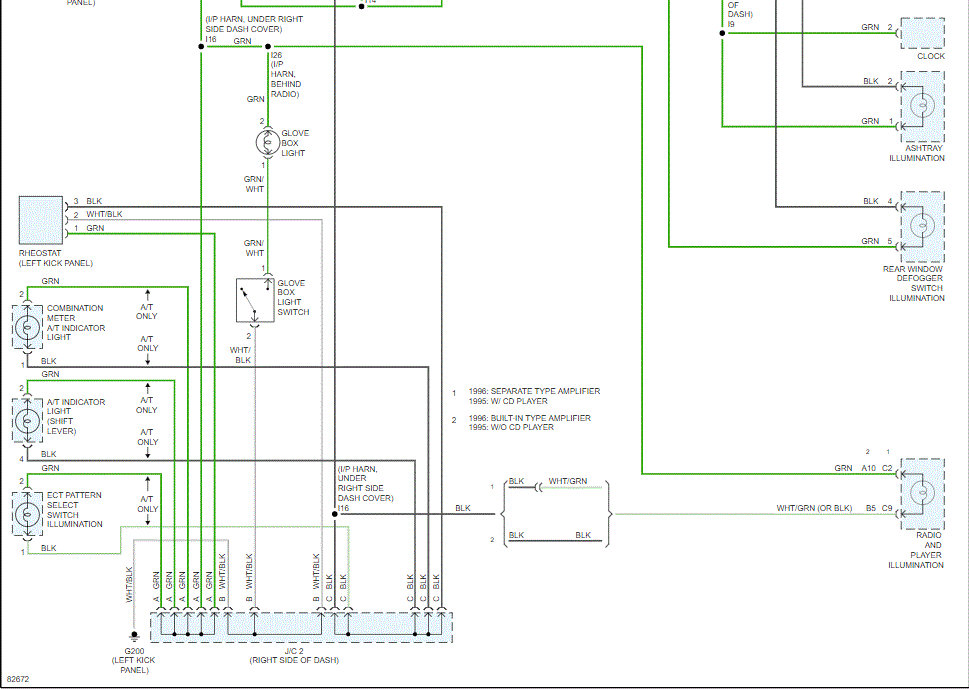
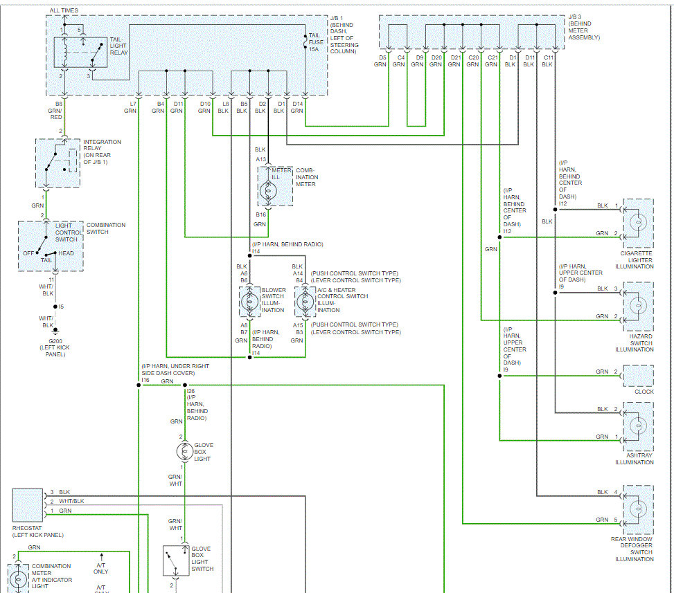
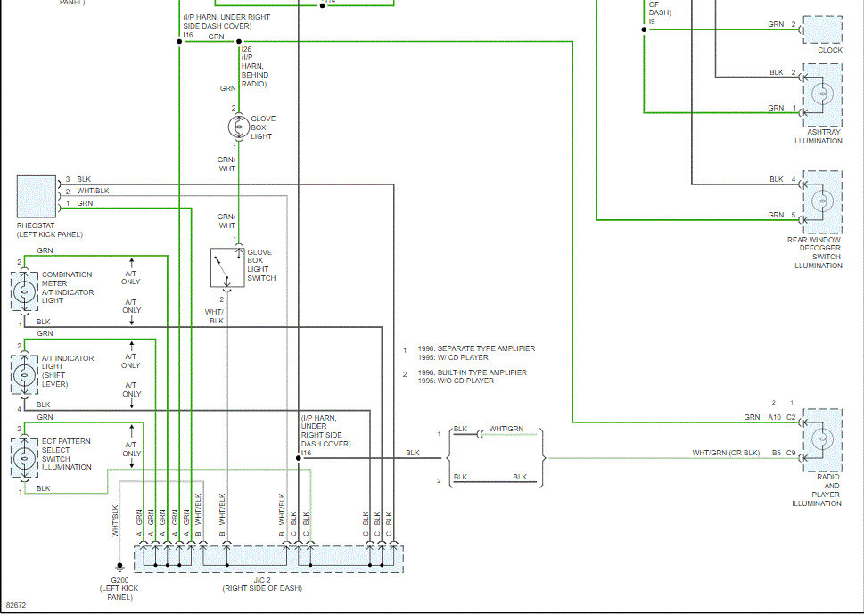
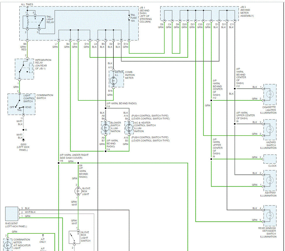
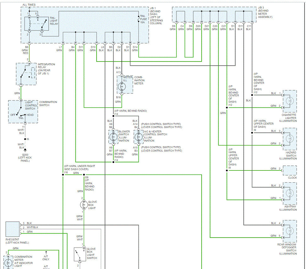
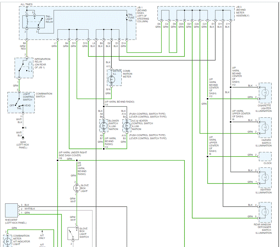
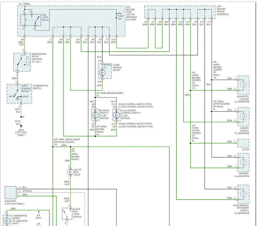
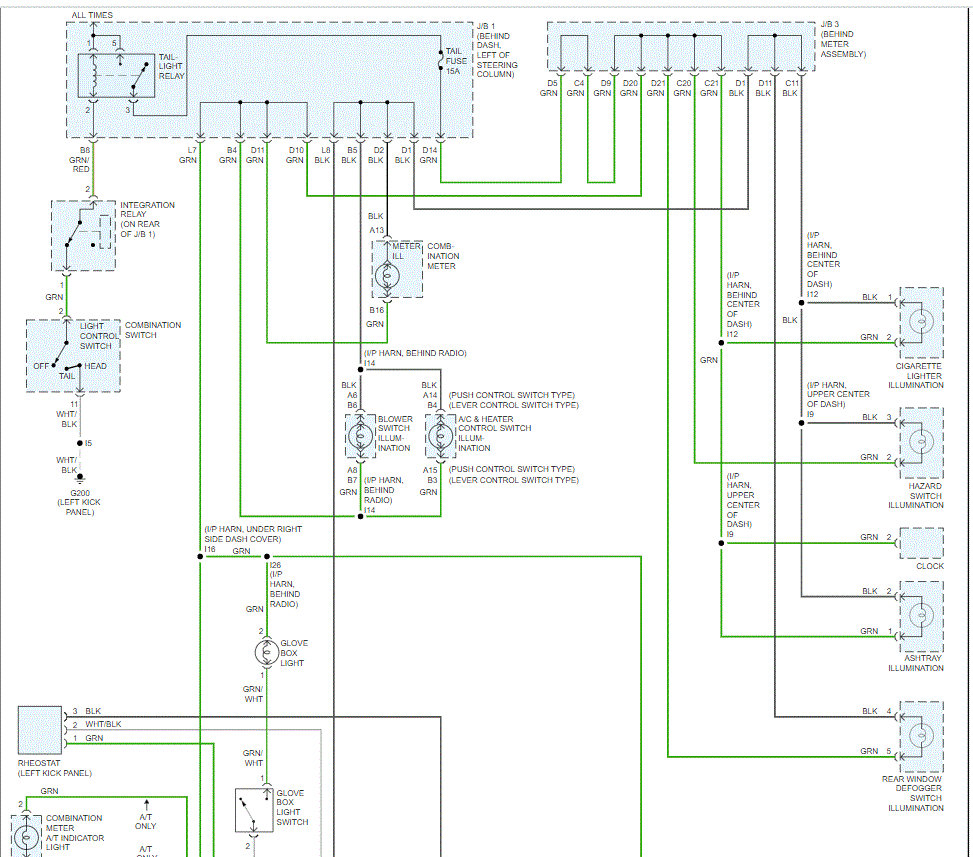
First, I attached a few pics below. The first two are the entire exterior lighting wiring schematic. Note that I highlighted the tail light fuse in pic 1. Pic 3 shows the fuse location in the fuse box.

Pics 4 and 5 are the instrument illumination schematics. Note that power goes to the instrument panel lighting from the parking light relay. So, if the fuse in pic 1 is good, remove the relay and switch it with a different one in the box having the same part number. If that isn't possible, here is a link that shows how to test a relay:

https://www.2carpros.com/articles/how-to-check-an-electrical-relay-and-wiring-control-circuit

Also, when you check the fuse, in addition to making sure the fuse is good, confirm there is power to it. Here is a link to help with that:

https://www.2carpros.com/articles/how-to-check-a-car-fuse

Check these things and let me know what you find or if you have other questions.

Take care and God Bless,

Joe

Was this
answer
helpful?
Yes
No
Tuesday, February 23rd, 2021 AT 6:15 PM

Please login or register to post a reply.