Today, I was able to drive my car this morning with no issues. I made a stop, and when I got back to the car, it would not start. There was no sound, no crank, all lights on the dash, and jumping did not help. The person who tried to jump me mentioned tapping on the starter, but I did not try this because I didn't know where the starter was. I sat in the car and kept trying to get the car to turn and trying to find a ride. 30 minutes past and I was reading car forums that said maybe it was the anti-theft system, and to try to turn the handle while starting. I did, and it worked. Car started and ran strong. Picked up the kids, and went to a friends, as I assumed this was just the anti-theft system.
After about 2 hours, we went to the car to find it not starting again. I tried to turn the handle with no luck. Not turning over, not making a crank sound, all lights on the dash and radio, everything seemed normal. I left it alone for 20 minutes and tried again. It still wouldn't make a sound. After messing with it for a bit, maybe 10 minutes, it started to crank again, though somewhat inconsistently. I went back inside, waited another 20 minutes and tried again. The car would crank, but wouldn't fully turn over. I had to leave the car at my friend's house and thought to try again when it wasn't hot, but my friend had to go to work.
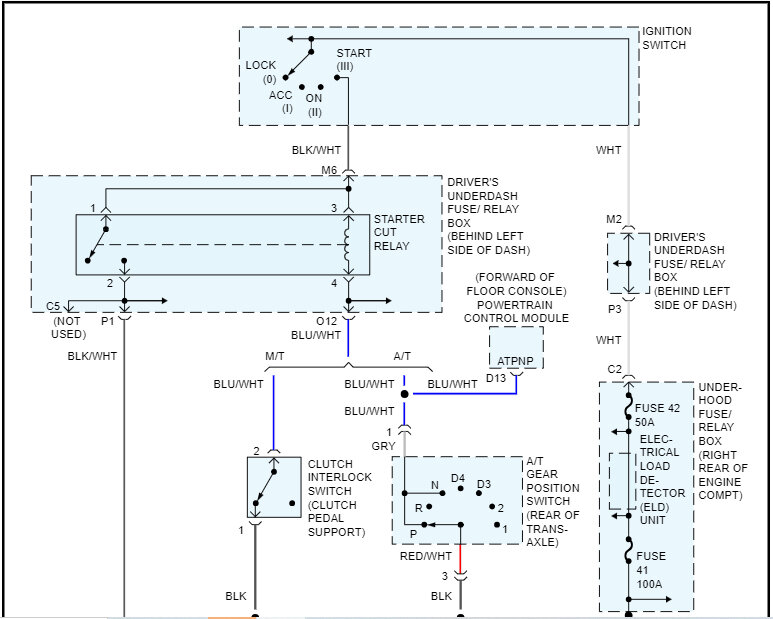
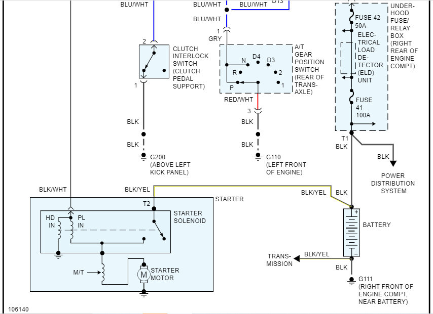
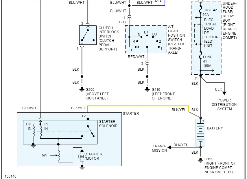
The previous owner mentioned an issue with the ignition switch and said the car was part of a recall, though Honda states it was not. They said sometimes the car would not start and had to be left alone, and after a period of time, 5 to 15 minutes, it would start right away. I've experienced this twice since owning it, but it was right after I bought it and it would crank each time, but not fully turn. I would leave it like they said and then try again with no issues. It had all of these other issues that came up, and I completely forgot about this ignition issue being mentioned. Does this sound like a faulty ignition switch? Do I just need to replace the electrical portion of the ignition switch? Is there anything else it could be that I might be missing? I've seen people mentioning main relay, but would it work absolutely perfectly in between not working at all with a relay issue? Any help would be great. Thank you!
Friday, July 7th, 2023 AT 7:21 PM



