What is the diagram of the color coding of the driver side mirror?

Tiny
EBZE
  • MEMBER
  • 2015 TOYOTA SIENNA
  • 2WD
  • AUTOMATIC
  • 80,000 MILES
Whats the diagram of the color coding of the driver side mirror?
Tuesday, June 28th, 2022 AT 11:27 AM

1 Reply

Tiny
AL514
  • MECHANIC
  • 5,590 POSTS
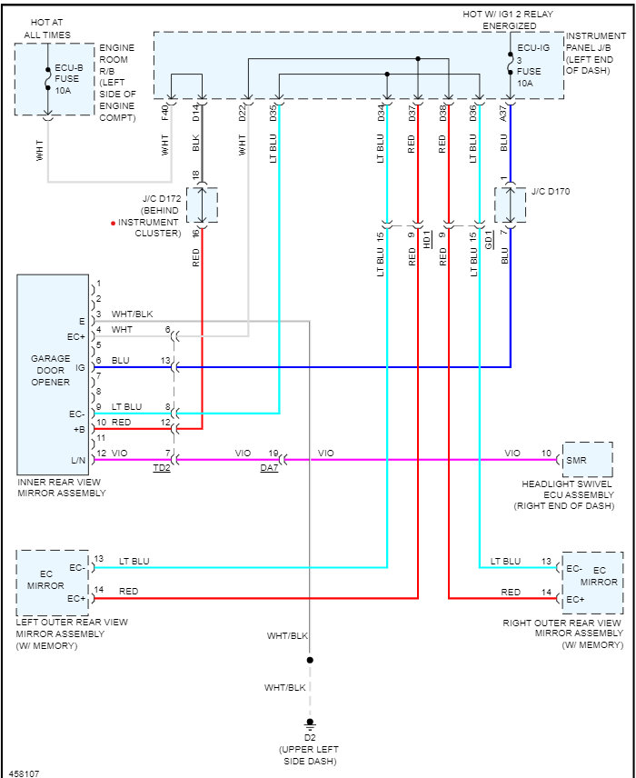
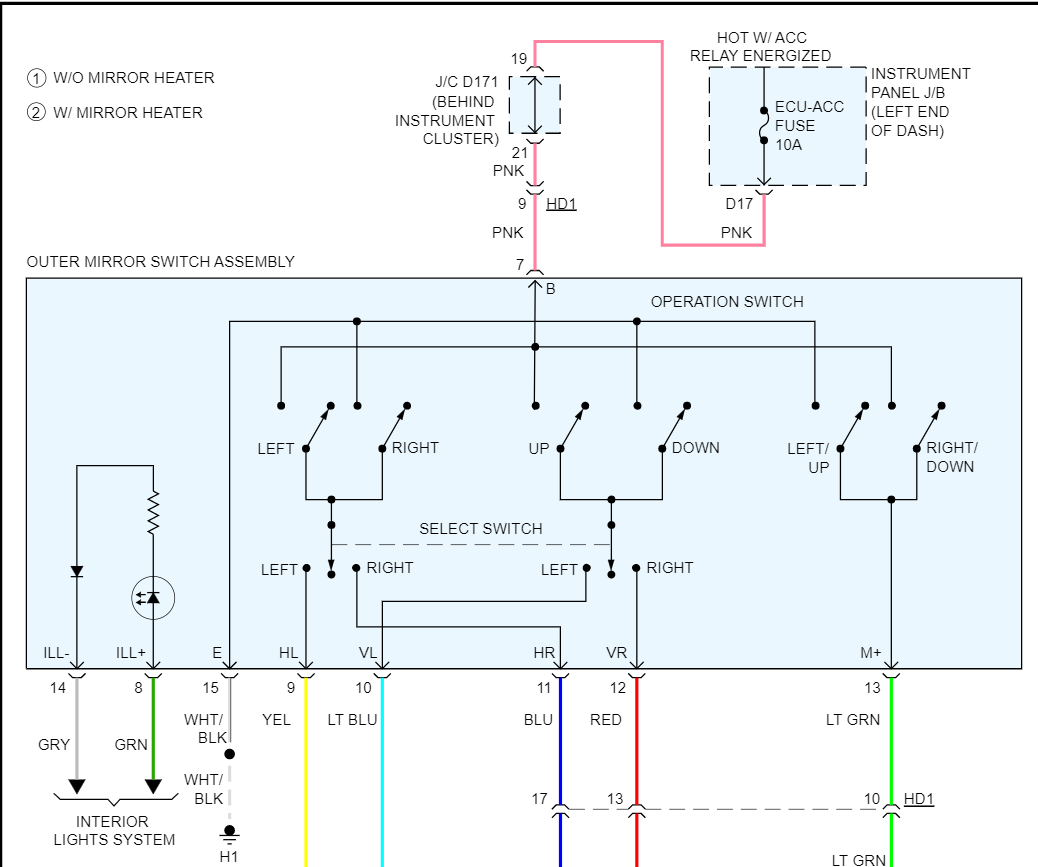
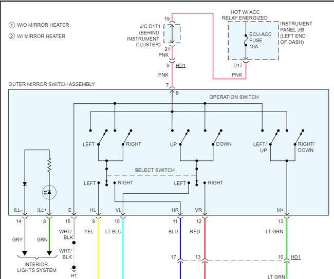
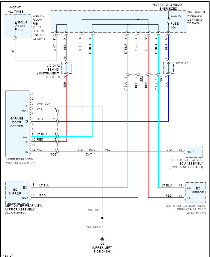
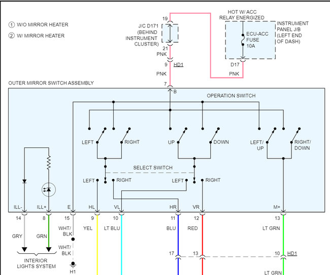
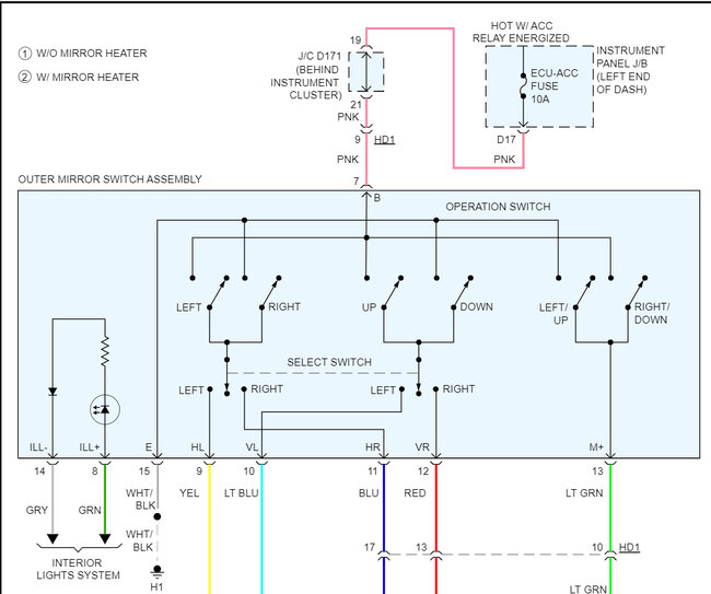
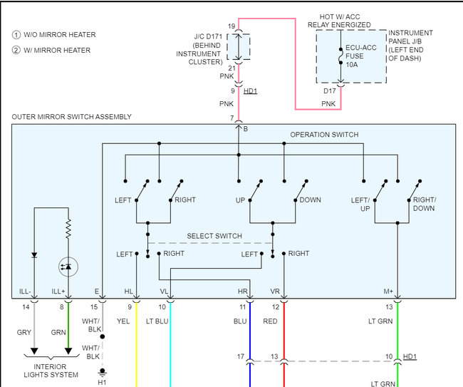
Hello, it looks like there are two different designs for this model. One looks like it has a garage door opener incorporated into the mirror adjustment switch. It appears the difference is the regular outside mirror adjust switch has one wire that is yellow, and the garage door opener option mirror switch does not have any yellow-colored wires. I'll put up the standard regular switch diagram,
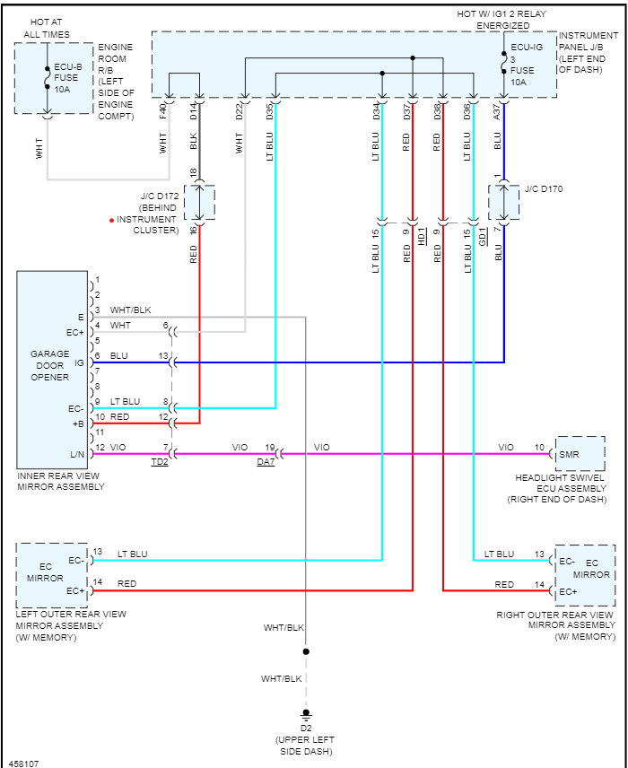
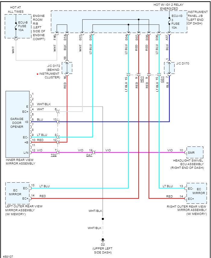
The third diagram is the switch with the Garage door opener built into it, just in case. If that's the one you need let me know and I will split, it in half so it's more visible for you.

https://www.2carpros.com/articles/how-to-use-a-voltmeter

https://www.2carpros.com/articles/how-to-check-wiring

https://www.2carpros.com/articles/step-by-step-side-view-mirror-replacement-guide
Was this
answer
helpful?
Yes
No
Tuesday, June 28th, 2022 AT 12:18 PM

Please login or register to post a reply.