What is causing the battery parasitic draw?

Tiny
LEOVOMENDEZ
  • MEMBER
  • 26 POSTS
Yes. That’s how. Door not closed but with the sensor pushed in.
Was this
answer
helpful?
Yes
No
Monday, January 8th, 2024 AT 5:32 PM
Tiny
AL514
  • MECHANIC
  • 5,584 POSTS
Okay, if you already have a battery cable unhooked, just disconnect the battery cable so you can unbolt the main positive cable on the Alternator and isolate it so it doesn't short out on anything, Unplug the connector on the Alternator too and recheck for the draw. If it's still there just hook the alternator back up. This is just to verify it's not a drain through the Alternator.
Are you able to unplug any of the connectors on the front of the Instrument Panel JB?
Was this
answer
helpful?
Yes
No
Monday, January 8th, 2024 AT 5:53 PM
Tiny
AL514
  • MECHANIC
  • 5,584 POSTS
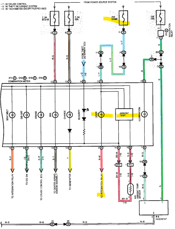
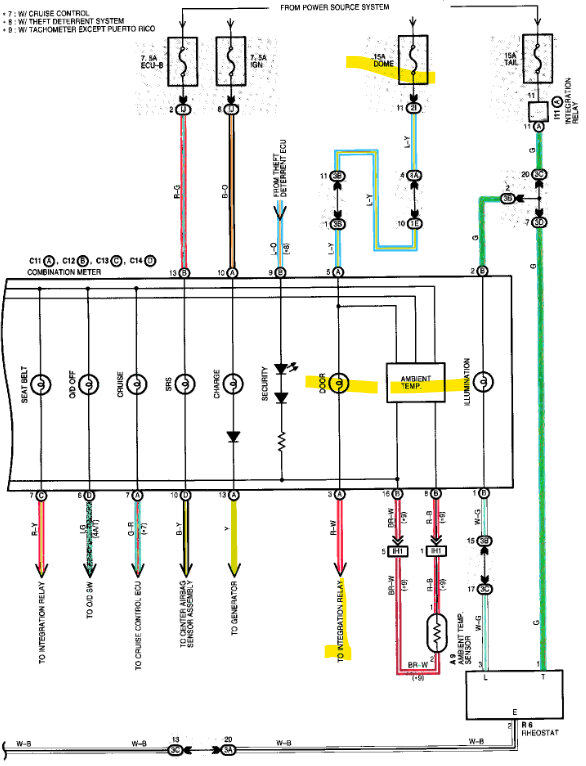
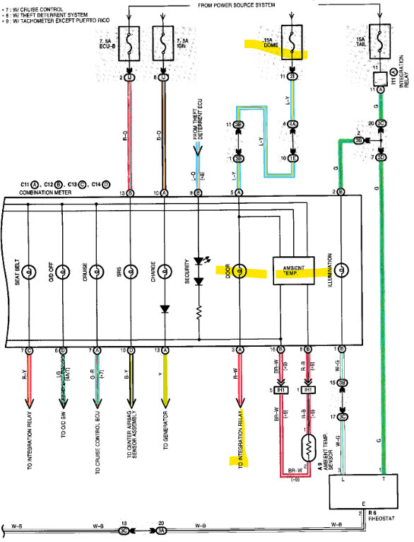
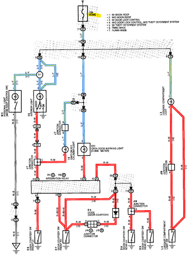
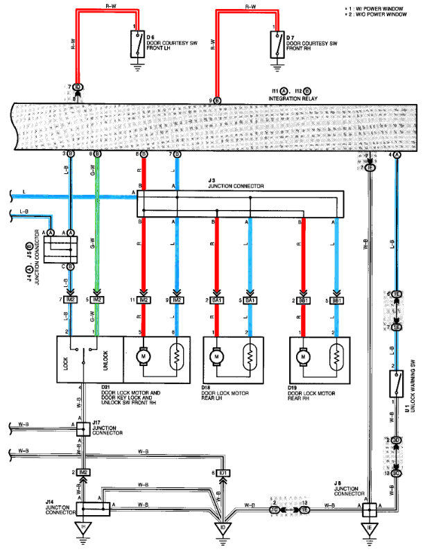
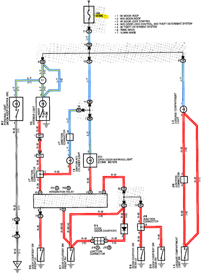
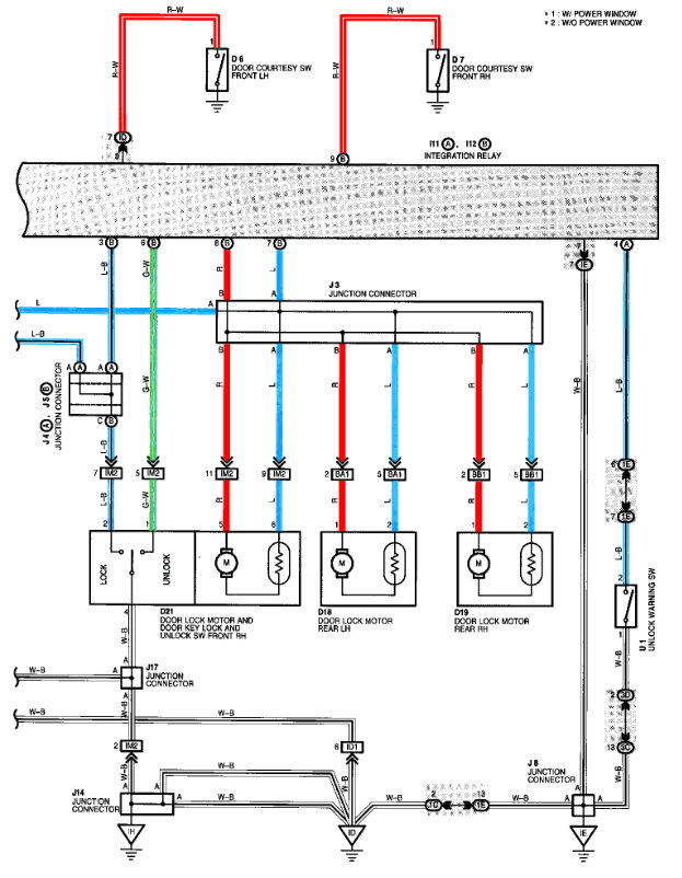
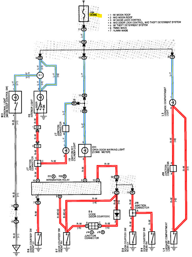
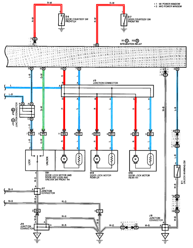
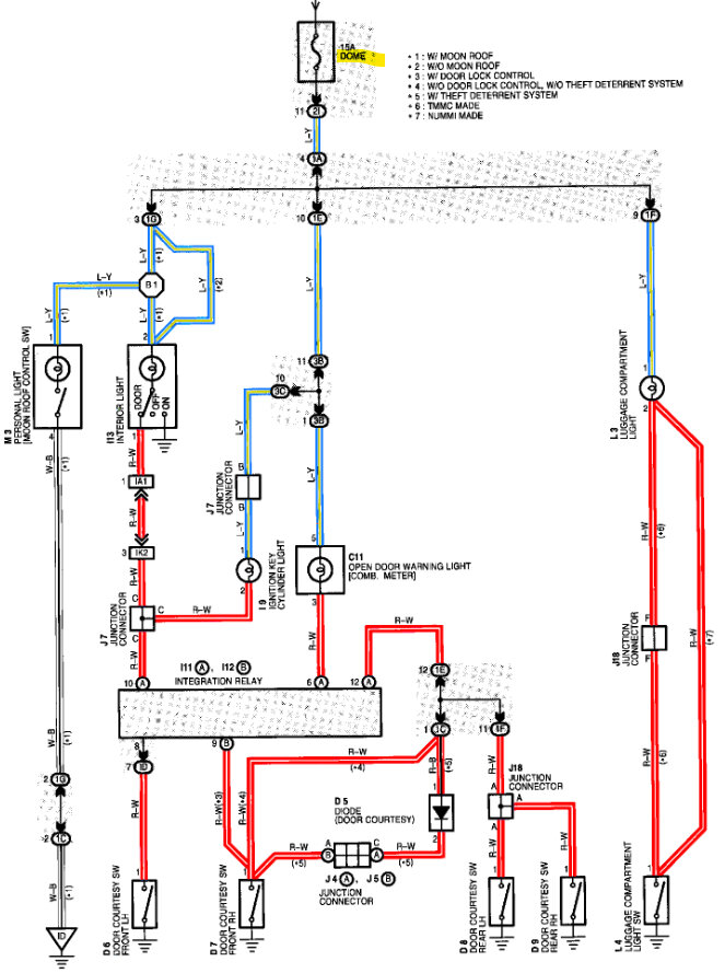
These are the OEM diagrams for the Dome Fuse. Does the buzzer still work if the head lights are left on when the key is off? The buzzer works through the Integration Relay as well.
Was this
answer
helpful?
Yes
No
Monday, January 8th, 2024 AT 6:13 PM
Tiny
LEOVOMENDEZ
  • MEMBER
  • 26 POSTS
Okay. So, keep the negative cable disconnected. Unbolt the power/positive cable from alternator. Unplug the signal cable from alternator. And repeat the draw test. Check for drainage in Amps. I don’t remember if the buzzer still works. Probably not because I believe the buzzer goes off when the door is opened.
Was this
answer
helpful?
Yes
No
Monday, January 8th, 2024 AT 6:14 PM
Tiny
AL514
  • MECHANIC
  • 5,584 POSTS
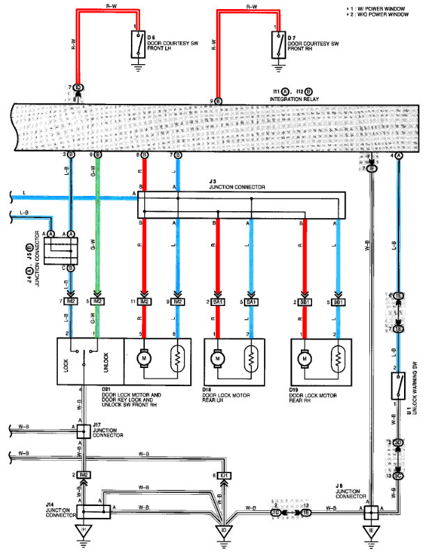
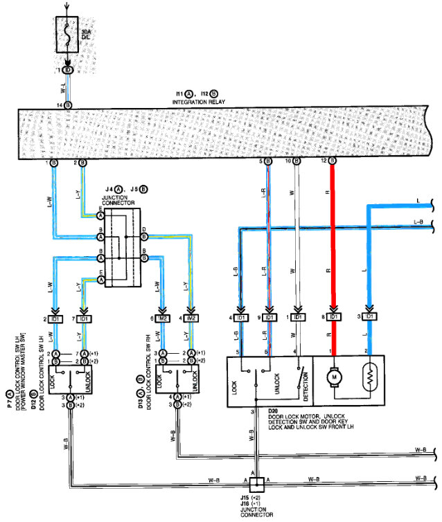
Yes, although it looks like almost everything dealing with the Dome Fuse is related to this Integration Relay. There's a Hood switch as well, it goes to the Theft Deterrent ECU, but that's unplugged you mentioned. I'm just looking for anything on the Dome Fuse, I added a couple OEM diagrams to my last post.
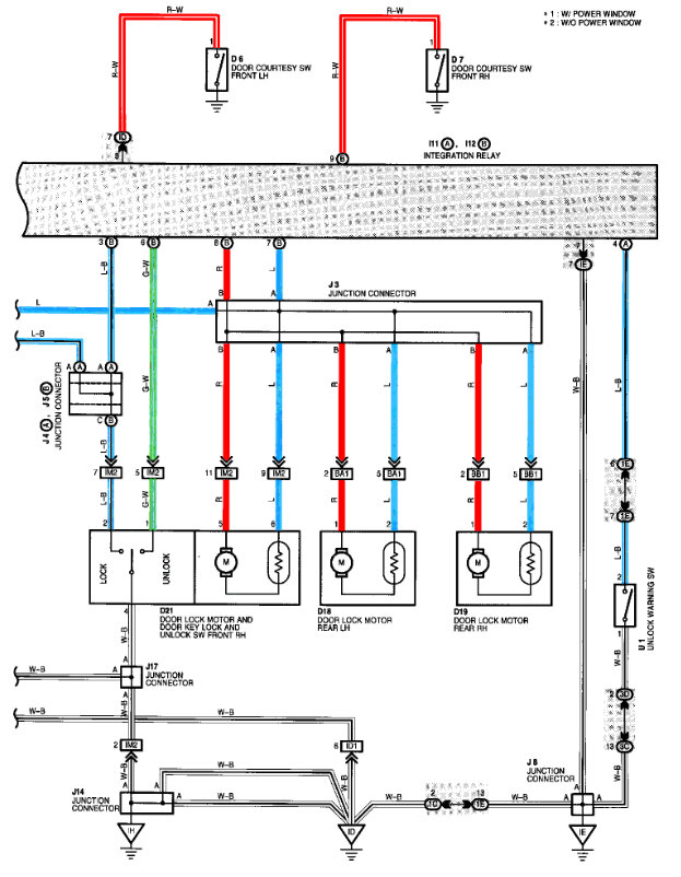
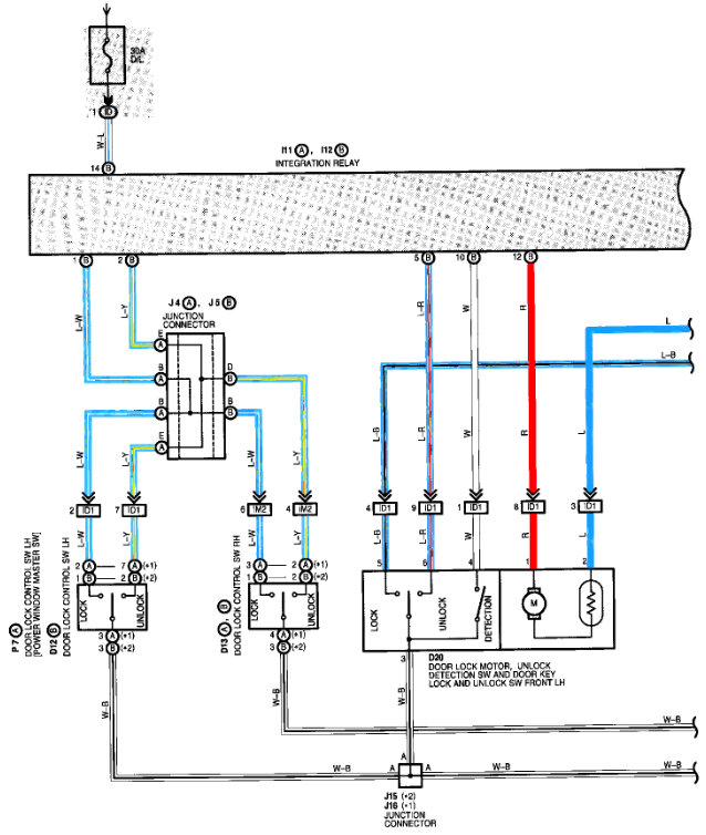
There are multiple door lock motors one for each door, that of course go to the Integration Relay, they can be difficult to diagnose since they're a pain to disconnect.
Was this
answer
helpful?
Yes
No
Monday, January 8th, 2024 AT 6:30 PM
Tiny
LEOVOMENDEZ
  • MEMBER
  • 26 POSTS
There are no door lock motors. Everything is manual. It’s the basic of basics Corolla. Nearly no accessories and no electrical components. I think everything will come down to the alternator test and the removal of that relay. Is it an issue if I unplug the negative cable every time the car is stationary instead of the fuse? Find it easier to bolt and unbolt with a wrench than take off the fuse as sometimes it gets tricky to remove.
Was this
answer
helpful?
Yes
No
Monday, January 8th, 2024 AT 7:21 PM
Tiny
AL514
  • MECHANIC
  • 5,584 POSTS
The issue with disconnecting the battery is the PCM/ECM losing its learned memory and Readiness Monitors that are the PCMs self-tests on such systems as the Evap leak, Catalyst monitors, etc. It's not so much of a big deal temporarily while we figure out where this draw is happening. But if you need to go through emissions testing/inspection anytime soon that will be an issue.
It looks like that Integration Relay is probably built into that fuse panel, and on the back side is just the harness plug for it where the power will come in or go out to whatever its controlling.
It's difficult to tell everything that it controls, I'm having to look at almost every diagram to see if it's included or not. The manufacturer should have just made a diagram for the relay itself showing everything on one page that has to do with it. The circuit for the Dome Fuse also looks to run into that Instrument fuse panel and then back out to another Junction Block in the center of the dash and then come back to the Fuse panel.
So, I think when you get to the relays connector on the back side of the fuse panel, is to disconnect it and if possible use your meter to check each pin on that connector to the fuse panel (in series) like you're doing at the battery, but this way we would be able to know exactly which wire to the relay the draw is on. If that makes sense.
You may want to invest in an amp clamp that can measure DC current, even a cheap one since you're not measuring high current flow in cases like this.
You would be able to just put the amp clamp around each wire at the fuse panel and see if there's current flowing without having to deal with disconnecting anything to put a meter in series with wires.
I'm surprised you didn't find any voltage drop across any fuses in the instrument fuse panel. I'll need to check where else that circuit goes, you don't hear anything buzzing or clicking under the hood when you reconnect the battery at all? Do you have your meter on the negative or positive battery cable?
Was this
answer
helpful?
Yes
No
Tuesday, January 9th, 2024 AT 10:35 AM
Tiny
AL514
  • MECHANIC
  • 5,584 POSTS
I might lose power here with this big storm coming in, so if I don't respond that's why.
Try pulling these fuses. And the relays in the engine compartment fuse panel, just to see what happens.
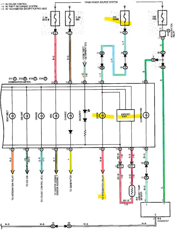
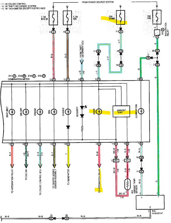
With this vehicle not having all the bells and whistles, this draw should not be this difficult to find. I'm looking at the Cluster right now, and it's on the Integration Relay as well, I'm not sure how difficult it is to pull the cluster, to unplug it. With no door lock motors, do you not have power windows either?
Was this
answer
helpful?
Yes
No
Tuesday, January 9th, 2024 AT 10:37 AM
Tiny
LEOVOMENDEZ
  • MEMBER
  • 26 POSTS
I appreciate the help. I am not able to do anything more to the car. I won’t see it again until next month. The user of the car says they will just disconnect the battery every night and connect it on its first use of the day. I told them to be checking the battery voltage constantly to see if they should disconnect it more often than just at night. That’s until I get back next month and figure out that integration relay. No, no power or anything really. The only voltage drop I saw was that 1.0 of the Dome fuse. No, no buzzing or clicking. Never tried to pay attention to it. But now when I am. There’s no sound. Meter always on negative.
Was this
answer
helpful?
Yes
No
Tuesday, January 9th, 2024 AT 11:15 AM
Tiny
AL514
  • MECHANIC
  • 5,584 POSTS
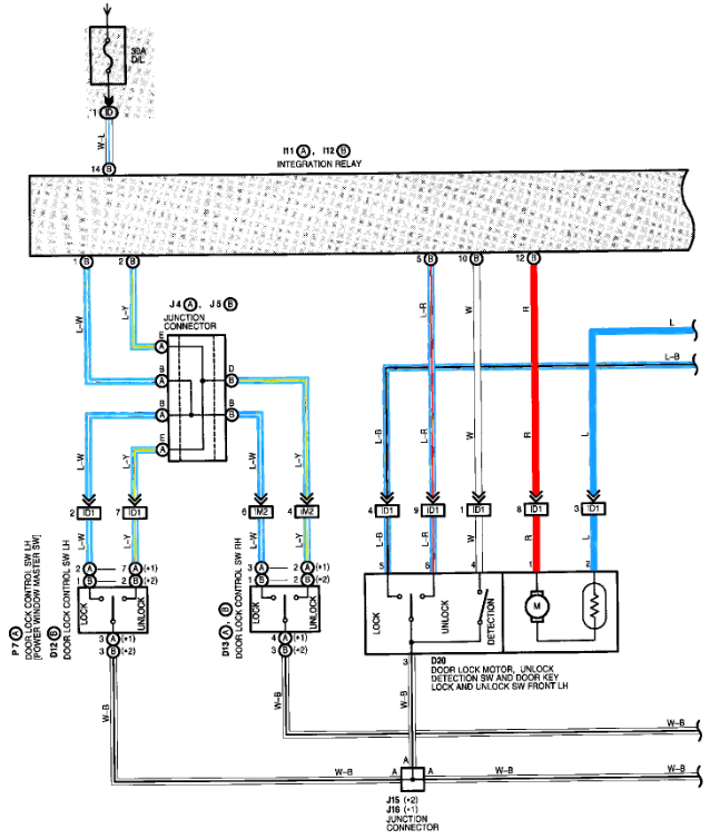
Okay, it doesn't matter which side of the battery you put a meter in series to measure current flow, it's just easier on the negative cable because it ensures you are getting all the current flow through the one cable, where the positive can have multiple cables. So it may be that the draw is either not going passed the Integration relay and that's why you're not seeing any voltage drop on the fuses for the interior fuse panel, or the Dome fuse circuit is branching off to somewhere in the engine compartment. I finally found these charts that show everything on the Dome fuse, but we've gone over most of this except whatever is on that relay. It seems to be the last thing besides the Cluster and Theft ECU.
Was this
answer
helpful?
Yes
No
Tuesday, January 9th, 2024 AT 1:09 PM

Please login or register to post a reply.