Two brand new head lights but only one works on dim

Tiny
RICKNROSE39
  • MEMBER
  • 2002 MITSUBISHI GALANT
  • 4 CYL
  • 2WD
  • AUTOMATIC
  • 150,000 MILES
Like I said I bought two brand new head lights but only one works on dim. Both work on high beam. Taillights do not work but brake lights do. I have no dash lights and I have added an aftermarket radio but none of my problems stem from the radio install.
Saturday, November 6th, 2021 AT 11:22 AM

1 Reply

Tiny
AL514
  • MECHANIC
  • 5,595 POSTS
Hello, so looking at the wiring diagrams, I think you may have an issue with a fuse box that's under the hood. There's one fuse that ties all your issues together, Ill post the diagrams below and explain what they mean.
The first diagram is Fuse # 18 which powers up the Instrument Cluster.
The fourth diagram is the Engine Compartment Rely/Fuse box. You'll notice that Fuse #18 is in there too. Circled in green (the green/white wires) they feed your taillights.
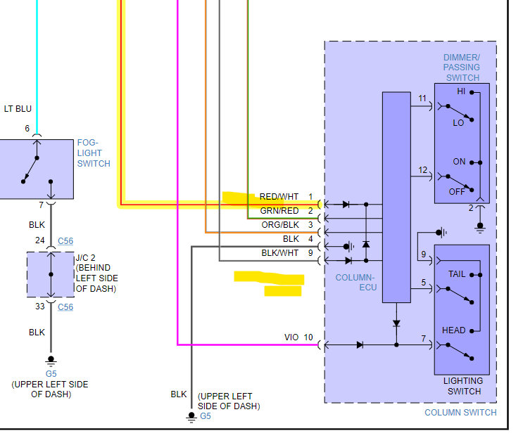
But that Fuse #18 also feeds the Column Switch in the third diagram, you'll also notice it has an ECU built into the Column Switch, so a small module control all that.
The second diagram is you head light circuit powered by Fuse #18 and is also in that Relay/Fuse box in the engine compartment. It also is controlled by a small ECU.
So, I would start by doing some wiring checks at these fuses with a 12-volt automotive test light. Also look for any broken black wires, those are all ground wires for these components.
Since the Taillight and Head light relays are controlled by power transistors, that whole box will have to have a full 12-volts (battery power) to it and be able to carry a current load. using a test light will load test these circuits. I will keep including information as we go here,
Sometimes these Fuse and Relay Boxes get corroded from underneath, they are not well protected from the bottom up in most cases, so that is a good place to start checking for problems as well. If you see any green corroded wires, there is probably a lot more like that under there.
Taking the Fuse Box and unbolting it to look underneath as best you can.

Start with the last diagram actually, because its Grounded in the front fender, and that's an easy place to get corroded wires. Sorry for all the info at once, I'm just trying to show how these problems can be linked together. These Fuse/Relay Boxes are smart boxes, it's not just a Fuse panel, as you can see it contains power transistors for turning on relays.

https://www.2carpros.com/articles/how-to-use-a-test-light-circuit-tester

https://www.2carpros.com/articles/how-to-check-wiring

https://www.2carpros.com/articles/how-to-check-a-car-fuse

To add to this there is 2 Recalls concerning this issue posted fifth and MAP. The MAP one is about the wiring Harness being rubbed through causing a short to ground problem.
Was this
answer
helpful?
Yes
No
Saturday, November 6th, 2021 AT 5:36 PM

Please login or register to post a reply.