No headlights

Tiny
01COUPE
  • MEMBER
  • 2000 MITSUBISHI GALANT
  • 6 CYL
  • 2WD
  • AUTOMATIC
  • 155,000 MILES
Dash lights and headlights both went out, but still have turn signals and brake lights, what should I check first?
Wednesday, April 6th, 2011 AT 7:49 PM

5 Replies

Tiny
KEN L
  • MASTER CERTIFIED MECHANIC
  • 55,428 POSTS
It sounds like a relay or the fuse has gone out. Here are some guides and diagrams (below) so we can do some quick tests and get the problem fixed.

https://www.2carpros.com/articles/how-to-check-a-car-fuse

and

https://www.2carpros.com/articles/how-to-check-an-electrical-relay-and-wiring-control-circuit

and

https://www.2carpros.com/articles/how-to-use-a-test-light-circuit-tester

Test for power and see where it stops.

Please let us know what you find.

Cheers, Ken
Was this
answer
helpful?
Yes
No
Thursday, September 21st, 2017 AT 11:45 AM
Tiny
TECNATIC
  • MEMBER
  • 3 POSTS
  • 2000 MITSUBISHI GALANT
  • 4 CYL
  • 2WD
  • AUTOMATIC
  • 206,000 MILES
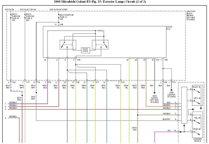
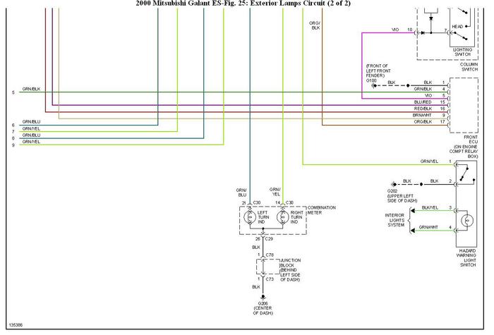
The low beam headlights work, but the high beams do not.

The emergency flashers work, but the turn signals do not.

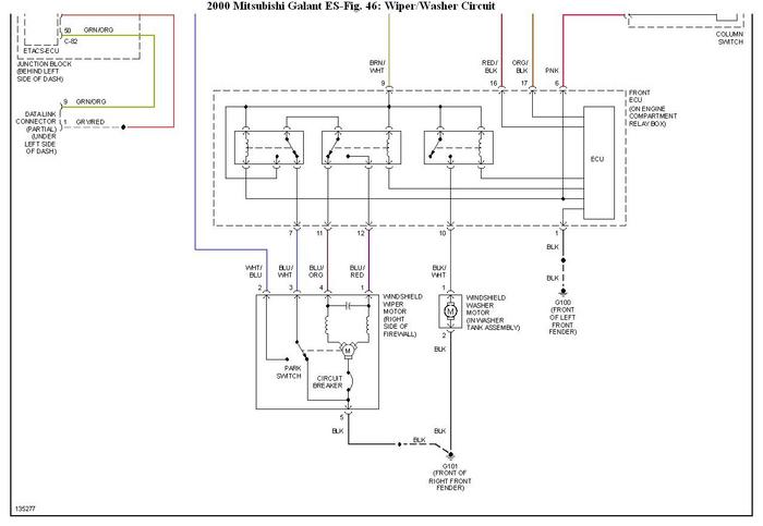
The windshield wipers work on low speed only, but not on high speed or intermittent speed.

The windshield washer does not work.

The fog lights do not work.

All of these were working fine just before this problem happened, whatever it is. All of these stopped working simultaneously. I have checked all of the fuses, replaced the turn signal lever, and replaced the ETACS behind the main fuse box in the dashboard but none of that made any difference. I cant figure out what all of these systems have in common. Is there a common ground wire, or do they all run though some connector in the wiring harness or what else could it be?
Was this
answer
helpful?
Yes
No
Wednesday, August 28th, 2019 AT 9:37 AM (Merged)
Tiny
KHLOW2008
  • MECHANIC
  • 41,814 POSTS
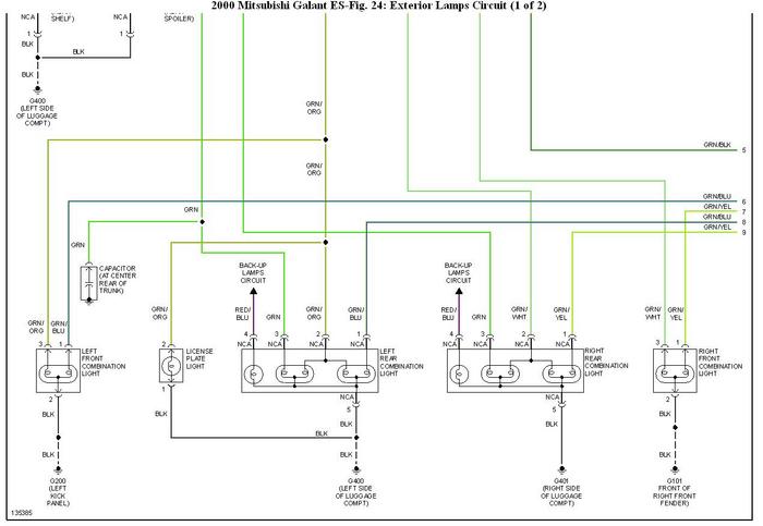
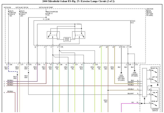
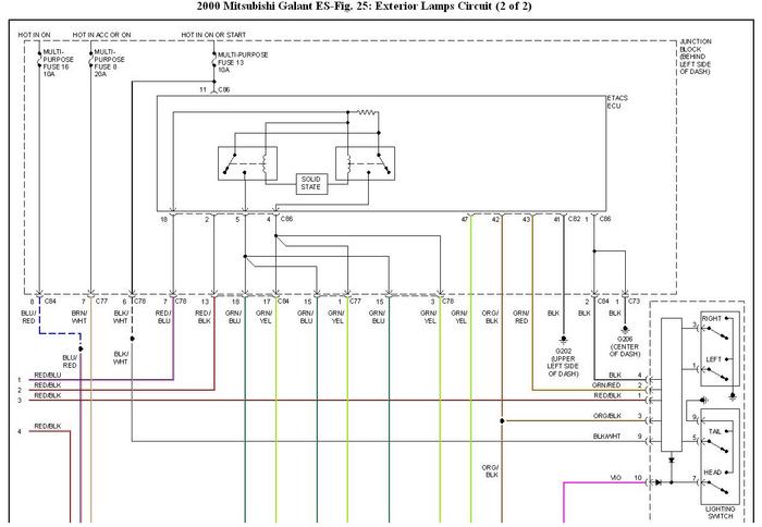
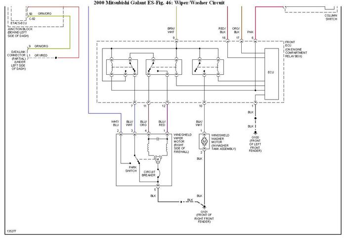
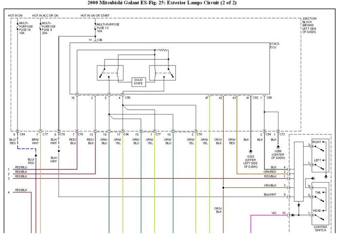
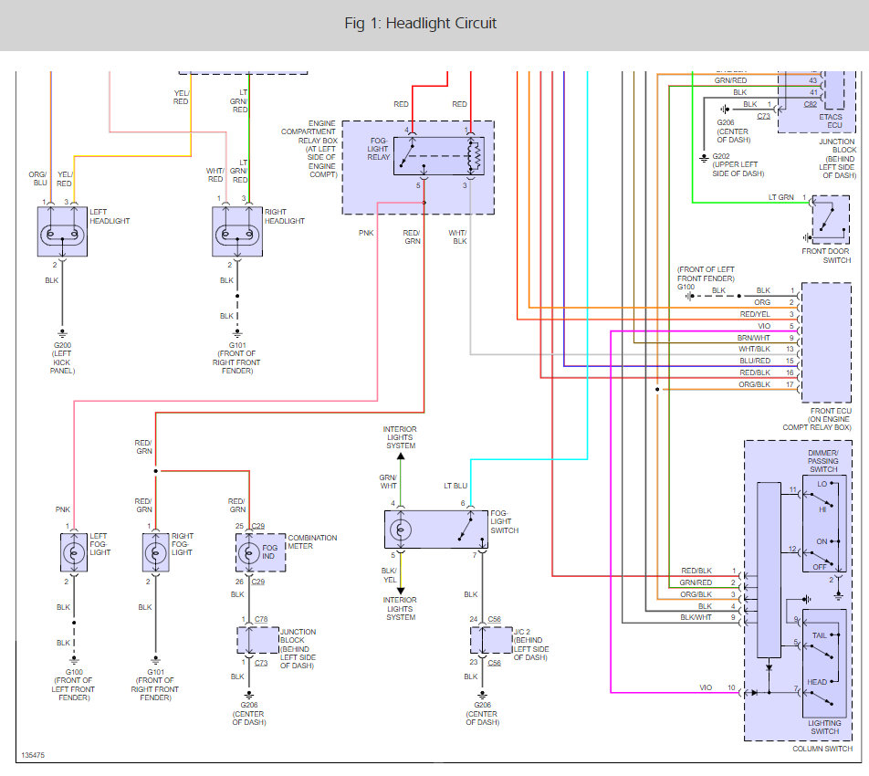
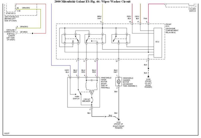
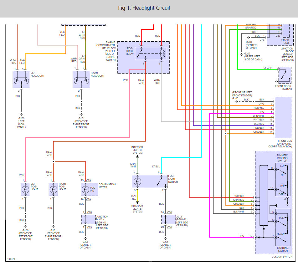
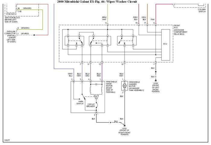
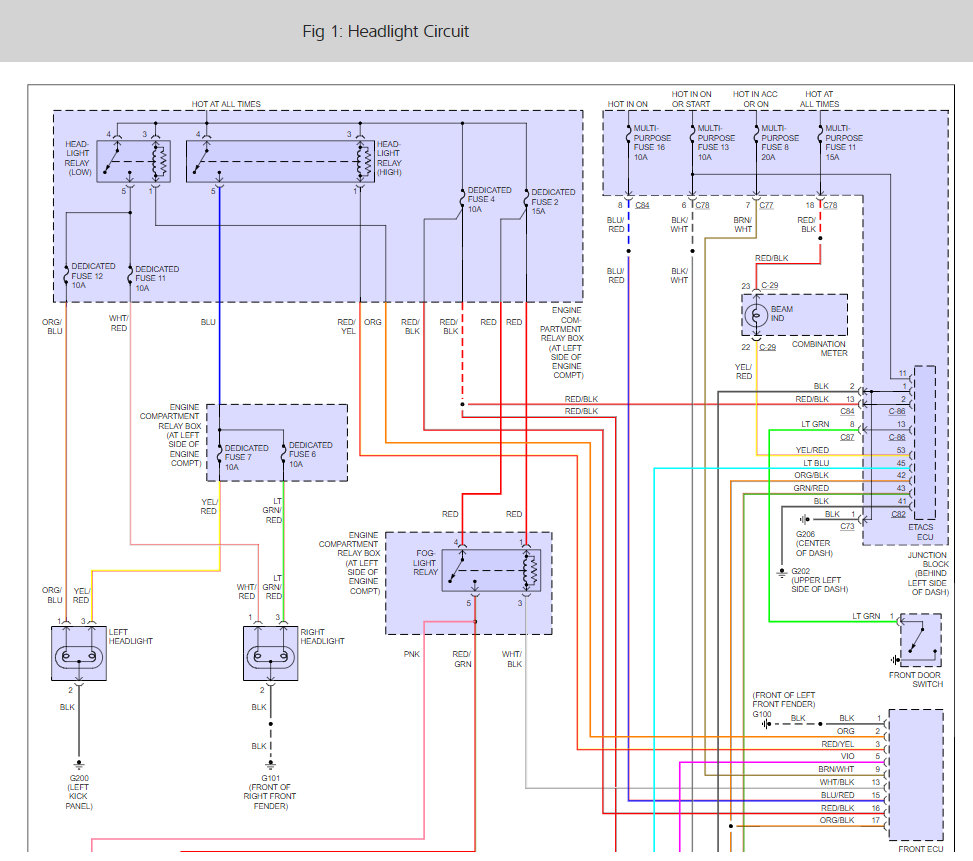
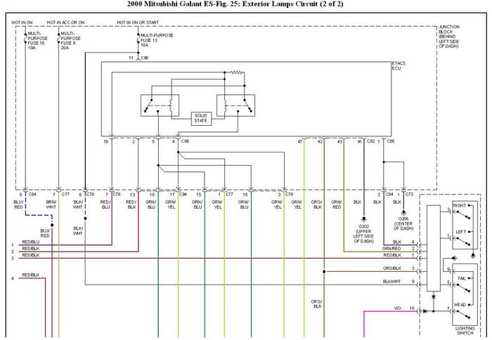
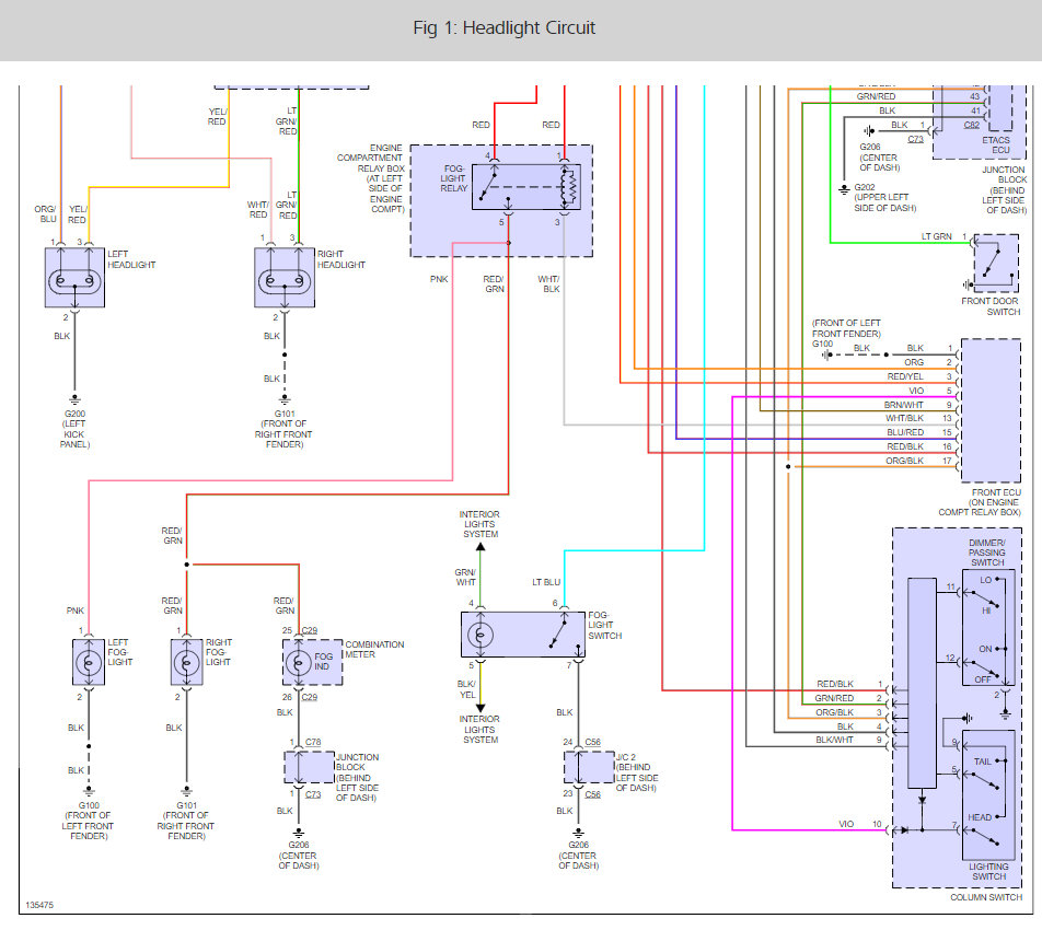
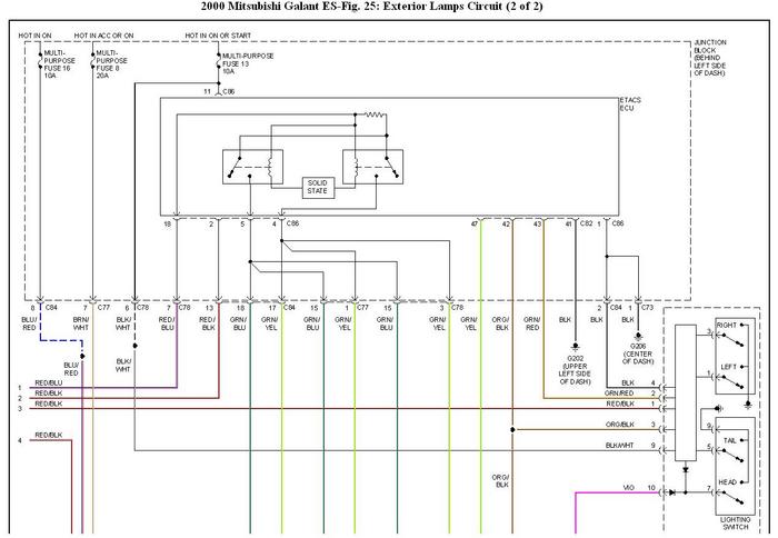
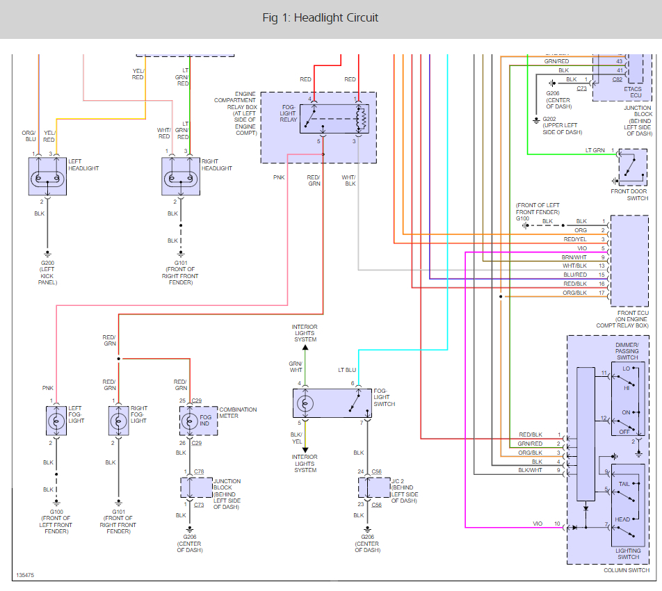
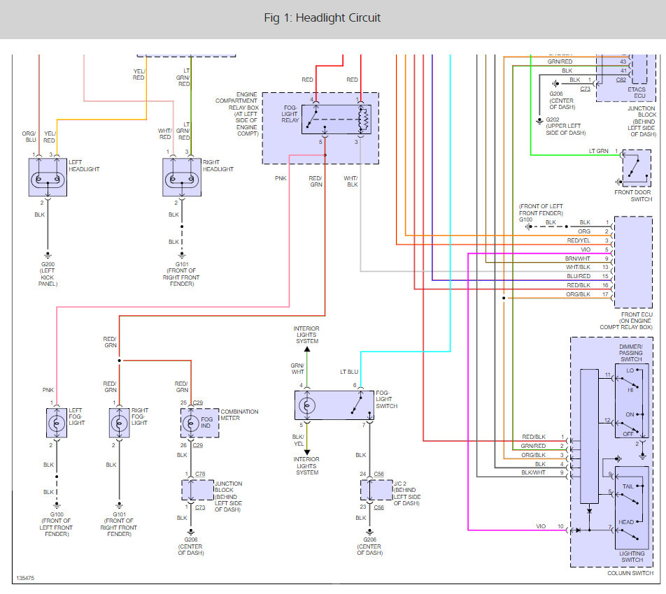
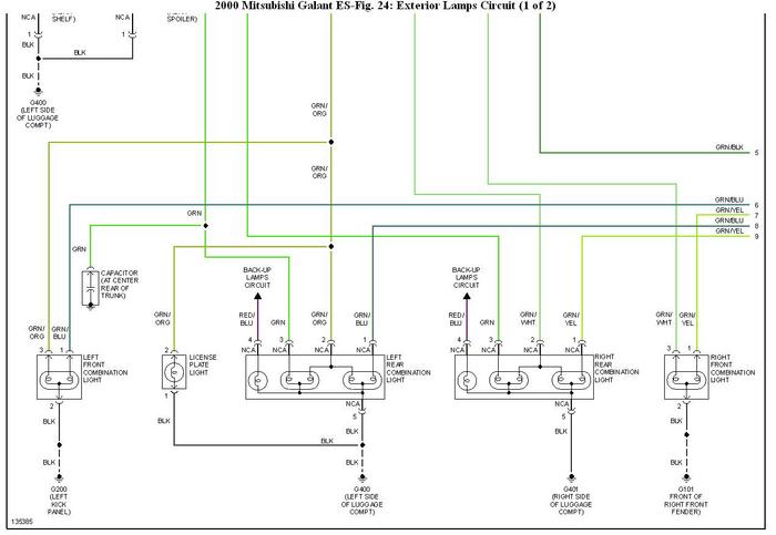
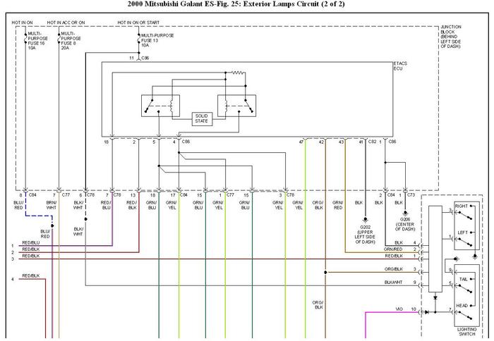
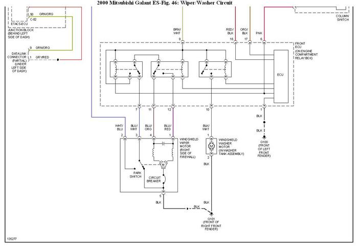
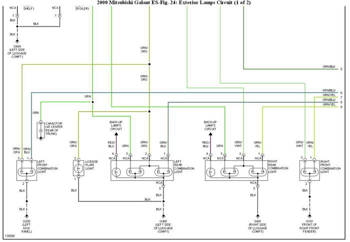
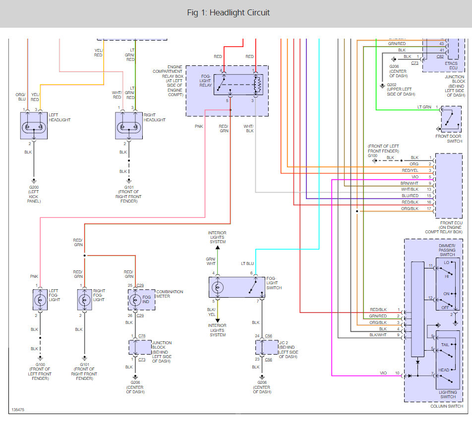
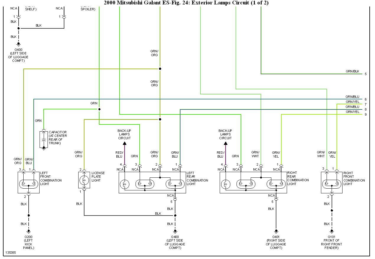
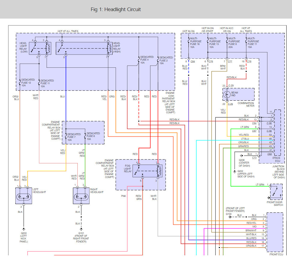
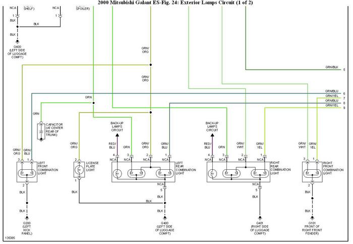
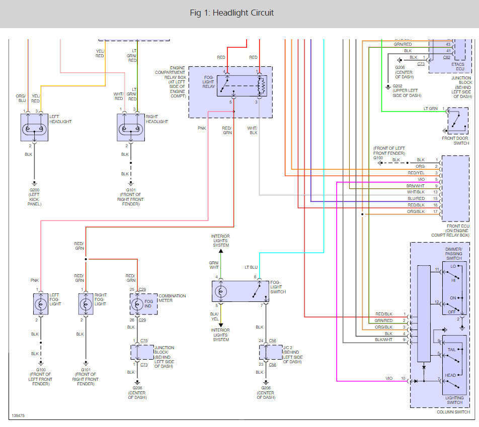
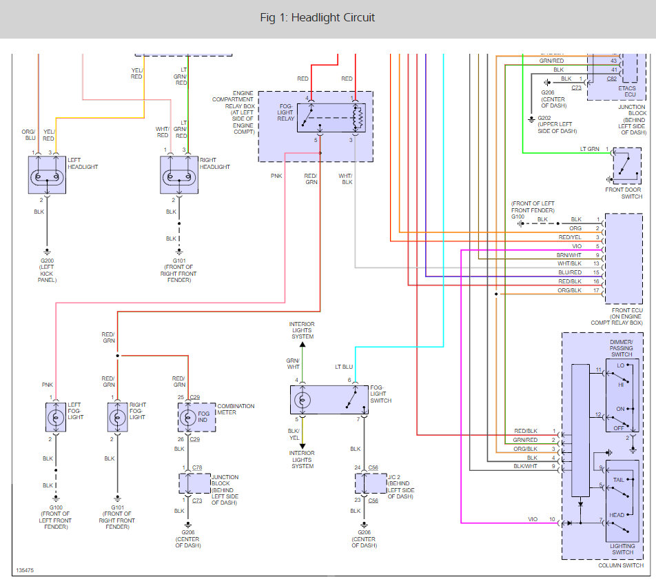
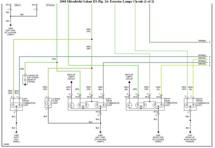
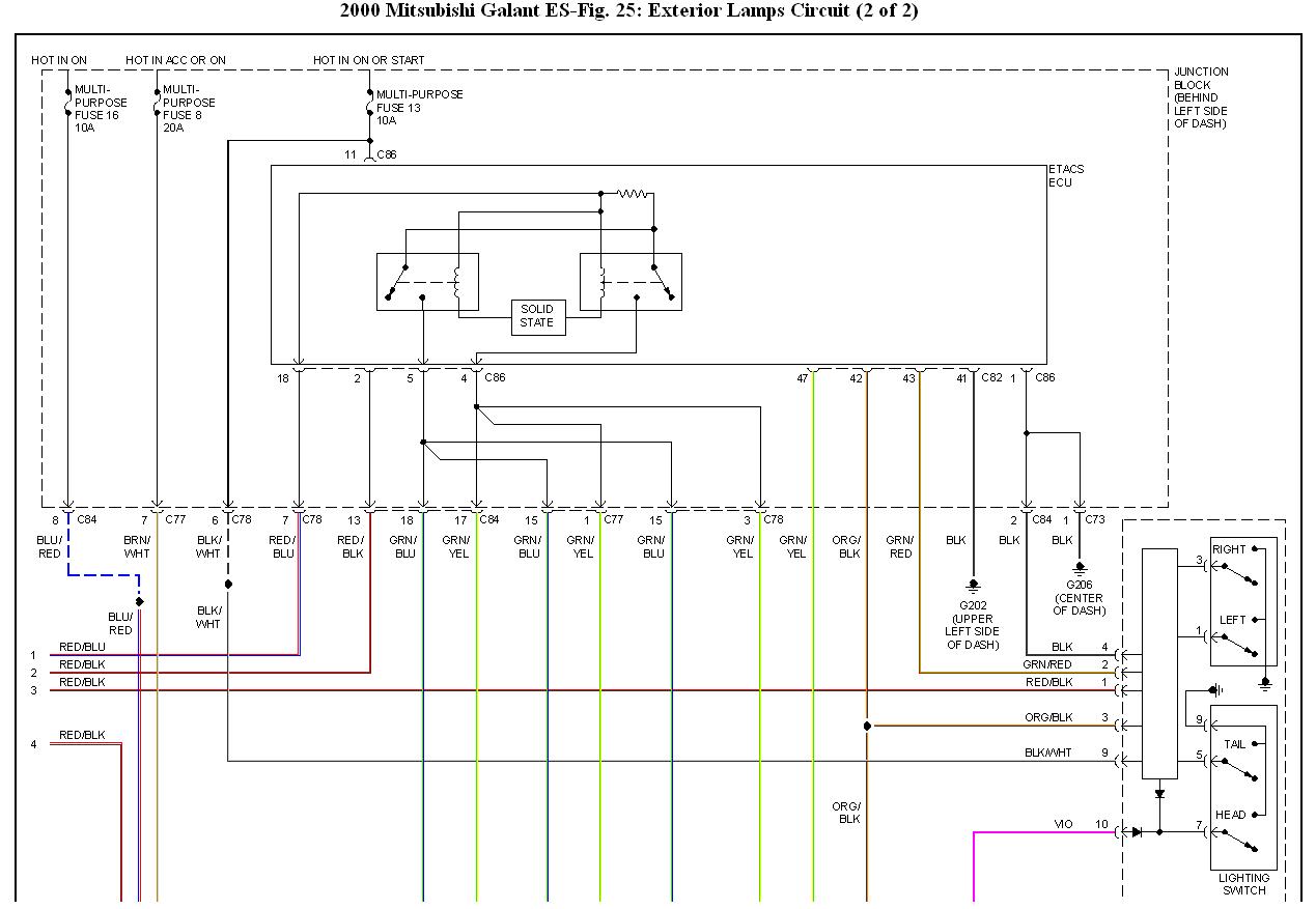
Here are the schematics of the various items mentioned

The one thing common among all cpompnents listed is the Front ECU, in engine compartment relay box.
Was this
answer
helpful?
Yes
No
Wednesday, August 28th, 2019 AT 9:37 AM (Merged)
Tiny
TECNATIC
  • MEMBER
  • 3 POSTS
If that is the source of the problem and the circuit that flashes the marker lamps for the turn signals, then how can the emergency flashers work at all?
Was this
answer
helpful?
Yes
No
Wednesday, August 28th, 2019 AT 9:37 AM (Merged)
Tiny
KHLOW2008
  • MECHANIC
  • 41,814 POSTS
Emergency flasher uses a different circuit that does not involve the Front ECU.
Was this
answer
helpful?
Yes
No
Wednesday, August 28th, 2019 AT 9:38 AM (Merged)

Please login or register to post a reply.