Where is the computer relay located?

Tiny
DCBENNY
  • MEMBER
  • 2001 MAZDA B2500
  • 4 CYL
  • 2WD
  • MANUAL
  • 190,000 MILES
Wanting to replace my computer relay.
Tuesday, October 27th, 2020 AT 12:36 AM

5 Replies

Tiny
ASEMASTER6371
  • MECHANIC
  • 52,796 POSTS
Good morning,

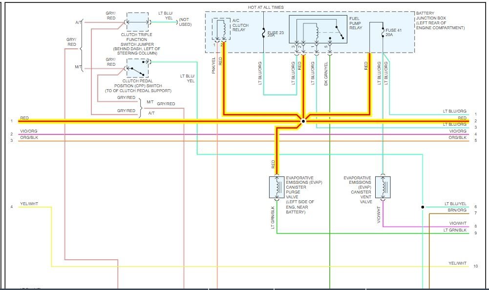
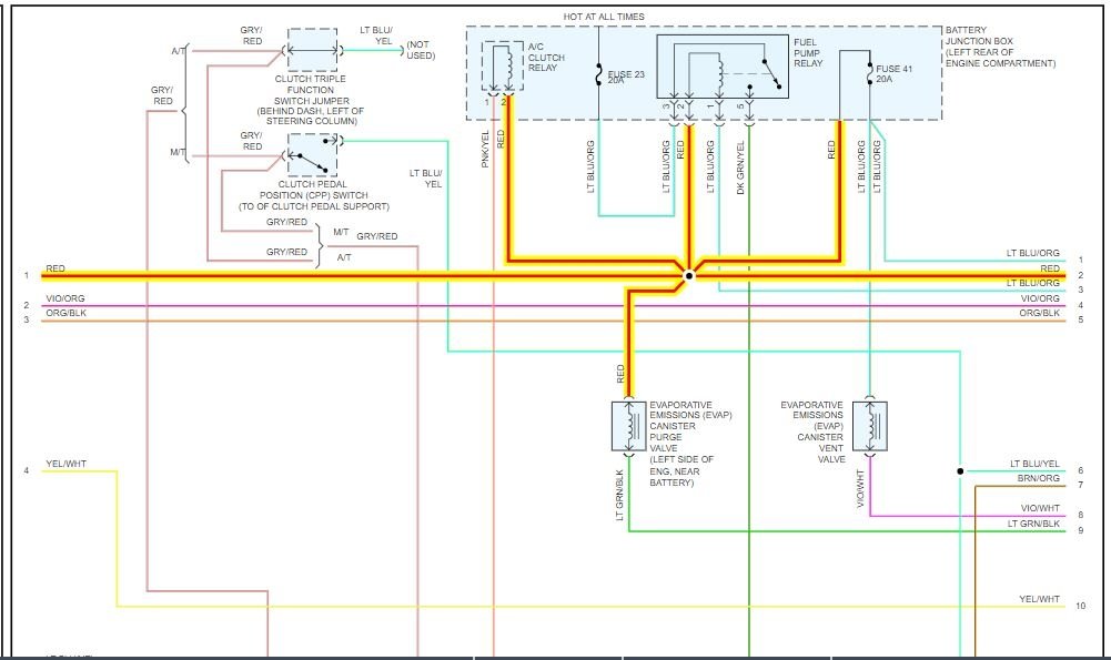
I attached the wiring diagram of the relay for you below.

https://www.2carpros.com/articles/how-to-check-wiring

I also attached the location in the fuse block of the relay as well.

https://www.2carpros.com/articles/how-to-check-an-electrical-relay-and-wiring-control-circuit

What is the issue?

Roy
Was this
answer
helpful?
Yes
No
+1
Tuesday, October 27th, 2020 AT 1:28 AM
Tiny
DCBENNY
  • MEMBER
  • 3 POSTS
Engine cuts out at 50 -60 mph. Garage thinks it needs a new computer. I wanted to try replacing the computer relay first. Should I?
Was this
answer
helpful?
Yes
No
Tuesday, October 27th, 2020 AT 8:55 AM
Tiny
ASEMASTER6371
  • MECHANIC
  • 52,796 POSTS
I doubt that is the issue at all. If the relay was bad, it would do it all the time.

When it cuts out, do you mean it stalls out completely or sputters?

Roy
Was this
answer
helpful?
Yes
No
+1
Tuesday, October 27th, 2020 AT 9:10 AM
Tiny
DCBENNY
  • MEMBER
  • 3 POSTS
It sputters like several plugs are misfiring then goes back to normal. If I replace the computer as the garage recommends, can I order a Ranger brand since Mazda has none available and does it need to be programmed?
Was this
answer
helpful?
Yes
No
Tuesday, October 27th, 2020 AT 9:21 AM
Tiny
ASEMASTER6371
  • MECHANIC
  • 52,796 POSTS
Yes you can, but it must be programmed to your VIN.

As far as the misfire, i would you replace the plugs? Sometimes it is just basics that cause the issue.

https://www.2carpros.com/articles/engine-misfires-or-runs-rough

Roy
Was this
answer
helpful?
Yes
No
Tuesday, October 27th, 2020 AT 9:38 AM

Please login or register to post a reply.