Monday, August 23rd, 2021 AT 8:56 PM
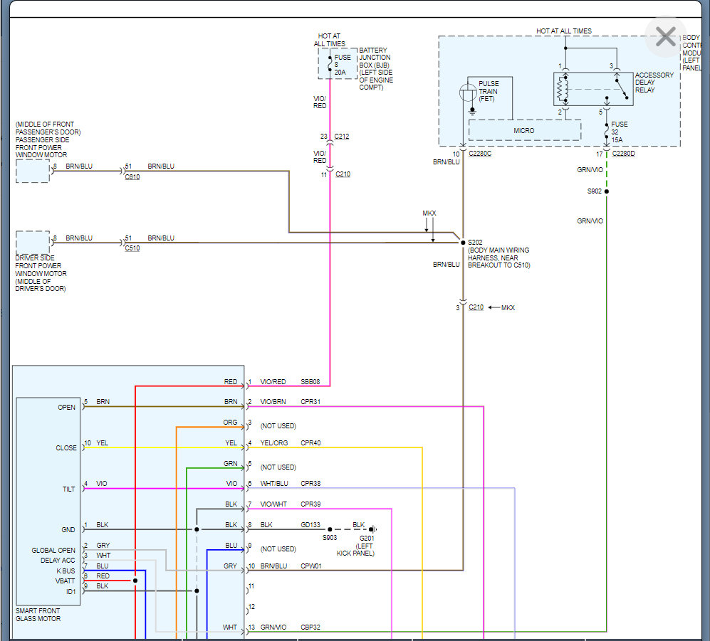
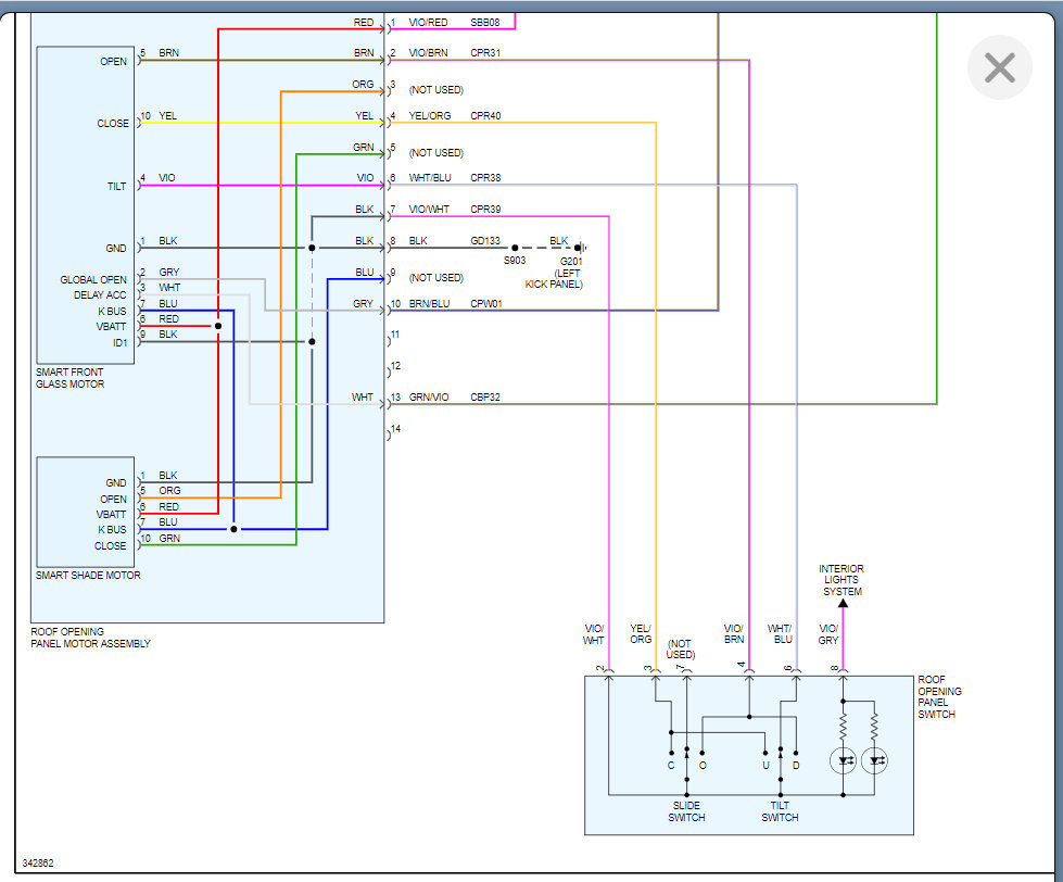
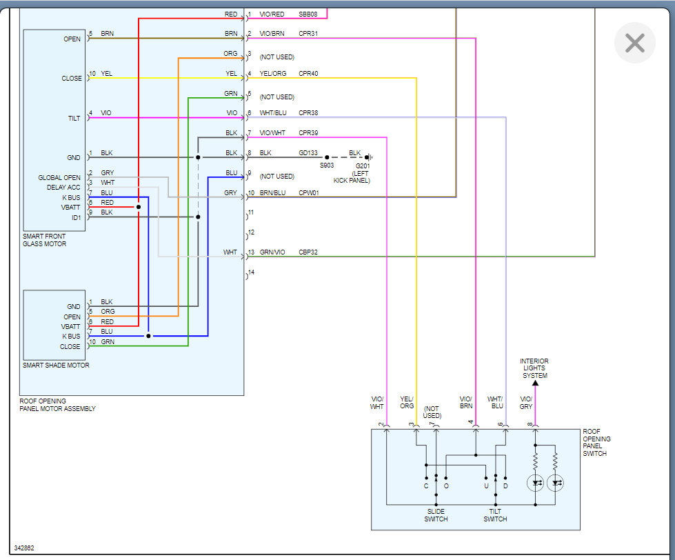
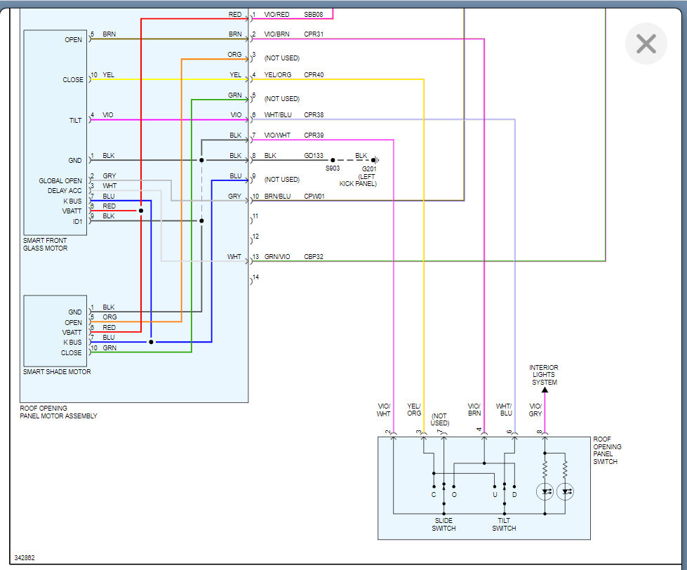
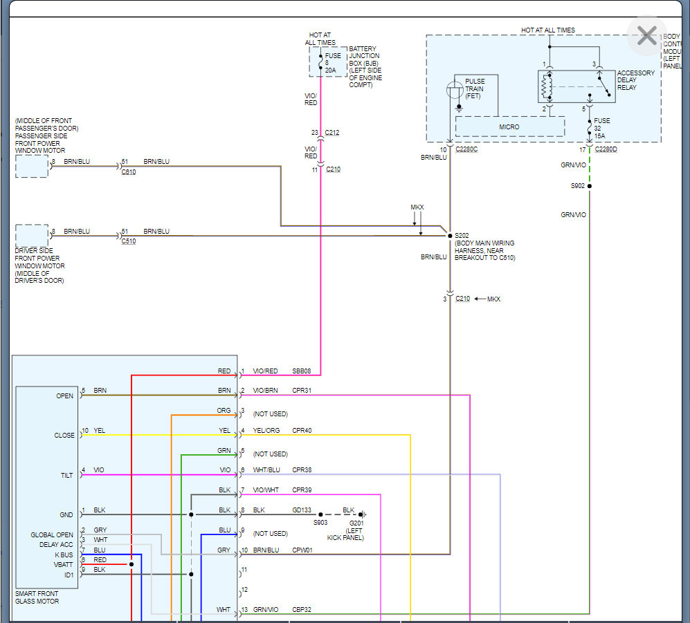
When replacing the roof plastic guides which I have done before on another I was able to open the roof and remove the glass, but I have one with the roof fully closed and wont open. How can I open it enough for the glass to raise a bit so I can remove the screw on the side of the glass?






















