Power windows don't work

Tiny
1026BOB
  • MEMBER
  • 2011 FORD EDGE
  • 175 MILES
My power windows don't work I checked the fuse under the drivers side, the number 1 fuse, not sure if that's the right one I also tried stopping the car and restarting it, that didn't work. I need a detailed description of where the correct fuse is located. And if there are other areas that I should check, please send a detailed description and proper steps to follow.

Other than that, there are no other problems with the interior lighting.
Friday, August 16th, 2013 AT 1:30 PM

1 Reply

Tiny
KEN L
  • MASTER CERTIFIED MECHANIC
  • 55,297 POSTS
Hello,

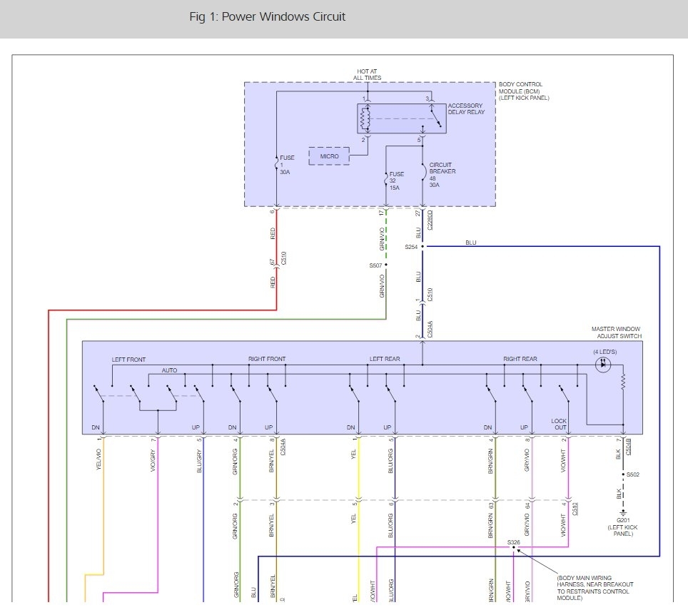
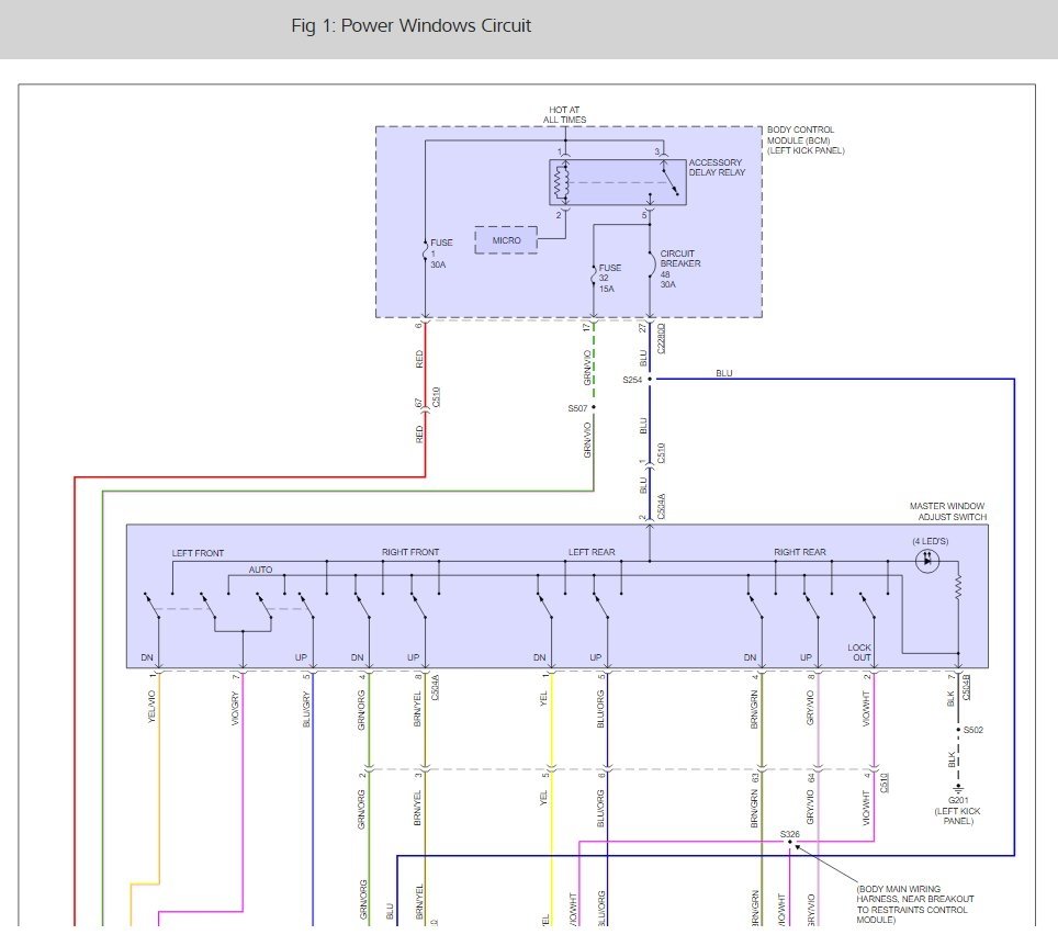
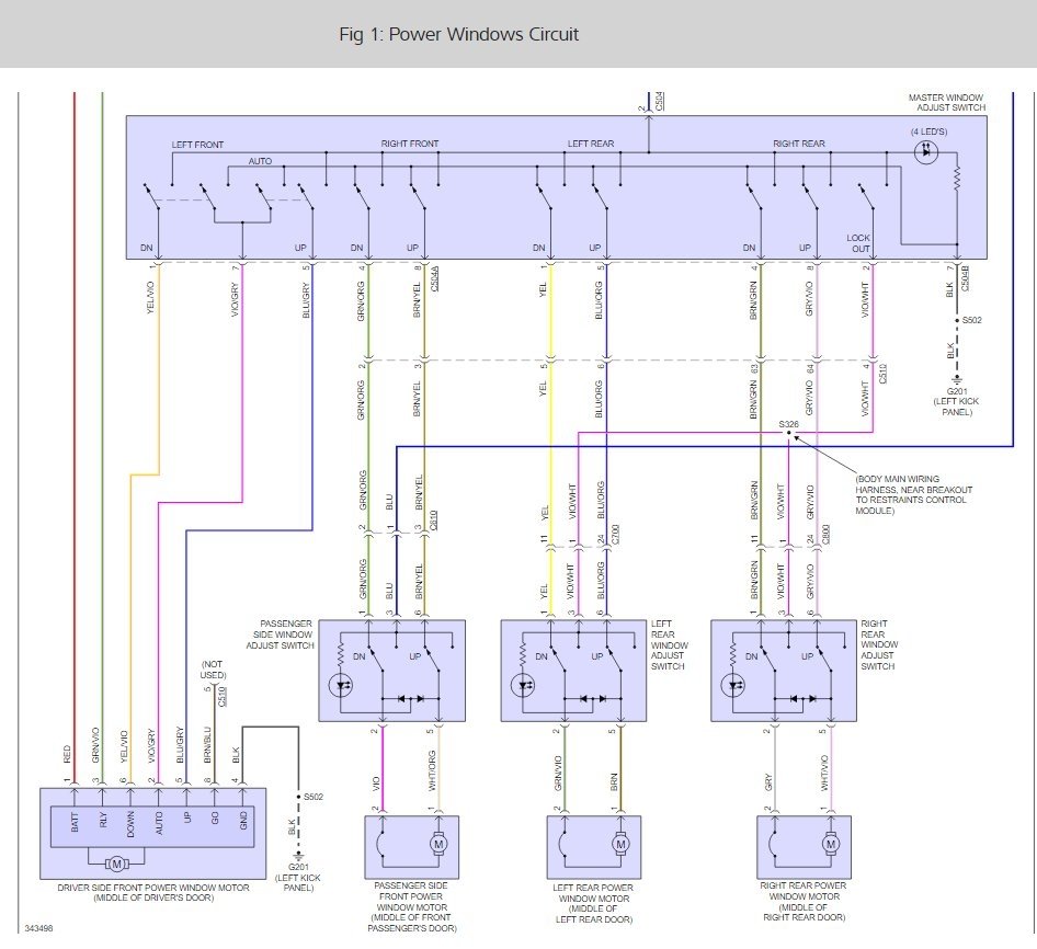
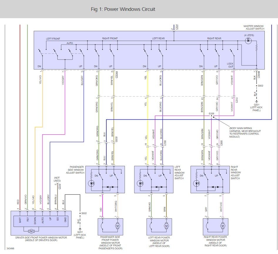
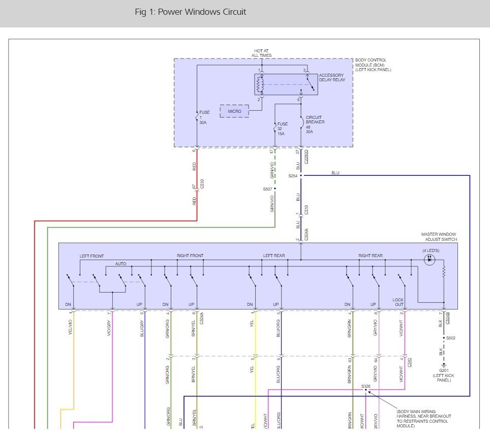
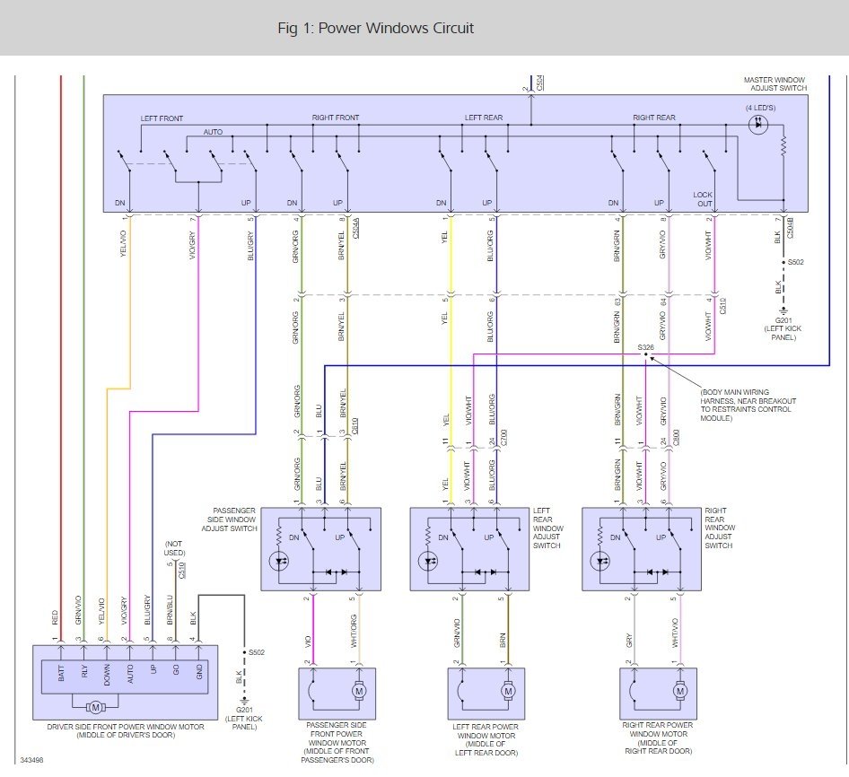
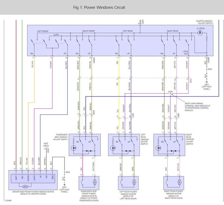
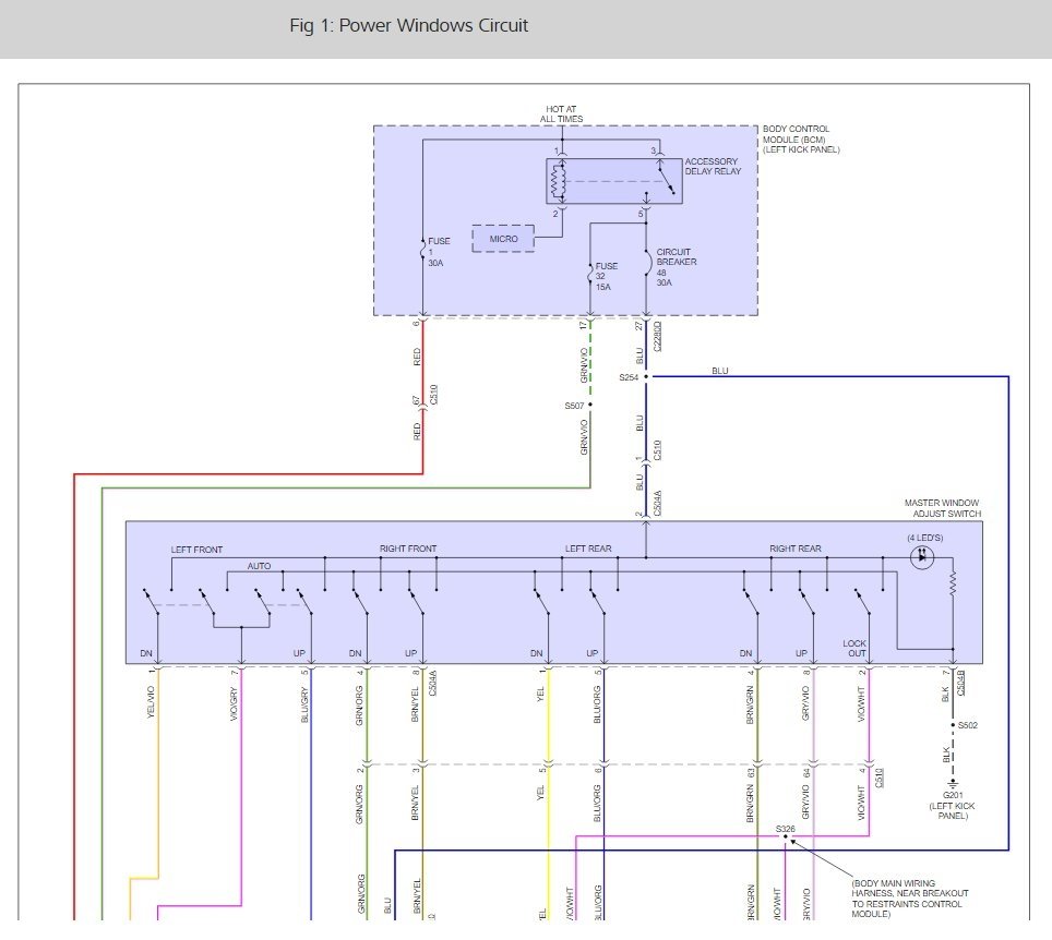
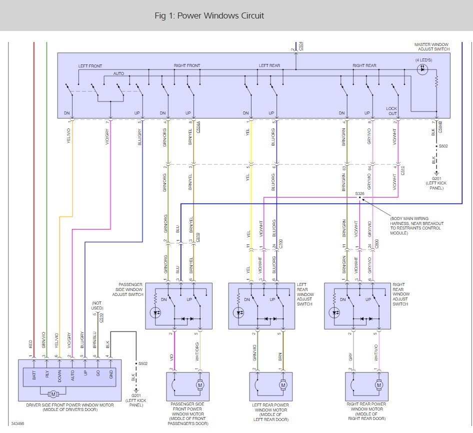
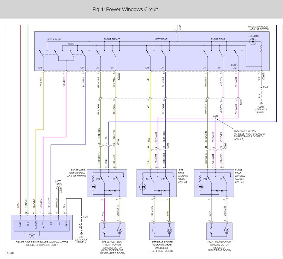
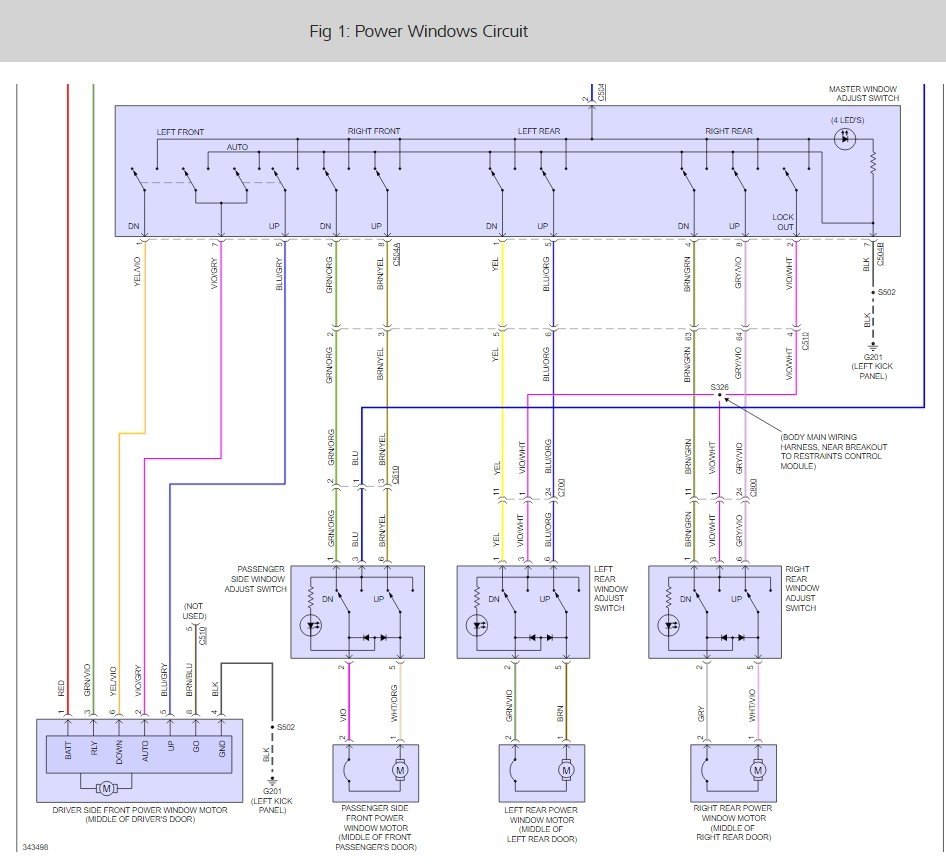
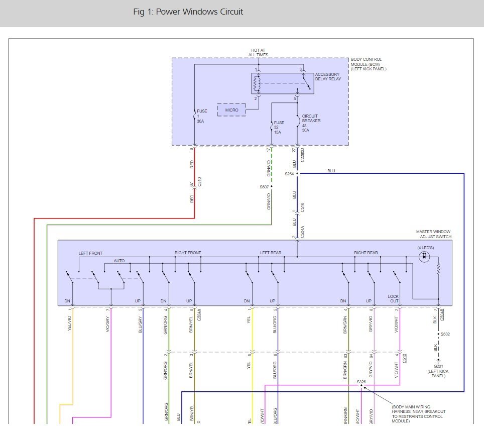
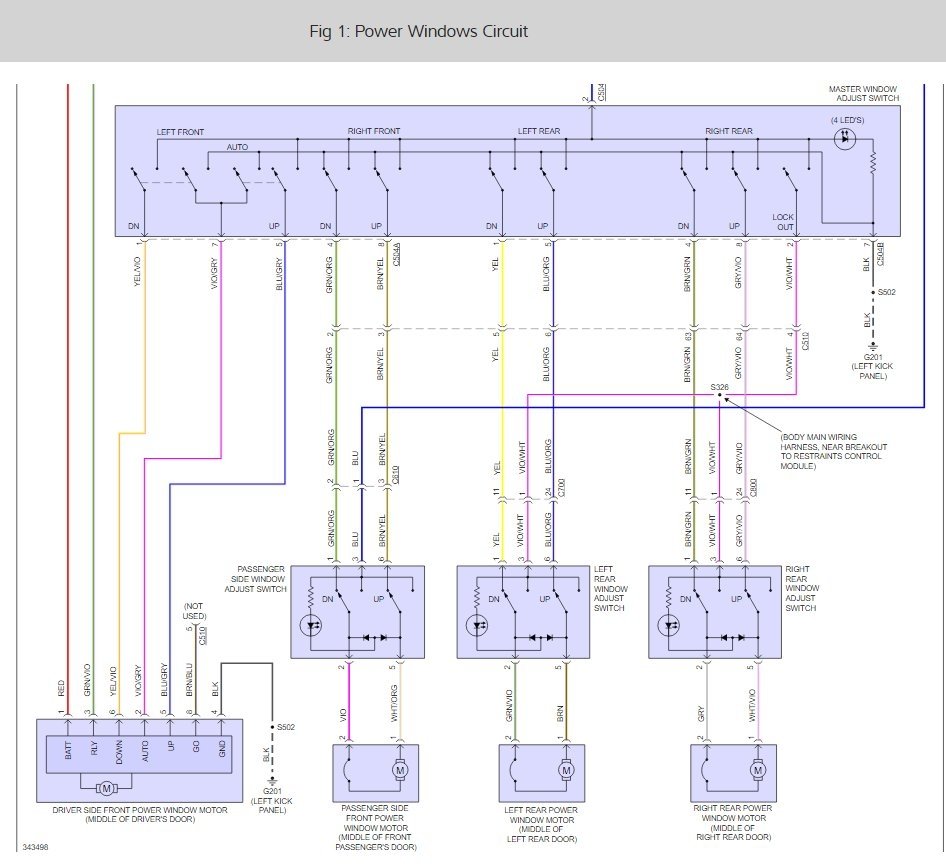
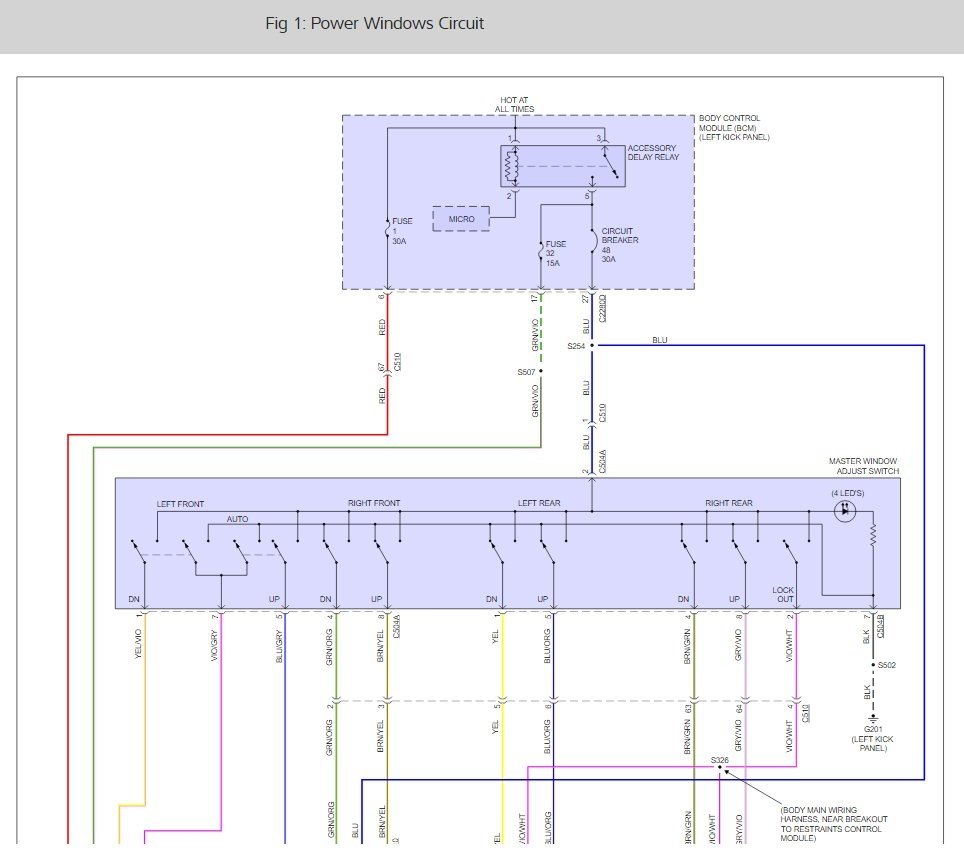
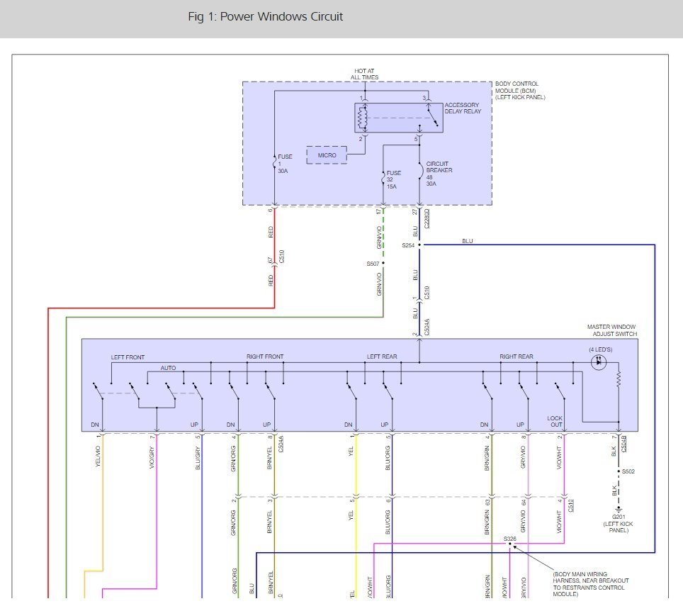
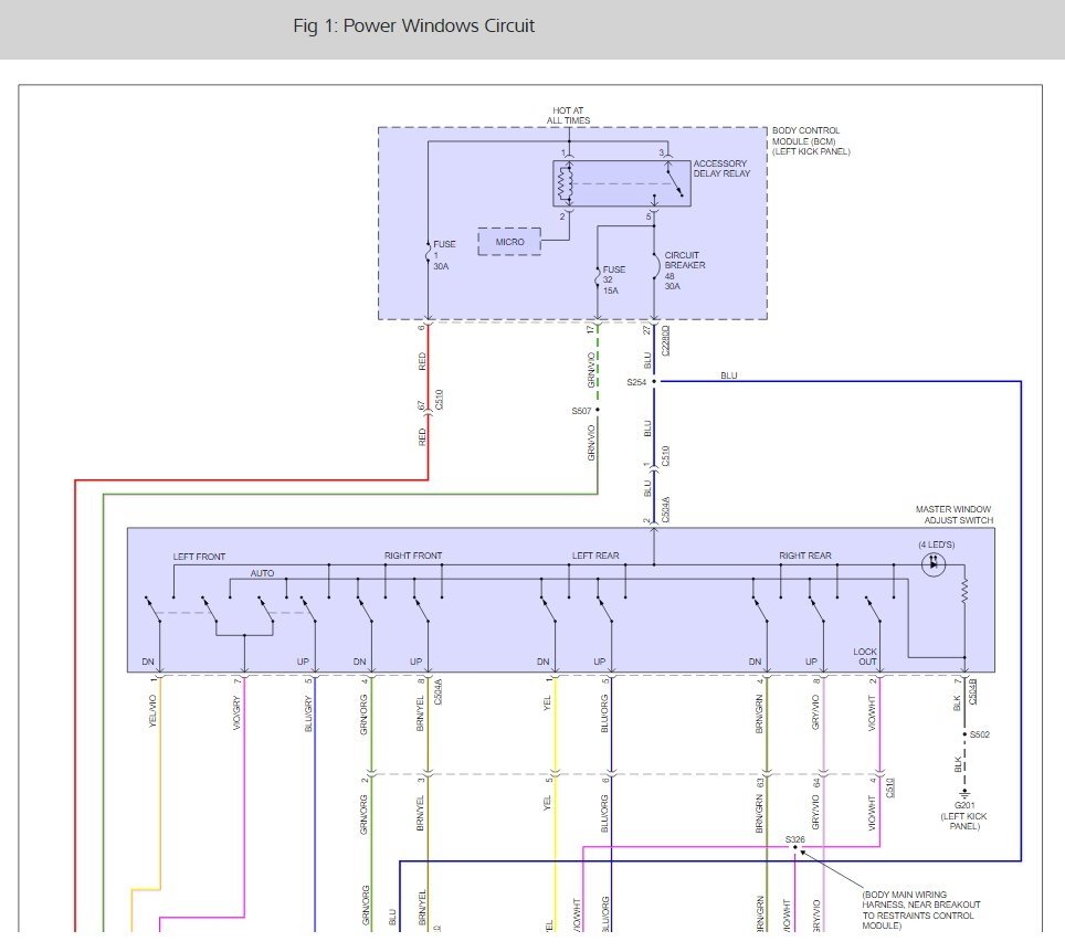
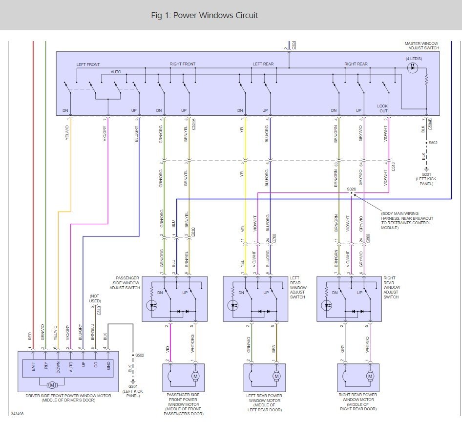
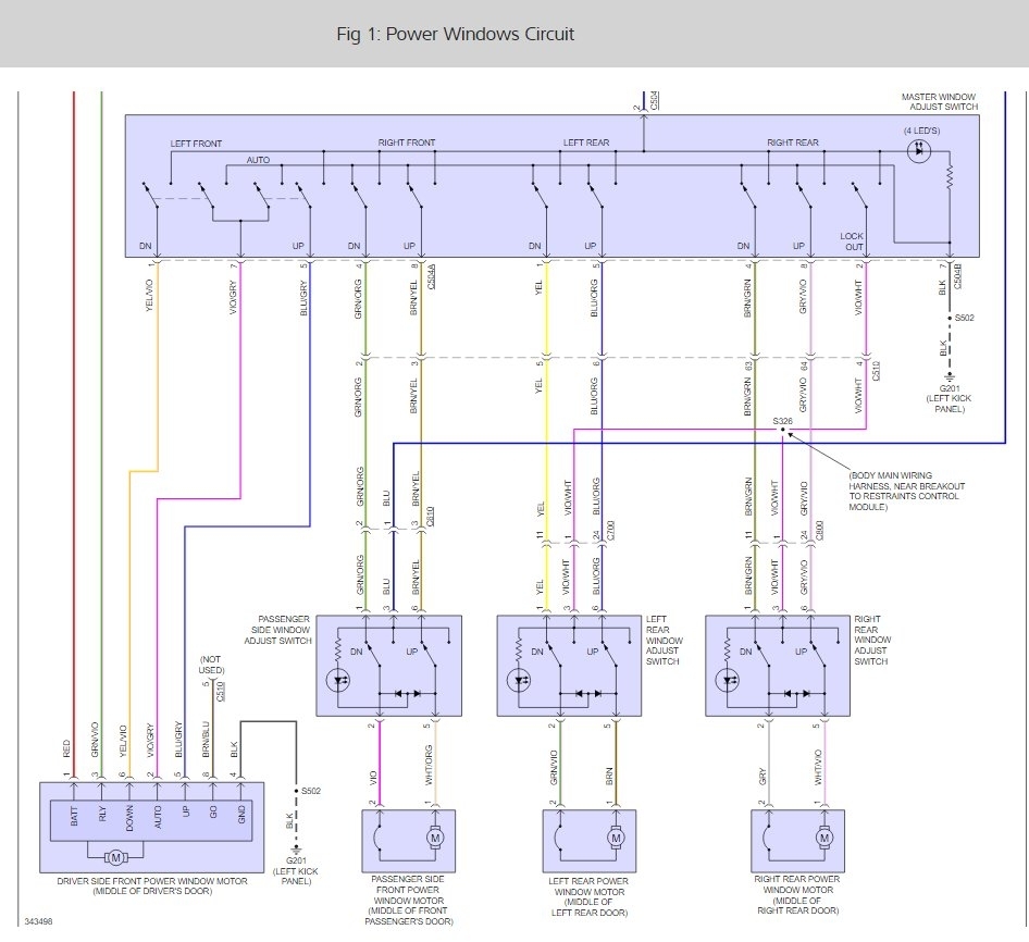
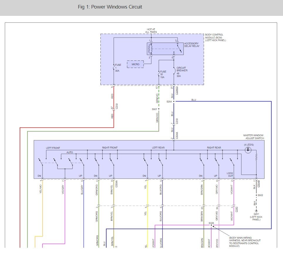
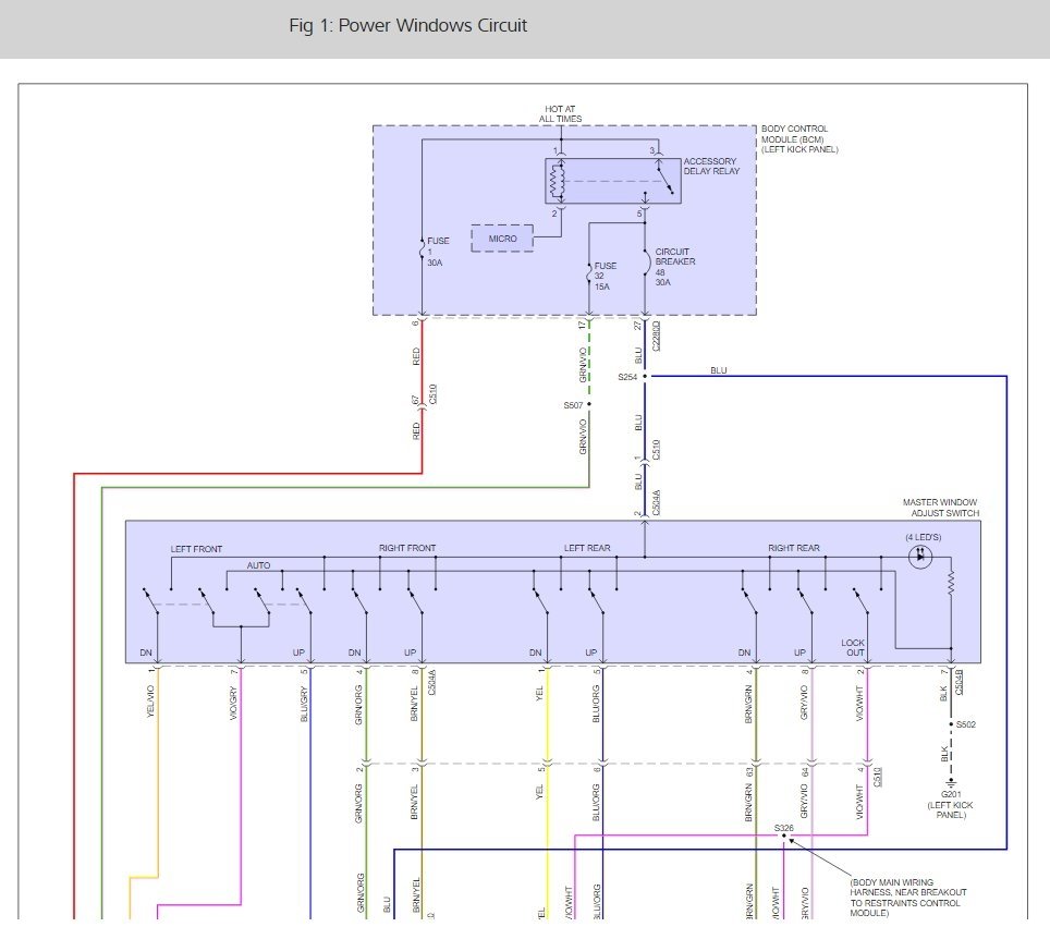
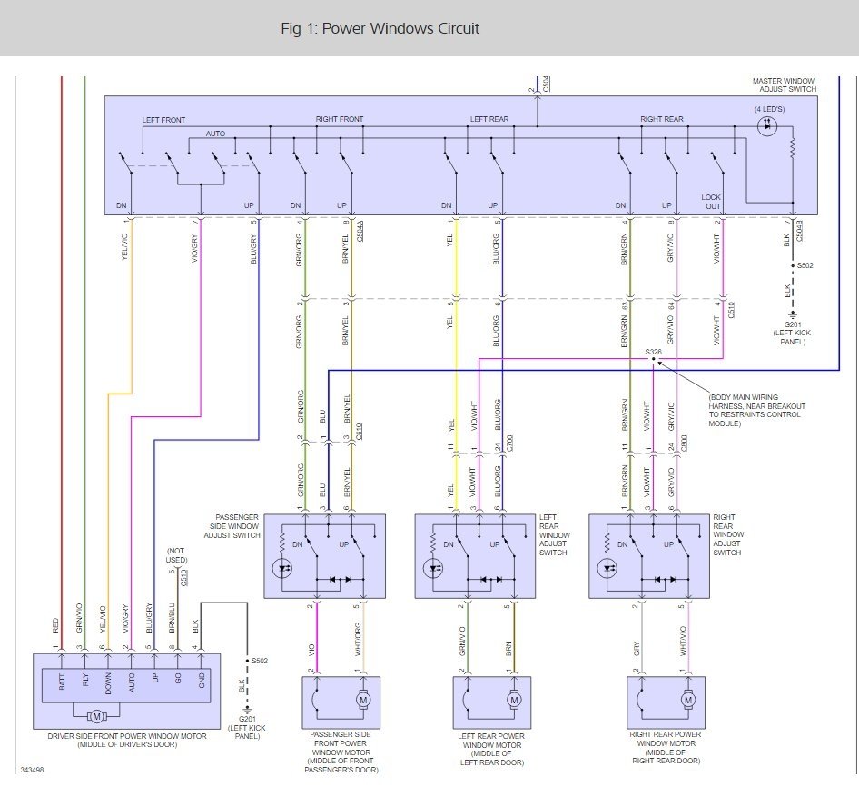
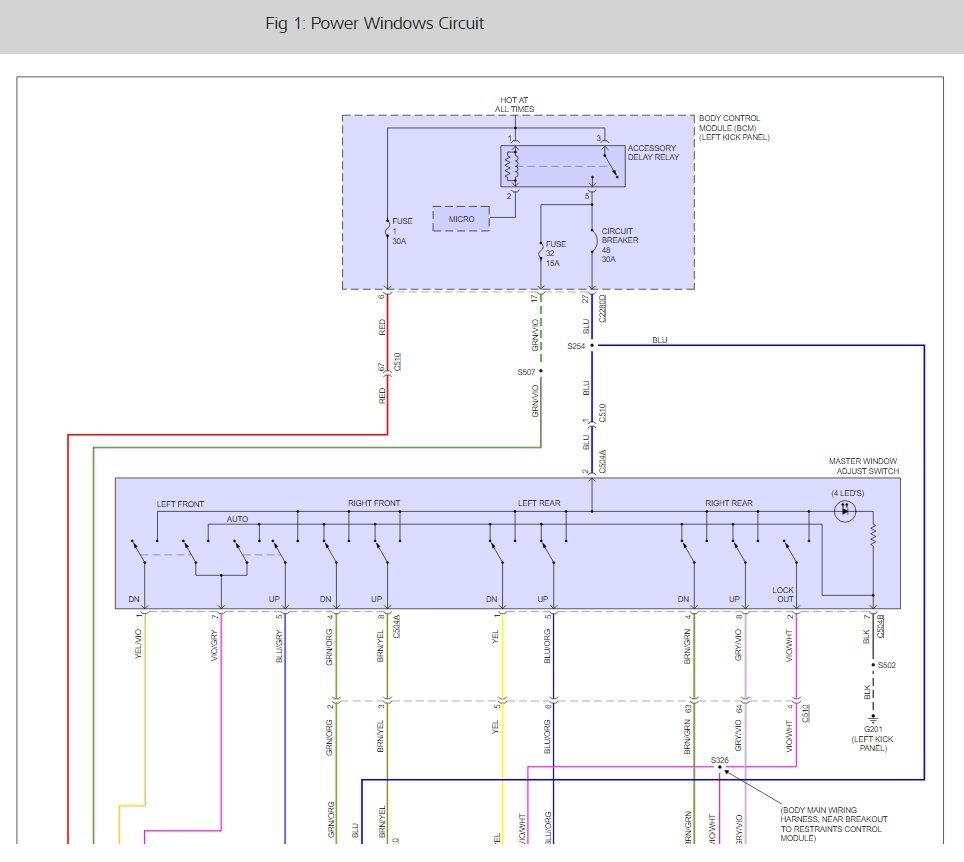
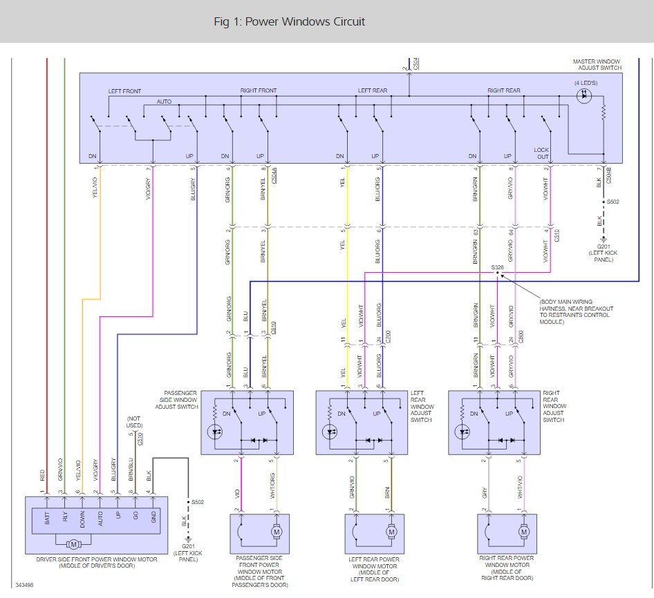
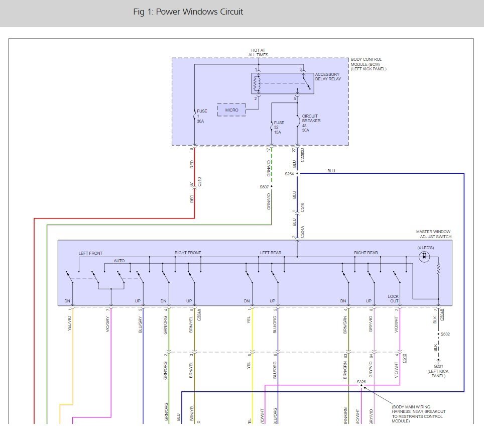
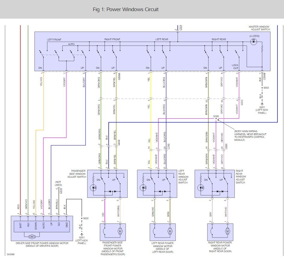
There is a accessory delay relay that runs the system that sounds like it have gone out. Here is a wiring diagram (below) along with a guide to show you how to test or replace it.

https://www.2carpros.com/articles/how-to-check-an-electrical-relay-and-wiring-control-circuit

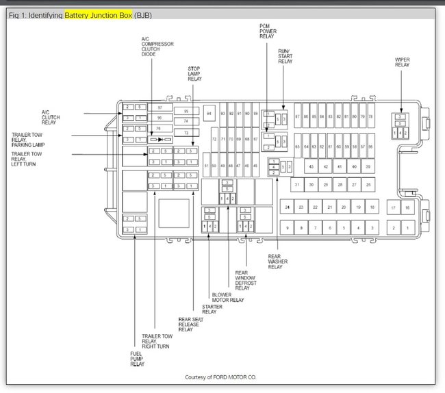
Also is the location of the relay in the car (below)

Please let us know if you need anything else to get the problem fixed.

Cheers, Ken
Was this
answer
helpful?
Yes
No
-1
Monday, June 19th, 2017 AT 2:34 PM

Please login or register to post a reply.