Wednesday, December 1st, 2021 AT 7:00 PM
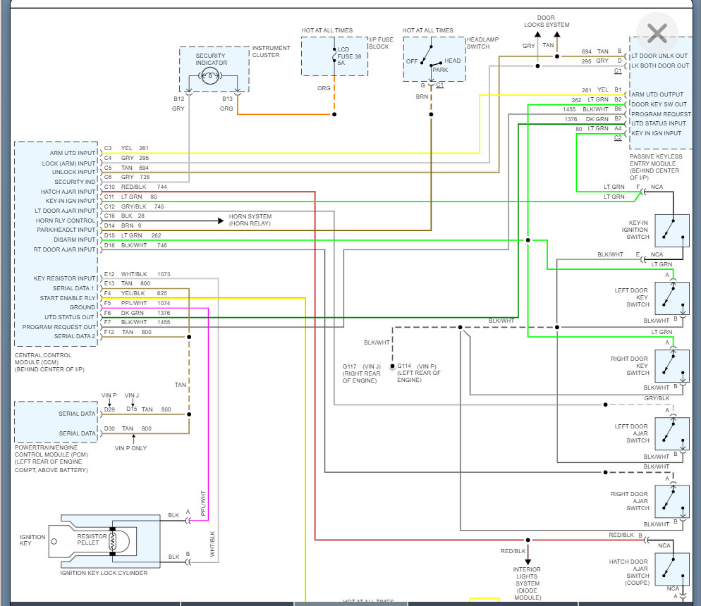
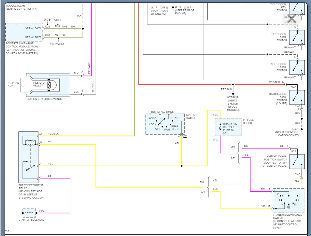
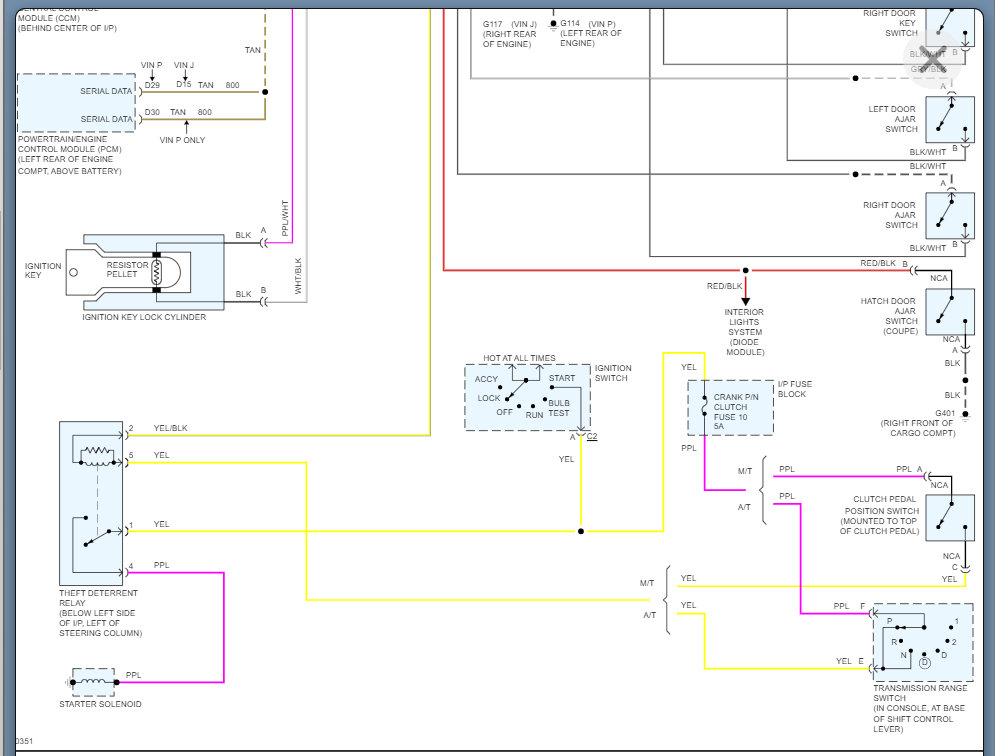
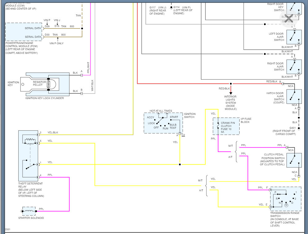
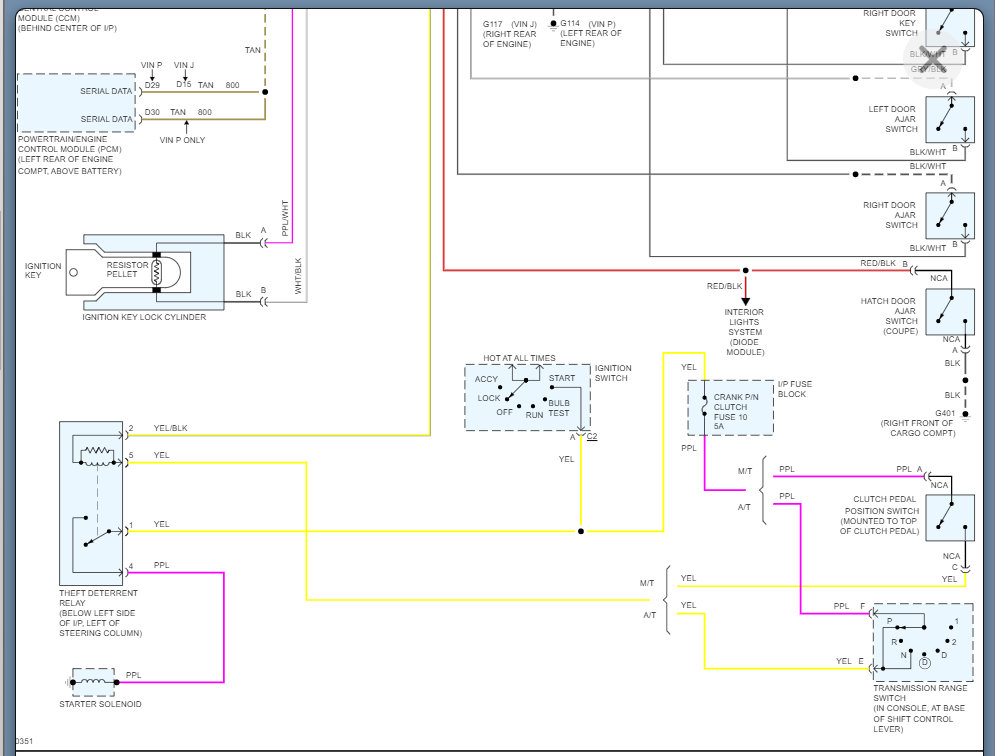
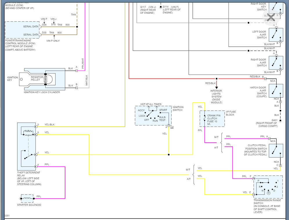
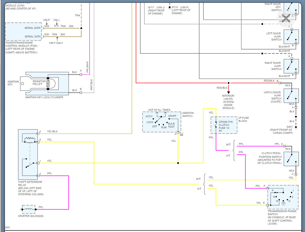
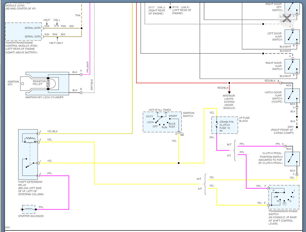
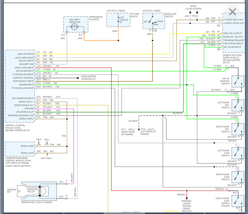
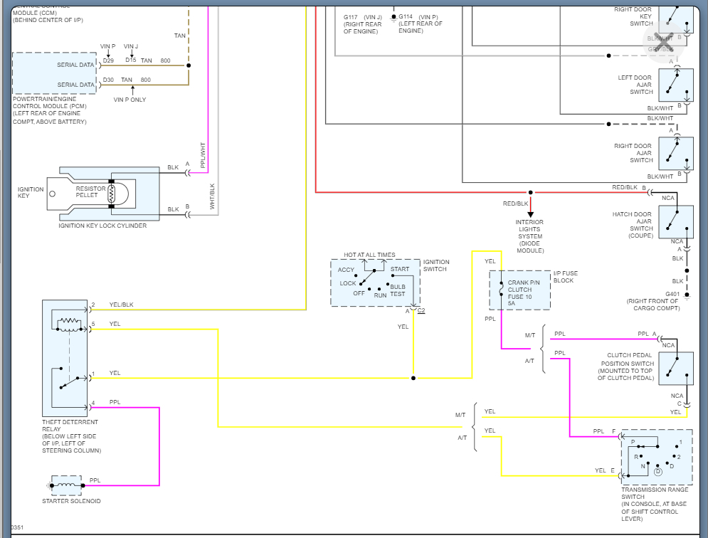
Bought the car listed above with a 6-speed about a year and a half ago. Never had issues starting it other than a battery drain that constantly drained the battery. Recently I bought a battery quick disconnect and installed it so I wouldn't have to charge the battery all the time. The problem I am having now is when I put my key (non-chip) in the ignition and turn it to the on position the security light stays on and I get no crank whatsoever. The security light used to blink. I do not have the original keys (with chip) as I bought car second hand without them, and everything worked fine. I'm trying to see if you had any idea of what I could do to get this back to working.








